Fórum témák
» Több friss téma |
Kicsit pontosítanék, egyenirányít, de nincs benne puffer, így egy 100Hz-el modulált nagyfrekis jelet ad. Ez adott esetben még fázishasított is, mivel a nullaátmenet után esetleg kis késéssel indul be a nagyfrekis rezgés, sőt némelyik tipusban ezzel állítható a kimeneti fesz effektív értéke. (magyarul valami ocsmányság jön ki a szekunder oldalon, de az izzó azért világít róla)
Ebből DC tápot építeni csak elég komoly átalakítással lehetne - magyarul nem érdemes.
Itt egy hasonló ketyere. Ezt ki is mértük szkóppal, ha megtalálom a szkópképeket, felteszem ide.
Sziasztok!
szeretnék építeni egy kapcsoló üzemű tápot 230VAC - 2*33 VDC 250Watt és készítettem már egy kapcs rajzot is hozzá, de nem tudom hogy milyen értékűek legyenek az alkatrészek, főleg a transzformátor. Mivel ez az első kapcsolóüzemű tápom, ezért törekedtem az egyszerűségre, a lényege az, hogy egyenirányítom a 220-at, így lesz 325V DC, aztán egy puffer (fogalmam sincs hogy mennyi farad), ezt leosztom egy feszültségosztóval 12V DC-re, innen hajtom meg az 555-öt ami jelet a tranzisztornak, kb 24000Hz, mert azt már nem hallom (eredetileg FET-et akartam, de aztán túl bonyolult lett)ami megszaggatja a 325V DC-t egy ferrit magos trafó prímerén keresztül a középenmegcsapolt (nem tudom hogy hívják pontosan) szekunderen kapok 2x24VAC egyenirányítás(gyors diódák kellenek ide?) 2x33 VDC pufferélés (megint nem tudom a kondik értékeit) és kész DA trafót azt saját magam akarom tekercselni, de nem tudom a méreteit (menetszámok, ferrit mag méret, huzalvastagság) tudnátok segíteni az értékek kiszámolásában? előre is köszi ![]() a kapcsolás kapcsolási rajz
Szia!
Ezt a rajzot így ne építsd meg, mert hibás! De nézd itt van egy rajz kompletten doksival: Bővebben: Rajz Ebben a doksiban megtalálod az összes kérdésedre a választ! Ja kapcsolóüzemnél nem növekszik a pufferelt fesz! Üdv, Gyuri
A dolog korántsem ennyire egyszerű. Azt javaslom, nézegess utána kicsit a kapcsolóüzemű tápegység típusoknak, és hogy valójában hogyan is működnek. Itt van kezdésnek egy hagyományos, együtemű példa, egy Faichild Semiconductor Application Note a QFET-ekhez. Ha meg erősítőhöz kell a tápegység.. érdemes elolvasni Cimopata cikkét, és Skori oldalait a rezonáns tápegységekről.
Valamint a következőknek is utána kell nézned:
- Tranzisztorok/FET-ek nagyfrekvenciás helyettesítő képei - Be- és kikapcsolási jelenségek induktív terheléssel - Transzformátor helyettesítő kép - Nagyfrekvenciás transzformátorok méretezési szempontjai - Transzformátor telítődési problémái, snubberek - PWM szabályzás, kapcsolóüzemű tápegységek szekunder oldali fojtóinak méretezése - (esetleg) Rezonáns kapcsolóüzemű tápegységek
Igen! De ezeket majd akkor nézze át, ha valamennyire működik az első tápja. Különben szétrobban a feje a sok megértendő dologtól, amit nem fog tudni hova tenni, egész addig, amíg nem látja a gyakorlatban. Vagy te ezzel kezdted? Szerintem megpróbáltál építeni több-kevesebb sikerrel egy tápot, és közben tanulgatod a miérteket.
El kell döntenie, hogy miért akar építeni tápot. Meg akarja érteni, tanulni ezek működését, a későbbiekben ezzel akar foglalkozni, mindig újat és még újabbat akar csinálni, vagyis a hobbija lesz. Esetleg a szakmája. De ha csak egyet akar csinálni, akkor jobb, ha megveszi valahonnan készen. Szerintem csináljon egy valami nagyon egyszerűt, ne hálózatról, hanem törpefeszültségről, így nem lesz veszélyes sem. Aztán szép lassan megérti a működést és akkor már lehet bonyolultabb is.
hát két erősítőnek lenne a táp kb 250W teljesítményen.
12Vdc-ről egy dc-dc konverterrel hogyan lehetne megoldani a LEGEGYSZERŰBBEN a 12v-ról +-33V-ra konvertálást? Amúgy a cikk az sokat segített köszi, de a kapcsolás az túl bonyolult benne, nem látom át
Sziasztok!
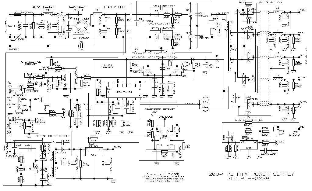
A pc tápok készenléti tápjának a trafójából ki lehet venni 2,5A-t huzamosabb ideig? Azoknak a trafóknak, amik nekem vannak különböző keresztmetszetűek a vasmagjai, és mivel a legkisebb és a legnagyobb keresztmetszetű esetén is azt írták, hogy két amper, így én elképzelhetőnek tartom, hogy a nagyobb keresztmetszetű ennél többet is kibír, de ebben erősítsen meg valaki.
Helló! Ebben az AN9015 appl.not.-ban van egy két csúnya elírás, ha egy kezdő ez után megy, érdekes tapasztalatai lesznek.
Üdv:Kálmán
Tapasztalatom szerint ezek előtt DM311, TOPxxx és hasonló kis IC-k dolgoznak, ha jól tudom 67kHz-es frekvencián, flyback tápként, tehát a trafó légréses. Ezek az IC-k a FET-jük áramát belső módon korlátozzák, gátat szabva így a max. teljesítménynek. Ki kell próbálni, saját, izmosabb elektronikával mit bírnak ezek a trafók..
A trafó valóban légréses, de elég kevés olyan táppal találkoztam, amiben IC vezérelte készenléti táp lett volna. Általában olyan kapcsolást találtam benne, ami a képen is látható. Elméletileg a visszacsatolás megoldaná a nagyobb teljesítményfelvétel okozta feszültségcsökkenést, de vajon a trafó és a primerköri alkatrészek ezt kibírnák-e?
Ki kell próbálni, és megnézni mi mennyire melegszik, másként nehéz lenne megmondani. Szerintem az egyenirányító diódával és esetleg a trafóval lehet gond, mással nem igazán.
Én mostanság elég sokat bontottam.. néhányban valóban önrezgő flyback volt, de kb. a felében DM311 és társai hajtották a segédtápot (jellemző az újabb tápegységekre).
Nekem főként régebbi típusú tápjaim voltak, akkor ezért nem találkoztam ilyesmivel.
Egyébként önrezgő tápban sem tartom kizártnak a Drain-áram korlátozást. Van egy kicsi, 4,5V/500mA-es flyback kapcsolóüzemű adapterem, abban egy TO-92-es, egy TO-126-os tranyó, egy zener ill. az optocsatoló, és pár dióda az aktív félvezető elem összvissz. És az is bekorlátozza a primer oldalról a kimeneti áramot, mivel a szekunder oldalon nincs sönt az áramméréshez, és 500mA-nél ha jobban próbálom terhelni, szépen ejti a feszültséget.
Értem, akkor a diódát cserélem, a trafó meg majd elválik.
Ha bátor próbálkozó vagy, a FET drain ellenállását is cserélheted kisebbre.. ha a rajz szerinti tápegység van benne, gyanítom, hogy az azon eső feszültség alapján korlátoz a táp.
Igazad van, ebbe bele sem gondoltam... Amúgy nem feltétlenül kell nekem 2,5A. Egy akkutöltőhöz akarom építeni, amiben 2x2 akkut töltenék 1-1 amperrel, így kimerítettem a táp kapacitását, ezen kívül még el kellene látnia a töltőáramkört árammal, de lehet azt fedezi az az áram, ami a tápban a vezérlő IC táplálásához szükséges, ugyanis az külön áramkörről megy.
Ami még érdekelne, hogy ezekben a tápokban, meg elég sok kapcsitápban van az, hogy a primer és a szekunder testet összekötik egy zavarszűrő kondenzátorral, meg párhuzamosan vele egy nagy értékű ellenállással, ez feltétlenül fontos bele? A töltő előreláthatólag nem lesz leföldelve. Ezen kívül a legtöbb pc tápban van egy zavarszűrő közvetlenül a 220-as csatlakozóra forrasztva, ott is van nulla és fázis között két soros kondenzátor a közös pontja pedig földre és a házra kötve, ez is kimaradna, és a zavarszűrés egy hasonló teljesítményű kapcsolóüzemű dugasztápból lenne beleültetve. Gondolom az így is funkcióképes, és biztonságos is?
A teljesítmény-tranzisztoros PC tápokban, ahol a szekunder oldalon van a TL494 vagy hasonszőrű társa, és meghajtó trafón keresztül kapnak vezérlést a tranyók, én is felfedeztem, hogy a +5V/2A standby mellett van egy nagyobb feszültségű, de kisebb áramra tervezett (szerintem kb. 12...15V) szekunder is, erről kényelmesen elketyeg a töltőd vezérlése (max utána lesz egy 7805, vagy amennyi volt kell a vezérlésednek). Én is gondolkodtam már azon, hogy kitermelek egy komplett ilyen kis tápot, szintén NiMH akkutöltés céljából.
[OFF]Egyébként hőmérsékletre vagy Delta-Peak-re töltessz? Ha utóbbira, akkor az érzékelés mikéntjét megoszthatod velem is Mértem NiMH akksikat töltés közben, regisztráltam a feszültségüket elég nagy felbontásban, de arra jutottam, hogy elég nehéz érzékelni, nagy dt kéne hozzá, ami meg pontatlanná teszi a dolgot, ha meg megnövelem az AD bemenet érzékenységét, akkor meg összeszedi a zavarokat. De valamiféle megoldás csak van.. ha profibb gyári töltők ez alapján működnek Úgyhogy maradtam annál, hogy az akksik hőmérsékletének emelkedését kezdem el érzékelni, csak hogy az is pontos legyen, elég rendesen meg kell fontolni a mechanikai konstrukciót. Egyébként az LM35-ön csodálkoztam el, mennyire borsos az ára itt-ott.. szóval kezdeti mérésekhez germánium tranzisztorokat használtam visszacsatolatlan közös emitteres kapcsolásban, 1mA nyugárammal szépen mászott a munkapont pár fok változásra is, sajnos a levegőmozgást is észrevette.. de ezt egy plusz tranyóval, ami a környezeti hőm-t érzékelte, meg a jelek kivonásával sikerült kiküszöbölni. Ha uC van AD átalakítóval, kalibráló mérés után lehet linearizálni a karakterisztikájukat úgyis.
Én töltésre a Linear Technology által gyártott LTC4060 jelzésű IC-t használom, abban meg van minden, ami egy rendes töltéshez szükséges. Már gyártottam egy konstrukciót, az elég jól vizsgázott, és abban a töltőben Delta-Peak ment, de mivel nagyon kicsire állítottam a töltőáramot 0,2/0,4C (választható), így nem igazán működött, a mostaniban a töltőáram minimum 0.5C lesz, és szükség esetén hőmérséklet figyelés is kialakítható lesz benne, amit az IC 10k-s termisztorral érzékeli. (te meg azt oszthatnád meg velem, hogy ceruza akku esetén hogyan teremtesz megfelelő hőkontaktot az aksi és a szenzor között?) Amúgy az IC-nek pár külső alkatrészre van szüksége a működéshez, és önmagában megold minden jelfeldolgozást. Ingyen minta rendelhető a cégtől, max 4-et küldenek ki (2x16tssop és 2xdfn) mindenféle költség nélkül, egyedül a kapcsolásban szereplő tranzisztor beszerezhetőségével gyűlt meg a bajom. Az IC adatlapja.
A hőkontakt megteremtésére sok megoldás eszembe jutott, pl. beépíteni az akkufoglalatba egy félkörbe hajtott alu- vagy rézlemezt, ami már könnyen hőkapcsolatba hozható a hőmérséklet-érzékelővel, de a próbamérések során egyszerű módszert alkalmaztam: az akkura ragasztottam a tranyót celluxal
Mindenesetre jól követte az akksi hőmérsékletét a munkaponti feszültség, még azt is észrevette, ha kézzel visszahűtöttem picit az akksit, távolabb a tranzisztortól.
Szia!
Sikerült a kiszemelt készenléti tápból 2,1A-t kicsikarni, ennek már elégnek kell lennie, főleg, hogy van rajta egy 100?-os ellenállás, ez is 50mA terhelést jelent számára, a töltőben a az állandó terhelést pedig a töltőelektronika töltené be, így nem járna soha üresen a táp. Ami egy kicsit érdekes jelenség volt, hogy amikor legelőször megterheltem akkor a feszültség nagyon leesett, és szép lassan emelkedett 5V-ra, és így az áram is beállt 2,1A-re, későbbi próbálkozások esetén már ilyet nem tapasztaltam. Ez mitől lehetett?
Hali!
Azt se felejtsd el hogy a kis kinai olyan matricát ragaszt a tápra, amilyet a kereskedő kér, nem amit a táp tud (olcsóbb, és noname tápok).
Persze, mielőtt élesben járatom majd a tápot előtte több órás tesztnek fogom alávetni maximális teljesítményen. Amúgy nem volt semmi gond ezzel a táppal, amíg egy túláram el nem vitte és vele együtt az egész gépet, szerencsére a készenléti része épen maradt, de ettől függetlenül a trafón kívül minden alkatrészt cserélek benne.
Hello
El tudnád ezt nekem bővebben magyarázni? Nem nagyon értem. Tehát a kollektor körhöz tartozó tekercset is használni kell, ha azt akarom, hogy működjön? Találtam már olyan tápot is, amiben a tranzisztor bázis vezérlése majdnem megegyező a többivel, de még sem használnak benne egy tekercset a kollektorhoz. Azok mennek nélküle is. Az a gyanúm, hogy az én tápom azért bénáskodik, mert kihagytam a kollektoros tekercs gerjesztését. Hogy működik ez most? a bázist meghajtó tekercsen megjelenik egy feszültség. Ettől kinyit a tranyó, és a kollektoron elkezd áramolni az áram, és ez a kollektor körrel sorban lévő tekercset meghajtja. Ettől mi lesz? Meg nő a bázis nyitásának ereje? Vagy ez teljesítmény behatárolás? Ezt nem értem. Bedobok egy hasonló rajzot. Bekarikáztam, melyik résszel van gondom. Meg még egyet az én tápomról is.
Lehet itt jobban látszik a végtranyók vezérlése.Bővebben: Link
Erről még csak felületesen informálódtam. Amennyit tanultunk róla: arányos/önzáró vezérlés. A trafó úgy tudom a fel/lefutó éleknek megfelelő pozitív/negatív impulzust visz át, felfutó impulzus után a kollektorköri, kb. 1-2 menetes tekercsnek köszönhetően úgymond önzár, és a bázisáram arányban lesz a kollektor árammal. Lefutó élre negatív impulzust visz át a trafó, amire kikapcsol, megszűnik az önzárás. A teljesítményelektronika-tanárom rövid magyarázata alapján ez ragadt meg az önzáró vezérlésről.. az se biztos, hogy pontosan ragadt meg. Méretezéséről pedig nem esett szó.
|
Bejelentkezés
Hirdetés |





(eredetileg FET-et akartam, de aztán túl bonyolult lett)

Úgyhogy maradtam annál, hogy az akksik hőmérsékletének emelkedését kezdem el érzékelni, csak hogy az is pontos legyen, elég rendesen meg kell fontolni a mechanikai konstrukciót. Egyébként az 






