Fórum témák

» Több friss téma
Fórum » Kapcsolóüzemű táp 230V-ról
 
Témaindító: cimopata, idő: Szept 13, 2006
Témakörök:
Lapozás: OK   743 / 789
(#) ferci válasza GFI hozzászólására (») Ápr 23, 2020 /
 
Szia!

Konkrétan ilyen rajza nincs senkinek sem.

DE... ez a kívánalom, hogy ".. 90-120V bemenettel és 400-500V kimenettel. 2-300W ", sok minden lehet.
90-100 V DC vagy AC nem mindegy - 400-500V kimenet talán DC?
Végülis "Csak képek keresése" részben találhatsz nagyon sok rajzot, csupán 230 V AC bemenettel leginkább, de ez ne zavarjon... az áttétel lesz más a kimenetnél, az egyenirányítás is és máris megvan minden.
Csupán kicsit át kell variálnod.
(#) Szegedi Sándor válasza GFI hozzászólására (») Ápr 23, 2020 /
 
Az adatlapja szerint a Top250y tud 210 wattot akkora bemenettel és megfelelő hűtéssel. Én ebbe az irányba indulnék el, mivel nekem se szkópom se kellő tudásom nincs az egészhez.
TOP250Y adatlap
Csatoltam a kis számolásom. Bár szerintem a szakik meg fognak hurcolni rendesen ezért, meg a hozzászólásomért is.
(#) bbatka válasza Szegedi Sándor hozzászólására (») Ápr 24, 2020 /
 
A rezonáns szabályzatlan tápegység valóban jobb erősítőhöz, de egyszerűsége miatt szerintem is kipróbálhatod TOP2xx-es áramkört. Még mielőtt beültetnéd a TOP250Y-t, teszteld le egy labortápegységgel hogy hány voltnál kezd az optocsatoló működésbe lépni.
(#) ferci válasza bbatka hozzászólására (») Ápr 24, 2020 / 1
 
Az egyszerűség azért kérdéses...
1., a 2-300 watt kapásból,
2., ide már speciálisan tekert trafó kell, ami a flyback rendszereknél van,
3., a snubber disszipációja,
4., az egyutas egyenirányítás diódája a max egyenirányított 4-500 volthoz ( zárófeszültség )...
Természetesen próbálkozni lehet.
(#) Peter65 válasza Szegedi Sándor hozzászólására (») Ápr 24, 2020 /
 
Hát igen, a számolással kapcsolatban nagyon sok aggály felmerülhet, csak a legdurvábbak;
- nem találom benne a primer feszültség értékét, így kérdés, hogy mihez tartozik a menetszám
- a frekvencia sincs benne figyelembe véve, vagy legalábbis nem látom
- a maximális indukció dimenziója nem tudom mi lehet
A hozzászólás módosítva: Ápr 24, 2020
(#) bbatka válasza ferci hozzászólására (») Ápr 24, 2020 /
 
Nem akartam elvenni a kedvét a kapcsolástól. Én is tervezem ennek a kapcsolásnak a megépítését egyszer. Persze nekem már van előnyöm. Sokat segítettél a flyback lényegi részét megérteni.
(#) GFI hozzászólása Ápr 24, 2020 /
 
Köszönöm az eddigi hozzászólásokat.
Megpróbálom a TOP250Y-os kapcsolást. Minél egyszerűbb a kapcsolás annál jobb jelenleg.
Egy átalakított pc táp lenne a legjobb ha lehetséges. Van is olyanom, ami kapcsolható 110-V ra.
(#) bbatka hozzászólása Máj 2, 2020 /
 
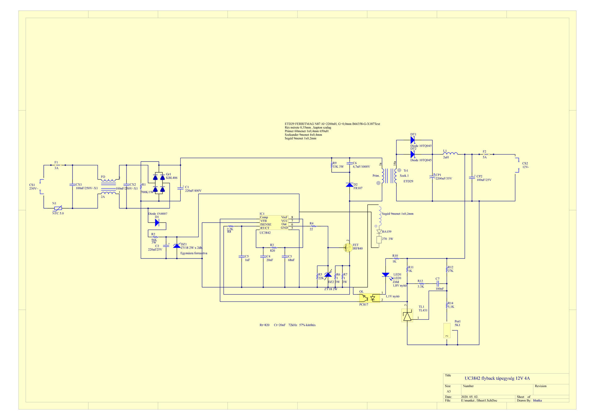
A tegnapi napon sikerült munkára bírnom Danyk UC3842 ic-vel működő kapcsolását. Egyelőre még csak 1,5A-al van terhelve. A szekunder köri diódákra nagyobb bordát kell szerelnem még.
Sok problémába ütköztem. Melegedő zenerek, ellenállások. R2 helyén sem az 56K sem pedig az 5,6K nem megfelelő Danyk eredeti kapcsolása szerint. 56K kevés. Az 5,6K/8W pedig tűzforró lesz.
A számításokhoz sokféle programmal próbálkoztam, de egy orosz szerző ingyenes programja nyerte meg leginkább a tetszésem. 320volt.com-ról tölthető le. Az ST gyártmányú UC3842 müködése kicsit eltért a számítottól. pl. 60kHz helyett 72kHz. A snubber-t programmal is kiszámoltam, de maradtam az eredeti mellett. A segéd tekercs menetszámát szerintem még lehetne csökkenteni. Nem véletlen a 270/3W illetve a 2db. ZY18 zener párhuzamosan kötve. Valószínűleg több példányt is fogok belőle építeni, mert nagyon tetszik a kapcsolás. Gondoltam közzé teszem ameddig eljutottam. Talán más is meg akarja építeni. A ferrit a RET-től szerezhető be. Illetve az alkatrészek zöme szintén.
Köszönöm ferci-nek a gyakorlati segítséget !
(#) ferci válasza bbatka hozzászólására (») Máj 2, 2020 /
 
Az 5k6...56k között válassz egy másikat, pl. 47k vagy közeli, az csak az indításhoz kell. Lehet, hogy IC-je válogatja, mivel indul el.
A segédtekercs menetszámát úgy csökkentsd, hogy le tudjál menni 220 ohmra és egy ZY18 vagy ZPY 18 is elég legyen - végülis a zenernek nem muszáj nagyon melegedni, jó lenne oda cseppet nagyobb is - lényeg az, hogy a kezdeti 18 volt táp meglegyen, utána már elballag az UC kicsit kevesebbel is.
A frekit pedig oda állítod, ahová akarod az adatlap számolása, ill. a gyakorlat szerint (Rt, Ct ).
(#) bbatka válasza ferci hozzászólására (») Máj 2, 2020 /
 
Félre érted. Az 56k így ebben a formában pont jó. Marad így minden. Én már nem kísérletezek ezzel tovább. Majd a következőnél csökkentem a segéd tekercs menetszámát.
Vettem a RET-től kicsit drágábban UC3842A-t (Texas), ezt még lehet kipróbálom. Az ST gyártmányú UC3842B.
A kimeneti diódák kicsit melegszenek. Feltettem egy 80x25x10-es bordát a kettőre együtt. 1,5A terhelésnél 60C-t mérek 2 perc üzem után. Valószínűleg egy pici ventilátor fog kerülni a dobozba.
A hozzászólás módosítva: Máj 2, 2020
(#) ferci válasza bbatka hozzászólására (») Máj 2, 2020 /
 
Aha... ja, hát sok hasonló többszáz kilóval indul..
(#) GPeti1977 válasza bbatka hozzászólására (») Máj 2, 2020 /
 
Köss a szekunder diódával párhuzamosan egy 10 ohm 2W és 1nF / 630V soros RC tagot, a flyback tápnál nagy záróirányú feszültség igény van, ha nagyon melegszik lehet visszáram is folyhat
(#) bbatka válasza GPeti1977 hozzászólására (») Máj 2, 2020 /
 
Még arra is gondolok, hogy a diódák 45V-os határfeszültsége ide alacsony.
Ezt a bordát használom.
A hozzászólás módosítva: Máj 2, 2020
(#) GPeti1977 válasza bbatka hozzászólására (») Máj 2, 2020 /
 
Így van
(#) vision61 válasza bbatka hozzászólására (») Máj 2, 2020 /
 
Szia!

Egy észrevétel, a képek alapján, az az átkötés az optocsatoló alatt eléggé veszélyes. Gondolom, ez csak prototípus, a többi panelt tervezd át.
A hozzászólás módosítva: Máj 2, 2020
(#) bbatka válasza vision61 hozzászólására (») Máj 2, 2020 /
 
Jó megfigyelő vagy Nem tudtam máshogy elvinni.

A cuccaim között találtam BYV79E-200 Diódát (200V, 14A). Azt gondolom ezt talán szerencsésebb lenne a 10tq045 helyére.
(#) bbatka válasza bbatka hozzászólására (») Máj 2, 2020 /
 
És még találtam ilyet is. MBR 10100G 100 V 10 A TO-220AC SCHOTTKY
(#) bbatka válasza bbatka hozzászólására (») Máj 3, 2020 /
 
A két vég diódát lecseréltem MBR10100G-re. A hűtőborda hideg 2 perc terhelés után 1,5A-nél.
(#) Skori válasza bbatka hozzászólására (») Máj 3, 2020 / 1
 
Ha már működik ez a táp, akkor érdemes lenne megoldani, hogy ki lehessen hagyni a feleslegesen melegedő ellenállásokat és zenereket. EZT a kis tápot már több készülékben alkalmaztam segédtápként, itt is alkalmazni lehetne az UC3842 tápellátására (a méretezése a weblapomon megtalálható), így a kapcsolásodból kimaradhatna a D1,R2,C2,DZ1,BA159, és a 270Ω3W is (és még segédtáp tekercs sem kellene a trafóba). A TNY255 filléres cucc, amikor utoljára vettem, akkor valami 55Ft volt a lomexben.
Ezzel elmondhatnád, hogy nem csak Danyk kapcsolását építetted után, hanem egy sokkal jobb hatásfokú kapcsolást készítettél. A nyákterven pedig tényleg oda kellene figyelni a szigetelési távolságokra - nehogy baj legyen belőle.
A hozzászólás módosítva: Máj 3, 2020
(#) bbatka válasza Skori hozzászólására (») Máj 3, 2020 /
 
Gyakran megfordulok a WEB oldaladon. Sok jót tanultam belőle. Sőt még a cikked megjelenésekor megvettem hozzá az alkatrészeket a TNY255 táphoz. Több példány után építéséhez is.
Még délelőtt teszteltem 3A terheléssel is az áramkört. Meg se kottyan neki. A kimeneti diódák bordája kicsit langyos. Így sem rossz az áramkör.

"A nyákterven pedig tényleg oda kellene figyelni a szigetelési távolságokra - nehogy baj legyen belőle."
Konkrétan mire gondolsz ? Miben változtassak ?
(#) Skori válasza bbatka hozzászólására (») Máj 4, 2020 /
 
A berakott fotók alapján nem tudom egyértelműen eldönteni, hogy milyen érintésvédelmi módhoz készült a tápegység, de mivel védővezető csatlakozási pontot nem látok rajta, így elméletileg kettős szigetelés lenne az alkalmazott érintésvédelmi megoldás. Ebben az esetben a primer és a szekunder oldal bármely vezetősávja között minimum 7,5mm távolságot kellene tartani a panelen, (a transzformátoron belüli kúszóáram útnak is legalább ennyinek kell lennie). A képek alapján a méreteket csak saccolni lehet, de az optocsatoló környezetében úgy tűnik mintha ennek a feltételnek nem felelne meg.
A kettős szigetelésű készülékek szigetelésének emlékeim szerint legalább 2000V-ot (de lehet hogy többet) el kell viselnie.
A hozzászólás módosítva: Máj 4, 2020
(#) Skori válasza bbatka hozzászólására (») Máj 4, 2020 /
 
A TNY255-öt azért vetettem fel, mert engem pl. zavarna ha egy készülékemben több Wattnyi teljesítményt kellene elfűteni ellenálláson, főleg akkor ha létezik olyan megoldás amivel ez elkerülhető. A feleslegesen elfűtött energia is tekinthető egyfajta környezetszennyezésnek.
(#) bbatka válasza Skori hozzászólására (») Máj 5, 2020 /
 
Próbáltam minél jobban távol helyezni a primer - szekunder oldalt. A legtöbb helyen meglesz a 7,5mm. Átnézem még egyszer. 100mm széles a NYÁK. Inkább az UC3842 környezetében paráztam, mikor egyre sűrűben lettek az alkatrészek. Célszerű lett volna külön panelre helyezni a vezérlő részt. Azt gondolom a TNY255-ös panelt is lehetne külön panelre tenni.
(#) bbatka válasza Skori hozzászólására (») Máj 5, 2020 /
 
Tény hogy elég nagy az áramkör áram felvétele. A hálózatból az IC-t táppal ellátó zener dióda 15mA-t vett fel. Miután bekerült az UC3842 és a FET, működés közben ez 45mA-ra nőt. Ez egy multiméteres saccolos mérés volt.
A segéd tekercs meneteinek csökkentésével lehet optimalizálni a melegedést. Az UC3842 áram igénye azonban nagy. Az IR2153-al építettem korábban olyan tápegységet ahol a hálózatról 56k-s ellenálláson keresztül kapta az áramot. Úgy emlékszem ez 5mA-t jelent ez kb.
Szerintem UC3845-el lehetne gazdaságosabb tápegységet építeni, mert ha jól értelmezem kisebb tápfeszültség igénye van.
Ennél az áramkörnél nagyon oda kell figyelni a szekunder oldali diódák záró feszültségére. Ezt nem neked írom, hanem ha valaki flyback tápegységet épít, akkor erre figyeljen oda. Amennyiben melegszenek a diódák, akkor jusson ez eszébe. Az orosz számító program ebben segítséget nyújt. 12V-os tápegységnél pl.61V-os diódát számít ki.
(#) bbatka válasza bbatka hozzászólására (») Máj 5, 2020 /
 
Rájöttem hogy hülyeséget írtam. Külön 18V-os tápegységről táplálva mértem az áramot és nem a hálózatról. Veszteség 0,81W=18V * 0,045A
A hozzászólás módosítva: Máj 5, 2020
(#) Ge Lee válasza Skori hozzászólására (») Máj 5, 2020 /
 
A szigeteléseknél inkább ellenállást adnak meg mint minimum érték, a feszültséget az elválasztó eszköznek (trafó) kell tolerálnia. Ma nem tudom hogy van, de a régi szabvány úgy rendelkezett a vizsgáló feszültség minimumát illetően, hogy a primer-szekunder között fellépő maximális feszültség (csúcs) kétszerese + 1,5kV. Tehát pl. egy 230/12V-os trafónál 2x(320-17)+1500 azaz 2,1kV a minimális vizsgáló feszültség értéke.
Manapság a toroid gyártók általában 4kV-tal tesztelnek átütésre.
(#) Skori válasza Ge Lee hozzászólására (») Máj 5, 2020 /
 
Ha az elválasztást végző eszköz (trafó) egy komplett berendezés része, akkor szerintem az egész berendezésnek tolerálnia kell a megadott szigetelési feszültséget. Anno úgy mértük pl. a dugasztápokat (kapcsolóüzeműt is), hogy primer oldal rövidre zárva, szekunder oldal szintén rövidre zárva, és a 2500V-os szigetelési ellenállás mérő a primer-szekunder oldal közé kötve.
Pár éve én is vettem egy kínai szigetelés vizsgálót az ebay-ről (20GΩ-ig mér, és max 2500V-al), ezzel végigvizsgáltam itthon az összes hálózatról működő készüléket, dugasztápokat, mindent. Szerencsére minden ok. volt, és azóta is ha bármilyen hálózatról működő eszközt készítek, vagy használatba veszek, akkor előtte ellenőrzöm.
(#) Skori válasza bbatka hozzászólására (») Máj 5, 2020 /
 
Ha ezt az áramot a hálózatból előtét-ellenállással állítod elő, az hatalmas veszteséget jelent. Ha a trafó segédtekercse át tudja venni ezt a terhelést az IC elindulása után, akkor az sokkal jobb megoldás, csak a segédtekercs feszültsége együtt változik a szekunder feszültséggel. Erre is voltak jó megoldások itt a fórumban pl. FET-es souce követővel. Kicsit több alkatrész, de nem lesznek melegedő ellenállások. A TNY255-ös megoldás sem több alkatrész ennél, és emlékeim szerint 70...85% hatásfokot tud, tehát a korábbi példában szereplő 0,81W fogyasztást 1,1W körüli bemenővel ki tudja szolgálni. Azaz kb 0,3W-ot fűt. Az előtét ellenállás ennek a sokszorosát fűti el.
(#) Skori válasza bbatka hozzászólására (») Máj 5, 2020 /
 
Az UC3842...43...44....45 IC-k két dolgoban különböznek egymástól, hogy a kitöltési tényező maximuma 50% alatti vagy 100% alatti, illetve az alacsonyfeszültség védelem küszöbértékében.
(#) bbatka válasza Skori hozzászólására (») Máj 5, 2020 /
 
Igen, tudom. Kicsit át kell méretezni az Rt,Ct-t. Az orosz programnak van egy ilyen méretező része is.
A hozzászólás módosítva: Máj 5, 2020
Következő: »»   743 / 789
Bejelentkezés

Belépés

Hirdetés
XDT.hu
Az oldalon sütiket használunk a helyes működéshez. Bővebb információt az adatvédelmi szabályzatban olvashatsz. Megértettem