Fórum témák
» Több friss téma |
Hali. Csináltam egy kapcsolást a szakközépiskolai ismereteim alapján. Elvileg így a két 1k-s ellenállás miatt felezi a tápfeszt, legalábbis suliban így tanultuk, de ezt nem építettük meg, szóval számomra teszteletlen. :nemtudom:
Szerintetek működőképes lehet?
Plusz nem tudom, hogy mekkora kondikat kellene használnom. Én 47 nanósra gondoltam (mert abból találtam itthon egy rakást).
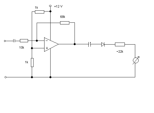
Hello!
- Az eleje nem más, mint egy invertáló erősítő, aminek az erősítését a visszacsatoló ellenállás határozza meg. Au=68k/10k azaz 6,8szoros. - A két 1k az erősítő munkapontjának beállításához szükséges. Valóban egy osztó, ami az erősítő bemenetének féltápfeszültséget (+6V) biztosít. De jobb lenne két db. 100kohm (kisebb a fogyasztása az osztónak, és a két ellenállás párhuzamos eredőjének itt, közel a 68kohm-al kellene megegyeznie.) Nem ártana egy hidegítő kondi az alsó ellenállásra sem, mert így az osztó, nem csak a 12V-ot osztja le, hanem a tápfeszen lévő zajt is és bevezeti az erősítő bemenetére. (Nem lőnek nyulat itt, ebben az alkalmazásban ezzel, de más erősítőnél gond lehetne.) - A bemenő kondit az erősítő alsó határfrekije szerint kellene megválasztani, a bemeneti 10kohm-hoz. C=1/(2*Pi*fa*R) szerint. Ha az "fa" frekit 20Hz-re választjuk, akkor ez 759nF azaz 1µF lenne. A kimenti félhullámú egyenirányító kapcsolása hibás, mert így a kimenő kondi feltöltődne egyszer majd úgy is maradna. - Azaz szükséges egy ellenállás (pld. 2,2kohm) A kondi-dióda közös pontjáról a GND-re (mínusz tápfeszültségi pont). A kondinak azonos a szerepe mint a bemeneten, értéke is azonos analógia szerint számolható, de 2,2kohm-al számolva. (Nyilván a kondinak kb. 5-ször nagyobbnak kell lenni) - A kb. 22kohm a műszer alapérzékenysége szerint változtatható. (hogy megfelelő kitéréssel "kalimpáljon") Az erősítés miatt, a maximális bemenő feszültség 0dB azaz 775mVeff körül van. üdv! proli007
Köszi szépen a részletes magyarázatot. Sokat segítettél. Azt hiszem akkor most már nekilátok megépíteni az általad ajánlott változtatásokkal. További szép estét mindenkinek.
Sziasztok!
Lehet, hogy nem itt kellene kérdeznem, mert kezdő vagy másnéven hozzánemértő vagyok. Szeretnék 2 db analog kijelzőt a pc-m előlapjába építeni. Egyszer, egy másik oldalon kaptam már segítséget és megépítettem a csatolásban látható kapcsolást. Ami a pc hangkártya kimenetéről kapja jelet. Mükődik is, de ez a kapcsolás hangerő függő, nekem pedig olyan kellene amit csak egyszer kellene kalibrálni és soha többet. Plusz nem használtam árnyékolt kábelt ami végett alpból kitér a műszer. Tudnátok valami egyszerű megoldást ajánlani, hogy mükődésre bírjam a kijelzőimet ? Lehet sztereo erősítőre kötött elképzelés is, mert egy deckbe épített pc-ről van szó, úgyhogy akár oda is tudnám kábelezni. Tudom, hogy sok helyen található a témával kapcsolatos info, de azok nekem mit sem mondanak, ezért a válaszokat csak szájbarágossan, ha kérhetem. Előre is köszi.
Hello!
Idézet: „Mükődik is, de ez a kapcsolás hangerő függő,” Ez kissé vicces, mert a kivezérlésjelző, a kivezérlést mutatja. De azért tudom mi a gondod. A hangerő poti elé kel kötni a kijelzőt, akkor attól független lesz tőle. Ha az erősítő kimenetére kötöd, akkor is a hangerőtől fog függeni. Azaz a végfok kivezérlését fogja mutatni. Mindenképpen árnyékolt kábelt kell használni, ha a jelszint kicsi, vagy kis impedanciájú pontról kell meghajtani. (esetleg az áramkört tedd közel, és a műszert távol a jelforrástól) De hogy mit tegyél, arra konkrét választ adni a rajzok ismerete nélkül nem lehet. De legalább a kivezérlésjelző rajzát tetted volna fel, bár kb. látom mi van benne. üdv! proli007
Nos nálam a VFD-s kejlző úgy lett megoldva hogy egy osztókörrel levettem a jelet a kimenetről, ami nekem mindig maximális, mert az 5.1 es hangfalszetten végzem a hangerő beállítást, de mivel ez nem jött be végül, mert zajosította a rendszert, ezért az alaplap elülső kimenetei ágára kötöttem be ahol mer nem zavarta a kimenő jelet. Majd ezután mivel hangkártyát vettem a gépbe nem zajkeltőt ott megint csak erre kimenetre tettem!
Szia!
Úgy gondoltam, hogy ha csökkentem vagy növelem a hangerőt akkor a mutató kitérése ennek fügvényében változik. Nincsen hangerő potim. Pc-n szoftveres úton van, de fizíkálisan nincs. A kapcsolást direkt nem linkeltem, mert nincs olyanom és csak nagyon amatőr modon tudom megmutatni, de most pótlom a híányát. ( ellnézést érte ) Azt hiszem ezeket az összetevőket kelett megvásárolnom a segítségem, listája alapján: OA 1160, v. más germánium dióda 100 mikró 16 V elkó 330 nanós fóliakondi 4,7 Kohm trimmerpoti 1 Kohm ellenállás 47 Kohm ellenállás + LM 386 Továbbá nem is ezt a kapcsolást szeretném véglegesíteni, hanem bármilyen más megoldás érdekel ami egyszerűbb, ha létezik ilyen.
Szia proli007!
Végigolvasva a topikot, nem találtam nekem való egyszerű kapcsolási rajzot, kivéve a linken lévőt.Bővebben: Link Ez nekem is megfelelő lehet? Megépíteném, ha tudom, bár nem értek hozzá. Esetleg a cikkedben közzétett kapcsolás lenne az ideállis? kb. mennyibe kerülne ,ha azt kellene megépítenem?
Szia!
Segítenél értelmezni, mert én egyáltalán nem értek a témához. Mit is látunk, mi kell hozzá, stb. ? Bocs a bénaságomért, de nagyon szeretném ezt a 2 db műszert a gépembe látni.
Szerintem előszőr tanúlj egy kicsit, utána állj neki ennek.
Amúgy miféle gépbe akarod te ezt rakni ?
Olyan HTPC szerűbe, egy régi Techincs deck házába építetem a pc-t. Ennek az előlapjába gondoltam a műszereket.Meghajtására a pc hang kártyája vagy egy stereo erősítő szolgálna. Egyett már építettem, de nem lett tökéletes.
Az is jó lenne, ha valaki megépítené nekem , de nem találtam olyan jellegű topikot. Vagy ha valaki részletessen levázolná, mit és hova kell kötni, hogy mükődjön azt is szivessen venném.
Köszönöm, csak az a baj, hogy a kapcsoláson feltüntetett alkatrészek mivoltával sem vagyok tisztába.
Szóval, pl.: van a R4 talán egy 4.7k-s ellenállás, de a D1-ről már elképzelésem sincs, sajnos. Szerk: Amúgy ez a kapcsolás megfeleő lenne a céljaimra? Táp nem is valószínű, hogy kellhet,majd hozzá?
Bőven elég neked a köbzoli által beillesztett rajz is. Nem kell precíz egyenirányító, a gyáriban is csak az előbbi kapcs van.
Rendben, köszönöm.
Ezt nem lehet annyira nehéz megépíteni, ugye ? Megtennéd, hogy kilistázod az összetevőit amivel el tudok menni, megvásárolni őket? (#516162) köbzoli Az jó lenne, remélem bírja cérnával. " D pedig diódát jelent " lehet, de gondolom van ezer féle, fajta Inkább kérnék egy bevásárló listát, ha lehet.
Tegnap reggeltem, nem vagyok jártas.
Jó helyen bénázok vagy fáradjak át a Kezdő kérdések topikba ?
Kicsit a két potiról :
az R4 -el azt tudod beállítani,(azok potenciométerek, és tekergetni lehet öket) hogy mekkora hangerő kelljen ahhoz, hogy megmozduljon. Az R5-öt állítsd be a legkisebb ellenállásra. Ennek az alkatrésznek csak akkor lenne komolyabb szerepe, ha nagyobb feszültségű műszert használsz. Ekkor a mutató visszatérésí sebességét lehetne vele gyorsítani, és lehatárolni a műszerre menő feszt.
Köszönöm a listát és a türelmedet.
Nem tudom jókor jelzem, hogy az előző megépített kapcsolásom, nem ment előerősítés nélkül a gyenge pc hangkártya kimenő teljesítmény miatt. Most nem állhat fent ez a probléma, ennél a kapcsolásnál?
De igen. Kelleni fog valami erősítő neki. A hangkártyád kimenőfesze kevés lesz.
Értem, köszönöm.
Amit én építettem kapcsolás azon is két darab poti volt, ezért némileg kitapasztaltam a viselkedésüket. Csak a szakmai rajz ismeretem egyenlő a nullával, ezért nem tudtam, hogy mi micsoda. (#516204) köbzoli Na az jó lesz, a lényeg , hogy szépen mükődjenek a végén. (#516205) Milan90 Ajaj, ez már rosszul kezdődik. Így már komlikáltabb kapcsolást kell építenem. Stereo erősítőről nem tudnánk meghajtani vagy a hangszoróról, ahogy köbzoli írta ?
Amúgy bocsi, hogy nem engem kérdezel, mégis beleszólok. Egyszerűen csak unatkozom.
Egy műveleti erősítős cucc kell neked. Mindjárt linkelek valamit.
Semmi gond, szivessen fogadok minden segítséget csak minnél egyszerűbb legyen, mert ha nem akkor nektek kell elkészíteni én meg ellenszolgáltatok.
Ha az erősítő kimenetére kötöd, akkor elég hangos zene kell ahhoz, hogy mozogjon.
Az első kapcsolásom a képen jó hangerővel szólt kb -30 dB egy digitális erősítő hangszóró kimenetére kötve. Szóval nagyjából jó lett volna (mert kb. ezen a hangerőn szoktam hallgatni zenét) csak ugye a hangerő viszonyok változtatták a műszer kitérését és jó lenne ha nem kellene folyton csavargatni valamelyik potit.
Később kiegészült az LM386-al ,pont a pc hangkari teljesítménye miatt.
Itt a kapcsolás. Szinte bármilyen 8 lábú műveleti erősítővel jó. A hangkari kimenetére kell kötni, így nek kell állítani semmit.
Akkor most melyiket kezdjük el, megépíteni ?
Ha jól matekoztam akkor a listámon szereplő " 2 db 4.7 k hm -os trimer ellenállás " lesz a tergetős potméter és az van a kapcsolási rajz R4 helyén.
Ha ez igaz akkor létezik ebből a trimer potiból , olyan aminek szára, tengelye van, hogy azt a gépem előlapjáról tudnám állítgatni, ha szükséges ? Azt hogy hívják vagy hogyan kérjem az eladótól ?
Szia!
Bocs, hogy bénázok, mintha hallotam volna már olyat, hogy trimer poti. Ezekszerint rosszul emlékszem. Akkor a trimert le tudjuk cserélni egy potméterre ? Vagy ez az jelenti, hogy a 2 db 4.7 k hm -os trimer helyett egyszerűen 2 db 4.7 k hm -os potmétert kérek a boltban ? Elvileg, holnap megveszem őket. |
Bejelentkezés
Hirdetés |














