Fórum témák
» Több friss téma |
Fórum » Központi zár
Azt nem is kérdeztem; van a vezető oldali ajtóban motor,vagy csak kapcsoló?
A japánok(koreaiak)néha huncut módon kispórolják a motort a vez.ajtóból-mondván azt úgyis lezárja a kulcs. Lehet hogy a másiknak más a felszereltsége,van gyári távkapcsolója,esetleg belső kp.zár kapcsoló? Ha mindent visszaállítasz hogy működjön,és finoman elkezded kézzel mozdítani a zár nyomógombot,érzed hogy tovább rántaná a motor amikor a többi is kattan?
Szia!
Kössz a segítséget. Végül kiderült a bal első ajtó motorja volt a hibás. Annyi erő nem volt benne mint egy halvány lepkefingban. Beleraktam a másik autóét és lám egyből működött. Sebaj új állja helyét. Mégegyszer köszönöm a segítséget.
Nem gyári kp zár volt?
Én úgy értettem a mondandódat, hogy az autóban van egy gyári kp zár, de csak vezetékes, és ehhez vettél egy vezeték nélküli vezérlőt. Most akkor egy komplett szettet vettél motorokkal és így raktad be, vagy volt benne kp zár, csak nem gyári?
Szia!
Gyári kp. zár volt benne csak nem távirányítós. Ehhez vettem egy univerzális kp. zár vezérlőt, ami távos. De amint írtam a bal első ajtó motorja a halott. Ha direktbe adok neki kakaót, akkor is csak rángatózik pár millimétert és annyi. A zár mechanizmust nem bírja megmozdítani, még akkor se mozdul, ha leszerelem a zárról.
Sziasztok!
Van egy jó régi Opel corsám, amibe már régebben beszereltem központi zárat, univerzális távirányítóval. Sok évig hibátlanul működött, de most fogta magát és meghülyült. A zár működik, kulccsal, gombbal zár, nyit. A távirányító vevője úgy tűnik, elfelejti az adó kódját. Ugyanis a panelján lévő távirányító hozzárendelő gomb megnyomása után, egy darabig ugyan működik a távirányítás, ám nem kell neki fél perc és elfelejti a kódot. Relék nem kapcsolnak, vevő nem reagál. Pedig régebben megbízhatóan működött, még úgy is, hogy az akkumulátor időnként elég sokáig le volt véve az autóról, mivel csak időnként volt használva. Több hónap akksi nélküli állapot után is, ha visszakötöttem rá, gond nélkül működött. Azt lenne jó tudni, hogyan őrzik ezek a kódot, mi mehetett benne tönkre. Én alapból arra gondoltam, hogy esetleg minimális áram kell a kód megtartásához, amit egy kondi biztosít és esetleg az ment tönkre. Csak ugye akkor rákötött akksival nem kellene ilyet csinálnia.
Szia,
Én először a távirányítóban mérnék elem feszültséget mielőtt kódfelejtésben gondolkodnék. Ha új akkor is,ki tudja hány évig állt a polcon. Megméred "üresjárásban",majd 2-3 másodpercig nyomod valamelyik gombot,és mérd mennyit esik a feszültség.
Van ráció abban, amit Uviktor ír. Vacakolhat az elem, de első nyomásra még kiprésel magából egy jó kódsorozatot. Viszont másodjára már nem képes rá, túl alacsony az elem feszültsége.
Szia!
Az első amit megtettem, hogy megmértem az elem feszültségét terhelve. Semmit sem változott az első és a sokadik megnyomás után sem. Alap, hogy először az elemet nézem meg. Ám gyenge elemnél egyébként is olyan szokott lenni, hogy kis pihentetés után újra csinál egy két nyitást, zárást. Ám ez semmi ilyet nem tesz. Egy-két zárás, nyitás után, ha békén hagyom néhány percig, már nem csinál semmit. Ha újra párosítom a távirányítóval, akkor megint ugyanez a helyzet, megint nyit, zár, majd békénhagyás után ismét semmi.
Sziasztok. Egy kis segítségre lenne szükségem. Van egy Daewoo matiz kicsikocsink. Utólagom központi zár van benne. A két első ajtóban 5 vezetékes a hátsó ajtókban 2 vezetékes motorok vannak. Eddig kulcsal volt vezérelve. Vásárolram egy távírányítós vezérlőt és ennek a bekötésében kellene egy kis segítség. A motorok kábelszínei(zöld, kék, sárga, fehér, barna) a vezérlő pedig egy smp v09b.
A vezérlőm problémája megoldódott. Döglődött az akkumulátorom, és úgy tűnik a vezérlőnek már kevés volt a feszültség a helyes működéshez, mert akksi csere után helyrejött.
Ez így kevés. Nem a motorok vezeték színei a lényeg, hanem a motorvezérlő kivezetései. Annak valószínűleg van távkapcsoló bemenete. Bár így is kitalálható, ha meg tudod nézni, hogy az öt vezetékes motorokon melyik kettő a motor vezetéke és melyik jön a benne lévő kapcsolóról, de ez vagy több szerelést, mérést igényel mint a motor vezérlő feltérképezése, esetleg típusának kiderítése.
Sziasztok,
Adott egy autó, amibe utólag beépítve a központi zár (nem tudom milyen márka, de bowdenes). A beépítést nem én csináltam, de több kisebb javítás/módosítás után (néha nem nyitott/zárt egy-egy ajtó), amiket már én csináltam már jól működött mind a négy ajtó. Most viszont nem reagál a rendszer a távirányítóra. Nem nyit, nem zár. A távirányítón villog a visszajelző led, az elemek rendben vannak. Hol keressem a hibát?
Szia,
Szerintem elsőként szüntesd meg mindkét oldalon (ha van) a vezérlést. Tehát az első ajtók is csak követőként működjenek,és úgy próbáld ki. Ha úgy jó,akkor szerintem hagyd is úgy,főleg ha Ford. Egyszer csak nem tudja majd bezárni/kinyitni. Ha viszont nincs vezérlés kulcsról,attól még a zárbetéten keresztül tud nyitni-zárni meghibásodott központi zár esetén is.
Na, viszont ennyire nem vagyok otthon a témában. A kisebb javítgatások alkalmával mechanikai szerkezeti szinten nagyjából kiismertem a rendszert, de ennyi. Tehát kicsit szájbarágósan le tudnád írni? Az autó amúgy Hyundai I10.
A hozzászólás módosítva: Jan 13, 2020
Szia,
A vezérlő motor 5 vezetékes, a követő 2. A legkönnyebb ha megnézed hogy melyik az a két szín,ami hátrafelé is megy a hátsó ajtókhoz-nagy valószínűséggel az elsőkben is az a két szín lesz a motor. Ezeket hagyd meg az elsőkben is,a másik hármat ideiglenesen/véglegesen húzd szét a csatlakozót/vágd el,és működtesd a távirányítóval.
Nagyon szépen köszi. Betervezve hétvégi programnak.
Szia!
Mielőtt szétszeded, nézd meg a vezérlő biztosítékát.
Általában hova szokták rakni a vezérlőt? Logikusan a belső biztitábla környékén keresném.
Ha utólagos, akkor én is ott kezdeném keresni.
Sziasztok.
Segítséget szeretnék kérni. Vettem egy univerzális központi zár vezérlőt. A régit eltávolítottam. Az új bekötésével kicsit bajban vagyok. Addig eljutottam , hogy a tavirányitoval működik a nyitás zárás. De kulcsal nem . Tudna valaki segiteni a beköteseben.? Elöre is köszi.
Sziasztok!
Minden előremutatónak látszó hozzászolás nagy kõszönettel fogadtatik. Poló IV 9N. 2005.. 1.4D TDI PD . AMF. kõzponitizár probléma-- elözmény : Hibás jobb első és jobb hátsó k.z.motor komplett cserélve lett., új utángyártottra., egyuttal egy uj univerzális távvezérlö is be lett szerelve. Gyárilag nem volt hozzá ugyanis. Jelenlegi müködési állapot leirása: 1. Belső kapcsolóról való müködtetés: OK. 2.Vezetö oldalról történő kulcsal való müködtetésnél : Zárás mindenhoL OK--LED villog , Safe zár aktivizálva, belsö kilincsről ajtók eløirás szerinti , nem nyithatók. 3. Vezető oldalról kulcsal történő nyitásnál 3 ajtó rendesen nyilik , de jobb első zárva marad, gomb lennt, Safe bekapcsolva, belső kilincsel se nyitható!! Csak kulcsal történő második Nyitásra nyilik ki a jobb első ajtó!!! Mintha szelektiv ajtónyitásra lenne programozva , de nem arra van 100%! 4. Távirányitóról müködtetve ugyanez a szituáció--- Három ajtó nyitás van , és jobb elsö ajtónyitáshoz nyitógombot mégegyszer megkell nyomni itt is !! 5.Jobb elsöröl kulcsal mükõdtetve :Zárás-- Safe zárás OK.., Nyitás szintén Ok. 6.Távvez elöször Komfortmodulnál rákötve-- probának Bal ajtóátvezetönél is : Semmi változás. 7.Hibakód nincs-- probának Selektiv ajtónyitást is bekapcsoltam --- de semmi változás, ezért vissza is állitottam normálra!!!!
A 140 mercedeshez kérnék egy kis segítséget utólagos távirányító modul bekötéséhez. Hol érdemes rákötni a meglévő gyári központizárra. Elől a nyitózáró gombnál vagy hátul a kompresszornál, esetleg a központ zár modulnál? Színeket tud valaki esetleg, vagy egy rajzot? Köszönöm.
Ez valahogy kimaradt. Kicsit fura ez a leírás, de elvileg ez sehogy. Az utólagos vezérlők 99%-a nem tud kulcsra is működtetni. A régit kár volt eltávolítani, előtte kellett volna utána nézni. Ezek az utólagos vezeték nélküliek a meglevő eredetit vezérelve tudják azt, amit akarsz, magukban csak távirányítóval.
Sziasztok!Segítségre lenne szükségem! Opel Vectra b gyári központi zár vezérlő egység kábel színei melyik mit vezérel? Ablakok zár stb.. be szeretnék kötni egy univerzális egységet csak mások a kábel színek mint a gyárin! Előre is köszönöm a segítséget.
Üdv Mindenki!
Accent 2005 5 ajtós központizár problémával állok szemben. A korábban tönkrement vezetőoldali zármotort kicseréltem egy univerzálisra és követőmotorként a kézi zárpálcára rögzítettem a hajtását, amit az utólagosan beszerelt riasztóval vezéreltem és szépen zárt-nyitott is mind távval, mid kulccsal a vezető oldal felől. Most tönkre ment a jobb első ajtóban is a zármotor, amit kicserélnék egy univerzálisra és rákötném a gyári csatijára, azonban feltűnt, hogy a zárás vagy nyitás után, a csatlakozóban folyamatosan ott lóg a delej, csak éppen forgatódik a polaritása. Na most. Ha ilyen állapotban beapplikálnám az univerzálisat, akkor az ugye folyamatosan kapná a delejt, ami a zármotor mihamarabbi leégéséhez vezetne. Értelmezni próbáltam a központizár kapcsolási rajzát és arra a következtetésre jutottam, hogy elvileg az eredeti motorban lennie kellett volna egy kapcsolónak, mely egy vezetékpáron keresztül jelzi a vezérlőnek, hogy váltás történt a zár állapotában, de az enyémben nincs a gyári csatiban ez a vezetékpáros, míg a vezetőoldaliban benne van, tehát elvileg a vezérlő így is kap értesítést a zár váltásának állapotáról és meg kellene szüntetnie a tápfesz kiadását, miáltal a nyitás/zárás művelet befejezését követő néhány másodperc után, a motor mindkét pólusát a testre kellene kapcsolnia. Szerintetek a központizár vezérlője ment tönkre vagy ennek úgy kell működnie, hogy folyamatosan a csatiban kell lógnia a delejnek? Várnám szíves véleményeiteket. Köszi
Nem mindegy, hogy a csatlakozóban melyik lábon van "delej" (ez mi lenne, +12V?).
A motorok mindkét kivezetése alapból testen van és a vezérlő reléin keresztül kaphat +12V-ot, attól függően a megfelelő kivezetésre, hogy nyitnia, vagy zárnia kell. Eddig teljesen megszokott vezérlés. Annyival van variálva, hogy a vezető oldalinál az egyik iránynak (gondolom a nyitónak) külön reléje van, tehát az külön vezérelhető ebbe az irányba. A többi motor mind párhuzamosan van, azok csak egyszerre működhetnek. Annyi még a különbség egy univerzálishoz képest, hogy nem 5, hanem 4 vezetékes, hiányzik a NO láb. Szerintem simán be lehet szerelni az univerzális 5 vezetékest helyette, csak azt az egy lábat ki kell hagyni.
Üdv!
Mivel zárás és/vagy nyitás után is a csatiban lóg a delej, de váltott polaritással, ezért gondolom, hogy itt valami nem kerek, hiszen ahogyan én is és Te is írtad, normál esetben a nyitás/zárás művelet után, a csati mindkét pontján testnek kellene lennie. A verda nem mai gyerek és ebből kifolyólag kopottabbak a vezető oldali zárszerkezet egyes elemei, melynek következménye, hogy a végállások már nem oda esnek, ahová eredetileg tervezték. Ennek okán górcső alá vettem a vezetőoldali zárszerkezetet és abban található vezérlőt is. Kiderült, hogy a belső kézi zár holtjátéka jelentősen megnőtt az idők folyamán és van a munkaútján egy olyan pont, ahol ha túltol a rudazat, akkor az ebbe a vezérlőbe épített belső relé nem old ki, miáltal a nyugalmi testelés nem történik meg a motorpólusokon. Kézzel egy kissé visszatolva a rudazatot, a motorvezérlőben található relé old és megtörténik a hőn áhított testelés, tehát a zárszerkezetben keresendő a hiba forrása (talán pont egy visszahúzó rugó a hiba) és vagy egy újnak a beépítése vagy a zárszerkezet némi átalakítása hozna végleges javulást, esetleg egyszerűbb lenne a meglévő motorvezetékek egyik közös pontját kikeresni a gyári központizár vezérlőjénél és abba beiktatni egy NO relét, amit a vezetőoldali követőmotor vezetékével vezérelnék, így meg tudnám szakítani a többi ajtóhoz tartozó motorok folyamatos táplálását. Ezzel viszont az az újabb probléma állna elő, hogy kulcsos nyitás/zárással a motorok nem lennének vezérelhetőek. Sz'al van probléma és nem is kevés és nem tudom, hogy mi lenne a jó megoldás, mert a gyári új zárszerkezet beszerzése kétséges. A hozzászólás módosítva: Jún 1, 2020
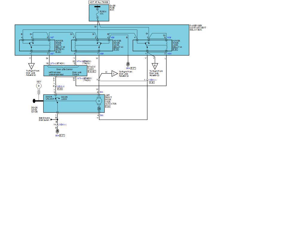
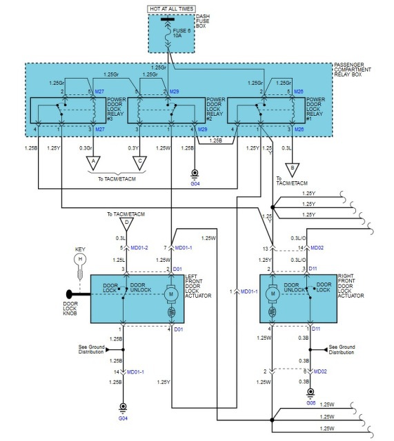
Feltöltöm a vezetőoldali vezérlőmodul rajzát is, hátha segít az ötletelésben.
A hozzászólás módosítva: Jún 1, 2020
Üdv mindenkinek,
Nem szeretnék belekotyogni,de régebben ritkán, de előfordult olyan kp.zár vezérlés ami pozitívot tartott alaphelyzetben a motor mindkét pólusán és negatívval vezérelte. Ettől a motor nem fog hamarabb tönkremenni. Más kérdés,hogy ez a konstrukció nem szerencsés,de bizony ritkán alkalmazták. Üdv! |
Bejelentkezés
Hirdetés |





A zár működik, kulccsal, gombbal zár, nyit. A távirányító vevője úgy tűnik, elfelejti az adó kódját. Ugyanis a panelján lévő távirányító hozzárendelő gomb megnyomása után, egy darabig ugyan működik a távirányítás, ám nem kell neki fél perc és elfelejti a kódot. Relék nem kapcsolnak, vevő nem reagál. Pedig régebben megbízhatóan működött, még úgy is, hogy az akkumulátor időnként elég sokáig le volt véve az autóról, mivel csak időnként volt használva. Több hónap akksi nélküli állapot után is, ha visszakötöttem rá, gond nélkül működött. Azt lenne jó tudni, hogyan őrzik ezek a kódot, mi mehetett benne tönkre. Én alapból arra gondoltam, hogy esetleg minimális áram kell a kód megtartásához, amit egy kondi biztosít és esetleg az ment tönkre. Csak ugye akkor rákötött akksival nem kellene ilyet csinálnia.
Semmit sem változott az első és a sokadik megnyomás után sem. Alap, hogy először az elemet nézem meg. Ám gyenge elemnél egyébként is olyan szokott lenni, hogy kis pihentetés után újra csinál egy két nyitást, zárást. Ám ez semmi ilyet nem tesz. Egy-két zárás, nyitás után, ha békén hagyom néhány percig, már nem csinál semmit. Ha újra párosítom a távirányítóval, akkor megint ugyanez a helyzet, megint nyit, zár, majd békénhagyás után ismét semmi.
A vezérlőm problémája megoldódott. Döglődött az akkumulátorom, és úgy tűnik a vezérlőnek már kevés volt a feszültség a helyes működéshez, mert akksi csere után helyrejött. 






