Fórum témák

» Több friss téma
Fórum » Központi zár
 
Témaindító: Zolcsi80, idő: Márc 26, 2007
Lapozás: OK   24 / 25
(#) nagy hoho válasza Inhouse hozzászólására (») Jún 11, 2021 /
 
Vannak képek. A fotókon látható rudazatot- toló zárat - szeretném mozgatni központi zár motorral.
Mivel nincs rajzom nem tudom valamennyi vezeték funkcióját. Tehát mit hova kössek?
Azt tudom, hogy a piros, fekete a + 12 V. és test. A motor kábele kék, zöld, ezt összekötöttem a vezérlő kék, zöldjével a kérdés, hogyan tovább.A hogy a tolózár, hogy fog működni az az én gondom. Megfogom oldani. Az ajtót én csináltam, a rádió távirányítás elektronikát, motoros mechanikát szintén. Az kellene tudnom, hogy a vezérlő többi kábelét hova kössem. Az első képen az kétszárnyas ajtónyitás mechanikája van.
(#) uniman válasza nagy hoho hozzászólására (») Jún 12, 2021 /
 
A lényeg most sem látszódik, azzaz "a zár motorja, ami tönkrement" és annak mechanikája.
Hidd el, ha eddig működött rendesen, akkor azt a motort kellene pótolni.
Annak a silány kis autós zármotornak nem lesz elég ereje a zárrudazat megmozdításához.
Ha azt motort akarod felhasználni akkor teljesen újra kéne gondolni a reteszelést...
(#) nagy hoho válasza uniman hozzászólására (») Jún 12, 2021 /
 
A zár motorja egy kb 40 éves fogaskerekes áttétel 2 db mikró kapcsolóval. Nem szeretném ujjra éleszteni, voltak vele gondjaim.
Még mindig nem tudom, hogy működik a központi zár. Hogy kap egy impulzus ami a motort működteti, és a fotón lévő zár és vezérlő, hogy bírható működére. Engedjétek el a tolózáramat és a kérdésemre válaszoljatok. Köszönettel.
(#) Tomi111 válasza nagy hoho hozzászólására (») Jún 13, 2021 /
 
Szia! Adj 12V-ot a motor kék és zöld vezetékére fél-1 másodpercre! (a vezérlő is ezt teszi) Polaritástól függően kitolja vagy behúzza a rudazatot. Viszont nincs benne rögzített végállás. Végálláskapcsoló sem! A feszültség elvétele után lehet, hogy még a rajta lévő gumiharmonika is visszahúzza középállásba. Ez csak arra való, hogy az autó zárjának meglévő rudazatát(ait te is mozgatsz belülről) billenti át. A végállásban rögzítés a zárban van megoldva. Kipróbálhatod, lehet a te reteszedet is megemeli, de kikapcsolva a retesz súlya visszatolja a motort - visszaenged.
Ezek a motorok egy primitív szerkezet, a motor tengelyén egy fogaskerék és egy fogasléc. De amire kitalálták, ott hosszú évekig teszi a dolgát.
(#) Tomi111 válasza nagy hoho hozzászólására (») Jún 13, 2021 /
 
Egyébként a vezérlő is egy egyszerű időzítő. Semmi mást nem csinál, csak az előbb említett ideig ad áramot a motoroknak ( van amelyiken állítható egy hosszabb idő is régebbi pneumatikus zárak vezérlésére)
Bekötése:
Fekete - test
piros - +12V
kék/zöld a motorok azonos vezetékei
A barna és a fehér a vezérlő szál. Hol az egyiket, hol a másikat érintsd a testhez és a vezérlő kapcsolja a motorokat. Ez a vezérlő jel érkezhet egy külön kapcsolóról vagy az ötvezetékes motor belső kapcsolóitól - az eredeti elképzelés szerint.
(#) uniman válasza nagy hoho hozzászólására (») Jún 13, 2021 /
 
Egyet szétszedtem, hogy láthassad mi van benne: A képem felső részében látható mi van benne: motor tengelyén a fogaskerékkel, meg egy egyenes fogasrúd. Egy gumiharang, amely "középen" tarja a rudat. 2 mp-ig kap a motor áramot, a polaritás szerint, ki vagy befelé mozdul el a rúd. Ha az áram megszűnik, a gumiharang visszahúzza középpozícióba...
Remélem érhetően írtam le...
A hozzászólás módosítva: Jún 13, 2021
(#) Tomi111 válasza nagy hoho hozzászólására (») Jún 13, 2021 /
 
Én is csináltam házilag kapunyitót a garázsra. Kétszárnyú kapu( a régi), akkus csavarozók hajtanak hosszú menetes szárakat. Jó is, hosszú évek óta működik. Először én is terveztem bele reteszt alulra, mert a menetek fenn mozgatnak, de elvetettem az ötletet (pedig már a PIC-be is megírtam a vezérlése logikáját). Ez az egy bejáratom van, áramszünet (vagy hiba) esetén nem tudnám nyitni. így meg egy rejtett megoldással az egyik szárny stiftjét kihúzva kézzel nyithatom.
(#) nagy hoho válasza Tomi111 hozzászólására (») Jún 13, 2021 /
 
Köszönöm a választ, teljesen érthető.
(#) nagy hoho válasza uniman hozzászólására (») Jún 13, 2021 /
 
Érthetően írtad le, de nem arra voltam kíváncsi, hogy belül mi van ha nem,hogy a motort, hogy lehet mozgásra bírni. Erre a választ Tomi111 adta meg., Köszönöm, hogy időt szakítottál rám.
(#) proli007 válasza nagy hoho hozzászólására (») Jún 13, 2021 /
 
Hello! Bocs hogy beleszólok, de nem lenne célszerűbb ezt a mechanikát egy ablaktörlő motorral és két végállás kapcsolóval működtetni. Mert ugyan nem látható a képen, de talán pont valami tekergető a retesz. Akkor csak egy impulzus kell, ami a végállást rövidre zárja, és amikor eléri újból a másik végállát az lebontja a motoráramot.
(#) Inhouse válasza nagy hoho hozzászólására (») Jún 14, 2021 /
 
Mindent leírtak már, talán még annyi, hogy a fehér és barna vezérlő szálakon felváltva maradhat fixen a test, akkor is meg lesz az impulzus a motoroknak. Igazából egy váltóérintkező lenne az ideális, ahol a COM a test és a NO/NC megy a fehérre/barnára.
A kp zár motor nagyon gyorsan (0,5-1mp) végigfutja azt a 2cm-t, amit tud. Az ereje is véges, fejből meg nem mondom, hogy hány kg-ut tud. Az erősített verzióhoz írnak 10kg-ot, ami talán 3x erősebb simánál. Az 5 vezetékes motorokban van egy váltóérintkezős mikrokapcsoló, amiből lehet tudni nagyjából, hogy merre áll. Régen ez az egyik végállásban kapcsolt, manapság valahol kicsit arrébb...
Tehát a vezérlő annyi csinál, hogy egy fix kapcsoló folyamatos jeléből előállítja a motor megfelelő irányba való mozdulásához a szükséges impulzust.
Mielőtt nagyon belebonyolódnál, elég ha a motornak te adsz kézzel egy ilyen rövid impulzust és meglátod, hogy elegendő-e a reteszedhez...
(#) nagy hoho válasza Inhouse hozzászólására (») Jún 14, 2021 /
 
proli007, Inhouse, Nem bonyolítom az életem a régi megoldással.
A terv: kaptam még egy központi zár motort. A rudazat nem függőlegesen fog mozogni ha nem vízszintesen. Mint a páncél szekrény ajtóban. Két db 13 mm-es köracél a zár nyelv, ezt mozgatja a két motor, nem külön külön. A vezérlése is egyszerű lesz. Záráskor egy mikrokapcsoló ad testet a vezérlőnek és bezár. Nyitáskor a főmotor ami az ajtószárnyakat mozgatja, kap + - feszt. A negatívot innen viszem a vezérlőbe. Záráskor a főmotoron polaritás váltás történik, ezt egy diódával zárom, hogy + ne menjen a vezérlőbe.Már elkezdtem csinálni, majd lesznek képek.
(#) Lezli46 hozzászólása Okt 30, 2021 /
 
Sziasztok!
Volna valakinek megosztható tapasztalata-ötlete?
Audi/A6 C4 2,5Tdi AEL 1995 központizár vákumszivattyú müködési hiba.

Szivattyu gyárilag csak központizár+ belsővilágitás vezérlő modul funkciójú (távvez+ riasztó stb nélküli kivitel):Gyári száma : 4A0862257A.
Kiindulási helyzet :K.P.zár Egyáltalán nem müködött egyik vezérlési helyről sem .

Utasoldal és csomagtér müködtetés eleve nem jött szóba hibás hengerzárak miatt., vezető oldalon volt lehetőség egy nagyon nehezen elforgatható kulcsal , vezető ajtómechanikus nyitására-zárásra-. de központi onnét sem müködött sosem.

A Zöld/Kék vezérlő szál elvolt szakadva az ajtóátvezetőben,ennek javitása után a Zárás megjavult . a Nyitás inkább csak többszöri probálkozásra müködött általában.., mivel a vezető ajtózárban a kulcs elforgatása töréshatárig nehezen ment, biztonsági meggondolásból beszereltünk egy távvezérlést, probáltuk elég sokat távvezzel : Nem volt stabil müködés ezzel sem.,sokszor müködött de sokszor nem.., amikor nem müködött akkor ez történt :
[b]Távvezzel zárás OK---nyitás távvezzel semmi,szivattyuhang sincs---kulcsal kinyitva a vezető ajtót szintén semmi szivattyúhang---de ha a kulcsal már kinyitott ajtó ténylegesen kilesz nyitva akkor elindul a pumpa és kinyilik a többi ajtó is.[/b]..,mintha a vezetőajtó ajtókontaktusa inditaná el a szivattyút????

Ez ami rejtélyes számunkra. A pumpát szétszedtük normálisnak látszik,szivattyúrészek nincsenek eltörve, A pumpát közvetlenül vezérelve müködik, Vezető ajtőajtó szálról lett megvezérve---biztonságért a már emlitett hibás utas és csomagtér hengerzár miatt ezekről a vezérlési helyekről a vezérlés lelett kötve ,esetleges negativ befolyásoltság kizárása miatt.
Mielött rendelnénk szivattyút ,jó volna tudni hogy alkalmi szivattyúhiba vagy valami hálózati hiba lehet??? A szivattyú utólsó Betükaraktere döntő fontosságú eddigi olvasmányok alapján...,ez itt "A"., vajon lehet ennek az "A"-jelzésünek kompatibilis szivattyúváltozata .,de más betüvel? Nálunk ittlévő egyszer 2 PIN és 12PIN-es csatlakozós változat! Esetleg magassabb felszereltségü modul lefelé kompatibilis lehet?



köszi minden segitséget!!!
(#) Lezli46 hozzászólása Dec 23, 2021 /
 
Sziasztok!

Tudnátok segiteni??? Sürgös volna!!

Suzuki Swift 1999 .Utólagos távvezérlés bekötésére volna szúkségem. Vezérlés tipusa., Záro és Nyitó vezeték helye, kábelszin.

Köszi minden segitséget

Üdv. C.
(#) kzozo válasza Lezli46 hozzászólására (») Dec 24, 2021 / 1
 
Szia. Már rég volt Swift-em. A vezérléshez a negatívot kell a nyitó illetve a záró vezetékre kapcsolni. Vezeték színeket nem tudok, de egy próbalámpával könnyen meg lehet találni pl a vezetőoldali ajtóba menő kábelkötegben.
(#) Inhouse válasza kzozo hozzászólására (») Dec 24, 2021 / 1
 
Én is csak ezt tudtam volna írni. Nem igazán vannak felírva színeim, mindig kiméregettem pár perc alatt, hamarabb, mintha bizonytalan leírások színeivel próbálgattam volna.
(#) Tomi111 válasza Lezli46 hozzászólására (») Dec 24, 2021 / 1
 
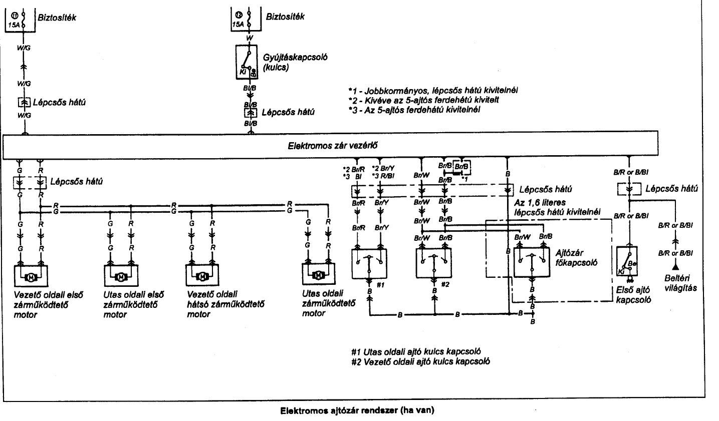
Itt a rajz.
(#) Lezli46 válasza Tomi111 hozzászólására (») Dec 24, 2021 /
 
Sziasztok!

Köszi Mindegyiteknek a segitséget!!!

Képben vagyok!!! Szerdán csinálom--- szeretek elöre felkélszülni


Boldog Karácsonyt!!
(#) Lezli46 válasza Lezli46 hozzászólására (») Dec 25, 2021 /
 
A vezető ajtóban lévő kapcsoló elem volt hibás----valószinüleg abból kifolyólag., hogy kulcsal mechanikusan nagyon nehezen lehet elforditani a hengerzárat .,és a mikrókapcsolókat sem müködtette rendesen ...., Távvezérlés beszereléssel meglett oldva ez a Aktivátor hiba...
A hozzászólás módosítva: Dec 25, 2021
(#) Lezli46 hozzászólása Ápr 28, 2022 /
 
Bmw 3. E46 320TD. Rádiőtávvezérlő nem müködik!

Elözmények: 1 db sima immos kulcs van hozzá és egy távvezérlős kulcs.., A Központizár kulcsről+belső gombról+ belsőközpontizárkapcsolóról jól müködik., csomagtérmükökédés szintén OK. Néhány hónapja kulcsosnál lett csináltatva-felprogramozva egy uj távirányitós kulcs., kezdetben müködött a Központirádióvezérlős része is., mind a három gombról stb. Ma már csak az inditás része müködik., K.Zár.Távvezérlés része egyáltalán nem.., visszavitte a kulcsoshoz: Ellenörizték : Akku-jó.,rádiójel kisugárzás Jó,ennek ellenére diagból és manuálisan sem tudta felprogramozni a kulcsot.
Elég Ellentmondásos infókat sikerült összegugliznom az antennaerősitő(k) helyéről -müködéséről.., Touring vagy Sedan karosszériaverziót illetően.., Elvi Feltételezésem szerint valószinüleg egy (pl beázott) antennaerősitőmodulhiba , vagy vezetékszakadás hiba a modultól a GM-5 elektronika csatijáig okothatja a hiányzó rádiókapcsolatot..,talán kissebb valószinüsége van a komformodulhibának, bár nem kizárható az sem.
De tudjuk az ördög a részletekben van, ezért ez a kulcskérdésem:
Ez a fennálló ,müködéshez szükséges vezetékes kapcsolat az Antennavezérlő és GM-5 modul között, gyakorlatban PIN és kábelcsati/vezetékszin -re lebontva hogyan néz ki a valóságban????[/b]

köszönök mind segitséget!!
(#) KBal76 válasza Lezli46 hozzászólására (») Ápr 28, 2022 /
 
Felületesen kapcsolódik a problémádhoz, de leírom. Az én kocsimhoz amikor vettem 5 éve az egyik bicskakulcs távirányítója nem mûködött, eladó szerint elem kimerült. Makulátlan kinézetû volt. Ez egy Citroën, nincs külön az immo jeladó (kis kapszula a kulcsban), az elektronika csinál mindent. (Az immóhoz van egy másfél centis tekercs a panelon, ami még elem nélkül is mûködteti a kommunikációt.) Cseréltem elemet, de nem mûködött. Rámértem frekimérôvel, ad 433Mhz-en, de gyanús lett hogy nem ugrál a freki. Rápróbáltam egy megberhelt, hangot (csipogást) kiadó kapucsengô-vevôvel, hát nem ad semmit, csak az üres vivôt (a másik kulcshoz képest tudtam mit várjak).. Tehát az elektronika nem dolgozik benne, csak az adó. Kikugliztam a kódoló IC adatlapjából, milyen kvarc kell neki. Gondoltam mi történhet alapon, leforrasztottam a hangyányi kvarcot, és kerestem egy hasonló (~16Mhz) bazinagy kvarcot itthon, ráforrasztottam. Egybôl jött a csipogás. Hoppá! Utána már nem emlékszem hogy volt-e itthon vagy vettem egy pont belevaló, alacsony profilú THD kvarcot, épp belefért a bicskakulcsba. Azóta is így használom.
Szóval, az hogy egy távirányító sugároz, még nem garancia rá, hogy adat is van abban a jelben.
(#) Lezli46 válasza KBal76 hozzászólására (») Ápr 28, 2022 /
 
Abszolult tanulságos amit irtál, de továbbra is aktuális az infókérés .., freki ellenőrzésig vagyok "fejlett"

Nagyon köszönöm a hozzászólásod!

Üdv C
(#) Lezli46 hozzászólása Máj 12, 2022 /
 
Bmw központi spécik!

Egy "kis" --nagy segitség kellene.
BmwE36. 1993.320i.
Központizár nem müködik kulcsról egyik kulcshelyről sem.,,észrevételeink idáig sorrendiség nélkül:

1.Csomagtérzármotoror jó--ZárCilinder rész nem jó ,kulcsot nem lehet elforditani semmilyen irányban sem.Egyébbként csomagtérnél maradva fölmerül a kérdés : Gyárilag innét is tudni kellene vezérelni a központizárat??? Csomagtér Átvezető kábelnél probálkoztam plusszal és minusszal de egyikkel se müködött!

2.Vezetőajtóban szabadon elforog a kulcs a cilinderzárban., mem is lehet rendesen beledugni---igy nem is lehet Zárni-nyitni a vezető ajtót.

3.Utasoldalon a kulcs zár cilinderrésze mechanikusan jól müködik., vezetőajtót zárja-nyitja is mechanikusan , de központizárat egyáltalán nem müködteti.

4. ZentralVezérlő modult kiszereltük---pozitiv Nyitó-Záró jelellel vezérelhető a modul.,az utas ajtó Fekete/fehér és Zöld/Fehér mikrokapcsoló vezetékeiről.., de záráskor rögtön vissza is nyit.

Milyen javallataitok volnának? Szóba jöhetne akár egy utólagos táv.vez. beszerelése is, de ennek beszerelése esetén is megmaradna a visszanyitási hiba., tehát először azt kellene megszüntetni ,lehetőleg valami egyszerű módón.., pl csak egy utasoldali központizármüködtetéssel is megtudnánk békülni.
Nagyon köszönöm hozzászólásitokat!
üdv C.
(#) Kolti0 hozzászólása Máj 21, 2022 /
 
Sziasztok. Megszűnt működni a központi zárunk 2002.es évjáratú C corsánkon. Indexeket villogtatja, de nem nyitja, zárja az ajtókat. Kettő biztosítékot találtam a könyvében: "közp. vezérlőegység" és "központi vezérlőegység" lehet, hogy nem is a zárra vonatkoznak, sőt biztos de kimenve nincsenek az is biztos.

Van valahol külön biztosítéka esetleg? Vagy hol keressem a hibát? Újra tanítani próbáltam akku saru levétel egy éjszakára, elem eltávolítás a kulcsból, majd gyújtás ráadást követően megnyomni az egyik gombot, de nem lett jó.

Az egész egy alapos akku lemerülés után lett, de akkor még kinyitotta az ajtót.
Mi lehet a gond? Mit kellene ellenőríznem.
Az indexeket villogtatja gombok nyomásakor, de a zárakat nem működteti.

Köszönöm
(#) D.D hozzászólása Feb 7, 2023 /
 
Sziasztok
Segítségeteket kérném. 2013 Grande puntóba szerelek be univerzális központizár vezérlőt. Azt tudom hogy 1 vezetéken nyit és zár. Milyen ellenálásokon keresztül működik a nyitás és zárás a záron belül? Köszi
(#) Joci77 válasza D.D hozzászólására (») Feb 8, 2023 /
 
szia
180R-470R al működik.
(#) D.D válasza Joci77 hozzászólására (») Feb 8, 2023 /
 
Nagyon szépen köszönöm
(#) Uviktor válasza Kolti0 hozzászólására (») Feb 10, 2023 /
 
Üdv,
Mint minden Opelnél,itt is csomagtér ajtó átvezetőjében eltörnek a vezetékek,mindenki mindenkivel összeér.
A központi zár vezérlése itt is fut,valószínűleg összeér egy másik vezetékkel,ezért állt meg a vezérlése.
Én itt kezdeném a hiba keresését.
Egy mozdulattal kipattintható az átvezető gumi,belenézel,ha a szigetelések le vannak töredezve,jó eséllyel ott lesz a baj.
Kulcs legyen kint az autóból,bezárhat...
Údv
(#) Lezli46 hozzászólása Ápr 16, 2023 /
 
Sziasztok!

Segitségeteket kérném!

2005-s Suzuki Swiftbe szeretnék egy központi-távvezérlőt beszerelni..., milyen tipusú vezérlést kellene választanom..., helyileg hol és milyen szinű vezetékekre kellene rákötnöm a Záró és Nyitó jelet?

Előre is köszönöm Válaszaitokat!

üdv C.
(#) huggybear hozzászólása Jún 18, 2023 /
 
Sziasztok!

Szeretnék egy kis segítséget kérni! Nemrégiben került a családba egy Daewoo Matiz autó, melynek a vásárláskor működött a központi zára (csak kulcsos verzió van). Ezt követően egy darabig, kb. egy hétig nem volt felrakva az akksi, majd újra használatba véve az autót pár nap után nem hajlandó nyitni-zárni, csak a vezetőoldali ajtót. Újra üzembe helyezéskor még jó volt. Sajnos fogalmam sincs hol keressem a hibát, mert mikor zárok vagy nyitok akkor a többi gombon látszik, hogy minimálisat mozdul, de nem záródik vagy éppen nyílik ki. Mit tudnátok tanácsolni? Előre is köszönöm! G.
Következő: »»   24 / 25
Bejelentkezés

Belépés

Hirdetés
XDT.hu
Az oldalon sütiket használunk a helyes működéshez. Bővebb információt az adatvédelmi szabályzatban olvashatsz. Megértettem