Fórum témák
» Több friss téma |
Fórum » Labortápegység készítése
Helló.
Bocs, hogy ennyiszer írok, de csak azt akartam mondani, hogy az megoldható hogy 4db tranzisztorral a labortáp nyákterve csak annyiban módosulna, hogy bejön egy plusz tranzisztor, de úgy, hogy az egyenirányító helyébe és az egyenirányító kicsit lejebb csúszík? Így igaz külön hűtőborda kell az egyenirányítónak, de ez megoldható és az L sín is lehetne olyan hosszú mint a hűtőborda és legalább a nyák mérete nem változna. Ezt meg lehet így oldani? Még egy kérdésem van a hűtőbordádat hol vetted?
Eddig nem volt igény a "dupla" kijelzőre. Egyébként csak két sima kijelző egymás mellé rakva, és egy picit megvariálva, hogy elférjen.
Ha szeretnél ilyet csinálni, akkor szívesen felteszem.
Nem tudom honnan és kitől, de mindenképp idézet:
"Há igény az vóna rá..."
Én is oda gondoltam, a greatz helyére. A híd pedig mehet bárhová, akár a borda merőleges részére is.
Igyekszem megcsinálni, de köztudottan nehezen tűröm a korlátokat. Ma egész nap a CD-s autrádióm tápegységét fabrikáltam. Tökéletes lett. Tudja őrizni a beállított memóriákat. Egy központi kapcsolóval lehet üzemi áram alá helyezni, ami az elektronikák indításán kívül, engedélyezi is a működést. Gyakorlatilag egyenértékűen működik, mintha autóban lenne, csak ezt "konektorrról" teszi.
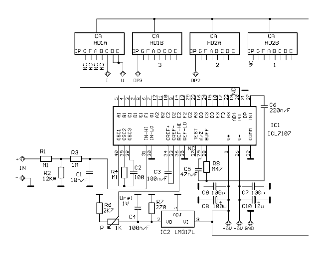
Tessék. Nem derült ki milyen kijelzőkhöz kell, így most azt kapod amit én is használtam, azaz dupla tokos változathoz való kis-panellel.
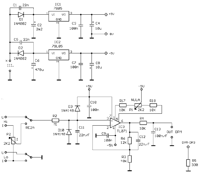
Multkor írtam, hogy probléma van a tápforrásommal, amit építek. Ez a probléma már megoldódott, a szabályozás müködik.Most a panelmérőn munkálkodok.
Csatoltam kapcs. rajzokat. A gate ami feldolgozza a mintákat, valamint a előallitja a feszültségeket a mérőknek. Ezekből 2-2 van.Az eredeti rajzon rele kapcsolgatta át és csak egy display volt. Én módosítottam rajta.A probléma viszont az, hogy a fesz.kijelzőn ugrálnak összevissza le-fel a számok.Mi lehet az oka? Az áramossal egyenlőre nem is foglalkoztam.
Nem hát, de hála Istennek azóta megoldódott a probléma.
A beállított áramot nem tudom sajnos mérni. Egyrészt azért mert nincs már több lába a PIC-nek (így is már ügyeskedni kellett...), másrészt ez a megoldás nagyobb integritást igényelne a táp és a panelmérő közt. Emiatt pedig a panelmérő kevésbé univerzális lenne és bonyolódna az áramkör.
Az volt a gond hogy a bekapcsoláskor a PIC A/D bemenetére egy negatív feszültség-impulzus (bekapcsoláskori tranziens) került és emiatt a PIC megbolondult. Kapott egy diófát záróirányba, azóta szuper.
Na ebből megint olyan vita lesz...
Mindenkinek megvan erről a maga véleménye pro és kontra. Kezdjük azzal hogy én ezeket tiszteletben tartom és senkit nem akarok meggyőzni semmiről (de engem se akarjon senki meggyőzni!). De! Sokan azt mondják hogy áram-mérésre az analóg kijelző jobb, mert azon jobban látszik a gyors változás. Hiszen ugye a panelmérőnek megvan a maga mintavételezési sebessége. De az analóg deprez műszer viszont egy mechanikai eszköz, aminek pedig tehetetlensége van! Hidd el, tudok én olyan tüskét gyártani amitől a deprez műszer mutatója még csak meg sem moccan! Ha valaki erre válaszolni szeretne akkor előbb javaslom a hozzászólás harmadik mondatának ismételt elolvasását!
Szuper érzékenyek ezek a PIC-ek. Ilyenkor jó, ha van a közelben szkóp
És ez a tüske látszódna a te led kijelződön ? A csoda átlagolós tranzienskiküszöbölős értékeldobós szűrés után ?
Nem, ahogyan a deprez műszer mutatóján sem.
Persze vitakeltő de ez opció lenne csak. Akinek kell az beforrasztja azt a pár ellenállást. Lényeg van amit jobban mutat mint a mérőmű, ezzel csak több lesz a műszer, sokoldalúbb. De mivel te fejleszted ezért a végső döntés rajtad áll. Ami például nekem jó lenne az a nullázható árammérés. Van egy hitelesített helyzet meg egy amit lenullázol. Esetleg ugyan ez teljesítménymérésbe. Mivel legtöbb táp áramgenerátoros ezért a teljesítménymérést célszerű feszültségmérőhöz tenni.
Szerk: Vélemény: Bőven elég a feszültség áram kijelzése, tanuljon meg mindenki számolni, következtetni. Az árammérés ha én csinálnám akkor lenne benne analóg deprez műszer is.
Egyébként pár alkatrészből meg lehet oldani hogy a tüske értékét is kijelezze. Egy sima csúcsértékmérő kapcsolás kell csak és az a tüske mért értékét megtartja egy rövid ideig. Esetleg a PIC-es verzióba egy külön kapcsolóval még ezt is be lehetne építeni. És akkor már jobb, mint a deprez műszer. (Amúgy annyiban igaza van Attilának hogy van olyan rövid idejű tüske, amit csak szkóppal lehet mérni.) De itt nem is az a cél.
Pedig Salátának igaza van jelen esetben, legalábbis én szerencsére értem, hogy ő mire gondol.
A mutatós műszer mutatója, a tehetetlenségétől függetlenül, mozgást végez, ha méréseket végzünk. Képes szemmel végtelenül könnyen kiértékelhető és dekódolható módon megmutatni, hogy milyen sebességben növekednek egyes jelszintek a mérési pontokon. Egy digitális kijelző csak értéket jelez ki, de a mérések közbeni sebességváltozásokat képtelenség leolvasni (ha azok szemmel még észlelhető határok között vannak), hacsak az agyadba nem építesz egy piszok gyors kiértékelő algoritmust, aminek segítségével megállapíthatod, éppen milyen mértékben növekedik, vagy csökken a feszültség, azaz milyen a sebességváltozása. Természetesen ki lehet jelenteni, hogy márpedig rém egyszerű ezt a 7-szegmenses kijelzőkről is leolvasni, de annak csak mosolygás lesz a vége... És nem azt kéne erőltetni, hogy márpedig mindenképpen a folyamatos győzködés megy a topikban, hanem mielőtt másnak mondanál bölcsnek tűnő okosságokat, neked kéne jól értelmezni az egyes kérdéseket, felvetéseket, problémákat, ötleteket, például az adott hozzászólások többszöri elolvasásával... Idézet: „...bekapcsoláskor a PIC A/D bemenetére egy negatív feszültség-impulzus (bekapcsoláskori tranziens) került és emiatt a PIC megbolondult...” Sima dióda is elég volt hozzá, vagy schottky kellett bele?
Szia!
Melyik nyák tervező programot használod?
Ezt a tervet alakítottam át. Berajzoltam a 4. tranzisztort. Ennek a szükségességéről egyáltalán nem vagyok meggyőződve, de ártani nem fog.
A panel szélessége azonos (továbbra is illik a kijelzőrészhez), de a mélysége egy kicsivel nagyobb lett (kellett a hely a keresztmetszethez). Továbbra is indokolt lehet az emittereket bekötő sávokat átónozni. A greatz lekerült a panelről. De annak továbbra sem elég a + és - kivezetését bekötni, hanem az egyik váltóról is kell egy vezetékkel (lehet egészen vékony is) elmenni a labortáphoz.
SprintLayout. De inkább szeretem nyák rajzolónak, mint tervezőnek nevezni. A tervezés maga, inkább a fejben dől el.
Köszönöm szépen.
Nagyon jó lesz, gondolom az egyenirányító mehet egyből fel a hűtőbordára. Feltételezem az sem hiba ha az egész nyákot lecínezem véknyan (sokkal könnyebb forrasztani)? Ha az egyenirányítónak csinálnék egy pici nyákot akkor az elég vonal szintűnek rajzolni vagy a negatívat ott is szét kell teríteni?
Miután most már majdnem teljesen végigolvastam a topicot rátaláltam az Alkotó féle 1.4.2 labortápra. A kérdés a következő lenne ezzel kapcsolatban. Volt belőle egy 1.2-es verzió is, ami 40v kimenőre volt méretezve. Aztán az új verzió már 50V-ra, de ahogy a kapcsolási rajzot átnéztem, nem csak a külön kiemelt R4 és R 16 lett megváltoztatva, hanem Pl R 22 és még egykét más is. Szóval akkor 38V AC hez melyik alkatrészkészlettel kellene megépíteni?
A trafóm az nagyon nagy teljesítményű, így adódik a kérdés ki lehetne e hozni belőle többet 5A-nél megfelelő kényszerhűtés mellett.( Lehet hogy soha az életben nem lesz rá szükség...De a trafó az 12 A-t simán tud)) Utolsó kérdésként pedig lehet e egy dual tápban a 15V-okat egy szekunderről járatni.( Az a probléma, hogy a szekunder az 2x38+2x15- Attila tápjához készült, de az már nem fog megépülni mert nagyon rajta van a PIC es panelmérőn és az SMPS III-on. Vagy IV-en. és azt már ,megvárom, az lesz majd a következő) Viszont ehhez az áteresztőshöz meg tökéletes lenne a trafó.
Igen át lehet alakítani nagyobb áramra is, pár alkatrész cseréjével. Én is 10A-re tervezem a sajátomat, meg az a 10000µF-os Elkó is elég soványka benne. De a puffer növelésével viszont ki kell egészíteni pár dologgal, mert a graetz és a biztik nem bírnák. Ill. a puffernek sem tesz jót a 20ms-os teljes feltöltődés.
Elolvastál több, mint 500 oldalt. Gratula a kitartáshoz.
Igen persze a puffer meg a graetz meg a bizti az alap.
Akkor arra vagy kíváncsi hogy miket kell még változtatni? Egyszerűen ki kell számolgatni, hogy rövidzárban mekkora áram folyik egy tranyón és azon mekkora fesz. esik. Ebből megkapod a rajta eldisszipálódó teljesítményt. Annyi tranyóval kell megépíteni, ami elbírja disszipálni a zárlati áramnál eső teljesítményt. Az előtét ellenállásokat, a sönt ellenállást és a telj. tranyókat mghajtó tranyó áramát is át kell számolni, hogy minden klappoljon. Most így hirtelen ennyi ugrik be. De én már alapból úgy tervezem a tápomat, hogy a trafó kimeneti feszültségét is szabályzom. Így nem kell akkora fölös teljesítményt eldisszipálni és a lágyindítás, ill. a kondi normál idejű feltöltése is megoldható. Annyi hogy + egy kis ÁK. kell a tápba. De ha azt nézzük, akkor nagyban javul a hatásfoka a rendszernek. És lehet hogy ventillátor sem kell. (Halkabb is lesz.)
Idézet: „De én már alapból úgy tervezem a tápomat, hogy a trafó kimeneti feszültségét is szabályzom. Így nem kell akkora fölös teljesítményt eldisszipálni” Szia A legmagasabb feszültségnél, rövidzár. A tranzisztornak ki kell bírnia, amíg a trafód, lekapcsolgatod, és a kondenzátor kisül. Egyébként az ötlet, hogy ne keljen akkora feszültséget elfűteni, az jó. üdv.
És mi helyzet a közös 15V-al. Márminthogy a duál tápban a két "oldalnak" .Mehet vagy nem mehet
Nem mehet. Külön kell mindkettőnek.
Többek között ez is feltétele, hogy a két táp kimeneteit szabadon lehessen összekötözgetni. A "vezérlő-táp" GND-je a + kimenethez van kötve.
Akkor marad a külön trafó. A kijelzők miatt úgyis kell.
|
Bejelentkezés
Hirdetés |











