Fórum témák
» Több friss téma |
Fórum » Labortápegység készítése
Hali
Elkezdtem utánépíteni az edison14 féle labortápot , a nyák már majdnem teljesen kesz , meg az alkatreszek is megvannak 1 ellenalason kivul . Jovoheten elvileg meglesz a doboza is + a kulso dolgok... Aki csinalt hasonlo dobozt , az hogy oldotta meg benne a hűtést és az elrendezést ? 2db 2N3055 tranyó van benne , kell majd nekik ventillátor is ?
A régi tápomat úgy csináltam, hogy a doboz hátuljára szereltem föl a hűtőbordát. Abban van 1 db 2N3055, és nem kellett ventilátor. az a tápom 0-30V 2A-t tud. A hűtőborda mérete kb: 12X17X3 cm A mostani tápot, amit építek, azt már ventilátorosra építem, mert 3 táp lesz egy bordán, és nem akarok olyan nagy bordát tenni rá.
Szia! Én Photoshopot.
Szerintem az a tranyó 5V/2A melett megsül!
Hejette ajálom a 2n5885 vagy 2n5886 vagy ezekkel kompaktabilis tranzisztor alkalmazását !
ToXen relés kapcsolgató rajza alapján csináltam egy PIC-es feszültség és árammérő "műszert", ami a mért feszültség alapján kapcsolgatja a bemenő feszültséget. A labortáp vezérlés persze külön tápot kap.
Mellékelem az általam írt progit is, ami messze van a tökéletestől, de remélem az egyszerű felépítése miatt senkinek nem okoz majd gondot a saját igényeire módosítani. Igyekeztem érthetően felkommentezni és nem elbonyolítani a szerkezetét. Mindenki használja igényei szerint.
Még két kép a kész műről.
Nah megvettem a dobozt , meg a meromuszereket , penteken majd oszerakom , es rakok fel kepeket .
de azert azt megkerdeznem , hogy ezzel a tipusu merovel : PM-438 , hogy lehet ampert mérni ? Mert öszinten szolva meg nemigazan dolgozgattam ilyen panelmérőkkel , és csak feszultség mérésre tudom hasznalni . Valamit még belekell épiteni , vagy na nemtudom , hogy hogy lehet . A segitséget nagyon megkoszonném
Az áramot is feszültségmérésre vezetik vissza.
Tehát kell egy úgynevezett sönt (shunt) ellenállás, ezen keresztül kapcsolódik sorosan a a mindenkori terhelés a tápegységre. Az ellenálláson átfolyó áram hatására azon feszültség esik, és a két kivezetésén feszültségkülönbség alakul ki. Ezt kell megmérni. A sönt ellenállás értéke, és teljesítménye a tápegységed teljesítményének, és a panelműszer érzékenységének függvénye. Például: ha max 2A áramot akarsz mérni, és a panelmérőd alapbeállításban 200mV érzékenységű, akkor: R=U/I =0.1 ohm értékű sönt kell. A söntön hővé alakuló teljesítmény: U*I = 0.4W Legalább 1W teljesítményű ellenállást alkalmazz.
Hali!
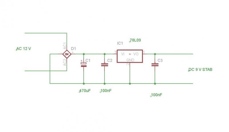
Van egy problémám, aminek a megoldására sehogy sem tudok rájönni. A következő a gond: Épp most építek egy labortápot. Kijelzőnek beépítettem egy PM428-as panelműszert, amiben az R8 ellenállást kicseréltem, hogy 200V legyen a méréshatár. A műszert elemről kellene táplálni, de én beszereztem egy 230/9V 800mA trafót, aminek a kimenetére rákötöttem egy RS405L Graetz-hidat. A gond az, hogyha rákötöm a panelműszert a Graetz-hídra, akkor működik, viszont a kijelzett érték pontatlan, ingadozik, ráadásul a műszer kijelzőjén a LOBAT (alacsony akkuszint) felirat olvasható az egyik sarokban. Rámértem a Graetz-hídra és 8V-os egyenáramot présel ki magából, aminek szerintem elégnek kellene lennie (az érdekes az, hogy a trafó kimenetén is 8V-os váltóáram van a 9 helyett). Egy mezei 9V-os elemről pedig tökéletesen működik a kijelző, egyáltalán nem ingadozik. A kérdésem egyszerű: Mit rontottam el? Előre is köszi a segítséget és bocsi a hosszú irományért. ![]() ugye jobb így. köb.. Idézet: „Mit b@szt@m el?” Nem elég a sima graetz hid, annak a feszültsége másodpercenként 100alkalommal nullára esik, persze, hogy meghülyíti a műszert. Graetz után pufferkondi kell, és ezután pedig 9V-os feszültségstabilizátor. Ide elég egy 78L09 típus is.
Stabilizált tápot kíván! 12V-os trafóval próbálkozz, és egy 7809-es stabkockát tegyél rá, úgy jó lesz !
szerk: valóban elég a 78L09
8-9 V-ra nemigen lehet 9V-os stabIC-t tenni !!!
Ha az a 8-9V váltó, akkor egyenirányítva és szűrve az már 12V körüli egyen lesz, amire pedig egészen jó lehet az a 78L09
Meg hogy 8v AC-t mér rajta
[OFF]közben eltűnt, amire válaszoltam[OFF] 8V AC-ből alig 11V DC lesz, vagy még annyi se, ez nagyon NEM elég egy 9V-os satabIC-nek
Köszi a válaszokat.
Viszont így már bonyólódik a dolog számomra... Nincs valahol egy kapcsrajz, hogy pontosan mekkora kondenzátor kell és hogy hogyan kell bekötni a stabilizátor IC-t? Tudom, amatőr kérdés...
Igen mert Alkotó megelőzött.8VAC az kevés neki valóban.
Hali
kösz a válaszért de a biztonsság kedvéért még megkérdezem , hogy ha 3ampert , és 200mV az érzékenység , akkor 0,07 Ω os ellenálás kell , és kb 1w teljesitmenyu legyen nem ? A méréshatár az itt nem befolyásol semmit ?
Azért egy kicsit te is szétnézhetnél az oldalon . . .
Van keresőnk is . . . De tessék:
Sziasztok! A Labortáp_0-50V_0-5A_v1.4.2
maximum mekkor feszültséget kaphat, A 42VAC az a maximum? üdv Idézet: „8-9 V-ra nemigen lehet 9V-os stabIC-t tenni !!!” Már miért ne lehetne? Legfeljebb nem működik megfelelően Igaz határeset, de szerintem működik a dolog, mivel a panelmérő nagyon keveset fogyaszt, így a pufferfesz felmehet az elméleti csúcsig.Inkább egy minimális előterhelés nem ártana a stabkockának. Ha végképp nem működik, akkor nem graetz, hanem feszültségkétszerezés játszik, mindenesetre nem kell a trafót elhajintani......
Szerintem működne. Nekem az jött le az egészből, hogy a feszültségszint gyors ingadozása miatt nem így ki minden hülyeséget. Ettől függetlenül 8V-ról is szalad.
Szerintem egyutasan kéne egyenirányítani, és elkót tenni rá, vagy a graerz után elko és egy 9 voltos tabkocka...(Gondolom te nem tettél a híd után elkot)
Értem köszönöm és mennyi a minimum érték?
Te. nem kell másik tranyó bele, mert már üzemel vagy 16-18 éve tökéletesen
. 0-30V 2A ennyit tud a tápom 1db 2N3055 tranyóval.Olvasd el pontosan mit írtam. :yes: |
Bejelentkezés
Hirdetés |














