Fórum témák
» Több friss téma |
Fórum » Labortápegység készítése
Köszönöm szépen, félreértettem, én felhasználót kerestem de mostmár oksa, amugy nekem is meg nektek is igazatok volt
Melékeltem a bizonyítékot, és mosom kezeimet XDXD Mégegyszer köszönm a türelmet és segítséget.
Igen én irtam helytelenül... A nick kezdőbetűje is kisbetű.
Mindegy mert nem különbözteti emg a kis és nagybetüt, szóval egyzserüen nem volt az oldaon....
![]() Ehh ixdé meg hülye berögződés bocs, de a sebbeség lenyűgöző.
:no: Kezdem azt hinni,csak álmodtam...
Persze azóta sem találtam meg.
Hello!
Pedig ezt kétszer is elsütötték az RT hasábjain. üdv! proli007
Szóval ami rémlik: szekunderoldali szabályzás volt TL271,és nem akkutöltő (csak annak is lehetett használni). Az akkutöltőset már kitárgyaltuk.
Elkezdtem tervezni a tápom elejét, de nagyon nem tettszik az első összeállítási kép.
Esetleg ha megnéznétek és javaslatokat tennétek az elrendezést illetően, megköszönném! (Addíg nem állok neki szétfaragni ezt a drága dobozt...)
A feszültséghez nem árt még egy potmétert berakni amivel finoman lehet állítani.
Egyébként nézz meg egy gyári profi labortápot és annak előlapi elrendezését, én is onnan vettem az ötletet.
pl. magyarok lehetnének a feliratok.
Szerintem úgy mutatós készülék lehetne
Gyári alu doboz? A kijelzők csak feszültséget fognak mutatni,vagy áramerősséget is? Ebben az esetben még kellene egy üzemmódváltó kapcsoló is. Nekem a helyszűke miatt inkább a keskenyebb, magasabb dobozok jönnek be,erre láthatsz példát itt: (#220732)
Ehhez mit szólsz? Nem vagyok egy rajzművész de ilyesmi elrendezést javaslok. Mi a vélemény?
Üdv.!
Én a helyedben tükör-szimmetrikusra építeném a labortápodat. Ezt tettem anno nagyon rég én is: Bővebben: Régi tápom képe Anno még lemértem a mutatóujjam két ujjperce közti távolságot is csak azért, hogy a kimenetet kapcsoló két "DC BE/KI" kapcsolót egy újjal, kényelmesen fel tudjam egyszerre kapcsolni. Azzal, hogy a potikat két oldalra függőlegesen tettem, a kimenetre csatlakoztatott vezetékek nem takarják el a potikat és normálisan hozzájuk tudok férni. Ennek a tápomnak az előlapját pedig nagyon hasonlóan terveztem meg: Bővebben: Új tápom terve EZEN az oldalon pedig elleshetsz pár gyári megoldást! Szabad megkérdeznem, hogy milyen típusú dobozba építkezel? Üdv.: Attila
Nagyon köszi mindenkinek!
@Doncso: Hmm. Nem is rossz! (külön on led nem kell, mert a kijelzők úgyis világítanak) @mex: Igen, gyári alu.Nem kell, mert mindent mutat egyszerre. @Pedrock: Köszi, de ezt kihagyom. Tényleg nem akarom rátenni. @Müszi mester: Biztosan nem akarok rá magyar szöveget, de köszi. és végül Attila86: Köszi. A tükörszimmetrikus engem zavar. Igen, a komfortos kezelésre én is gondoltam... Ezért vacilálok és persze jól is kéne kinéznie... A doboz mint a tied, M10 a lomexből. U.i.: Az e-mailomat nem kaptad meg? Küldtem 1-2 fotót.
Hát ha egy dolgot még javasolhatnék.....az az lenne , hogy a színösszeállitásra is szerintem oda kell figyelni, ugyanis ha minden nagyon sötét a szerkezeten az szerintem lehangoló és ósdinak tünhet, ezért én valami világos színt adnék az előlapnak igy szinte kidobná magából a kezelőszerveket, mondjuk kinyomtatnám egy hófehér lapra az egész tervet, feliratokkal, poti körül a csikokkal, lcd-kiemeléssel , mindennel, majd az egészet átragasztanám átlátszó öntapadós fóliával és mehet az előlapra, ez a megoldás egyébként hasznos ha az lcd nél nem tudod tökéletesen egyenesre vágni a lemezt mert a papirt szikével vágod vonalzó mellet és az betakarja a hibát.
Igen, erre én is gondoltam. A doboznak 2 előlapja van
és a másik az buta szürke... Lehet, hogy rajzolok előlapot... Köszi!
Nem kötekedésként, csak azért nem árt azon elgondolkodni, hogy egy labor táp általában azért kell valakinek, hogy fix és pontos feszültséget tudjon beállítani (persze kinek mire kell) Nem tudom ki hogy van vele, de egy potival ami mondjuk 0-30V között szabályoz, elég macerás pontos feszt beállítani, főleg mivel a legtöbb poti idővel kicsit kikopik és akkor végképp nehéz lesz a pontos beállítás.
A helipot jó lenne,de azt meg macerás 10x körbetekerni. Jó múltkorában kellett volna egy 1080°-os,de nem kaptam,úgyhogy maradt a kettős szabályzás.
A mi tápunkban helikális potméter van a fesz és az áram beállítására is. Szerintem nagyon jó szerkezet, egy kis ügyességgel századonként is lehet vele állítani a feszültséget 0-30V között. Bár a két végállás között elég sok idő áttekerni. Na meg az árát is megkérik: 2000Ft alatt nem igazán lehet hozzájutni.
Fel sem tételeztem, hogy kötekedsz.
A potiról annyit, hogy szeretnék majd belerakni egy rotary encodert és meg van oldva a százados beállítás 1 potival. Közben elkészült a fehér előlap.
Sziasztok!
Megépítettem ismét ezt a 0-30V-os tápot, most már tükrözve. Remekül működik, a Q2 meghajtja a végtranyót és igy már csak a végtranyó melegszik. 2 db műanyag tengelyes, aluminium hátlapos potmétert vettem és bizony tényleg silány Az egyik potit ha berakom fesz. állitásra, akkor 25V után egy picit felmegy 30V-ig, majd hiába tekerem tovább, visszaveszi26..25..23V-ra. Tehát az egyik végállás 0V, másik 23V. Áram OK. Ha felcserélem a 2 potit, feszkó OK, és az áramkorlátot veszi le 0-ra a 2 végpontban. Szóval az egyik poti bajos.Csatlakozom pedrock kollégához, valóban nehéz pontosan beállítani 1 potival, 4-5 V-ot is megugrik alig tekerek bele. Néztem helipotot, össz-vissz 1 helyen kapni 10k-s 10X-eset 1500 pengőért. Nagyon gondolkozok rajta Másik alternativa, ha 2 fém szerkezetes potit alkalmaznék, de ilyet eddig nem tudtak adni. Árban kb mennyi lehet? (Mérlegelném a helipothoz) Az R2-es ellenállás sajnos nekem is melegszik, nem tudom miért 0.25W-os van az adatlapon. Vettem 30V-os deprezt, 1Mohmos előtét rajta, igy közvetlenül a kimeneten méri a feszt. 3A-es deprezt is sikerült találnom, benne egy ~0.3ohmos sönt. Tesztelésként kimenettel sorba kötöttem, minden ok, auto izzóval 1.5A. Viszont bontáskor 0 alá visszalöki a mutatót akkorát koppan szegény. Ekkora induktiv terhelés lenne az izzó? Nincs benne akkor wolfram. Az effajta áramlökéseket a D11-es dióda védené ki?Az R7-es ellenáláson keresztül kellene inkább használnom? Megoldható ez valahogy a gyári sönt cseréje nélkül? Előre is köszi a segitséget!
Üdv.!
Fém potinál ILYENRE gondoltál? Ezek darabja kb. 150Ft körül van a Lomexben. Pár hónappal ezelőtt még 320Ft volt, de már olcsóbb mint a műanyag (legalábbis a Lomexben).Az árammérővel párhuzamosan záróirányba köthetsz egy alacsony nyitófeszültségű diódát, ez a műszeredet megvédené.
Az Rohm márka az hulladék. Fémtengelyes-fémházas kivitelt tényleg nem lehet kapni. Hozattam egy BOURNS márkájú sima körpályás potit,de az is 1000-nél több pénzbe került. Ha 3 fordulatos heli kapható lenne nem is gondolkoznák egy percet sem...
R2-nek 1/4W nagyon kevés. Sallala által átdolgozott verzióban 1/2W-os van, de szerintem még az sem az igazi. Én inkább 2W-osat használtam.
D11-nek gyors diódát használj. Pl BY500 vagy 6A10. Illetve rakj még egy ugyanilyet a végtranyó C-E közé is, katóddal a kollektor felé.
Vicsys! A labortápodban az LCD kijelzőhöz milyen mikrokontrollert használsz? PIC, AVR? Ha az előbbi, akkor nagy örülnék, ha megosztanál róla pár részletet, mert én is gondolkoztam, hogy egy ilyen jobban mutatna, mint egy panelmérő. Csak hát a mikrokontrollerek terén kezdő vagyok, így nem igazán tudok belefogni.
Más: LCD-s panelmérőknek adhatok közös tápot (labortáp trafójától függetlenül természetesen)? Az electronics-lab-os labortáphoz használnám fesz és árammérőnek.
Sziasztok!
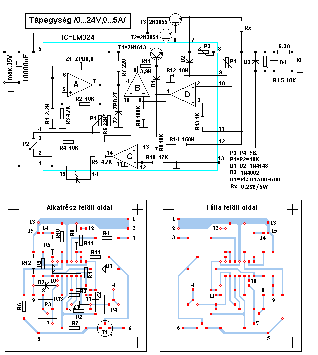
Szeretném megépíteni az alábbi tápot, amivel kapcsolatban lenne 1-2 láma kérdésem. A T2 és T3 helyébe szeretnék egy MJ4002 tranzisztort betenni. (Vagy 10 éve egyedileg rendeltem, de aztán nem került felhasználásra.) Ez 60A 80V 300W tud. Ezzel ki lehetne váltani a fenti tranzisztorokat? A másik pedig, hogy a pufferelést hogyan célszerűbb megoldani? 1 nagyobb kondival, vagy inkább több kisebbel? Mind a két megoldás használatos, csak nem tudom, hogy melyiknek mi az előnye. Köszönöm előre is a segítséget.
Ez az: Bővebben: Link
Nekem miklosch és Norberto kollega segített, amit ezúton köszönök nekik! (ja, igen, közös tápról-azaz a pufferról megy)
A pufferelést megoldhatod több kisebbel is, persze, ennek annyi az előnye ,hogy kisebb lesz az ESR-érték. De mindkét megoldás jó.
Na ez az , ilyesmire gondoltam én is! Ez már jobban mutat nemigaz?
|
Bejelentkezés
Hirdetés |




Melékeltem a bizonyítékot, és mosom kezeimet XDXD Mégegyszer köszönm a türelmet és segítséget. 



és a másik az buta szürke... Lehet, hogy rajzolok előlapot... Köszi!


Nincs benne akkor wolfram. Az effajta áramlökéseket a D11-es dióda védené ki?







