Fórum témák
» Több friss téma |
Fórum » Labortápegység készítése
Nem. Vagy letekersz a trafóról annyit, vagy rátekersz annyit ellenkező menetiránnyal.
Pontosítsd légy szíves, mert így nem teljesen tiszta.
Tehát egyenirányítás után 30V egyenfeszültséged van. Ezt üresjáratban méred, puffer elkó után? Vagy névleges terheléssel elkó nélkül? Vagy névleges terheléssel elkóval? A sima egyenirányított, pufferelt feszültség nagyot tud változni az üresjárat, és névleges terhelés között. Valamint a sorba kötött zeneren átfolyik a teljes áram, így ha a tápegységedet mondjuk 3A kimenetre szeretnéd megépíteni, akkor 15W disszipálódik a zeneren, ami pocsékolás, és eleve nem olcsó egy ilyen nagy teljesítményű zener dióda. Szerintem gondold át, valószínűleg jó lesz a 30V is, egy labortáp bemeneti feszültségének. Azt még megírhatnád, hogy melyik kapcsolást nézted ki építés céljára, biztosan van más megoldás is, mint a zener.
A mezei zénerek nem tudnak nagy áramot... Ha meg kicsi az áram, akkor nem esik rajta a névleges feszültség. Lásd adatlap... Szóval felejtős
Ez a legegyszerűbb és kétség kívül a legrosszabb megoldás. De gondolom te nem is labortápot szeretnél építeni ezek alapján, szóval rossz topikba írtál. Gondolom neked sima stabilizált tápegység kell.
Sziasztok.
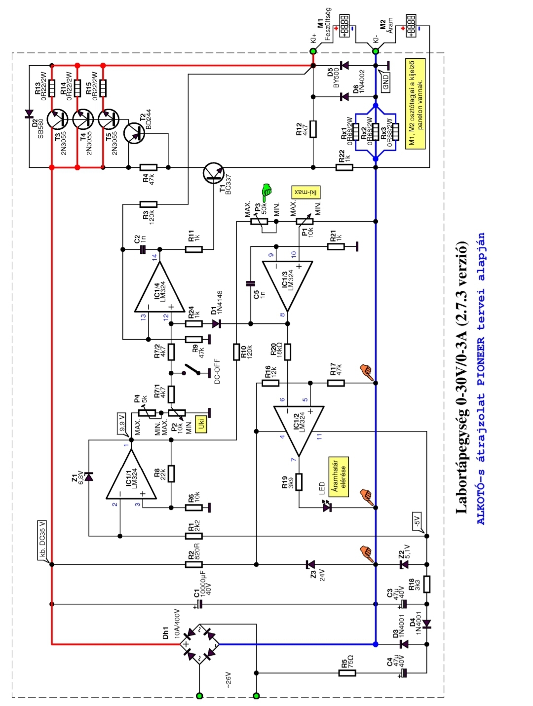
Kérdésem lenne labortáppal kapcsolatban. Alkotós táp Bővebben: Link Rendeleneségre figyeltem fel. Ha kondenzátort kapcsolok a kimenetre jelen esetben egy 470uf kondi akkor fűrészel a kimenet. (nem nevetni) Csatolom a szkóp fotót. Ez a jelenség egyik oldalon van jelen (kettős labortáp). LM324 cseréje nem hozott javulást. Amúgy minden működik, szabályoz, rendben van. Valami ötlet merre keresgélyek.? A rajzot nézve nem egy űrhajó de nem értek hozzá. A hozzászólás módosítva: Jan 8, 2023
Alkotója majd szakvéleményt mond.
![]() 200 mV nagyon sok, a 20 ms pedig hálózati eredetre utal. Valami nagyobb Ohm-os terheléssel (ellenállás) nem "fűrészel"?
Ohmos terheléssel köszöni jól van. De ha melléakasztom a kondit, na akkor jön a fűrész meg fütyül is a táp. Még annyi észrevétel hogy kimeneti feszültség növelésre növekszik a fűrész frekije is.
Azt mondod csak az egyik csatorna rosszalkodik, két azonos táp közül.
Kiváló lehetőség arra, hogy összehasonlító méréseket végezz a szkóppal. Mindkét csatorna kimenetén állíts ugyanolyan terhelést aminél az egyik fütyül, meg fűrészel, és pontról pontra nézd meg a két áramkör jellegzetes pontjait, hogy hol látsz gerjedést, és hol rakódik rá a fűrész. ( A fütyülés egy magasabb frekvenciára utal, mint a mutatott fűrészjel. ) Az erősítők kimeneti pontjait, 1, 8, 14, lábakat a T2 bázisát, segéd tápokat. Valahol biztosan fogsz találni különbséget a két csatorna között.
Sziasztok!
Két kapcsolással is szimpatizálok, mind a kettőt szeretném megépíteni. Az egyik a sokat emlegetett Alkotó-s táp, a másik pedig ez a kapcsolás lenne. Mért adatok: Üresjárat: DC34,4V Terhelt: DC 32,9V Üresjárat 2200µF-dal: DC52,2V Terhelt pufferkondival: DC49,1V. Terhelésnek egy ízzót választottam. Keressek esetleg egy olyan transzformátort, aminek pufferelt terhelt feszültsége jobban illeszkedik a kapcsoláshoz? Üdv
Célszerű lenne egy újabb változatot alapul venni, mert a linken egy régebbi variáció van.
Fontos körülmény lehet az is, hogy a hiba most jelentkezett, vagy első pillanattól fogva megvan.
Mi az, hogy sokat emlegetett alkotós táp? Alkotós táp olyan nem nagyon van, olyanok vannak hogy Pioneer féle meg hasonlók. Ha netán a Proli féle LPSU-ra gondolsz, akkor igen, inkább azt építsd mint a linkelt cikkben lévőt.
Javítás; Pioneer ttervei alapján készült, Alkotó-s átrajzolat, 2.7.1
Még Tőled kaptam a rajzokat, (2.7.4-es verzió) megépítés után elsőre indult minkét példány és jól is működtek. Nemrég vettem észre a hibát. Rámértem a feszültségek rendben vannak 24V, -5,2V,. Ic 1es lábán 9,5V mindkét oldalon egyforma. Nem találtam jelentős eltérést. Viszont ami nem stímel a hibás oldalon az IC 8 as lábán kissé tüskés a 14 es pedig nagyon nem stimel. Csatolom a fotót csak nehéz lekapni. 14 es láb.
A hozzászólás módosítva: Jan 8, 2023
Amit írtál 34,4V DC az nem inkább AC? De még ha AC akkor sem lesz abból 52,2 V DC.
Emeld fel a D1 diódát. Azzal az áram limitert kiveszed a körből, és külön tudod vizsgálni a szabályozó erősítőt. Ha akkor megszűnik, akkor az áram limiter kör hülyéskedik. Ha továbbra is fennáll, akkor annak a szabályozó fokozatnak van valami bibije. Ellenőrizd azt a pár alkatrészt.
Amit még talán érdemes megnézni, a T1, és T2 tranzisztorok bétáját, lehet hogy valamelyik kiugróan eltér a normálistól. Aztán még másnak lehet egyéb ötlete is. ( Mint egy jó rabbinak.
D1 dióda egyik végét kiemeltem. Kimeneten megjelenik a teljes tápfesz, szabályzásra vagy a DC-off kapcsoló zárására nem változik. Viszont eltünt a fűrész.
Akkor megvan a hiba helye. A visszacsatoló körben van valami szakadás, hideg forrasztás, rossz ellenállás. Ott keresgélj.
A 14-es lábon ilyenkor mit mérsz? Az is kiül a tápra? Ha nem akkor T2, T2 probléma is lehet. A hozzászólás módosítva: Jan 8, 2023
Nincs most időm rajzolgatni. Mérd meg az IC 1/4 12-es lábán a feszültséget. Az egy fix egyenfesz, amit a P2 potival állítgathatsz. Állítsd be mondjuk 4V-ra.
A visszacsatolást és a durván 3x erősítést a teljes körre az R3-R9 adja, (R3+R9)/R3 vagyis ilyenkor a kimeneten kb 12V-ot kell mérned. Ha nem ezeket méred, akkor ott valami elkötés, hibás alkatrész, vagy forrasztás okozhat problémát.
Visszaforrasztottam a D1 diódát, mértem a kérdéses pontokon. Esetemben olyan 3,5X es az erősítés és rendben van. Egy kérdésem van. Nálam a panelról kifele sarukkal vannak kivezetve a +,- kivezetések. Mondjuk ezek esetleges parányi kontakthibája előidézheti a rejtélyes fűrészelést.? Abból következtetek ha picit mozdítok a panelon akkor eltűnik a hiba. DC off, majd vissza bekapcs akkor visszajön és így tovább.
Azt kéne megtalálnod, hogy konkrétan melyik alkatrész piszkálásával jön elő-szűnik meg a hiba.
Aztán nagyítóval nézd végig a forrasztásokat a környékén. Ha csatlakozóra gyanakszol, az is lehet rosszul beforrasztva, és megmozgatva ott is előjöhet a hiba. És még az sem zárható ki, hogy egy alkatrész gyári hibás. De akkor is először meg kéne találni a bűnöst.
Odáig jutottam hogy rögzítettem a csatlakózókat-kontaktus hiba itt kizárva. Ohmos terhelésel rendben van. Ha melléakasztom a kondit rögtön megindul az oszcillátor. 2-300Hz től 20kHz ig a feszültség növelésével arányosan növekszik. Próbáltam más kapacitású kondikkal és eddig csak a low esr 470µF os indítja be a fűrészt. A másik oldalon önmaga a kondi nem okoz semmiféle problémát, de ha ohmossal kombinálom akkor ott is oszcillál. Lehet valami szűrés vagy csillapító tag hiányzik a kapcsolásból.? Csatolok fotókat a hibás oldalról: ohmos terhelés 12V 3A majd a kondival megpatkolva. Látható a különbség.
A hozzászólás módosítva: Jan 8, 2023
Ezek szerint akkor mindkét oldalon előjön. És valószínűleg akkor ez a kapcsolás sajátja, hogy ilyen jellegű kapacitív terhelésnél begerjed.
Valószínűleg aki közzétette, annak nem jött elő. A tervezőjét kellene megkérdezned, hogy mit javasol erre az esetre, vagy valakit, aki megépítette, és esetleg már kiküszöbölte, ha egyáltalán észrevette más is rajtad kívül. Én itt kiszállok, mert nekem nincs az asztalomon ez az áramkör, és az általános hibakeresési ötleteken kívül konkrét javaslatot nem tudok adni. Sok sikert a hiba keresésben, és főleg a megtalálásban!
Köszönöm a segitséget. És marad a nyilt kérdés avagy mit lehet-kell tenni a gerjedés megszüntetése érdekében.?
Szia!
Hogy néz ki a szerelés, milyen a vezetékek elrendezése?
Szia. Ilyen a szerelés.
Ez a kapcsolás nagyon be van lassítva az 1nF integráló kondival!
A másik hogy semmilyen erősítő nem szereti a nagyon kapacitív terhelést! Érdemes lenne kipróbálni egy ugyanolyan RL párhuzamos tagot, mint amilyenek a hangfrekis erősítők kimenetén szokott lenni!
Egyenként jól gondolom, hogy az áramkorlát úgy állítható be, hogy a kimeneteket összekötöm? Ekkor van szerepe a DC off kapcsolónak? Illetőleg hogyha pl. Uszekunder:40V, viszont a kapcsoláson nem módosítok, akkor is működni fog, de csak 30V-ot tudok maximum kivenni a kimeneten?
A hozzászólás módosítva: Jan 10, 2023
A vegyes tranzisztorok nekem gyanúsak a végfokban.
Ez a rajz nekem is meg van építve, csak még nincs bedobozolva. Előkeresem és kipróbálom (remélem időben végzek melóba és akkor megpróbálom ma este megnézni) mit művel kapacitív terhelésre. Más szempontból nagyon jól működik. |
Bejelentkezés
Hirdetés |



















