Fórum témák
» Több friss téma |
Fórum » Labortápegység készítése
Megoldottam. Ilyen hülye nem lehetek. (bocs a jobbik énemtől)
10kOhm-os poti helyett én hülye 50k-sat raktam be. És még csodálkoztam, hogy nem megy. Kicseréltem 10k-ra és megy rendesen. csak sajna későn vettem észre, hogy b-s potit adott a boltos. Már beforrasztottam. Meglátom majd, hogy hogy lehet ezzel szabályozni.
Csináltam két nagyobb felbontású képet, ezeket egyébként ugyan abból a pdf-ből készítettem amit fel is töltöttem. Ezeket lehet nagyítani és tiszta marad.
Sziasztok!
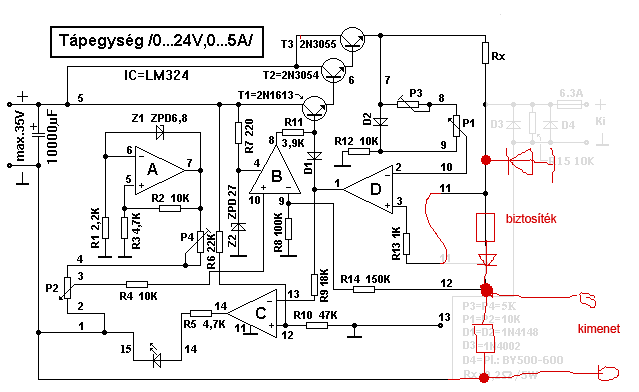
Az alábbi tápról - azt hiszem PCB féle nyák néven hivatkoztok rá - található valahol egy összefoglaló? A működését nagyjából értem, de lenne pár kérdésem, hogy mi miért úgy van megolva, ahogy, összehasonlítva más tápegységgel. Kapcs. rajz
Na ezt a honlapot kerstem, mert emlékeztem, hogy itt láttam. Meg is találtam még mielőtt írtam, csak nem vettem észre a lapozót a kapcsolási rajz lista alatt így magát a kapcsolást nem találtam.
Hálás köszönet! Átnéztem, aztán kérdezek, ha maradt nyitott kérdés. Sallala
Nos, nem lettem sokkal. Az alábbi kérdéseim vannak/maradtak:
1. Sok tábpegység kapcsolásban látom, hogy az áteresztő tranzisztor (vagy némely három lábú stab IC) egy diódával át van hidalva, hogy kikapcsolt tápegység esetén pl. egy feltöltöttt kondi kimenetre kapcsolása ne tegye tönkre a tápot. Az áthidaló dióda a feszt belevezeti a táp pufferkondijába. Ebbe a tápba ez nem szükséges? Gondolom tranyótól függ, hogy C-E lábak mit bírnak. A tranyó adatlapokon látható Vcer jelöli azt kollektor-emitter fordított feszültésget, amit még elvisel a tranyó? 2. Miért van szükség hármas darlington meghajtásra? Az én tápomban a műveleti erősítő - ami nem sokkal több kimeneti áramot tud, mint az LM324 - meghajt egy hűtőzászlós BD139-et, az meg egyből a 2N3055-öt. Ezt szerettem volna számolással megérteni/megvizsgálni. A tranyók áramerősítéseit kell összeszoroznom, és ellenőriznem, hogy a táp kimeneti áramához szükséges műveleti erősítő kimenő áram elegendő-e igaz? De a katalógusokban igen tág intervallum van megadva áramerősítésre. Minimum 40, max 250, ezzel így nem tudok számolni. Vagy teljesen rossz nyomon vagyok, hogy megértsem? Már csak azért is szeretném ezt tudni, hogy tehetek-e plusz 2N3055-öket, hogy nagyobb kimeneti áramom legyen, vagy legalább is el tudjam osztani a terhelést. 2N3055 hiába bivaly erős, hamar meg tud sülni. 3. Feltűnt, hogy ezen a tápon nincs kimeneti pufferkondi. Szükségtelen? Más: Az enyémen van, és emiatt egy kis áramkör is van hozzá beépítve, ami a "feszültség letekerésekor" szépen ki is süti egy diódán keresztül. Igen ám, de azon a kisütődiódán keresztül a kimeneten esetlegesen külsőleg rákapcsolt puffer kondi is ki tud sülni, és máris kérdéses, hogy a dióda bírja-e az áramot, meg áram folyhat az IC kimenetébe is. Na ezért nem tetszik az a kapcsolás. Nézze meg, aki kíváncsi, hogy miről beszélek! kapcsrajz 4. Nekem azt javasolták az én tápomhoz, hogy a kimeneti biztosítékot úgy építsem be, hogy a rajta eső feszültésget a visszacsatoló kör "belevegye". Én a biztosítékot ezért Rx után, azzal sorosan közvetlenül beépíteném. (Áteresztőtranyó-Rx-biztosíték-kimenet) Ezt javasoljátok, vagy nem javasoljátok? 5. D3, D4 gondolom egy rákapcsolt fordított polarítású kondi vagy pl. akkumulátor ellen véd rövidzárral. Hasznos, mert én is szoktam akkut tölteni a tápommal. De ez a rövidzár elég brutális módszer. Nem jobb egy nagyáramú diódát bekötni a Rx és a biztosíték után? Így a tranyók felé fordított áram nem folyhatna, (1. pont, áthidaló dióda sem kell akkor) a műveleti erősítő bemeneteknek meg nem árt egy kis negatív fesz. A diódán eső, áramtól nemlineárisan függő feszültségesés sem okozhat gondot, hiszen a szabályozókörön belül lenne. Erről mi a véleményetek? 6. A tápomban Texas OPA445 műveleti erősítő van. Ezek +-45V-ig működnek. Táp fórumán sokan jelezték igényüket a nehezen beszerezhető IC-k kiváltására. Látom itt is zeneres táplálás van, de ezzel nem lehet feltornászni a kimenő feszt 30V fölé. Nem lehetne egy mezei, egytranzisztoros kis erősítő fokozatot készíteni, ami a meghajtó műveleti erősítő kimenete és az áteresztődarlington bemenete közé kerülne? Itt sem látom, meg az én tápomnál sem ajánlotta még senki. Ez tök hülyeség? 7. Ha nem lenne áramkorlát, és T1 bemenetére csak IC/b kimenete csatlakozna, akkor is kellene R11 ellenállás? Akinek van ideje és kedve kérem segítsen a fenti kérdések megértésében! Köszi,
1., 4. és 5. kérdésemhez mellékelek egy kapcsolási rajzot. (5. pont miatt az 1. szükségtelen)
Az ábrán a halvány szürke részt elhagynám, a pirosat venném hozzá helyette.
Pontosítanám saját magamat.
5. pont, fordított polarításu akku vagy feltöltött elkó rákapcsolása ellen a soros dióda nem véd. Rövidzár meg mégsem durva megoldás, mert, mert azért van benne a biztosítsék. Megértettem. Soros dióda nekem azért kellett, mert az én tápomban az említett kisütődiódát megégette volna az akku a kimeneten. (Azt nem tudta volna kisütni...) De itt is hasznos lehet, mert 1.pont végett dióda valahova kell, ha pedig a kimenetre teszem, akkor töltés végén a táp végül is leválik az akkuról. (LiPO akkumulátorokat állandó árammal és limitált feszültséggel kell tölteni. Ha kész a töltés így nem kezdi el meríteni a táp az akkut. Akkor sem, ha a táp főkapcsolója valami oknál fogva lekapcsolódna.) Itt a frissített rajzom.
Sziasztok!
Az lenne a kérdésem hogy Ebben a tápban a D3-D4 az induktív terhelések (pl motor) önindukciójának elvojtására van? (Ha már így előkerült ez a rajz) üdv!
a D4 az mindenképp mert az egy gyors dióda
Hi!
Nekem ilyen (csatolmány, bekeretezett rész) van benne. Ez is gyors dióda? üdv!
hátha óriási német tudásom nem csal akkor ez egy szilicium gyors dióda
De nem 100%
köszönöm!
Aki többet tud németül várom tőle is a választ! Köszönöm..
Bocs,hogy belevau,de ez közönséges egyenirányitó dióda,jellemzően 10ms értékkel van megadva a maximális áramimpulzustűrőképessége. A többi jellemzőt is 15-1500Hz közt adják meg. Kapcsiüzemhet nem jó.
bocsánat, lemaradtam, ez kapcsolóüzemhez kell?
Ja jó értem, nem elég gyors, igazából a kérdést sem értettem de most igy tiszta, tehát hogy a BY helyett van Zolynak ez benne, jó igazad van, ez tényleg nem jó oda.
bocsánat, lámulok!!!!
Hello!
Nos, ezek a kérdések már előzőleg parázs vitát váltottak ki, ezért nem szívesen szólok bele. („Mert minden cigány a maga lovát dicséri”, miközben mindegyik kehes. És ez természetes is, hiszen csak kompromisszumok alapján készülhet el valami, és mindenki maga dönti el, hogy mit áldoz milyen cél érdekében.) 1. Igen, a visszáramú dióda a végfokon ezt a célt szolgálja, néha a „háromlábú ló” meg is botlik miatta ha nincs dióda. Egyébként hajlamosak vagyunk elfelejteni, hogy a bázis-emitter diódának kb. 7V körül van lavina szakasza, és ilyenkor a bázis-kollektor dióda meg nyitva van és az áram mehet ahova akar. Amúgy a katalógus ezt VEB0 címen tartalmazza általában. Ha egy áramkörben a PN átmeneteken keresztül el lehet jutni a tápból a tápba, akkor az szinte biztos halál egy tranziens viselkedés esetén. Persze, hogy a veszteségek kis értéken maradjanak sokszor (mint itt is) ez a helyzet. 2. A legtöbb esetben nincs szükség a hármas darlingtonra. A katalógusban a h21 áramerősítési tényező tényleg bő tartományban van, de ne feledd el, hogy áramfüggő a dolog. A jó adatlap ezt a görbét tartalmazza. Természetesen a minimumot illik venni belőle. Néha az ember a tekintélyes meghajtó áram miatt is a meghajtó funkcióban ugyan azt a tranyót alkalmazza, mint a végfokba. Ez könnyíti a hűtés megoldását sok esetben, mert azonos bordára kerülnek. Igazából a veszteségeket is számításba kell venni, ha az ember a darlingtonokat használja (plusz az első tranyó bázis ellenállásán eső feszültség) Egy műveleti erősítő nem arról híres, hogy jól meghajtja a földelt kollektorú tranyókat. (Ut-1..2V van max. a kimeneten) Tehát egy nagyáramú végtranzisztortól elvárható béta kb. 20. Az ezt meghajtó tranyónál (tekintve, hogy annak már így 20-szor kisebb a kollektorárama) kb. 50. Ehhez kell még hozzáadni a bázisáram okozta veszteséget (soros bázis ellenállás miatt) és az IC maradék feszültségét az adott terhelésen. Tehát 5A kimenő áram esetén a meghajtó áram kb. 5mA, amit minden műveleti erősítő vidáman meg tud hajtani. Ha a tranyó megsül, azért nem kimondottan a kollektor áram a hibás, hanem a rajta mérhető disszipáció és a hűtés elégtelensége azaz a hőátmeneti ellenállások rossz méretezése. 3. Kell - nem kell kondi. Ha van, akkor esetleg tönkre tesz valamit, mert a benne tárolt energia miatt a kimenő áram hatalmas lehet, akár van, akár nincs áramkorlátozás. Ha nincs, esetleg gerjedhet a kapcsolás, és a nagyfrekis kimeneti impedanciája a tápnak magas lehet. A kívülről jövő tranziensekkel szemben is védelmet nyújthat a kondi. Szóval kinek a pap, kinek a papné. Szebb lehetne a kimeneten egy söntszabályzó (vagy egy áramgenerátor) áramkör, mely kisütné a kondit, ha a beállított kimeneti feszültség kisebb lenne, mint ami a kimeneten van. De annak táplálása a negatív kimenőfeszültségétől kisebbnek kellene lenni, és az áramának nem szabadna átfolyni a shunt ellenálláson (Rx). 4. Egy biztosíték az áramkörben gyakorlatilag bárhol lehet, ahol a soros főáram folyik. Annak nem szükségszerű, hogy a kimeneten legyen. De ha ott van, akkor természetesen a szabályzó bemenete előtt legyen. Amúgy egy bizti nem sokra, használható, csak a táp füst ellen. Félvezetőket az nem védi meg. Sem belül, sem kívül. (kivétel egy nagyáramú dióda) 5. Lehet diódát tenni a kimenettel sorba, de azon is fog hő termelődni és a maradékfeszültséget is növeli. Minden esetre, a műverősítő bemenete így már kaphat nagyobb feszültséget, mint a tápfesz, tehát nem ártana védeni diódákkal. A kimeneti kondi, pedig nem lehetne elkó. 6. Igen, a kimeneti feszültség így nem haladhatja meg az IC tápfeszültségét. Két megoldás lehetséges pld. segédtáp alkalmazása, amiből a végtranyók nyitnak, vagy földelt emitteres (Source) meghajtó és/vagy végfokozat. Mint az általam feltett tápban is van. Így nem szükséges speciális nagy tápfeszültségű IC. 7. Nem kellene ellenállás, azzal a kitétellel, hogy a meghajtó bázisa elviseli az IC kimenőáramát, ill. az IC kimenete rövidzárvédett. Ellenállás alkalmazásának hátránya, hogy ez is növeli a maradék feszültséget. üdv! proli007
Szia Proli007!
Nagyon köszönöm a válaszodat. Így azért már jobban képbe kerültem. Ami még mindig zavaros: 1. Tehát nem is a C-E átmenet miatt van a dióda, hanem az E-B átmenet miatt? Én azt gondoltam, hogy a C-E lábaknak is van egy paramétere, hogy mekkora feszültség lehet az Emitteren, ha a Collector nullán van. (lekapcsolt trafó). De logikus a VEB0 paraméter is, hiszen ha be van kapcsolva a táp, le van tekerve a feszszabályzás (Bázisfesz nulla volt) de a kimeneten feszültség van (elkó) akkor máris indul a lavina. "Persze, hogy a veszteségek kis értéken maradjanak sokszor (mint itt is) ez a helyzet." Ezt nem értem. Tehát ennél a tárgyalt tápnál a veszteség minimalizálása miatt elhagytuk az áthidaló diódát? 2. Sejtettem, hogy a grafikon a hiányzó láncszem. A te számításod szerint, ha nem lenne bázisellenállás T1-nek, akkor az 50*20=1000 szeres erősítéssel 5ma-el meghajthatná a műveleti erősítő az 5A-es tápot, és elég lenne egy meghajtó meg egy áteresztő tranyó. Úgy látom, R11 bázisellenállás az IC kimeneti áramkorlátján túl amiatt kell, hogy IC/d adott esetben lehúzhassa nullára T1 bázisát. Ha az én tápom megoldását átültetem a tárgyalt tápba, akkor az IC/d kimenet nem a T1-et húzná le, hanem a T1-et meghajtó IC/b bemenetét. Ezzel T2 megspórolható lenne. Mellékeltem képet. Szerintetek jó megoldás? Tudom, hogy végtranyó sülés hő miatt lehet. A tápom építésénél felhívták a figyelmemet, hogy hiába 15A-es az áteresztő. Van az adatlapon egy tanulságos grafikon, ami a biztonságos működési zónát jelzi. Ezért is javasoltak még a 3A-es táphoz is 2db 2N3055-öt 3. Igen, a kisütési áram, ami fellép a pufferkondi használatakor... Spafi kolléga hívta fel a figyelmemet. Ő a kimeneti kapcsokra szorít egy 10u-os elkót, amikor szükség van rá. Na a tápomban van egy kondi kisütő áramkör, leesett végre miért is kell a -5V. Különben a kimeneti pufer csak 0,6V-ig sülne ki igaz? De szerintem nagyon rossz megoldás. Az IC kimenetébe is folyhat áram nem? Ráadásul Q1 és D10 is gyengeáramú darab. Ha a tápot lekapcsolom, (vagy áramszünet van) és akkut töltök, az R15 értékétől függően megsütheti Q1-et és d10-et. Nagyon nem szimpatikus. kapcsrajz részlet 4. Ez a bizti azért hasznos szerintem, de csak úgy, ahogy a képen mellékeltem fentebb. Már a 3A-es tápomnál is 1-10 millivoltok vesznek el a drótokon és a biztosítékon. Ha a visszacsatolás bemenete előtt van, akkor a feszszabályzás kompenzálja. A tervező szerintem azért rajzolta úgy, ahogy, mert a fizikai kialakítást úgy tervezte, hogy ha "kintről vissza akarna jönni valami", az a panelig el se jusson. De ezt csak tippelem... 5. Látom már, mi a gond, amit mondasz. Csak IC/d-t védi a biztosíték. De én úgy gonodlom, hogy ha ezzel a táppal dolgozom, akkor a legnagyobb fesz, ami a "kezem közébe" vagyis egy elkó fegyverzetére juthat az 25V. Az meg nem károsítja az IC bemenetet. 6. huhh, ennek ma már nem esek neki. 7. "...azzal a kitétellel, hogy a meghajtó bázisa elviseli az IC kimenőáramát" Na erre megintcsak nem gondoltam, én csak az IC kimenetet féltettem. Mégegyszer köszönöm a válaszokat! A tápom dobozolás előtt áll, de egy táp mégiscsak egy táp. Míg nem értem a működését 100%-ig nem alszom nyugodtan. A PCB féle táp felé kacsingatok, kisebb is, nem kell spec IC, és kicsivel egyszerűbb is. Ha előb találok rá, biztos nem ezt építem meg. De könnyen lehet, hogy építek egy PCB tápot és azt teszem a dobozba... Az angol fórumon az általam épített áramkör stabilitását. De amint láthatjátok nincs lényeges eltérés e között és a PCB táp felépítése között. (Tehát akkor a PCB táp is van olyan jó) Sallala
Hello!
Kissé össze vissza csapkodsz, néha nem tudom melyik áramkörről beszélsz. Tulajdonképpen melyik áramkört akarod megépíteni (vagy már kész) és mekkora kimenőfeszültség és áram tartományra? Mert e-nélkül, elég zavaros előttem a dolog. Most már van három rajz, az Eagle-s az Urbános és a TL081-es. (én csa általánosságban beszéltem róluk) 1. Ha a tranyó fordított feszültséget kap, akkor a BE átmenet záró irányú feszültséget kap, a BC átmenet pedig nyitót. Ha a BE átmenet már túl van a lavina könyökén, akkor az áram a BC átmeneten folyik tovább. Ha a kimeneten magasabb a feszültség, mint a beállított, akkor az IC kimenete már is nulla. Félre értettél. A kollektor-emitter reverz diódának semmi köze a szaturációs veszteségekhez. Az a következő feszültségekből áll. - IC/b kimenete nem tud felmenni a tápra + a soros bázis ellenálláson eső feszültség(eredeti kapcsolásnál a háromszoros darlington miatt nem jelentős) + a bázis emitter nyitóirányú feszültsége (darlingtonnál ez ugye 2..3x annyi) + az emitter áramkiegyenlítő ellenálláson eső feszültség, ha van ilyen + a söntön eső feszültség. A veszteség minimalizálásakor, ezeken kell elgondolkodni, melyik mennyire ludas. 2. 5mA bázisáram mellett, már nem lehet nagy az R11 ellenállás, pont a veszteség miatt. Ha az IC az IC/b bemenetét húzná le, nem tudná eléggé lehúzni. Tekintve, hogy a 324-es kapcsolás "féltápos", tehát nincsen mínusz táp. Így az IC nem tudja nullára vinni a kimenetét, plusz a dióda nyitóirányú feszültsége is ott lenne. (kimeneti rövidzár mellett, nem is hatna az áramkorlátozás.) Az eredeti megoldás mellett azért tud működni az áramkorlát, mert a végfokozat nyitásához minimálisan 3x065V=1,95V feszültség szükséges. Ha a D1 diódán a nyitófeszültség 0,7V, akkor az IC/d kimenetének csak 1,25V alá kell menni és már zárnak is a tranyók. 4. Igen, a tervező ezt elkefélte. 5. Alapvetően nem csak a feszültség okozza az IC halálát, hanem az IC bemeneti differenciál erősítőjének túllépett bázisárama. Ha jól emlékszem, Köbzoli tápjánál volt egy olyan hiba, hogy az Rx megszakadt, és ez a IC/d erősítő halálát jelentette. A bizti kiolvadása, hasonló galibát okozhat, bár itt a 150kohm soros ellenállás segíthet a bajon. 6. Pedig ez sok mindenre gyógyír. üdv! proli007
Szia!
Ismét köszönöm a választ! Tehát nekem van egy megépítet, élesztett tápom: kapcs. rajz Továbbiakban hívjuk electronics-lab.com tápnak, mert arról a honlapról való. Felépítése nagyon hasonlít az LM324-es kapcsolásra. A két táp vizsgálatának és összehasonlításának során merültek fel a kérdéseim. Az LM324-es táp "elkezdett jobban tetszeni", mert egyszerűbb, és ki van váltva benne a nagyfeszültségű műveleti erősítő. Nekem a tápfesz és áram taromány 0-24V 0-5A elegendő. Célom, hogy mindkét áramkör működését tökéletesen megértsem, ha akarom át tudjam tervezni kisebb/nagyobb áramra, feszültségtartományra. Pótoljam az esetlegesen hiányzó védelmet, és növeljem a stabilitását, ahol lehet. Hála neked, a kép nagyban kitisztult és sok apró tudnivalóval lettem okosabb. Az áramkört lecsupaszítva szimuláltam ISIS-ben, teleraktam fesz és árammérővel, világos minden, amit a vezérléssel kapcsolatban mondtál. (Nem tudtam, hogy ha a műveleti erősítő negatív tápja 0-n van, akkor a kimenet nem tud lemenni nullára. Az electronics-lab.com tápban az áramkorlát műveleti erősítője kap -Vcc táplálást (nem vettem észre eddig), azért tudja lehúzni a fesszabályzó IC bemenetét, és ebből kifolyólag nem kell nagy bázisellnállás így meg nem kell tripla darlington. Bázisellenálláson eső feszültség hatása; az összekapcsolt tranyók áramerősítése; IC kimeneti áram terhelhetősége; áramkorlát működése az LM324-es tápban és az electronics-lab.com tápban mind tiszta, és már látom, hogy mi hogyan függ össze. ) A szimulációval és az általad mondottakkal együtt szépen összeállt a kép. Nagy köszönet érte! A -Vcc-t az electronics-lab.com tápban egy egyszerű charge pump állítja elő, zeneres stabilizálással. Ezt alkalmazhatom az LM324 tápban is, ekkor IC/d már le tudja húzni IC/b bemenetét, nem kell bázisellenállás és akkor egy teljesítmény tranyót felszabadul, vagy beköthetem párhuzamosan a másikkal, hogy szétosszam a terhelést. Mellesleg így már majdnem el is jutottam az LM324 tápból az electronics-lab.com tápig) Na, de ami még mindig nem világos, az a védelem az alábbi két esetre: A) táp be van kapcsolva, feszülstégszab. le van tekerve, kimeneten akkumulátor van (tápkimenetnek megfelelő polarítással) B) táp ki van kapcsolva, kimeneten akkumulátor van (tápkimenetnek megfelelő polarítással) Egyik esetben sem érdekel most, hogy az akku túltöltődik vagy a táp elkezdi kisütni. Csak a táp védelme érdekel. Erre ezt írtad: "Ha a tranyó fordított feszültséget kap, akkor a BE átmenet záró irányú feszültséget kap, a BC átmenet pedig nyitót. Ha a BE átmenet már túl van a lavina könyökén, akkor az áram a BC átmeneten folyik tovább. Ha a kimeneten magasabb a feszültség, mint a beállított, akkor az IC kimenete már is nulla." Ez ugye az "A" esetre vonatkozik. És akkor ez mit eredményez? Áteresztő tranyó meghibásodás? Graetz feszültésg kijut a tápra? Azt írtad korábban, hogy iulyenkor mindenhol folyhat áram, azért nem értem. "B" esetre megoldás az áthidaló dióda? De esetemben ekkor az történne, hogy az akku feltölti a Graetz puffert, olyan, mintha a tápot bekapcsoltam volna nem? Ha a fesszab meg le van tekerve, akkor visszajutottam az "A" esethez nemde? Na, azt hiszem emiatt vezettem be az Rx-el soros diódát. 0,6V-os veszteség, ami a kivezérelhetőséget rontja nem érdekel. Akkor ez jó megoldás? (Ja, akkor te minden veszteséget amit jeleztél a kivezérelhetőségre értettél ugye?) "Alapvetően nem csak a feszültség okozza az IC halálát, hanem az IC bemeneti differenciál erősítőjének túllépett bázisárama. Ha jól emlékszem, Köbzoli tápjánál volt egy olyan hiba, hogy az Rx megszakadt, és ez a IC/d erősítő halálát jelentette. A bizti kiolvadása, hasonló galibát okozhat, bár itt a 150kohm soros ellenállás segíthet a bajon." Ezt nem értem. Most megnéztem az adatlapot, az absoulte maximum ratings szerint a bemenőfesz. -0.3V és 32V között lehet, a differenciális bemenőfesz szintén 32V, bemenő áram 50mA, de ez csak akkor folyik, ha a bemenőfesz -0.3V alatt van. És nem destruktív.
Hello!
Idézet: „És nem destruktív” Ez tetszik! Szerintem némi fogalomzavarban szenvedsz. Ez egy táp végül is, nem egy töltő. Legyél egy kicsit rugalmas és konstruktív. Hagyd békén azt a kimenetet. Ha töltőként is akod használni, hozz le egy szálat a kimenetről, és azt megfejeled egy diódával. Teszel rá egy csatlakozót, hogy fordítva se tudd rádugni és kész. Univerzális töltő meg táp egyben az már egy másik kapcsolás lenne. De mondok még egyet: a bemenetről lehozol egy graetz-et (4x1n4148) és azzal egy relével kapcsold a töltő ágat. Így ha elmegy a betáp (áramszünez stb.) leválik az akkud. Ez esetben megmarad a kimeneti feszültség pontossága is. Nekem van néhány töltőm és ezt a megoldást használom. Adott problémára egy egyszerü megoldást kerestem, ez megoldja a hálózati biztonságot. Évek óta mennek hibátlanul. Ha megfejeled egy hőérzékeléssel, a relével levéálaszthatod túlmelegedés esetén is. Egy kicsit szabadabban állj hozzá és lesz megoldás azonnal.
Labortápot nem lehet töltőnek használni?
Szia Freddi!
Az adatlap írta szó szerint: "This is not destructive and normal output states will re-establish when te input voltage, which was negative, again returns to a value greater than-0.3V (at25°C)." LiPo akkumulátort tizedvolt pontoságra beállított feszültséggel és áramlimittel kell tölteni. Egy labortáp pont ezt tudja. Miért ne használnám akku töltésre, ha épp nincs kéznél a töltőm, vagy másik akkut töltök vele. Meg hát akku nélkül is ott van a veszélye annak, hogy a tápról egy nagy pufferrel ellátott áramkört hajtok meg. Akkor mi a helyzet? Míg a kimeneti 10K-s párhuzamos ellenállás kisüti, annyit kibírnak az áteresztőtranyók? A diódát ha a táp kimenetére teszem rá, és figyelmetlenség miatt rossz helyen mérek feszt, (az akku sarkain közvetlenül) akkor az akkut 0,6V-al magasabb feszültségre tölthetem fel. Mivel ennyi esik a diódán töltés közben. De ahogy csökken a töltőááram, úgy fog egyre kisebb fesz esni a diódán. 0,6V pont elég egy LiPo cellának, hogy károsodjon. A diódát minden képpen Rx-el sorba kellene beépíteni, hogy a visszacsatolás a dióda utáni feszt mérje. Na, ezt kérdezem, hogy ez így jó-e. Ha ez tökéletes megoldás, akkor minek relézni? "Egy kicsit szabadabban állj hozzá és lesz megoldás azonnal." Egyszer kell csak tökéletesre kitalálni. Nem sürget senki. Köszönöm a választ!
Sziasztok!
Doncso: de lehet, de labortápként nem a legjobb. Ha kiegészíted a bemenetén egy kis graetz-el és egy relével ami leválasztja a töltés végén, használhatod kényelmesen konstans áramu vagy feszültségü töltőnek. És itt jön a lényeg (ami az előző hsz.-ből lemaradt), hogy ez esetben egy digitális kapcsolóórával pontos időzítős töltőnek lehet használni. A visszaszámlálás funkciót kell használni, azt csak egyszer hajtja végre. A beállított idő után leválik az aksiról, töltés kész. De hogy jó legyen, ehhez ugye előtte le kell sütni a cellákat kisütővel (NiCd/NiMh), hogy üres legyen, akkor számolható a pontos töltési idő. A relés lekapcsolást egy plusz kapcsolóval meg is szüntetdheted, ha nem kell (pld hátulra beépíteni). Egy ledet tegyél rá, hogy lásd ha be van kapcsolva. És egy külön csatit, hogy a rendes kimeneted közvetlenül meglegyen. Sallala: a diódás kérdésekt nem ecsetelném, azokat már tudod. Ha még is diódát tennél (ugye van shottky is, a 20A-esen nem 0,7V esik, hanem 0,30-35V kis áramnál (1-2A)), a kimenetre meg egy + csatit, akkor nem mérsz mellé a diódának , a kimeneten meg a beállított feszt méred. A tökéletes leválasztás továbbra is a relé, mivel a szupravezető diódát még nem találták fel, a többi félvezetőn meg feszültségeg esik, és nem is líneálisan. ![]() Idézet: Hát igen, csak ez esetben töltőnek kéne átépíteni, az meg már nem labortáp. „Egy labortáp pont ezt tudja.” Azért vannak itt olyan kérdések is, hogy egy 40V bemenetü 5A tápról akkut töltünk, veszteség hatalmas, mindegy, úgy is hideg van a helyiségben, legalább valami fűt. Persze alkalmanként az más kérdés, úgy elmegy. De az a + csatlakozó is bőven elfér hátul, meg egy kis relé a dobozbóan. Idézet: Ebből te csinálsz nagy problémát, és nem halgatsz az okos szóra. Így senki nem fog tudni segíteni neked.„Miért ne használnám akku töltésre, ha épp nincs kéznél a töltőm, vagy másik akkut töltök vele.” Használhatod a diódát sorosan a söntel, és utána teszed az érzékelést, de egy áramszünet esetén az akkud visszafele rajta lesz a műveleti erősítő bemenetén. Hogy ez mennyire és milyen irányba fogja elhúzni a táptól nem számolgatom. Az áramszolgáltató üzemszerűen is lekapcsolja az áramot, és ez jogában áll, lásd például javítások. A kommersz akkutöltők ilyenkor újrakezdik a töltést, és a szerencsétől függően (hogy épp hol tartott a töltésben) ki is nyírják az akksikat. Nesze neked ezer ciklus Ezt egy digitális kapcsolóóra megoldja, mert annak az órája az akksijáról megy tovább, és maximum nem lesznek feltöltve az akksik, de túltöltés nem lesz. Mind ez a biztonság 1600-2000Ft, akár több egyszerre idított töltőhöz is (ennyi ugyan is egy digitális kapcsolóóra, és hiába kezd a töltő elölről, lekapcsolja a letelt idő után) ).Egy áramszabályzott feszültségkorlátos töltőt (ami nem 40-50V-ról tölt pld.) egy uA723-ból simán csinálhatsz, egyszerű az egész. Persze teljes leválasztás relével oldható meg (kivéve a töltő mellett álló kisz kici kína, aki lehúzza a végén ). Ezzel a töltést befejeztem részemről.Maradt még a kapacitív és induktív visszáramok. Ezekre szoktak a soros áteresztőtranyóra egy visszacsapó (visszirányú dióda a kimenetről a puffer felé) diódát tenni a táp felé, ezzel meg is van oldva a kérdés. Ajánlott olvasmány a témában: Frenczi Ödön: Elektronikai készülékek tápellátása.Részemről befejeztem a téma tárgyalását. Üdv mindenkinek FREDDI
Szia Freddi!
Nem az a lényeg, hogy akkut akarok tölteni vele (bár néha majd akarok). Természetesen nem akkutöltőről van szó, ezt belátom. Lemondok minden olyan védelemről, ami az akkut védi. Nem érdekel, hogy túltölti, vagy nem válik le töltés végeztével. Engem a táp érdekel. Akkor úgy mondom, hogy szeretném a tápegység viselkedését körüljárni exrtém körülmények között, hogy tudjam mikor mire számíthatok. Szeretném úgy megépíteni, hogy kimenetre kapcsolt feszültség, vagy kimenetre kapcsolt nagy pufferben tárolt energia ne tegye töntkre a tápot, de ki, de bekapcsolt állapotban. De ha ez megvalósíthatatlan, akkor tudomásul veszem. Végül is a tudnivalókat megírtátok, áteresztőtranyó B-E záróírányú előfeszítéséből adodó gondok, műveleti erősítő bemenetére jutó feszültségből adódó gondok. Ha itt nincs kedvetek ezt tovább tárgyalni, akkor keresek egy műveleti erősítő topicot meg egy tranzisztorosat, ez így nekem oké. Köszönöm a választ és a könyv ajánlást, megkeresem.
Köszönöm továbbitani fogom,de mint irtam már nemigen aktuális....
Egyébként miből látni,hogy Ge tranyó? A tipusjelből?
Az,hogy milyen a struktúrája PNP,vagy NPN még nem utal az anyagára szerintem,de javits ki ha tévedek.
Bocs,hogy kötöm az ebet a karóhoz,de még most sem tudom miből állapitottad meg,hogy a linken szereplő tranyó Ge alapanyagú. Ha lehet "szájbarágós" választ kérek
Sajnos ez sem az..... Silicon=Szilicium.
Inkább hagyjuk,mert erősen off. Amúgyis ide várják a megoldást
Üdw.
Látom, újra előjött az alábbi táp építése és a vele kapcsolatos kérdések. Én egy éve raktam össze a panelt, de csak most jutottam oda, hogy teljesen összerakjam, trafóval, kondival, stb. Akadt egy problémám a feszt közben: a feszt szépen szabályozza, de az áramot nem; nem reagál sem a trimmer sem a másik potira és a korlátozást jelző LED sem világít semmilyen körülmények közt. A panelen minden rendben van, legalábbis nem látok hibát... Hol lehet még gondja? Van vkinek ötlete, tapasztalata? |
Bejelentkezés
Hirdetés |




10kOhm-os poti helyett én hülye 50k-sat raktam be. És még csodálkoztam, hogy nem megy. Kicseréltem 10k-ra és megy rendesen. csak sajna későn vettem észre, hogy b-s potit adott a boltos. Már beforrasztottam.
Meglátom majd, hogy hogy lehet ezzel szabályozni.












