Fórum témák
» Több friss téma |
Fórum » Labortápegység készítése
Majd megírnád még, hogy mekkorába kell kinyomtassam a képet, hogy jó legyen?
Esetleg a beültetéshez nincs kép, hogy melyik alkatrész hova megy? Köszi
A második kép a beültetés, a képet pedig át kell mértetezni, de nagyon egyszerű, úgy méretezd , hogy a stab lábai 2,54mm-re legyenek egymástól és akkor az egész jó lesz. Vagy rajzold meg sprintben.
De ne haragudj meg, de ha egy nyák képről való átméretezése problémát jelent, illetve nem ismersz fel egy beültetési rajzot, akkor hogy lesz ebből CNC-gép? Tényleg nem kötekedni akarok, csak kérdezem?
Meg fogom tudni rajzolni, csak azt hittem az is ott van kéznél...
![]() Hát az elektronikát csinálgatom csak egyelőre, mert elég sok pénzbe kerül sajnos. A mechanikát valószínűleg egyben fogom megvenni hozzá, amire eljutok odáig. Valahol mindent el kell kezdeni, különben soha nem fogok hozzá érteni... Köszi és üdv! Zoli
Most kaptam egy kedves CNC-s ismerőstől infót.
Szóval azt javasolták, hogy olyan trafót válasszak, aminek a szekundere 18V-os, mert az kb 24-25V körül fog mozogni. A vezérlő elektronikán úgy is van stab IC, ami majd rendezi a kártyának szükséges áramot. A stabilizálás meg nem lesz jó, mivel a léptetőmotorok működése miatt az áramok hirtelen változnak, így teljesen felesleges. Üdv. Zoli Idézet: „ha veszünk alapul egy 24V-os trafót, ezt egyenirányítva puffereled, akkor egy kicsit több feszültség fog kijönni rajta mint 24V!! Ezzel azért számolj. Megközelítőleg 32-33V DC fog kijönni.” Elméletileg 33,84V lesz DC-ben, de a gyakorlatban ebből lejön az egyenirányító diódán maradó feszültség. Ha graetz van, akkor ez kb. -1,3V. Ezen felül a trafó szekunder tekercse sem lesz pont 24V, illetve a terhelés hatására le fog esni. Idézet: „Ez már sok neked, ezért kell egy stabilizátor elektronika a graetz-puffer után, hogy stabil 24V-on tartsa a feszültséget.” Nem feltétlenül. Ha a fogyasztó nem kívánja meg a stabil tápfeszültséget, akkor nem gond 1-2V feszültség-változás. Ezért kérdeztem Csaplart, hogy mit akar róla táplálni. Márpedig ha az ő általa belinkelt képen (trafó+graetz+nagy elkó) valóban egy léptetőmotor-táp látható, akkor neki sem kell stabilizálás. Idézet: „Mellesleg kösz a multkori tippet ... Gyönyörűen mérnek, nem ugrál.” Nagyon szívesen! Örülök hogy működik! Csaplar! Felejtsd el a stabilizálást! A léptetőmotoroknak felesleges. A helyedben tekertetnék egy kétszekunderes toroidot, aminek az egyik szekunder tekercse 18V-os és 10A-es terhelhetőségű, ez után tennék egy 10A-es graetz-et, majd egy 10000µF/35V-os és egy 4700µF/35V-os elkót. A trafó másik szekunderét pedig megtekertetném akkora feszültségre és áramra, amekkorát a CNC többi kis áramú (vezérlő) részei megkívánnak. Itt persze már használhatsz stabilizátort, bár még itt sem kell mert mint írtad: a vezérlő elektronika panelján már van stabilizátor. Üdv.: Attila
Köszi a tippet!
Kb mennyiért tekernek toroidot? Kléh Györgyöt említetted. Esetleg mondanál elérhetőséget? Köszi és üdv.
Én 300VA-est tekertettem nála, az 8000Ft volt. A telefonszámát megírom privátban.
A stabilizálást kizárólag a 33V körüli feszültség lecsökkentésére ajánlottam neki.
Idézet: „Elméletileg 33,84V lesz DC-ben, de a gyakorlatban ebből lejön az egyenirányító diódán maradó feszültség. Ha graetz van, akkor ez kb. -1,3V. Ezen felül a trafó szekunder tekercse sem lesz pont 24” Tehát ez pont annyi amennyit írtam: 32-33V megközelítőleg. Idézet: „Márpedig ha az ő általa belinkelt képen (trafó+graetz+nagy elkó) valóban egy léptetőmotor-táp látható, akkor neki sem kell stabilizálás.” Akkor viszont az nem 24V-os trafó!! Persze elmegy stab nélkül de akkor jóval kisebb feszültségű trafó kell, nem lesz jó a 24V-os! Ezért írtan neki a stabilizátort, az biztos 24V-os. Egyébként meg szerintem egy CNC-hez azért illik normális szűrt stabil tápot építeni, Lehet hogy a motorokat elviszi, ez nem kétséges, de azt még mindig nem tudjuk ,hogy az elektronikát is erről akarja táplálni? A képről amit küldött tulajdonképen nem derül ki semmi csak az hogy CNC-hez való de hogy mekkora a kimenő AC-fesz a trafóból az nem. Gondolj bele, mondod neki a stab nélküli trafó, graetz,puffer - megoldást, összerakja 24V-os szekunder fesszel, a stepperek kapnak szépen 33V-ot , jön a füsfelhő és szegény értetlenkedve áll a dolgok felett. Ez igy nem jó. Akkor számoljunk neki ki egy kisebb szekunderfeszültségű trafót ami pufferelve 24V Az is jó neki, én csak a 24V miatt javasoltam a stabilizátort. Idézet: „Gondolj bele, mondod neki a stab nélküli trafó, graetz,puffer - megoldást, összerakja 24V-os szekunder fesszel” Nem mondom! Már írtam neki hogy szvsz milyen trafót tekertessen, és ott 18V-ot írtam.
Köszönöm, hogy aggódtok értem.
![]() Az imént rendeltem egy 180VA-es toroid trafót. Ha jól tudom, akkor az pont megfelelő lesz nekem. Egyébként ez a táp fogja hajtani a vezérlőkártyát és a motorokat is. A vezérlőkártyának adható feszültség 31-32V lehet, bár ezt már nem hiszem, hogy szertné. A lényeg, hogy olyan 24-26V neki az ideális.
Én ezt nem tudhattam, hisz gondolom privátba ment. Itt a fórumon ez nem derült ki.
De szerintem is az lesz a legjobb neki. Idézet: „Felejtsd el a stabilizálást! A léptetőmotoroknak felesleges.” Azért nem kell leoltani az elméletemet, hisz az is működőképes ötlet.
És milyent tekertettél? Két szekunderest, ahogyan javasoltam? Ha igen, akkor a másik szekunder mekkora feszültségű (és áramú)?
Egyébként Kléh lehet hogy nem mondta telefonon, de a trafói árába ő két szekunder tekercset vállal alapból. Érdemes ezt kihasználni, ha ugyan annyiba kerül 1db szekunder mint 2db.
Hát ha a vezérlőkártyán van stabilizátor akkor ez így jó lesz neki, gondolom csak van. A trafód akkor 18V-os? Mert akkor úgy nem lesz meg a 24V 10A!
Kicsit kevesebb lesz. De ha elegendő akkor ok.
Nem privátban írtam, hanem a #275797-es hozzászólásban. Privátban csak Kléh György telefonszámát írtam meg neki.
Nem "oltottam le" az elméletedet, legalábbis nem volt célom. Ha mégis így jött ki akkor bocsi. Üdv.! Idézet: „Hát ha a vezérlőkártyán van stabilizátor akkor ez így jó lesz neki, gondolom csak van.” Igen van, Csaplar ezt írta a #275785-ös hozzászólásában.: Idézet: „A vezérlő elektronikán úgy is van stab IC, ami majd rendezi a kártyának szükséges áramot.” Idézet: „A trafód akkor 18V-os? Mert akkor úgy nem lesz meg a 24V 10A!” Azt írta, hogy tekertetett egy 180VA-es toroidot. Feltételezem, hogy 18V 10A-es (mivel 10A-es trafó kell neki), bár ez valóban nem egyértelmű. A 24V meg lesz! Hiszen ha a 18V-ot egyenirányítja, akkor elvileg 24,08V DC lesz. Üdv.!
Egy szekunderest kértem, nekem az elegendő. Nem tudtam, hogy ugyanannyi, mint ha két szekunderest kérnék...
Nem baj, ha nem lesz egészen 10A-es, mert ezt már rendes ráhagyással választottam. 8A-nek is bőven elégnek kell lennie. A vezérlő panelen van stab IC, így azzal nem lesz baj. Köszi a sok hasznos infót! Idézet: „A helyedben tekertetnék egy kétszekunderes toroidot, aminek az egyik szekunder tekercse 18V-os és 10A-es terhelhetőségű, ez után tennék egy 10A-es graetz-et, majd egy 10000ľF/35V-os és egy 4700ľF/35V-os elkót.” Ja, tényleg, láma vagyok már nem látok rendesen, így utólag végigondolva és ha a vezérlőkön van stabilizátor, ez lesz a legjobb megoldás szerintem is, 2 szekunder, egy nagy és egy kisebb aztán jónapot. A másik szekundert akkor viszont akkorára kellene tekerni ahol tud működni a panel stabilizátora, mert ha azt is 18V-ra tekeri az nem jó, mert a 24V-os stabnak több fesz kell hogy normálisan működjön.
Figyelj, oda kevés lesz a 18V-AC!!! Nem fog menni a vezérlő stabilizátora!! Én inkább letelefonálnék még egy 22V-os szekundert inkább!
Egy szekunder nem elég!
Ahogy most Doncso is írta, a stabilizátornak már nem lesz elég! Persze ha azt feltételezzük hogy a vezérlő áramkör elején egy 24V-os stabilizátor van. Ez valószínű, de Te erről nem írtál semmit. Ha 24V-os a stabilizátora a vezérlő áramkörnek, akkor egy 24V-os szekunder tekercsre lenne szükséged még a trafón, aminek a terhelhetősége valamivel nagyobb mint a vezérlő áramkör áramfelvétele. Két dolgot tehetsz: 1.- Gyorsan felhívod Kléh Györgyöt (mielőtt elkezdi a tekercselést) és megmondod hogy inkább kellene rá még egy szekunder. Nyugodtan hivatkozhatsz arra hogy mástól hallottad hogy ugyan annyiba kerül egy és két szekunderrel is, ha esetleg felárat kérne rá. (Nekem azt mondta hogy rengetegen erősítőhöz tekertetnek nála trafót, amihez általában kettős táp kell, ezért ő alapból belekalkulálja a két szekundert az árba.) 2.- Veszel külön egy kis trafót, amiről a vezérlő áramkört járatod. A második megoldás pénzbe kerül, az első nem. Üdv.!
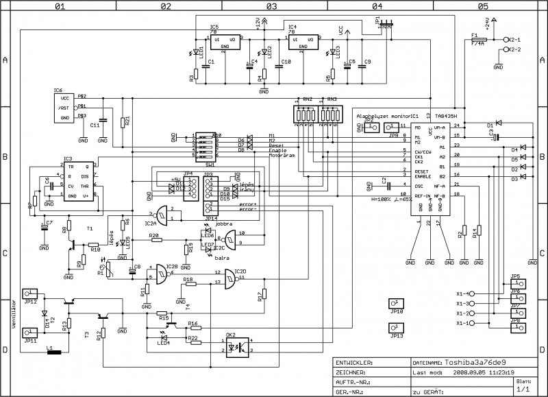
A vezérlőkártya leírása szerint a bementi tápnak DC 21V-tól 37V-ig kell lennie. Ez rendben lesz így...
A panelen egyébként 78xx-es stab IC-k vannak... Miért lenne baj? Idézet: „gy szekunder nem elég! Ahogy most Doncso is írta,” Ezt személyes bóknak veszem végre egyetértünk, ennek örülök. Idézet: „A második megoldás pénzbe kerül, az első nem.” Ezt pedig maximálisan támogatom!!
Na hát ez az, 78xx
, az xx-lenne a lényeg, de ha azt írja hogy 21V-tól már megy, ami eddig ugyan nem írtál akkor elég a 18V pufferelve, de én akkor is tekertetnék rá egy másik szekundert, jobb az külön hidd el.
Jah, azt nem írtam, hogy ebből a kis vezérlő panelből három van, a három léptető motorhoz.
A 78xx nem sokat árul el a feszültségből!
(De a rajz és a leírás annál többet.)Akkor ahogy mondtam: 24V-nak kell lennie a másik szekundernek. Áramra elég 1A. Ha három vezérlő panel van, akkor legyen inkább 2A. (Kléh úgyis olyat teker fel amilyen vastag vezetéke van.)
Akkor úgy kérjem a tekercset, hogy 18V 10A és 24V 1A ???
most nézem, oké a 24V1A-t bekötjük a vezérlőre, de a másikat hová???
Hát ezaz... A motorok táplálását is a vezérlő panelek biztosítják...
Akkor végül is szerintetek elég lesz a 180VA-s toroid egy szekunderrel, vagy nem?
|
Bejelentkezés
Hirdetés |






, az xx-lenne a lényeg, de ha azt írja hogy 21V-tól már megy, ami eddig ugyan nem írtál akkor elég a 18V pufferelve, de én akkor is tekertetnék rá egy másik szekundert, jobb az külön hidd el.





