Fórum témák
» Több friss téma |
Fórum » Lakásriasztó
Igen a sziréna hang-fény jelzős. Egyébként akkor is megszólalt a sziréna amikor a 0V csatlakozóból kimozdultak a vezetékek az ellenállással együtt. Ilyenkor csak az akksi volt rajta. De akkor mégis, hogyan tudom úgy áramtalanítani a központot hogy ne kezdjen el a sziréna vonyítani?
Valahogy le tudnád rajzolni, írni a sziréna kábelereinek bekötését?
Ahogy a rajzot nézem, eléggé faramuci módon oldották meg az egészet, még a rajzot is. Szerintem a szirénád így lehet bekötve: Egy vezeték a POS kapocsra (+12V táp) Egy vezeték a 0V kapocsra (12V common [-] ) Egy vezeték az 1 kapocsra. (1. kimenet, max 1,5A. Sziréna start) A 2 kapocsra elvileg nem megy semmi (2. kimenet, max 100mA!) Sajnos akármit is csinálsz, egy kis ideig szólni fog a sziréna. Annyit tehetsz, hogy a sziréna két tápvezetékét ideiglenesen az akku megfelelő kapcsira rakod. Tudnák még megoldást, de ahhoz jobban kellene ismerned az elektronikát. (ekkor lehet elég lenne az egyik tápvezetéket átkötnöd. VÉGLEGESRE)
Johnycorptól kérdezném, hogy az MG32LCD kezelő pgm kimenetét hol tudom beállítani? Kezelőn, Winloadban?
Hétvégén lerajzolom majd a bekötést. A központ a padláson van és elég nehézkes oda feljutni.
Kérdeznék még párat csak hogy teljesen világos legyen a dolog, na meg hogy összegezve legyenek egy helyen. Nézem a doksi bekötési vázlatát. Ott ugyebár úgy van, hogy az érzékelő megkapja a két vezetéken a tápot(POS, NEG), valamint egy vezeték megy a zónák érintkezőjéből(1, 2, 3, 4), egy pedig ami a 0V' csatira.(Ez a COM, mint közös pont?) Ha ellenállás nélkül a COM és NC csatlakozón keresztül kötöm be az érzékelőt akkor simán mehet az érzékelő COM érintkezőjéből a 0V' csatiba a 4 db érzékelő 4.-dik vezetéke? Ez a közös pont(0V') tamperként is funkcionál? Vagy ha azt akarom, hogy a tamperen is rajta legyen akkor, az ábrán lévő 2K ellenállást bekötve az érzékelő COM és TMP csatija közzé, a közös pont helyett a TMP csatira kell kötni a 4 érzékelő 4.-dik vezetékét? Ellenállásokat nem ,,szokás,, a központba elhelyezni? Köszönöm! A hozzászólás módosítva: Máj 19, 2014
Az MG32LCD PGM nem úgy programozható, mint például az MG641 (ahol a nevére kattintva külön ablak jön elő), hanem a programozási lapokon a központ PGM-ek között található.
Ha lejjebb görgeted az oldalt, akkor az integrált PGM-ek után már van olyan, aminél beírhatod az eszköz sorozatszámát. egyszerűen írd be a kezelő sorozatszámát. Ezután ugyanúgy lehet programozni, mint a többit. Ha jól rémlik, maximum 50mA a kivehető áram! Tehát mindenképpen kisrelé vagy esetleg egy LED.
A 0V' egy közös pont igen. Úgy lehet elképzelni, mint egy spéci feszültségforrás-pontot, aminek a jelét az érzékelő kontaktusaival viszed be a zóna bemenetekre (1, 2, 3, 4).
Igen, neked az érzékelő COM és NC pontja kell. Ha lenne ellenállás a rendszerben, akkor azt is símán a soros körbe kellene illesztened. Például a 0V' pontból vezeték az érzékelő COM pontjára (az belül az érzékelő relé érintkezőjén ugyebár kapcsol az NC pontra). Az érzékelő NC pontjára menne egy ellenállás (2,2kohm) egyik fele, az ellenállás másik fele pedig menne a központ zóna bemeneteinek egyikére (1, 2, 3, 4). Ahogy írtam a 0V' és a 0V elvileg a panelen ugyanaz a pont. Ezt pontosan csak a fentebb említett méréssel lehetne biztosra mondani. Az ábra szerinti érzékelő bekötés az alábbiakat tudja: +mozgásra nyitja az 1. zónát +az érzékelő fedelének levételére nyitja az 1. zónát (nyitva is marad a zóna a fedél felrakásáig) +korrektül tartalmaz egy 2,2kohm ellenállást a soros hurokban -Viszont nem tudja megkülönböztetni a mozgást és a fedél levételét A korrekt megoldás az lenne, ha az érzékelő COM pontja a 0V' -re menne, az érzékelő NC pontja a központ zóna bemenetére egyikére menne (1, 2, 3, 4). Az érzékelő egyik tamper pontja a 0V-ra, a másik pontja a panel 0V melletti TMP pontra megy a 2,2kohm ellenálláson keresztül. Ekkor külön detektálható lenne a zóna nyitás és a fedél levétel. Lásd a csatolt képet. A többi érzékelő tamper kapcsolóját pedig a képen látott módon sorba kell kötni. Az ellenállás pedig az 1. érzékelőnél legyen. Egyébként ellenállást nem raunk a központhoz. Gondolj bele a képet is megnézve. Ha van egy kábel zárlatod az érzékelő zóna vezetékei között, akkor nem fog nyitni a zóna, hiszen a COM és NC kontaktusokat ez rövidre zárja. Lásd a másik képet. Persze z igaz a zóna és tamper körre is. Ezért írtam már pár hozzászólással előbb is, hogy fontos az EOL elllenállás az ÉRZÉKELŐBEN.
Erre tippeltem én is, csak a PGM lapon 6 karakter írható csak a mezőbe és csak számok, betűk nem. A kezelő sorozatszáma meg 8 karakter= 3betű 6 szám.
A másik amit ma észrevettem ha felhívom a vonalas telót ami a központra van kötve akkor 40 másodperc csengés után a központ "felveszi a kagylót". Ha ekkor felveszem én is, akkor tudok benne beszélni. Hát ezt hogyan seikerült beállítanom?
A PGM programozását próbáld meg úgy, hogy felkapcsolódva a panelhoz kattints jobb gombbal a kezelőn és ott a helyi menüből próbáld meg a PGM menüpontot.
Ha nem megy, akkor ez sem támogatja. Nem minden funkció érhető el minden panelnél. A Digiplex sorozat például teljes funkcionalitást ad a kezelőhöz. De az a Paradox másabb központcsaládja. A telefont azért veszi fel a központ, mivel valószínűleg az időzítésnél be van állítva a csörgésszám. (kikapcsolva = 0)
Szürke marad a PGM.
A csörgésszámot megtaláltam. Köszi!
Kettőből egy
![]() Melyik fajta központot használod?
Sajnos nem fogod tudni használni akkor, ahogy már feljebb is írtam.
Ebben a konfigurációban csupán annyit tud a kezelő PGM, hogy követi az élesített állapotot (bármely partíció, bármely élesítési módban). Ha mást szeretnél, akkor használd a panelen lévőket (szerencsére ezen már 4+1 db van). Amennyiben a kezelőhöz menő vezetéken nem tudod odajuttatni, akkor lehet zónabővítő modult használni. Ajánlott, hogy a PGM jelével a központnál kapcsoltass egy relét és a kontaktusával kapcsolt feszültséget vidd a terepre. Biztosítva! A PGM ugyanis viszonylag kisáramú kimenet (max: 100mA!) A hozzászólás módosítva: Máj 21, 2014
Helló!
A segítségeteket szeretném kérni!A minap beüzemeltem Kipróbálás céljából egy paradox sp 5500 központot egy mg 32 led kezelővel.Ment is szépen minden míg nem az egyik élesítés után kigyulladt a TBL ill 16 zóna led ez a hiba akkor jön fel ha a kezelő nem kommunikál a központtal.A mai napon újra bekapcsoltam a központot és megjavul de csak kb. 10 másodpercre.A kérdésem az lenne ,hogy a kezelő romolhatott el vagy a központ!? Találkozott valaki már hasonló problémával?
Szia.
Jómagam eddig ilyen hibával nem igen találkoztam, pedig jó párat felszereltem ezekből. Nem szokott könnyen elromlani, persze a ha a túlfeszültség megcsiklandozza... Amikor a hiba feljött, akkor a kezelőn nem is tudtál csinálni semmit? tehát kikapcsolás, hiba megtekintés, bármi nem ment? Hol vetted az eszközöket? Sajna ebből is vannak "szürke-importos" darabok. A központ és kezelő firmware nem megfelelősége miatt lehet gond. Ezen típus megjelenésének idején nekem konkrétan a ZX8-al akadt problémám. (disztribútortól jött, csak még nagyon új modell : ) De firmware frissítés megoldotta a gondot. Kezelőn és központon is lehet. Vezetékezés hogy van megoldva? Egy asztalon van egyébként vagy felszerelted valahova? A hozzászólás módosítva: Máj 22, 2014
Amikor feljön a hiba nem reagál semmire sajnos.Mikor kikötöttem a kezelő kommunikációs vezetékeit és csak a tápot kötöttem rá akkor is ugyan ez a hibajelenség.Amúgy kéz alól vettem de még nem volt felszerelve sehova.Persze az is előfordulhat, hogy pont ezért adták el.Ami furcsa viszont, hogy először működött rendesen.Aztán a hiba fellépése után pihent kb. egy napot és megint jó lett kb. 10 másodpercig és azóta megint bedobta a törülközőt.
Nem szereltem fel az asztalon raktam össze.
Nekem is van egy ilyenem, gond nélkül megy "K32_5_00_006" firmware van rajta gyárilag, ez a legfrisebb egyben.
A hozzászólás módosítva: Máj 22, 2014
Nincs rá szükségem, csak nem találtam seholse a beállítását ezért kérdeztem rá.
Köszönöm a segítséget.
Nézd meg azért, hogy milyen firmware van a kezelőn és a központom. Meglátjuk, van-e hozzá újabb.
Persze lehet, hogy valami hardver gond van vele.
Biztos,hogy hardver probléma van mert tegnap is valahogy észhez tért és amint rövidre zártam az 1 zónát és a com portot rögtön kidobta megint a hibát.Nem tudom megnézni ,hogy milyen firmware van rajta de a központon találtam e V1.00 matricát.
Valahogy jó lenne szoftverrel felcsatlakozni rá és kiolvasni a verziókat.
Az 1. zóna és a COM pont összezárása nem szabad, hogy ilyet csináljon. Hiszen az a kettő együtt egy zóna bemenet. A kettő között mekkora feszültséget mérsz nyitott állapotban? A központ panelen az 5V-ot előàllító stabilizátoron hány volt van? Az AUX kimeneten megvan a 12V terheléssel is? Nem jársz Szeged fele?
Ezzel tudod usb-re csatlakoztatni:
Bővebben: Link Vagy soros portra egy 300ft-os átalakítóval. Plussz esetleg egy soros usb átalakító. A hozzászólás módosítva: Máj 25, 2014
Most újra működik.Ma délután megmérem a feszültségeket.Szoktam szegedre menni néha.
Viszont amit nagyon furcsának találok az az, hogy a kezelőn sem élesített sem hatástalanított állapotban nem jelennek meg a zóna állapotok.Tehát hiába zárom rövidre a zónákat EOL ellenállással vagy egy darab vezetékkel nem reagál rá semmit.Bár lehet ,hogy beállítási probléma van vagy csak én vagyok béna.Az igazság az ,hogy eddig paradox riasztóval egyszer volt dolgom ,de azzal nem volt ennyi problémám.Ezidáig DSC és Crow riasztót szereltem, ill. tesztelés céljából vettem egy Pyronix Matrix riasztót is.De abba még nem ástam bele magam.
Köszönöm a linket.Megpróbálkozom ezzel is, de előtte utánaolvasok.
Ha nem boldogulsz vele és jársz Szegeden, akkor előtte egyeztessünk és segítek neked, megnézem.
Ha a zónák nem jelennek meg, annak lehet pár oka: -Engedélyezni kell a zónát (alapból tiltva van mindegyik) [Zóna beállítások] -Nézd meg a programban, hogy kér-e EOL-t [Rendszer beállítások -> Zóna definíciók] Ezek után a zóna nyitva van, ha: -Nincs rákötve semmi (végtelen nagy ellenállás) -EOL van beállítva, de rövidzár van a bemeneten -Nem EOL értékének megfelelő (1kohm) ellenállást lát Zóna zárva van, ha: -EOL ellenállást lát (programban EOL bekapcsolva) -Rövidzárat lát (programban EOL kikapcsolva) [az EOL nélküli üzemmód NEM AJÁNLOTT]
Sikerült engedélyezni a zónákat és bekapcsolni az EOL-t ill. beállítani a zóna definiciókat.Így már sínen vagyok
Köszönöm a segítséget!
Hello!
MG32LCD kezelőn meglehet nézni a naplót? Nem a riasztást hanem az élesítést és hatástalanítást.
Sziasztok!
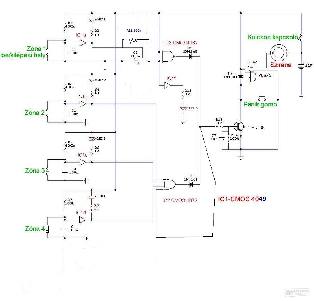
Megépítettem az 5 zónás riasztórendszert, ami itt található az oldalon, kis változtatással! Mivel mozgásérzékelőt szerettem volna, így a buffer helyett inverter IC-t használtam, és egy kis memóriahatást is sikerült elméletben elérnem (elvben)! NYÁK lapon is megcsináltam zeket a változtatásokat, de először azt csinálta, hogy az összes visszajelző led világított, és amikor kikapcsolt a mozgásérzékelő, ami az A vagyis a késleltetőzónara volt kötve, rendesen működött, de a többi folyamatosan világított! Ha a többi zónát összekötöttem, vagyis az érzékelőbemeneteket egy kábellal, akkor elaluddtak, de a B Zóna úgy viselkedett, hogy bekapcsoláskor világított, és csak 1 perc alatt aludt ki. Ez így használhatatlan! Volna valakinek ötlete, mi lehet a probléma? Mellékeltem az általam elkészített rajzot! U.I.: Bocsánat a hosszú szövegért, csak így tudtam elmagyarázni! A hozzászólás módosítva: Jún 9, 2014
Helló.
Szerintem nem tudja. Ha az emlékeim nem csalnak, akkor ilyesmit csak az EVO és Digiplex központok és kezelőik tudnak. Mint tapasztalhattad, már egy kezelői PGM programozás sem lehetséges mindegyik központ család használata esetén. |
Bejelentkezés
Hirdetés |









