Fórum témák
» Több friss téma |
Hali.
7.6V DC-ből hogy tudnám leszabályozni 5V-ra? 2 db ledet szeretnék vele működtetni! Előre is köszönöm!
Hello! Jól érted, de ennek csak akkor van értelme, ha a tápfesz egy Led nyitófeszültségéhez igen közel áll. Mert akkor párhuzamosan lennének kötve. (Persze 100-at nem célszerű párhuzamosítani, mert szép sorba kiégek majd. Vagy is mindegyiknek célszerű külön előtét ellenállást tenni.) Viszont ha a tápfeszültség megengedi, akkor lehet akár több Led-et is sorba kötni, és így az áram is csökken. (Nem írtad sem a tápot,sem a Led-ek nyitófeszültségét.)
Hello! Te sem írtad a Led-ek nyitófeszültségét és áramát sem. Így nehéz bármit mondani.
De az sem mellékes, hogy a táp változik-e és milyen tartományban. Mert ha nem, akkor egyszerű előtét ellenállás is megteszi, nem kell stabi. Ha nem túl nagy a Led-ek árama, akkor lehet egy 7805-el is stabilizálni.
Ez egy telefon töltő. 5V 550Ma van ráírva!
De mégis 7.6V mutat a multiméter. Erre kötök 3 db ventilátort párhuzamosan,és 2x3 ledet összekötni tehát kettesével sorba kötöm a ledeket..
Ezek szerint egyszerre megy minden. akkor a feszültség is állandó lesz. Ráteszed a ventiket a tápra, megméred a feszültségeket, és kiszámolhatod az előtét ellenállásokat és kész vagy.
igen,sajnos ezt nem tudom kiszámolni...
![]() kb 1 V-ot kéne levenni a ledeknek!
Szia! Bocsi, akkor kicsit részletezem: a led 2,2V 25mA. Konkrét táp még nincs, 12V DC tápban gondolkodom, csak az Amper kérdéses... Úgy gondoltam, hogy 3-4-essével sorba kötöm, így kapnának előtét ellenállást is, és lenne 25-30 ilyen sor. A kapcsolási rajza kb. úgy néz ki a fejemben mint egy létra. Bocsi nem vagyok egy elektronikai zseni...
Nagyon jó ez így, lényeg a "létra". Négyesével sorba rakod, akkor a Led-ek nyitófeszültsége 8,8V lesz. Ellenállásra marad 3,2V. 3,2V/20mA=160ohm. Ez kell sorba minden létrafokban a Led-ekkel. Így 25 fok lesz, vagy is az áramfelvétel, 25*20mA=500mA..
25mA helyett számoljak 20mA-rel? Gondolom így a led élettartama növelhető... Akkor akárhány led van egy sorban/fokban csak 1x kell számolni a mA és csak a sorok száma számít?
Szerintem nem olvastál figyelmesen. 20mA-el van számolva. És 100 Led mellett ha négyesével kötöd sorba, akkor 25 létrafok lesz. A soros Led-eken azonos áram folyik (ugyan az a 20mA), így miden egyes létrafok fogyasztása 20mA lesz..
Köszönöm! Én is így értettem, csak nem tudtam jól kifejezni magam! Nagyon szépen köszönöm a segítséget!
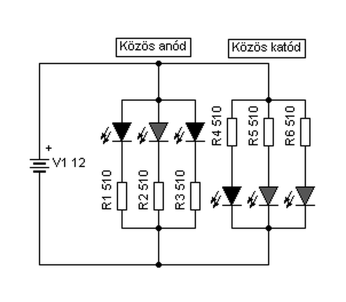
Még egy kérdés... RGB ledek kötése hogy van? Az ok hogy ha anódos, akkor az R G B kivezetések kapják a megfelelő ellenállást. De ha katódos akkor hová kell kötni az ellenállást? Esetleg egy fapados kapcsolási rajz is megteszi (táp+ellenállások+led) köszönöm
Nem egy nagy kaland, de a közösítés miatt ezeket nem lehet sorba kötni.. (Maximum, kettőt, ha az egyik közös anódos, a másik közös katódos..)
Üdv! Teljesen új vagyok itt, épületvillamossági szerelőként. Olyan kérdésem lenne, hogy szeretnék csinálni egy éjszakai, kék fényű ledsort. Adva van egy 24V-os trafó! Ehhez szeretnék ledeket és ellenállásokat vásárolni! Kérdésem a hozzáértőkhöz, hogy mennyi ledet, és ellenállást érdemes venni?
A hozzászólás módosítva: Júl 30, 2014
Szia!
Mekkora a trafó, és mekkora a megvilágítandó terület? Milyen magasan lesznek a LEDek, és milyen mértékű megvilágítást akarsz? Ha nagy területet kell, nagy magasságból akarsz megvilágítani, jobb hatásfokot lehet elérni nagyteljesítményű LED felhasználásával. A transzformátor feszültségét egyenirányítani, szűrni kell, hogy ne vibráljon. Az egyenirányított feszültség csúcsértéke 1,41* 24V lesz, ehhez kell némi ráhagyással szűrőkondenzátort választani, 1A fogyasztáshoz 1000-2000 µF kapacitással. Érdemes a LED áramot 5-10%-al visszavenni az adatlapon megadott maximális áramértékből, attól a fény még nem csökken érezhetően, de a LED élete jelentősen meghosszabbodik, megközelítheti az elméleti 100000 órát. A 24V trafótól 9-10 sorbakötött LED működtetéséhez szükséget feszültséget lehet elvárni, a 32-36 V egyenirányított, terhelt feszültséggel. Az ellenállás értékét a méretező segédprogrammal számíthatod ki. A hozzászólás módosítva: Júl 30, 2014
18VA ennyi adat van csak a trafóra feltüntetve. A helység egy 2*3 méteres padlásszoba lenne, melynek a magassága 2m.
Ha egyenletes megvilágítást akarsz, piranha(straw hat, nagylátószögű, flux) LEDet használj, egyenletesen elosztva, sorba kötve 9-10 darabot.
Ha alvás közben akarod használni, a kék szín nem ajánlatos, mert élénkítő hatású.
Köszi, tulajdonképpen nem alvás közben akarom használni, hanem diszkrétebb megvilágításként. Ellenállások?
Már írta. Méretezővel számolhatod.
bocsi, a leden átfolyó áramnál elakadtam
Hogy mekkora a leden átfolyó áram, ebben az esetben
Akkora áram lesz, amekkorát beállítasz az előtétellenállással. A javasolt konkrét értéket csak a konkrét LED adatlapja alapján lehet megmondani, legfeljebb a maximális nyitóirányú áram 95%-a legyen.
Sziasztok!
Egy lámpába szeretnék 5mm extra fényes ledet tenni. Már megvettem a ledet, az ellenállást, viszont nem tudom, hogy hogyan tovább.. Próba panelbe forrasszam őket, és úgy csavarozzam a lámpatestbe? Ez így megvalósítható?
Sziasztok!
Szeretnék egy kis segítséget kérni. Van egy mennyezeti lámpám, amiben GU10-es foglalatú/kialakítású 3db PowerLED-es 230V-os LED lámpák vannak. Olyan fél éve vannak bent, újonnan vettem, és most a legszélső elkezdett olyat csinálni, hogy felkapcsolás után nem sokkal elkezd villogni. Van hogy teljes fényerőn világít, majd legyengül a fénye, így villog. Villog egy darabig, aztán van hogy huzamosabb ideig nem világít nagy fényerővel, csak halványan világítanak a LED-ek, de vannak hosszabb normálisan működő periódusok is. A többi 3 égőnek és a másik csillárban lévő 4 db-nak semmi bajuk Szerintetek mi lehet a baja? Orvosolható ez valahogy ha szétszedem? Köszönöm a válaszokat és a segítséget! Ezen a KÉPEN láthatóhoz hasonló a lámpa.
Hello! Pont a napokban "kukáztam" egy ilyent a tecsóba. A Led-eknek kutya baja, de a kis kapcsolóüzemű tápban a bizti kiment. Se füst se korom. De olyan pici helyre van bezsúfolva, hogy semmi bizodalmam nincs benne. Még az IC adatlapját sem találtam a hálón. Nyilván valami kínai gyártmány.. Én valószínűleg (ha lesz kedvem hozzá) átalakítom 12V-ra..
szóval ha azt a biztit kicserélném, ami most rakoncátlankodik, akkor elvileg megint jó lenne. Csak a bibi, hogy rajz nélkül azt se tudjuk, hogy mekkora, miféle és még valószínű kiszedni és másikat berakni se lenne egyszerű a kis hely miatt...
Jól értem? |
Bejelentkezés
Hirdetés |












