Fórum témák
» Több friss téma |
Az oldalon van egy segédprogramok fül. Az alatt van 555 astabil multivibrátor. Ha a két piros ledet sorosan a tápfeszültség és a kimenet közé kötöd egy soros ellenállással ( az értéke 1K, vagy az oldalon lévő led előtét ellenállás képlet szerint számolandó, akkor már csak panelt kell gyártanod. ( erre a célra akár egy csupa lyuk panel is elég.) A leded T2 ideig fog világítani. Az ismeretlen C2 meg akár 10-100nF is lehet, értéke nem érdekes, akár el is hagyható. A te esetedben pl 100K 10K 22µF közel jár a kérésedhez.
A hozzászólás módosítva: Márc 30, 2021
Ezért küldtem a HEStore-os panel linkjét. A sok LED-ből valamelyik szinte biztosan jó ütemben fog villogni, csak azt kell kivezetned.
Mivel nincs "válasz egyszerre mindenkinek" gomb, itt szeretném megköszönni mindannyiótok lelkes támogatását, ötleteit, tanácsait.
"sunside" nicknevű kartárs tegnap délután meglepett egy repi-kulcstartóból kimelt és egy plusz kondival megtuningolt lapkával, ami tökéletesen hozza, amit szeretnék. A betápot és a ledek kivezetését rám bízta, szerintem azzal már boldogulok majd... Dunaharasztiba "kellett" csak érte mennem és nem fogadott el az úr ellentételezést. Ezúton itt is még egyszer hálásan köszönöm neki, és mindegyikőtöknek a sok segítséget, örülök hogy bepillantást nyerhettem a "pákalovagok" önzetlen világába.
Mi hogyan kapcsolja?
Ha a villogó működésére vagy kífáncsi: A kondi az ellenálláson keresztül "lassan" töltődik, a tranyó+led-en növekszik a feszültség, a tranzisztor "fordított" polaritással van bekötve, ettől olyan lesz hogy egy bizonyos feszültség felett kinyit (mintha zárlatos lenne), ekkor a led világít, a kondit is kisüti a tranyó, leesik rajta a feszültség és kezdődik elölről
Mint láthatod (ha jobban megnézed a képet) a tranzisztor fordítva van bekötve, most pont az emittere néz szembe a pozitívval.
Minden tranzisztornak van átütési feszültsége, amit meghaladva a bázis vezérlése nélkül is kinyit. Ez (hogy úgy mondjam) normál irányba elég nagy, fordított irányban viszont nagyon kicsi. A bc337-nek például 5V. Lehet, hogy ennek a tranzisztornak is annyi. Amikor a kondenzátor feltöltődött ennyire, hát a tranzisztor kinyit. Kép alul. Na, mire bepötyögtem, meg képet kerestem, már pipi meg is válaszolta .Sebaj, talán a kép még plusz segítség lesz A hozzászólás módosítva: Júl 31, 2021
Mint az előzőkből tudjuk, elég magas feszültség esetén kinyit a "fordítva" bekötött tranyó, vagyis nincs benne csoda
Hát, ha a többi hóbelevancot nem kötöd be, akkor csak világítni fog, villogni nem. De én nem égővel próbálnám azt a villogót.
Ezt megépítettem de akapcsolo bekapcsolására nem kapcsol be a kikapcsolására meg nem kapcsol ki igaz a dioda nélkül építettem meg
A dióda szerepe a tranzisztor védelme a relé rugdosásától, akár el is szállhatott a tranyó az első relé be/"nem"kikapcsoláskor...
De nem is értem amit írsz, ha nem kapcsolt be, akkor hogyan kapcsolna ki?
Az nem jó, készíts kettő tranyóból darlingtont és működni fog. Egyébként a rajz is slampos, mert nem ábrázolja hogy darlingtonról van szó.
Hello!
Az időzítést a kondenzátor végzi. A kondiba bevitt töltésmennyiség, a kondiban egyre növekvő feszültséget hoz létre. Az 1Mohm a töltőáramot szabályozza, így egy időegység alatt bevitt töltésmennyiséget is. Vagy is ezzel állítod az időzítést. Ha a kondi feszültsége eléri a darlington küszöbfeszültségét (ez kb 1,2V) akkor meghúz a relé. Ha a kondi feszültsége ez alá esik, elejt a relé. De ez nem egy atomóra.. Ja, és ez nem is egy villogó, tehát a téma itt off. Ha alapkérdéseid vannak, tedd fel a kezdők topikjában!.. A hozzászólás módosítva: Aug 4, 2021
Darlingtonnal megépítettem, és műkődik. A késleltetett bekapcsolás csak a gomb kikapcsolására, késleltetve kapcsol ki is. Hogyan lehetne hogy rögtön kikapcsoljon?
A megfogalmazás módja, az írásjelek hiánya értelmezhetetlenné tette a hozzászólást. Kérjük, a továbbiakban kellő figyelemmel kérdezz! A hozzászólás módosítva: Aug 26, 2021
Moderátor által szerkesztve
Darlingtonnal megépítettem, és műkődik a késleltetett bekapcsolás. CSak a gomb kikapcsolására, késleltetve kapcsol ki is. Hogyan lehetne hogy rögtön kikapcsoljon?
Használj váltókapcsolót, a kapcsolót tedd át a poti alá, a kapcsoló közös pontja megy az ellenállás+kondira, BE állásban megy a potira, KI állásban egy kisértékű pl 10-100ohm-on keresztül földre. Amikor bekepcsolod, akkor a kondi töltődik a potin keresztül...
Amikor kikapcsolod, a kondit gyorsan kisüti... A kisértékű kapcsolóval soros ellenállás a kapcsoló érintkezőjének védelmére szolgálna...
Hello! Lerajzoltam amit Pipi ajánlott, hátha nem érted. De hozzá rajzoltam egy másik megoldást is, hátha a váltókapcsoló nem tetszik.
De ha szabad megkérdezni, miért még mindig egy Led-es topikba kérdezed, mikor számtalan késleltető-időzítő topik van?
Üdv! 3V-os indexvezérlőt lehet csinálni? Ha igen akkor miből és hogyan. Azzal is megelégedem ha csak vészvillogás fog működni
Hello! Kifejthetnéd bővebben, mi is lesz ez és mihez? Mert én nem értem. Mit szeretnél villogtatni, mekkora teljesítmény mellett és milyen tápról?
kispolski 1:8-as méretarányban és nincs benne index és azt is raknák bele. sima 3V-os elemről működtetni semmi extra. Először sima villogó ledekre gondoltam de ugyebár egy idő után eltolódik a villogásuk.
A hozzászólás módosítva: Nov 8, 2021
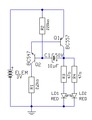
Hello! Oké, így már érthető. A Led-ek soros ellenállásait a Led árama szerint célszerű megválasztani. (A piros vonal egy vezeték átkötés.)
Led előtét. A hozzászólás módosítva: Nov 8, 2021
Idézet: „Először sima villogó ledekre gondoltam de ugyebár egy idő után eltolódik a villogásuk.” Ha picit nagyobb tápot adsz neki, akkor a villogó leddel sorba kötött sima led a villogóval együtt villog, és soha nem mászik el. ( ha kell soros ellenállás, akkor a két leddel párhuzamosan kell egy kondenzátor+ zener is, mert bizonyos mértékű tápszűrés nélkül nem villog.) A hozzászólás módosítva: Nov 8, 2021
3 V-ról villogó LED és vele sorosan kötve egy nem villogó LED lehet semmit nem csinál...
Volt egy pici karácsonyfám, azon két sima meg egy villogó led volt sorba kötve. Egy 9V-os elemről szépen villogtak. ( bár az még első generációs 5V-os villogó és hagyományos ledek voltak)
Hello! Készítettem egy egyszerűbb "olcsóbb" verziót is, hátha ez jobban megfelel. A Led-ek előtét ellenállásait a panelra tettem, de természetesen az lehet a Led-ek mellett is. Vagy közös ellenállást használsz a kettőnek.. Kb. 2,5V-tól már működik.
Most vettem észre, hogy előzőleg rossz file-t csatoltam, így pótolom. Mostanában figyelmetlenebb vagyok.. A hozzászólás módosítva: Nov 9, 2021
Köszönöm a választ. Nekem az is jó volna ha valaki összedobná ha lehetséges mert se alkatrészem meg kellő tudásom hogy összerakjam.
Ha 9 voltos feszültségel is össze lehet hozni akkor úgy is jó. 2 led megy előre , 2 hátra meg 1-1 led az oldalsókhoz. A hozzászólás módosítva: Nov 18, 2021
Hello! Tőlem csak elvi segítséget várhatsz, fizikait aligha.. De azért az nem úgy van, hogy hol 3V. hol 9v..
|
Bejelentkezés
Hirdetés |






.Sebaj, talán a kép még plusz segítség lesz 


















