Fórum témák
» Több friss téma |
Itt egy téma:LED villogtatása zenére
Ez itt a kérdés.
Ezt a kapcsolási rajzot megépítettem, nem jó, kipróbáltam 7 LED-e,l így se jó. Mit csináljak?
Nem tudja mi az.
Rajzolj neki kapcsirajzot (ha idôd engedi). Nem ért a tranzisztorok lelkivilágához, nem tudja hogy elô kell feszíteni, nem tudja hogy kondival le illene választani, stb.
Nézd át azt a témát amit linkeltem. Többek között ott ki van fejtve hogy mi a hibája a rajzodnak.
Átnéztem a témát tényleg hosszan kiveséztétek de nemigazán lettem tőle okosabb.
Tudnál küldeni egy megfelelő kapcsolási rajzot?
Próbáld ki két LED-el és ügyelj a LED-ek polaritására is. Bővebben: Link.
Ebben a kapcsolásban a LED-eknek nincs előtét ellenállása. Szerintem tönkre fognak menni.
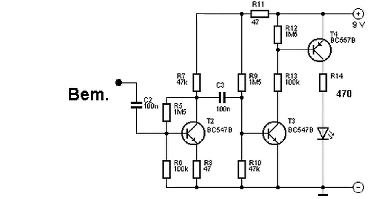
Én inkább ezt ajánlom. A C2-es kondenzátorra kell adni a jelet. A mikrofonáramkört kihagyod. Persze nem te Kadarist hanem VoltsAnimations. A hozzászólás módosítva: Okt 10, 2014
Nem baj, majd a tápegység és a tranzisztor C-E feszültségesése korlátoz. Most az a lényeg, hogy eredményt érjünk el!
Nem tudom, én nem bíznám két LED életét a tranzisztor CE feszültségesésére. Nem olyan bonyolult a LED-ekkel az a soros ellenállás. Mondjuk ha LED-enkét 10 mA-rel számolok akkor olyan 600 ohm körüli ellenállással kell próbálkozni. Nem tudom milyen LED-eket használt, én hagyományosoknál 10 mA-rel szokok számolni, az már látható fényerőt okoz, de nem vakít. Mondjuk én LED-eket csak bekapcsolásjelzésre szokok használni készülékekben. Amúgy mi a baj azzal amit linkeltem. Szerintem sokkal nagyobb az esély a helyes működésre. Ha túl érzékeny lenne akkor a C2-es helyett a C3-as bemenő pontjára kell vezetni a jelet. Megvannak a leválasztások, bázis előfeszítő ellenállások. Az a másik rajz olyan kopasz, rossz nézni. De próbálja meg, más nem két LED-del kevesebb. Bár a leválasztást inkább betenném, nehogy megsérüljön egy esetleges hibakor a jelforrás. Illetve ezt a kapcsolást amit Ő linkelt végfok után kell tenni a hangszóró kimenetre. Szerintem lehet hogy csak szimplán rákötötte a számítógép hangkimenetére, arra szerintem meg érzéketlen ez a kapcsolás.
Üdv!
Megépítettem ezt a kapcsolást. De nem jó, abban kérném a segítségeteket, hogy miért nem jó. Nemigazán vagyok otthon a témában. Válaszotokat előre is köszönöm. A hozzászólás módosítva: Feb 26, 2015
Szia!
Miért küzdöl a rendszer ellen? ![]() 10-ből 12 ember azt mondja, hogy ez a kapcsolás nem jó! Nem elgondolkodtató akkor? Van 2-3 oldallal visszább amik működnek és sokkal jobbak, mint ez a valami. Vegyél ki 3-4LED-et és úgy próbáld meg! A tranyó bázisára adj pozitívot egy ellenálláson keresztül, ha így működik akkor nagy baj már nem lehet, de személy szerint nem kínlódnék vele.
Szerintem már kaptál választ, de leírom:
ad1: Én még életemben nem láttam 1V nyitófeszültségű kék ledet. Ezek általában 3...3,6V-osak. ad2: Itt a tranzisztor csak úgy oda van rakva, sokmindent nem is nagyon tud csinálni... ad3: (Személyes vélemény) Ez a kapcsolás úgy hülyeség, ahogy van. Nincs semmi benne, ami arra mutatna, hogy ezt olyan valaki tervezte volna, aki kicsit is ért az elektronikához. Nagyon hiányoznak az alapok...
Rendben köszönöm.
Tudnál küldeni egy normális kapcsolási rajzot ami működik(ha időd engedi).
Bővebben: Link Nem próbáltam...
Ezt már rengeteget megépítettem és nagyon jó!
Erre céloztam már mióta Neki, hogy ezek jobbak és még használhatóak is.
Mond csak, te olvasol is vagy csak írsz?
Vicsys adott egy rajzot. Én adok még egyet, de most már irány építeni! ![]() Még át is alakítottam a visszább linkelt rajzot, gondolkodni se kelljen vele sokat.
Sanszos, hogy a kapcsolási rajzból sem ért semmit, azért várja az olyan (Móricka) rajzokat, amikben a tranzisztor, a led, stb "képe" van biggyesztve, meg lengő drótok vannak "rátekerve" az alkatrészek lábaira.
De ennyire nem biztos hogy a többi fórumozónak kéne lesüllyednie. A hozzászólás módosítva: Okt 12, 2014
Blugy-blugy...
(szvsz. azért a kapcsrajz jobban olvasható...)
Üdv.
Megépítettem ezt és működik viszont néha elkezd folyamatosan világítani,és nem tudom miért nincs valami ötlet?
Hello! Ha látni lehetne amit nem, vagy tudnánk egy linket mit készítettél, vagy legalább egy fényképet róla, lehet volna akinek lenne ötlete.. De azt sem lehet tudni,kinek írtad amit írtál..
Csináltam egy videót,nemtudom segít-e valamit.Ebben a topicban olvastam róla basszusra villogtatja a ledeket.
A hozzászólás módosítva: Okt 24, 2014
Szia!
Ezzel semmilyen információt nem adtál a kapcsolásról, csak hogy milyen zenét hallgatol. ![]() Kapcsolási rajz? Nem mi keressük már vissza a videó alapján, hogy Te mit építettél meg.
Szia. Ezt alakították át de csak ez a kapcsolás van.
Bővebben: Link Link javítva. -moderátor- A hozzászólás módosítva: Okt 25, 2014
Ez akkor ha át van alakítva, akkor nem sok vizet zavar a link. Rajzold vissza az áramkört, nem egy bonyolult és legalább tudjuk mid van.
Hello segítseget szeretnek kerni ilyen led vezerlot hol lehet venni vagy csinalni mint amit a norbi javitot fel ?,
Szia!
Norbi, hát aki ilyent javított fel.
Hogyha ezt egy mikrofonal epitenem meg jo lene ?
|
Bejelentkezés
Hirdetés |







(szvsz. azért a kapcsrajz jobban olvasható...) 




