Fórum témák
» Több friss téma |
Az bronz.Gondolom a SLED-et (a CD olvasófej szánja) akarod átalakitani.
Kezdésnek nem rossz,ingyen van.Annak a tengelye úgyis ferrites anyag igy gyakorlatilag mindegy ki mit mond,mert azt akarod használni....
Nem egészen mindegy, hogy ki mint mondd, épp ezért kérdezek.
De első galvóm lesz, semmi ábrát nem várok tőle, csak sugárjétékra lenne!
Rendben,de mondtam,hogy nem rossz.Nyugodtan kisérletezz vele.
Csak a másik topicban folytasd.
Üdv!
Menj be egy model boltba és vegyél egy méteres szénszál rudat 2 vagy 3 mm is van a legkönnyebb ehez és nagyon masszív töredéke a fémtengely sújának.
Így lesz, amint kés, jelentkezem! Illetve. 1 vagy 2 mágnest használjak? Olvastam itt ezt is , azt is, nem tudom melyik lenne a jobb. Kis neodímium mágnesekről van szó.
Mindenképpen egy mágnest én a kettővel megszívtam mert hiába van kettő de asúj is nagyobb és nem mentem vele semire csak plussz munka volt.
Nem beszélve arról hogy taszításban kell összeragasztani őket és az sem biztos hogy száz százalékosan egyezik az észak dél csak romlik a teljesítmény. A hozzászólás módosítva: Dec 29, 2013
Köszönöm szépen, holnap elkezdem csinálni!
Nem akarok többet itt kérdezni, átmegyek az X / Y szkenner topikba!
Remélem hosszú életű és tartalmas fórum lesz.
Magyar Lézer Fórum
Sziassztok újra!
Na tehát Adott egy 7812 stab input 24 volt kimeneten maxi 600 mA áram fog folyni nem nagy terhelés. Jelenleg 400 mA terheltség alatt is már kb 70 fok meleg a stab. Ez normális lehet ? egy kissebb méretű hűtőborda is van rajta. Ha jól néztem az adatlapot kibírna 250 fokot is ?
Szia!
Ha jól értelmezem, 24V-ot kap a 7812 bemenete, és 600mA-el lesz folyamatosan terhelve. Az azt jelenti, hogy 12V * 0.6A = 7.2W-ot kell elfűtenie. A 250°C a forrasztási hőmérséklet lesz. ![]() Egyébként pedig a max. hő, amit elviselnek, 150°C.
Köszi a válaszod akkor tehát nem gond egy olyan kb 70 80 fokos hő ?
De azért megduplázom a hűtőborda méretét. Ezek szerint akkor ez normális hogy így melegszik. Sőt a tápot amiben benne van alapból nem is volt rajta borda csak én tettem rá eggyet.
Elvileg nem baj, de hosszútávon biztosan nem jó.
Ekkora disszipáció mellett borda nélkül (írtad hogy nem volt rajta), csoda hogy még működik! A hozzászólás módosítva: Dec 30, 2013
Tegyél elé egy 7818-at, és nem fog fűteni, persze ha van hely hozzá! Nálam is van olyan panel, amiben így megy évek óta 800 mA-el terhelve!
Vagy ha módodban áll,használj kapcsolóüzemű stab IC-t.
Nekem az LM2576 sorozat nagyon bevált.
Sziasztok!
Minden Lézeres Amatőr És Profi Forumozonak Boldog Új Évet Kívánok. Tybord
Előszöris előre is BUÉK!
Átalakítottam a tápokat tök jó lett és mindegyiknek elég az 5 volt. betáp A probléma az hogy a dac alapból ha nincs bedugva a pc be negatívba billenve ad ki 5 voltot tehát -5 v így akartam belőni az áramgenerátorokat a diódármivel így megvan a csuma fesz a dac kimenetén. De mivel negatívban jön ki alapból így ha feltekerem az áramgenyát egyszercsak felugrik 1,7 amperre ami érdekes mert oké hogy a generátor negatívban nem szabályoz de mi veszi fel az 1,7 ampert mert még a lézer sem világít olyankor. Valamelyik alkatrész? Pozitív irányban ok minden. Nem tudom hogy normális e hogy a dac ha nincs rákötve pc akkor kijöhet e fesz belőle úgy hogy meg is hajt akár egy ledet kimeneten ként. vagy a TL dupla tápja miatt bármerre elszabadulhat ? előre is köszönöm a választ Idézet: „TL dupla tápja miatt bármerre elszabadulhat” Erre gyanakszok én is.Mivel csak a referencia van jelen,de a DAC önmagában nem ad ki megfelelő jelet,csak ami vezérlő jel nélkül bekapcsolt állapotban van. A kimenet valószinüleg valamiféle lebegő állapotban kerül. Ám nem elvileg nem szabadna.Egyáltalán,a lézermeghajtók miért szimmetrikus táplálású bufferről kapnak jelet? Ezért is fontos,hogy a lézered soha ne legyen bekapcsolva anélkül,hogy a DAC ne üzemelne. Az áramgenerátort pedig beállithatod egy külső 5V-os forrásról is.Ehhez nem kell DAC. 5V-ot úgysem ad a DAC szinkimenete,igy némi biztonsági tartalék is lesz.Amit ne szó szerint érts,hanem a DAC max 4.9V-ot ad le,de Te 5V-on kalibráltad,igy ennyivel a max alatt lesz.Biztonsági tartalék,nem tudom másképp nevezni. Idézet: „ha feltekerem az áramgenyát egyszercsak felugrik 1,7 amperre” Ennek semmi köze a negativ kimenőjelhez . Inkább maga a driver hibája ha hirtelen ugrik fel az áramerősség! Valahol bibi van. Nálam is előfordult pl mikor a FET gate ellenállásnak véletlen 10 ohm-osat használtam (100-220 ohm helyett) Néhány száz milliA -ről hirtelen ugrott 3A-re.Szerencsére a kisérletek alatt volt,igy csak a műterhelést fűtötte fel. De a Te esetedben arra a dióda gyilkos áramkörre gyanakszok. Rettenetes a feszültség leosztása.Néhány millivolt szabályzás többszáz mA változtatást idéz elő.Rémes.... A hozzászólás módosítva: Dec 31, 2013
Oké de miért nem világíytott a lézer amikor felment az amper hisz azon keresztül mértem az áramot.
utána rákötöttem a sima 5 voltos tápot a bemenetre és teljesen jól lehet szabályozni . Ráadásul nem is szált el a dióda mert ugyanúgy működik ha meg azért nem világított volna a lézer mert ha hirtelen ugrástól elszált akkor most nem világítana ilyen szépen. A hozzászólás módosítva: Dec 31, 2013
Leforditom magamnak:
A DAC PC kommunikáció nélkül furcsa mód negativ előjelű feszültséget adott a szin kimeneten. Ezt a feszültséget (tehát kvázi polaritás forditva)kötötted az áramgenerátorra,ami szimpla 5V-os tápról üzemel. A potmétert feltekerve az áram megugrott,de a lézerdióda nem kezdett el világitani,se füstölni.Vagyis még jó.Ezt irtad. Az áramot közvetlen a FET és a dióda közöt mérted:1.7A. Ám ismétlem,az átfolyó áram hatására a dióda mégsem világitott.(forditott polaritás?) Mivel még ép a dióda(úgy néz ki) a továbbiakban figyelj oda jobban,lehet legközelebb nem lesz szerencséd. Az sem ártana,ha bemutatnád milyen DAC-ot használsz,talán könnyebb visszavezetni a negativ kimenőjel eredetét. A hozzászólás módosítva: Dec 31, 2013
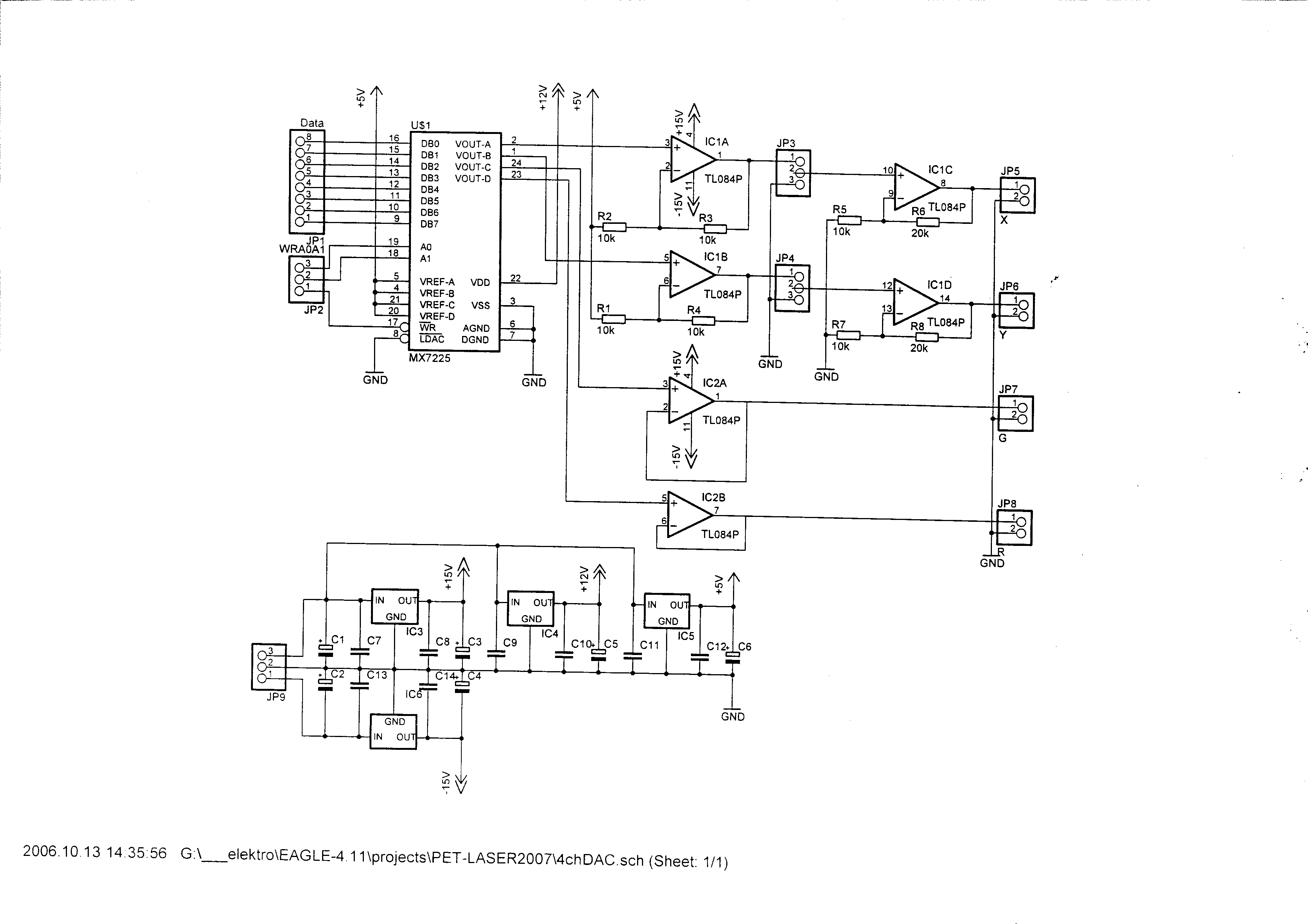
Közben meg lett a dac problémája ez egy petics által tervezett LPT dac 8 csatornás amiben 4 csatorna négy csatorna úgy van kivezérelve hogy lehet +- irányban változzon 5 voltig.
Viszont a másik négy kimenet vezérelné a lézereket 0-5 voltig haaa lezárom a beleépített jumper helyekre a jumpereket ami lezár egy 10 K ellenállást és máris csak 0-5 volt fog kijönni plusszban. A szupepe áramgenerátorát használom annak még van egy védő dióda az LD kimeneten lehet hogy az védte meg és az vitte a nagy áramot.
A reverse irányban folyó áram azon a védődiódán valószinüleg sokkolta azt,majd cseréld ki.
Ha van lehetőség az asszimmetrikus jelre a szinekhez,akkor javaslott annak a használata. Nem tudom amúgy minek szimmetrikus kimenet az áramgenerátoroknak....Mert még ha olyan lenne az is. Örülök hogy helyreálltak a dolgok.
ez csak azért volt így megcsinálva hogy a 8 csatorna közül a másik 4-en is lehessen kívánság szerint szervo erősítőt üzemeltetni ha netán úgy tetszik.
Tehát az első négy kimenet az mindenképpen csak galvo vezérlésre jó a másik négyet pedig így lehet alakítani.
Itt van egy kép a dacról!
A Ház jobb felső sarkában találod. Ez ugyanez a projekt egy régi változata csak akkor egyéni gyári és maszekon megépített modulokból de a többi ugyanaz nameg a ház most más. A hozzászólás módosítva: Dec 31, 2013
Emlitetted a peti nevet,igy azt feltételezem annak a szupepének az fejlesztését használod még most is:
Bővebben: Link
Nem ezt csak hasonlót.
Az enyém TLC7226 ból van építve és abból is két darab Az legalább nem több ezer forintos dac mint az MX7225 mert az ökör árű A hozzászólás módosítva: Jan 1, 2014
Ha lehetőséged van rá akkor használj valamilyen gyári dac-ot, vagy vezérlőt, meg fogod látni a különbséget. Pld: fyesta, vagy moncha, vagy valamilyen profib usb-s dac-ot.
tybord üdv
Amúgy a Pety féle áram gen, nálam már kb 10DB Lámpában nagyon jól szuperál kicsi átalakítással de a mai napig ezt a kapcsolást használom mert nekem nagyon stabil és még nem volt semmi bajom vele,
Üdv! Buék!
Megkérdezhetem milyen átalakítás ? Én meg ara gondoltam hogy bár nem sűrűn történik ahogy én jártam a fordítot bemeneti polaritás de sorbakötök egy diódát a bemenettel és megvan oldva a probléma. |
Bejelentkezés
Hirdetés |




De első galvóm lesz, semmi ábrát nem várok tőle, csak sugárjétékra lenne!







