Fórum témák
» Több friss téma |
Fórum » LM1036 sztereo hangszínszabályzó áramkör
Témaindító: Krajcsooo, idő: Máj 29, 2006
Témakörök:
Én 0,4-0,8mm közötti sávokat használtam.
Szintén fotózással A4 fénymásoló papírra nyomtatva, olajjal átitatva majd UV alatt világítva. Sosem volt alámarási gondom. AutoGND esetén figyelj arra, hogy ne legyenek sehova sem vezető szigetek. És tarts kellő távolságot. Idézet: „Túl vastagak a vezetősávok?” Oké. Rosszul fogalmaztam. Fölöslegesen vastagok (hamár a vastag szót használod).
Nah akkor...kezdjük ott, hogy nem tudom mi azaz Auto GND
![]() Ha arra gondolsz, hogy teljesen zöld alapon dolgozok(tehát megvan hagyva a fólia a panelen mindenhol...) az csak azért van mert a fekete sötétben bántja a szememet... A valóságban ott le lesz marva a fólia(terveim szerint) Ha nem ez az auto gnd, akkor nem tudom miről van szó épp ![]() A problémám leginkább az NE5532 elrendezésével van. Az igazság az, hogy az is megfordult a fejemben, hogy panel -a panelen megoldást alkalmazok Pin tűs csatolással. Így külön kicsi panelre mehetne az előerősítő rész, amit tűkkel csatolok (valahol ahol van hely) az LM1036 paneléhez. De a probléma a méretekkel van, hogy hogy építsem fel az előerősítő részt. Mert ugye itt nem mindegy mely sávok mennek egymás mellett(gondolom én). Annyi tapasztalatom van ezzel kapcsolatban, hogy egy hasonló hangszínszabályzós TDA IC panelt már csináltam, amin esztétikusan egymás mellett futottak a bemenetek és áthallásos lett a cucc, így egyben eldobós is... Na most ezt nagyon elkerülendő fordultam hozzátok
Inkább gyakorold a NYÁK tervezést, de NE vezetékkel kösd össze az NE5532 és LM103 -ot!
"autoGND" mikor az üres helyeken meghagyod a fóliát és földhöz van kötve. Ha csak azért "zöldelsz mert jobban látod akkora azt ne linkeld be mert mindenki az "autoGND"-t látja benne mert az is. Akkor kapcsold ki és úgy küld képet róla.
Ja értem, bocsi.
Na szóval, hogy érzékeltessem min vagyok fennakadva.(Kép)[ az előfok rész még nincs kész, de mőár majdnem akkora mint az egész hangszínszab.) A probléma, hogy nem tudom helytakarékosan gazdaságosan felépíteni az előerősítő fokozatot.(meg egyáltalán általában az összes Dip8as áramköröket.) Gyanítom a kevés alkatrész miatt törekednék a lehető legkisebb helyigényre, és ez valahogy sosem jön össze sajna(úgy tl071-72 vel sem, mint ezzel) Nincs valami praktikum erre, hogy hogy kötögessem őket, hogy kisebb helyen is elférjenek?
[off]
Ez már nyáktervezési kérdés. Amúgy... Ehhez kell a tervezési gyakorlat. Én is sokat küzdök, hogy minnél kisebb legyen egy-egy panel, de ezt azért behatárolják az alkatrészek méretei is. Persze ellenállás és dióda elég "rugalmas" még átkötésnek is. ![]() Az előbb linkelt előerősítőm 6x9 cm. Nem a legkissebb és nem egy este rajzoltam meg.
Hát igen...én sem az első nyolc órámat töltöm el vele(negyediket)
Folytatom, próbálom, alakítgatom. Majd mg jelentkezem a következő adag kérdésemmel ![]() Köszönöm az eddigi tippeket, segítségeket mindenkinek!
No asszem megoldottam a problémát.
(remélem sikeresen) Ha valaki ráérne és esetleg átnézné még egyszer nekem hátha elkerülte valami a figyelmemet, megköszönném. Az LM1036-os rész a nagyított (nem rádiótechnikás) változat alapján készült, ezért a kondik értéke eltérhet az NE-s fokozatétól. Ez elvileg nem baj. A másik kérdésem: A kondenzátorok milyen típusúak? (a bemeneteken fólia az addig oké) A többi elkó? sima bipoláris? Vagy miféle?
A "+" jellel kiegészített kondenzátorok elkók. A mértékegység nélküli kondik pF-ban értendők. Az NE5532 nyákterve teljesen rossz.
Miért, mi a gond benne?
A kapcsolás szerint építettem...elvileg...
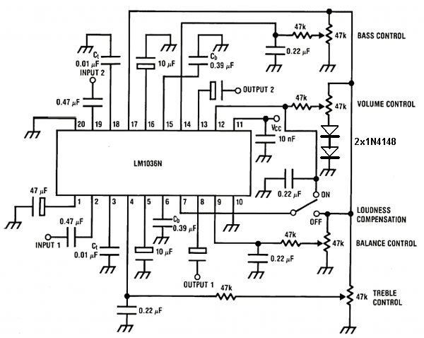
Nézd meg mi van az IC egyes lábaira kötve, vesd össze a rajzzal. A 7. láb pl. üres
Úúúúúúúúúú tényleg!!
basszus! H azokat bekötöm szépségesen jó lesz? Többi lába okés (csak mert szerintem az)
Kérlek nézd át lábról-lábra. Rá fogsz jönni a többi hibára is. Nagyon hosszadalmas lenne magyarázgatni. Ha elakadsz, azért szívesen segítek.
Igen, időközben észrevettem, hogy kezdhetem előlről...
![]() No de most kajak jó lesz ígérem ,majd jelentkezem
No újra itt vagyok, mindnyájatok nagy örömére
![]() Az a problémám, hogy ami alapján az LM1036-os fokozatot építettem nem egyezik lábkiosztásban az általatok tárgyalt kapcsolással (szerintem). Mert ugye az NE5532-től megy egy vezető a 17-es láb felé és egy 10k -s ellenállással kapcsolódik hozzá. De az én verziómnál a 17es láb megy a potikhoz... Na most akkor mi van, hova kössek mit és hogyan?
A 78L05 lemaradt. Arról mennének a potik, az LM1036 17. lábáról pedig jönne a műveleti erősítőnek a fél tápfesz.
Ezt a féltépfeszes beállítást egyáltalán nem értem, el tudnád majd magyarázni nekem ha ráérsz? esetleg ha holnap írod le vagy privátba, nekem úgy is jó, de nagyon érdekel, hogy hogy is lesz elég egy pozitív oldal a műveletinek meg az IC-nek a földfüggetlen táp helyett
![]() Top oldali szerelvénynek jelöltem a módosításokat és kötéseket. De még Eeeeeelvileg(????) most már jó
A féltápfesz és a test között van a műveleti erősítő negatív tápja, a féltápfesz és a +12V között pedig a pozitív. Az LM1036 nem igényel szimmetrikus tápot.
Látom kezdő nyáktervező vagy, ahhoz ez elég nagy falat. A helyedben lemásolnám valamelyik bevált elrendezést, vagy segítséget kérnék a készítőjétől. Bővebben: Link
Itt van amit én jelenleg használok.
Az alkatrészek méretei: 1% 0,6W ellenállásokhoz (vigyázz van amelyiket állítva terveztem) Elkók RM2,5 6mm Fólia kondik RM5 4x8mm A bemeneteken nyákba forrasztható csavaros sorkapocs. A hangerőszabályzó két diódája ezen még nincs rajta viszont tüskékkel kivezettem a loudness kapcsolót. Végeztem pár módosítást, de ez is tökéletesen működik. Nagyon fontos a tiszta és JÓ forrasztás!!!
úú köszi!
Ezzel felvetődik nekem még néhány kérdés. Lehet hülyeség de mégis. 1. c2-7-29-30 az milyen típus?(RM??) Csak mert gáz ha legyártjuk a nyákot és nem megy bele amit beletennék ![]() Ja meg egy olyan dolog, hogy passzív bemenetválasztót terveztem építeni még mellé, a lényeg, hogy azon a hangerő szabályozó poti LIN vagy LOG?
Azok kis kerámia kondik. 22 pF!!!
De minden alkatrész méretet meg tudsz mérni pontosan a sprintlayout-ban ![]() Szabályzó potik lineárisak. Javaslom, hogy az NE5532 táp lába közelébe tegyél egy 10-100 nF kerámia kondit ez még az én tervemről hiányzik. R2-R7 az nálam egy 47k sztereó poti. Így 0-2,5x között tudom állítani az előerősítést. Értékek ez alapján: http://www.hobbielektronika.hu/forum/files/55/5577a52635d5fe8d98d15...57.jpg Figyelj rá, hogy a két dióda sincs még a tervemen a hangerőszalyzón. Az én a vezetékbe építettem. Mindját adok képet is.
Két kép a jelenlegi állapotról.
ájájáj
![]() Reloop azt írta az érték nélküli kondik nanósak (c2-7 stb) Akkor most nano vagy piko? Mert a tervben meg nincs odaírva és asszem nem mindegy ![]() "A NE5532 tápláb közelébe" ezt hogy érted? közelébe? Sorosan bele vagy mi?
Kötve hiszem, hogy Reloop ílyet írt volna.
Ha nincs utána métékegység akkor a legkisebb érték. Kondinál pikoFarad ellenállásnál Ohm. Párhuzamosan, hogy megszűrd az NE5532 tápját. Táp és föld közé. Nem létkérdés mert mint írtam nekem is annélkül megy most, de a végleges panelra már ráteszem. SZERK.: Közben megtaláltam és reloop ezt írta: A "+" jellel kiegészített kondenzátorok elkók. A mértékegység nélküli kondik pF-ban értendők.
Szia! Bővebben: Link
Valóban ezt írta, elnézést mindkettőtöktől!
Még egy kérdés: a paneleden a kiálló rézcsavar mellett, balra a téglatest kondik pontosan mifélék? Mi annak a megnevezése? (elvileg c19 100nF) Meg a kékes kockák mik?(az meg elvileg c12-13 10n polarizált?) Mert nem sima elkók az tuti.
Fólia kondenzátorok.
Bővebben: Link
Köszönöm a segítséget, megpróbálom így az alkatrészvásárlást.
(meg persze megméregetem a nyákterven a méreteket) Ma már próbálkoztam a beszerzéssel, csak sajna infók híjján ez nem ment teljesen.
Sziasztok.
Segítséget kérnék tőletek. Megépítettem a hangszínszabályzó és olyan probléma van vele, hogy a kimenete veszettül búg és az ic is melegszik. Van ötlete valakinek mi lehet a gond?
Szia! A tápját mivel szűröd? A melegedés bizonyos határig normális kb. 0,6W-ot fűt.
Csak sima 12v-ról megy. hang semmi nem jön ki rajta csak a búgás. számítógépről hajtom. Egyébként ezt csináltam meg.
|
Bejelentkezés
Hirdetés |


















