Fórum témák
» Több friss téma |
Hello, a 0,4 ohm nem feltétlenül rossz. Már nem emlékszem az enyémre, de húzd már le az egyik szálat és úgy mérj rájuk mert kb. 2 menet a tafóból össz-vissz, amit könnyen zárlatnak vélhetsz.
Ugyanis ami két vezeték megy a magnetronhoz, az a katód fűtés, mindkettő a katódra megy. Az anód a mikró testre van kötve. A katód és anód között jó esetben igen nagy(v. végtelen) ellenállást fogsz mérni. Ha a hangja olyan volt mint korábban, általában a ventit hallod, egyébként a trafó búgása is feltűnő, de sokan azt már nem veszik észre. Keress rá a trafó primerére, nem hiszem hogy könnyen össze lehet téveszteni. Valahogy tedd rá a multiméter végeit a két egymás melletti kivezetésre. Állítsd max hőfokra és indítsd el pár másodpercre. Ha itt mérsz 230V-ot akkor a trafóig eljut az áram, és tovább kell keresgélni. Ez esetben állítsd át műszered árammérésre, legalább 20A-es méréshatárral kell rendelkeznie. Kösd sorba a primer egyik kivezetésével, és úgy mérj áramot. Ha 6A-nál több akkor zárlat(pl. dióda, kondi), ha 2-3 A - nál kisebb akkor a magnetron nem üzemel és csak a trafó üresen jár, ha nulla akkor szakadás van a trafóban. Ha 10A-nál több akkor a trafó zárlatos. Ja és egy jótanács, lehetőleg legyen valaki aki segít(időben áramtalanítja a berendezést), mert tényleg veszélyes...
Üdv!
Köszönöm a gyors választ zombeenak és Hodinkának Úgy néz ki akkor mellettem volt az őrangyalom mert valóban a magnetron kondijára mértem rá Na de most már ezzel is többet tudok. Most akkor az jó volt vagy sem az a 0 V? Elvileg üzem közben a trafó hangját is lehet hallani ahogy búg vagy nem? A relét abból is gondoltam hogy működik mert indítás után kattanik. Üzem közbe se mindíg megy a trafó vagy tévedek? Mert használat közbe is szokott időnként jobban búgni meg kattani(gondolom a relé). Nem folyamatosan megy a trafó vagy rosszul gondolom?Vagy a magnetron nem fűt mindíg? A magnetront úgy mértem hogy le volt húzva a csatlakozó róla. A multiméteremmel sajnos csak egyenáramot tudok mérni. Elvileg ha a trafó zárlatos akkor a biztosítékot nem verné ki?:S Vagy nem látszana rajt égés?
Hello!
0V a kondin kicsit kevés, kb. 4-5000V ami kellene rajta lennie. Üzem közben nem mindig megy a trafó, mert a fokozatkapcsoló ki/be kapcsolgatja mechanikusan. Nincs ott semmi relé, legalábbis általában nem relé végzi a fokozatkapcsolást. Normális üzemben is búghat, meg ha zárlatos akkor is. Ha zárlatos a szekunder tekercs, akkor nem fogja minden esetben kivágni a biztosítékot. Nekem pl. 10A-es biztivel(eredetileg 8A volt) és 17A-es áramfelvétel mellett kb. 10 másodpercig bírta... Ha "csak" 12A-t vesz fel lehet hogy le se vágódik a biztosíték, ezért kellene rámérni a primer áramra...
Üdv!
Megpróbáltam megmérni a primér oldali áramot. Bekapcsolás után a szekunder oldalon azt nem láttam konkrétan h hol de ív keletkezett. Nem tudom mi történt. Reflexből gyorsan áramtalanítottam a rendszert. Sztem nem nagyon kockáztatok. Nem foglalkoztam soha mikroval. Hagyom ezt az örömet a szakembereknek. Ha esetleg van tipp erre a hibára akkor azt szívesen várom Köszönöm a segítséget! Sztem bontásra lesz ítélve a dolog
Hello!
Legegyszerűbb módja megállapítani megy-e a trafó és a kondi, ha lehúzod mind két vezetéket a magnetronról, elindítod a mikrót 2-3 másodpercre.Ezután gyorsan kihúzod a konnektorból majd az egyik szálat egy 1000V-os fogóval lenyomod testre, majd végigcsinálod az egészet újra és a másikat is letesteled egy pillanatra.Ha szikrázik egy picit akkor tuti rossz a magnetron.
Szerintem meg a trafó zárlatos a szekunder oldalon.
Tipikus hiba, a gőz és szennyeződések a szellőző járatokon eljutnak odáig, és egy idő után kikezdik a trafó szigetelését. A szekunder tekercs szokott áthúzni, mert ott van nagyfesz. Trafócsere szerintem megoldja a problémát. Hogy megállapíthasd a hibát, ki kell bontanod a trafót, és ha nem tudod kimérni akkor egy szakavatott ember(mint pl. én) percek alatt ingyen(v. sörért) kiméri neked. Nem lehet 100%-osan kimérni, de ahol már áthúz ott gond van... Nyáron kaptam két rossz mikrót ajándékba("csak már vidd a p*csába") alapon, a jobb állapotban lévő, újabb példánynál megállapítottam a trafóhibát(17A-t vett fel), a másikat szétbontottam, fúrás a csavaroknak, trafó be, kis forrasztás az eltérő csatlakozások miatt, és kész. Azóta is működik...
Üdv!
Egy ilyen trafó mi pénzbe kerül? Érdemes foglalkozni a dologgal?
Attól függ mennyire érdekel a dolog.
Egy műhelyben kb. 3-4 ezerért megcsinálják, egy szerviz már jóval többet kér. Ha magad akarod megcsinálni akkor irány a vatera! Általában égészben adnak et rossz mikrókat, szét nem bontják. Ha mégis találsz bontott trafót, fontos hogy a méretei és teljesítménye hasonló legyen. Ja, és így sem biztos hogy működni fog, mert lehet h. a kiárusított mikróban is a trafó szállt el, vagy a tiédnek más baja (is) van. Akkor tanácsos foglalkozni vele ha tényleg érdekel a dolog, és feltett szándékod a készülék megjavítása.
Üdv!
Szerintem azért megkéne mégegyszer próbálnod a trafót beüzemeltetni,hogy biztosra menj azzal,hogy a szekunder menetzárlatos,ugyanis az Iv máshonnan is származhatott,például:mivel a 4 menetes fűtőtekercsen nagyfesz halad át előfordulhat olyan is,hogy átüt a vasmagra,neked pedig úgy tünhetett mintha a szekunder Ivelt volna át,főleg,ha nem vagy benne biztos,hogy pontosan hol is láttad,külömben is a szekunder elég csúnyán szokott füstölni amikor átüt. A legegyszerűbb,és szerintem egyben a legjobb módja a trafó letesztelésére,úgy történik,hogy húzz le róla minden csatlakozót,és a primerre egy darab kábelen keresztül(gondolom találsz othon),adj rá 230V-ot,egyenest a konnektorból,ha csöndben dorombol,akkor máshol lesz a baj,lényegében nincs mit veszItened,szerintem egy próbát még megér,persze a trafótól tartsd a kellő távolságot.
Sőt, az sem árt ha a próba idejére kiveszed a mikróból.
Csak 4 csavar. Biztonságosabb mint ott bent matatni. Azért egy dologra vigyázz: a trafó a test a szekunder egyik kimenetére nézve: Olyan helyre tedd ahol nem ér hozzá fémes rész(pl. száraz gyúródeszka), és még véletlenül se érintsd meg a trafót! Egész halkan búg ha nincs baja, bár a gyúródeszka felerősítheti a hangot...
Sziasztok,
új vagyok a fórumon. A jelenség a klasszikus "hirtelen nem melegít a mikró, tányér forog, venti megy, világítás megy". Szétszedtem, a relé kapcsolgat, addig tehát feltehetően jó. Javasoltátok, hogy ilyenkor a nagyfesz biztosítékot kell ellenőrizni. Ami elszomorít: ilyet nem találok sehol. Ez elképzelhető? Köszi Dávid
Egy kis műanyag tokban szokott lenni, a trafóból kijövet.
Hirtelen nem melegít: katód is átéghetett(húzd le a magnetron két drótját, és mérj ellenállást rajtuk. Dióda is átüthetett, és a fokozatkapcsoló is leéghetett... Kezdd mindig a legegyszerűbbel, úgy nem lehet gond. Ha nem találtál semmit, akkor a következő lépés: kap-e a trafó áramot? Búg? Ha igen, akkor mennyire? Mennyi áramot vesz fel? A trafónál elég egy kis menetzárlat a szekunder oldalon, lecsökken a fesz a magnetron gyújtófeszültsége alá de a biztit még nem vágja ki, ez az egyik legalattomosabb hiba. A másik még alattomosabb, ha leégett a megnetronod, de hogy ezt megtudd, minden más hibát ki kell zárnod...
Láttam képeket is a biztosítékról (fórumokban, vaterán, stb) de nem találtam semmi hasonlót. Hamarosan meg fogom tudni mérni a magnetron ellenállását (ma csak azt hoztam be a munkahelyre, itt elvileg van valahol egy multiméter elő kell keríteni). Áramot, feszültséget mérni nem nagyon akarok (elég amatőr vagyok, jobb a békesség). Trafó búgásra nem figyeltem fel, bár előtte se nagyon tűnt fel hogy búgott volna valamennyire.
Esetleg valaki a XVII. kerület környékén, aki a méregetésekben tud segíteni (sör, stb. fejében)?
20 Ω körül van a magnetron ellenállása. Ezek szerint az jó? A végén a fémsapka teljesen jó, nem lyukas, nincs elszíneződve.
Üdv!
Elsőként húzd le a trafó primerjéről a csatlakozókat,majd kapcsold be a sütőt melegItésre,és ellenőrizd rajtuk a feszültséget(230V).
Jó ötlet, holnap kipróbálom. Ami még eszembe jutott: megmérni a trafót hogy nincs-e rövidzárlat a két oldal között, illetve a kondenzátornál szintén ellenőrzöm majd (persze kihúzott, egymástól elválasztott állapotban).
Ja!és mellesleg,ha nincs multimétered,a csatlakozókon leellenőrizheted egy 100W-os égővel is.
Itt nem az égő teljesItményéről,vagy tIpusáról van szó, megteszi bármilyen más is,csak 230V-os legyen,és lehetőleg 500W-nál ne legyen több,egyébként meg csak a multiméter helyetesItésére adtam egy ötletet.
Mellesleg nálunk még kapható mindenhol dögivel.
Elvileg jó a 20 ohm.
Ha végképp reménytelen lesz a dolog akkor én a XI. kerületben vagyok megtalálható...
Köszi a tippet, multiméterrel megmértük a munkahelyen.
Tehát a magnetron jónak tűnik.
További fejlemények: a kondenzátor 10MΩ-osnak és 1,03ľF-osnak mutatta magát, tehát ez is jónak tűnik (rajz szerint párhuzamosan van kötve az ellenállás a kondenzátorral belül). A trafó is jónak tűnik, 5 és 4Ω körüli a tekercsek ellenállása, szakadás és rövidzár sincs. Ezek alapján jó a magnetron, a trafó és a kondi, tehát: szerintem nem kapja meg a (z ex-) 220-at. Tipp: rossz a relé. Bár behúz, lehet hogy elégett a felülete. Javítsatok ki, ha hülyeségeket beszélnék. zombee: kösz a felajánlást, meglátjuk, mi lesz a vége.
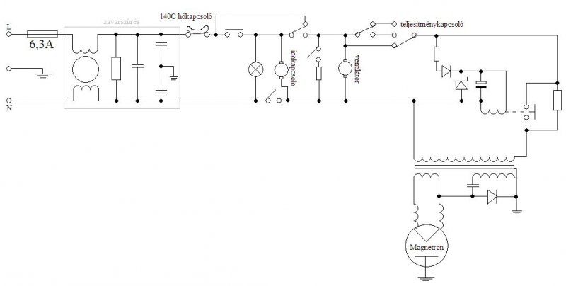
Suliban volt egy szétbontható mikro,a burkolat alatt kapcsolási rajz.Valakinek még jól jöhet.
Idézet: „Köszi a tippet, multiméterrel megmértük a munkahelyen.” Jó,hogy megmérted,de mi a végeredmény? Idézet: „A trafó is jónak tűnik, 5 és 4Ω körüli a tekercsek ellenállása” A trafón 4-5ohm legfeljebb a primeren lehet,a fűtőtekercs 0 ohm,a szekunderen pedig 75ohm körüli értékeknek kell lenniük. Idézet: „Ezek alapján jó a magnetron, a trafó és a kondi, tehát: szerintem nem kapja meg a (z ex-) 220-at. Tipp: rossz a relé. Bár behúz, lehet hogy elégett a felülete. ” Ezért ajánlottam első lépésként megmérni a feszt a primer csatlakozókon,Igy kiderült volna hogy jó-e a relé,különben meg,ha behúz azmár egy jó jel az irányItópanelra nézve.
Sziasztok!
Van egy PANASONIC digitális vezérlésü, kijelzésü microsütőnk és főztünk benne egy kis rizset ugy 15 percig max fokozaton (900W) és mikor kikapcsolt akkor akkor a kijelzője nem mutatott semmit, és mikor ujra be akartam kapcsolni akkor sem indult el. Megnéztem benne a biztiket de azok jók . Nem megy sem a venti sem a világitás. Viszont elég meleg volt a készülék a magnetron oldalán, de égés füstölési nyomokat nem találtam. Valaki esetleg tudna e segiteni hol folytassam a hiba keresését.
Szerintem nézd át az alimentálását a készüléknek,elöször.Néz át minden kondit félvezetöt tranyot,lehet hogy elszalt valami,ha maxin próbaltad a rizset melegiteni.Nézd át az áramköröket is hogy nincsen megszakadva valamék.sok szerencsét hozá!.
Azt szeretném még megkérdezni mi az az alimentálás.
Nem vagyok szakmabeli, gondolom ez egy szakszó lehet. Köszönöm a segítséget.
Szerintem előbb várd a csodát(mikró kihülése) és lehet újra működni fog, vagy ha nem akkor hőbiztosítékot célszerű keresni. Az oldhatott le hosszas működtetés után.
|
Bejelentkezés
Hirdetés |




Úgy néz ki akkor mellettem volt az őrangyalom mert valóban a magnetron kondijára mértem rá
Na de most már ezzel is többet tudok. Most akkor az jó volt vagy sem az a 0 V? Elvileg üzem közben a trafó hangját is lehet hallani ahogy búg vagy nem? A relét abból is gondoltam hogy működik mert indítás után kattanik. Üzem közbe se mindíg megy a trafó vagy tévedek? Mert használat közbe is szokott időnként jobban búgni meg kattani(gondolom a relé). Nem folyamatosan megy a trafó vagy rosszul gondolom?Vagy a magnetron nem fűt mindíg? A magnetront úgy mértem hogy le volt húzva a csatlakozó róla. A multiméteremmel sajnos csak egyenáramot tudok mérni. Elvileg ha a trafó zárlatos akkor a biztosítékot nem verné ki?:S Vagy nem látszana rajt égés?

