Fórum témák
» Több friss téma |
Véletlenül találtam egy másikat, negyed áron 155Ft-ért, talán ez még jobb is: Bővebben: Link?
A hozzászólás módosítva: Jún 29, 2016
Ez is jó lesz. Nem azon a pár forinton fog múlni. Ahonnan egyszerűbb beszerezni, onnan vedd.
Egy helyen van, csak szerintem ezeket nem vitték, mert 2200nF van feltüntetve
és a kereső nem dobja ki 2,2µF-re. Gondolom ezért értékelték le. Remélem nem lesz motor hiba, van olyan is, hogy egyszerűen leold és szabadon fut a motor. Ez után vár egy kicsit és fojtatja tovább a programot.
Ez tipikus táp probléma. Amikor centrizik akkor van a legnagyobb áramfelvétele az elektronikának. Ha nem stabil a táp, ilyenkor becsuklik, és azért "old le". Leáll és újrakezdi.
Sziasztok!
A mosógépem néha nem centriz (Fagor FE-735). Akkor ez azért van, mert rövid a szénkefe, és a rugó nem nyomja eléggé a kommutátornak, így nem tud akkora áramot felvenni, amekkora kell a nagyfordulathoz?
Igen lehet az egyik oka. Azért nézd meg a szűrőt, nem maradt e benn valami, pl gomb, pénz stb. Ami néha megfogja szivattyút.
Üdv Uraim! segítség kellene családi cselédünk matuzsálemi másfél éves korba lépett és E1 hibaüzenetet küld Bosch sms50d38EU mosogatógép, két napja túrom a netet de semmi érdemleges service manualt nem találok.
Bármi segítséget hálásan fogadok.
Van mosogatógépes téma is, itt a mosógépeket tárgyalják.
Mosogatógép hiba A hozzászólás módosítva: Júl 3, 2016
Sziasztok!
Egy kis segitséget kérek. Whirpool AWT 2284 (85612281 0086) hibával kapcsolatban!A hiba rövid leirása:Mosás centrifugálás végig megy,s mikor Stop állásra kellene álnia tovább lép,s kezdi az uj programot! A vezérlő panel tipusa: (461975301 201) Ez már nem a régi mechanikus "recsegős" programkapcsolós! Átnéztem mindent amit a doksi ir,megfelelő értékek,minden programot végig csinál,csak nem áll meg a stopnál!Gyanum szerint vezérlő panel hiba,de hátha van más ötlet is! Minden tanácsot köszönettel veszek! Üdv,további szép estét! A hozzászólás módosítva: Júl 5, 2016
Halovány emlékeim szerint a 2284 esben nem sok elektronika van(alul egy kis panel).Tápkondit nézd meg ha na nagy elektronika lenne benne felül mégis.
ilyen vezérlő van benne,itt a link:
http://elektrotanya.com/files/1363343375041.jpg Kondikat átnézem,1 próbát megér...
Na ez az.Ez csak a motort vezérli másban nem szól bele.Ez inkább programkapcsoló hibának tűnik de azt a nagy szürke kondit kicserélheted hátha.
Ez vezérel mindent!Motort,fütést,viz,ajtó stb nincs külön a motornak vezérlő "doboz" mint a mechanikus programkapcsolósnál!A nagy szürke kondi az (ha jól vágom) akkor cserés ha nem akar centrizni már ez miatt cseréltem pár gépben,de a leirt hibával még nem futottam össze
De ennek van külön fent egy mechanikus programkapcsoló!Ez nem az az elektronikával egybeépített vacak!
Amúgy meg
Idézet: ahhoz képest én csak egy relét plusz egy triakot látok rajta....ez kevés egy komplett gép vezérléséhez! „Ez vezérel mindent!”
bocs rossz képet linkeltem
este van már nagyonamiről szó van: http://www.hobbielektronika.hu/forum/getfile.php?id=148641
De jó!Nem mindegy...A szürke kondi mindenképp cserés aztán meglátjuk.A képekre meg máskor figyelj mert nagyon nem mindegy.De ez alapján akkor nem is 2284 es.
Sziasztok! Egy "vörpúl" típusú géppel gyűlik a bajom, mert már sokadjára kell benne táp IC-t cserélnem. Megtaláltam a régi megoldást erre a kapcsoló üzemű táp kiváltására. A kérdésem az volna, hogy van egy BV EI 304 2086 jelű trafóm ami a paraméterek szerint 2X9V és 1.05VA (2.1VA) 117mA/9V-ot tud. A csatolmányban 120mA az eredeti áramkör "tudása", meg építhetem e ezzel a trafóval ezt a kisegítő tápot?
Még annyit kérdeznék, hogy a "stabkockák" elé milyen értékű elkókat kell esetleg alkalmaznom a 330nF és a 100nF kondikon kívül? A segítséget előre is köszönöm.
Ha táp ic-t cserélsz, LNK306PN típust rakdz bele vagy 304-et!? A 306-al nem nagyon szokott gond lenni. Jóval több áramot tud.
Szia! Most fog bele kerülni egy 306-os de már előre betokoztam a helyét, mert előtte bele raktam egy 304-t de kettő bekapcsolást bírt ki a tokban. Most az ajtókapcsolóval is probléma van. Ezt lehet valamennyire működőképessé tenni, már mint azt a klixon féleséget ami a bekapcsolási intervallumot kapcsolja? Mi megy abban tönkre? A felülete oxidálódik?
MAK717 való ebbe a típusba.
A 306-al nem lesz gond, de ellenőrizd az induktivitást is a tápban, nincs e kifolyva, valamint az elkokat is.
Ha ezek rendben vannak, 306-al mennie kell. Az ajtókapcsolót ki kell cserélni, vagy ahogy botesz mondja kikötöd, de ez nem a legjobb megoldás.
Szia! Most derült ki, hogy az ajtókapcsoló triakja feltételezhetően az előző táp IC menybemenetelekor ledobta a tetejét. Most az a kérdés, hogy milyen számon keressem a 7629-be való típushoz? A tápot "felturbóztam" egy 306-al de ezt már betokoztam és a primer kör minden soros tagját (induktivitás és rezisztor + diódák) 1-1W-al nagyobbat raktam be. A gép most így indulna de az ajtó retesz kontrollja nem engedi tovább lépni a programot a triak hiba miatt. Az ajtókapcsoló PTC és pattanó bimetálok, felpolírozva a felületük (a biztosabb kontaktus érdekében) a próba alkalmával átbillenti a főérintkezőt, tehát ez az ajtókapcsoló még talán használható lesz ha a triakot majd kicserélem.
Köszönöm a segítséget, úgy tettem ahogy mondod. Bár ki lehetne iktatni az ajtókapcsolót de nem lehet, mert leellenőrzi a processzor az összes perifériát és nem engedi magát átverni, avagy én nem ismerem ennek a módját. A működéshez elengedhetetlen az ajtókapcsoló főérintkezőinek a zárt állapota de az ellenőrzést az 1 és 3 pontok között végzi. Ugye a PTC hidegen kis ellenállású így a felfűtés rövid idő alatt megnöveli az ellenállását, átáll a főérintkező de milyen értéke lesz ekkor a PTC résznek, ami elegendő lesz a processzornak az ellenőrzéshez. Ugyanis ha kihűlne akkor bontana a főérintkező és leállna a főmotor is. Vagy rosszul értelmezem a sematikus rajzot erről a gépről?
Nagyon egyszerű.3 szál vezeték megy a zárhoz fázis,nulla,visszaszál.Nos a visszaszálat összekötöd a fázissal és menni fog. vagy kicseréled a triakját és ennyi.
Az a nagyon egyszerű megoldás nem tetszik a procinak mikor ellenőriz, mert az F13 hiba lesz a vége, vagy ezt már a hibás triak miatt hozta. Az sem világos, hogy a táp hogyan ment tönkre, hogy a triak zárlata vitte el vagy fordítva, az LNK hibája vitte az ajtózár triakot. A triak száma az olvashatatlan a cseppmentesítő bevonat miatt az alkatrészeken, így teljesen tanácstalan vagyok, hogy mivel próbálkozzam.
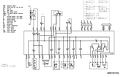
A képi segítséget mostanra tudtam összeállítani. A triak száma volna nagy segítség, hogy be tudjam szerezni ha egyáltalán beszerezhető.
A hozzászólás módosítva: Júl 13, 2016
Biztos, hogy az triak, mert pl. az elektroluxokban ilyen tokozásban erre a feladatra az ACS108 nevű kapcsoló ic-ket használják?
Szia! Nagyon köszönöm az infót.
Itt azt írja, hogy kapcsoló triac, vagy mi. Mindegy, mert ez nagyon úgy fest, mint ami benne van és tönkrement, mert a kimenete van bal szélen. |
Bejelentkezés
Hirdetés |





Még annyit kérdeznék, hogy a "stabkockák" elé milyen értékű elkókat kell esetleg alkalmaznom a 330nF és a 100nF kondikon kívül? A segítséget előre is köszönöm.













