Fórum témák
» Több friss téma |
Fórum » MultiSim - tapasztalatok
Nekem a 14. változat van, ez először XP, aztán windows7, most windows10 alatt megy. Valamit elronthattál a telepítéskor.
Én meg 10 -es verziót találtam és AZ NEM MEGY Win10 alatt.
Innen letöltheted a 14.3-at.
https://www.ni.com/hu-hu/support/downloads/software-products/downlo...452139
Szia!
Bocs, hogy nem olvasom végig a 36 oldalt, inkább kérdezek. Ez fizetős progi (nem láttam az árát, csak hogy kérjek ajánlatot), vagy DEMO, vagy időkorlátos, vagy alkatrész korlátos, vagy mi? Köszönöm.
Ezt a verziót nem tudom, de általában vagy fizetős, vagy student változat, vagy mondjuk csak 30 napig használhatod.
Nem tudsz véletlenül 32 bites változatban?
Lépj tovább a 32bitről, ahogy a világ is tovább lépett róla.
Nem valószínű, hogy egyetlen programért újra fogom telepíteni az egész gépet.
Nem tudok. De amikor letöltöd, nem lehet neki bejelölni, hogy a 32-est töltse le?
Nekem nem adta ezt a lehetőséget.
Letöltöttem egy több mint 4 gigás telepítőt és bíztam benne, hogy majd megkérdezi, hogy melyik verziót akarom feltenni, de nem. Közölte, hogy ez egy 64 bites telepítő.
4 GB? A telepítő max néhány MB lehet.
Keress a Google-lal, írd be, hogy Multisim download. Még a Youtube-on is ad találatot. Valahogy próbálj a NI hivatalos oldaláról letölteni: www.ni.com/multisim
Mikor megvettem a Win10 licencét, hirtelen felháborodásból feltelepítettem, de csak 4 giga volt a gépben.
Gondoltam, próbára jó lesz a 32 bites verzió is. De aztán annyi minden felkerült, hogy mire vettem még másik 4 gigát, már sok munka volt és még több volna, ha újra akarnám kezdeni a teleépítgetést. Na meg semmi szükségem nem volt eddig a 64 bitre. Ami még távol tart az újratelepítéstől, hogy sikerült elérnem, hogy nem "frissítget". A regisztrációs adatbázisba irkáltam be ötletszerűen dolgokat. Na meg beletörölgettem a "frissítést" végző alkalmazásokba. Nem tudnám megismételni, ezért nem is akarom újratelepíteni. Valószínűleg 99 százalék volt, hogy a beavatkozásom után kiakad a rendszer, de nem így történik. Mikor rájön a frissíthetnék, kiírja, hogy nem tudja elvégezni a frissítést, ezért telepítsem újra a windowst. Na hát én meg ezt pont nem akarom.
Ezen a fórumon se először veted már fel, hogy neked valamiből 32bites kell, szóval az "egy program miatt telepítsem újra" hozzáállásod már rég megbukott. El kellene fogadnod, hogy nem minden készül el 32bitre, mert nincs rá releváns igény. És nem, a te személyed egy többezer/többmilliós felhasználói állományban egyáltalán nem releváns.
Olvasnivaló: NI dobja a 32bites rendszereket Readme: Bővebben: Link Idézet: „Note Circuit Design Suite no longer supports Windows Vista/XP/7/8.x, Windows Server 2003/2008/2012, or any 32-bit Windows operating system. Circuit Design Suite 14.3 will not install or run on an unsupported OS. You cannot deploy or distribute applications that use Circuit Design Suite 14.3 to an unsupported OS. Additionally, after installing Circuit Design Suite 14.3, you cannot use any installers built on this computer with any version of LabVIEW, LabWindows™/CVI™, NI TestStand™, or Measurement Studio on an unsupported OS.” Cserébe ki tudod választani valamelyik régebbi verziót ugyan azon a letöltő oldalon és az már 32bites lesz.
Akkor a 12-es verziót ajánlom neked, az analízis lassabb, mint a 14-es, cserébe sokkal gyorsabb a rajzolási és egyéb funkciók elérhetősége. Ezek a 14-esben nem sikerültek jól.
Vagy, tanuld meg a CircuitMakert, ha jól tudom a CM2000 az utolsó verzió. Nem mindent tud amit az MS tud, viszont nagyon kényelmes. De tud olyat, amit az MS nem és jóval kisebb tárhelyet foglal el. Lehet, hogy a modellkönyvtár szűkebb. Karesz50 a nagy szakértője.
Nem emlékszem rá, de elképzelhető, hogy felvetettem.
Az emberiség felének bármekkora baromságot be lehet adni. Én sem tartozom a számháborút kedvelők közé. Mármint, aki nagyobb számot mond, az a nyerő.
Azért gondoltam, hogy újabb verziót keresek, mert amit találtam, csak XP alatt fut.
Ahhoz meg nem jó a nyomtatóm. Na meg ha "szimulálni" akarok, át kell ülni egy másik géphez.
Sziasztok!
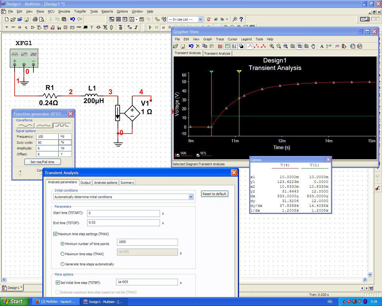
Most kezdek ismerkedni a multisimmel, egy sokkal korábbi verziót már használtam. Ez a 11-es változat. Szeretnék egy görbét rajzoltatni a programmal, de nem jutok előbbre. Az áramkör egy 200uH-is tekercs aminek ohmos összetevője 0,4ohm. Szeretném az áram görbéjét lerajzoltani, ami a bekapcsolás uán kialakul, de nem jutok előre.
Nem sok különbség van a 11-es és mondjuk a 14-es verzió között. Állítólag a nagyon régiek is kompatibilesek a nagyon újakkal. Sajnos, csak állítólag. Meg az is csak állítólagos, hogy az EWB 5.0c-vel is kompatibilis. ( Miután az nagyjából ugyanaz, mint a Multisim. )
A gyakorlatban, egy villamos folyamat időbeli lefolyásának megjelenítésére az oszcilloszkópot használjuk. Ez van, több egyéb műszerrel együtt a szimulátorokban. Én a jobb oldalon megjelenített műszerek közül csak a felülről a másodikat használom, ez a funkciógenerátor. Szkóp helyett a Display Gráfot használom, ezen egyszerre akármennyi sugarat meg lehet jeleníteni, vannak kurzorok amikkel mérni lehet, lehet nagyítani egyes részleteket, lehet komplett matematikai műveletek időbeli lefolyását kirajzoltatni, szóval a lehetősége nagyjából kimeríthetetlenek. Berajzolod a kapcsolási rajzot. Utána Simulate/ Simulate/ Analyses azután Tranziens. Megjelenik egy táblázat, ahol értelemszerűen beírod, hogy mit jelenítsen meg ( Output lista ). Itt elsősorban a csomópontok számát kell beírni, azok feszültségét fogja megmutatni a Display Gráfon. Ha áramot is akarsz, a táblázatban bejelölöd, hogy - jelen esetben - iL1, vagyis a fojtó áramát is mutassa meg. Vagy, használhatsz Curren Controlled Voltage Source-t, ez tulajdonképpen egy áramvezérelt feszültségforrás. ( A Source modellek között találod. ) Olyan, mint egy áramváltó. A mellékelt képen az iL1 és a V4 pontok árama- és feszültsége van kijelezve. Ezek természetesen egyformák, ezért nem látszik két görbe egy normál megjelenítéskor. Van a Display Gráf tulajdonságai ( Properties ) egy olyan, hogy Auto Separate. Ez amplitudóban eltolja egymástól a görbéket. Arra vigyázni kell, hogy a görbéjüknek már nem lesz közös GND-je, tehát a kurzorokat használni kell az egyes pontok jellemzőinek méréséhez. A táblázatból minden leolvasható. A hozzászólás módosítva: Dec 20, 2022
Köszönöm szépen, nagyon hasznos volt amit írtál! Délután ki fogom próbálni.
Szia! Nyílván valamit nem jól csináltam, de ugynott vagyok mint voltam.
Hiányoznak a vezetékek számozása. Ezeket kell beírni az Output listába. Így tudod megjeleníteni:
A legördülő menüből: Edit/Properties/Show All.
Szia! Számozás megtörtént, az eredmény változatlan. A probléma megoldása nem életbevágó magát a problémát meg tudom oldani az i=io*(1-e-(t/tau)) egyenlettel, csak ha ez megoldható programból, az élet kényelmesebb lenne. Nem adom fel, csak odázom.
Szia!
CM-ben ez csak ennyi... |
Bejelentkezés
Hirdetés |














