Fórum témák
» Több friss téma |
Sziasztok !
Szükségem lenne 5V/~20mA-re, ha a nem is az 5V pontossága, de stabilitása lenne nagyon fontos. 7805 az adatlapja alapján 4.81V és 5.22V közt "ingadozhat". (Ezt nevezzük stabilizátornak?) LM723 +/- 5% (hmmm...) LM317 +/-1.3%, viszont ide legalább kell két ellenállás, ami ha 1%-os is, sajnos megint 3% körüli hibánál vagyunk. Az 5V egy 24bites átalakító tápja, és sajnos referenciafesze is lenne, ezért kellene (nagyon)stabilnak lennie. Várom ötleteiteket. Előre is köszönöm..
Szia !
LM317 halál pontosan beállítható az ADJ lábán egy helipotival. A stabilitást lehet úgy adják meg, hogy x mA -nél beállított feszültség a max kivehető fesz/terhelés közt változhat. Másik: 24bites átalakító van szerintem más áramkörökben is, és ott sem használnak csodaszereket. Szóval, akár a 7805 is jó. Üdv!
Szia!
"Szükségem lenne 5V/~20mA-re". Nem hiszem hogy 20mA-es terhelés,akkora feszültség ingadozást idézne elő egy stabilizátorban.Szerintem max. full terhelésnél fordulhat elő ilyen probléma. Üdv.
De ha mégis pénzt akarsz áldozni külön speciális stabilizátorra, akkor ajánlom, hogy keresd fel a ChipCAD-et, náluk vannak ilyen különleges stab-ok...
Másképp fogamazok..
Az a baj, hogy az felsorolt alkatrészek nagyot szórhatnak. Tehát beállítom a 5.00000... V-ot LM317-nél, tuti jó. KI-be kapcsolod, akkor 4.8888... Stabil mind a kétszer, de nem ugyanaz. Végül is mint írtam, nem a tuti 5V a lényeg, hanem hogy a 10. bekapcsoláskor is ugyanannyi legyen. Az AD-m érzékenysége 15uV (!) 0.1 tized (táp)feszváltozás 3-400 értékváltozást okoz. Látom, a MAXIM-nak vannak IC-i, vszínű az lesz belőle.. Még kicsit várok, hátha lesz vkinek ötlete.. Hirtelen beugrott, hogy egy 4.7-es zénerrel adok ref.feszt, az mennyire stabil.. Kipróbálom, lehet a legegyszerűbb megoldásra nem gondoltam..
Minden stabilizátor közös hibája, hogy a hőmérséklettel változik a feszültségük. Minden más hiba kiküszöbölhető. "Magától" nem változik meg a kimeneti feszültsége! (Ha mégis ilyet vélsz felfedezni, akkor ott valami komoly hiba van!) Ha egy stabil referencia kell, akkor nem az a kérdés, hogy mekkora a kezdeti érték szórása (pl. +/-5% az LM723 esetén), hanem hogy később a hőmérséklet hatására mennyire mászik el! A hőfokfüggést ppm/celsius fok (ppm: milliomod rész) értékben, vagy uV/C értékben adják meg! Ebből kell minél kisebbet keresned!
A z-diódák nagyon rosszak ebből a szempontból, bár az 5 V-osak pont a legstabilabbak közé tartoznak, de még így sem elég jók. Vannak spéci referenciaforrások, ez kell neked, meg esetleg egy OPA, hogy terhelhető legyen! Pl. a TL431. Ez az egyik legelterjedtebb, olcsó, bár nem halál stabil, párszáz ppm/fok. Az LM4040 jobb, max. 100 ppm/fok. A REF19X sorozat (REF195 : 5 V) pedig az általam ismert legprecízebb, 5 ppm/fokos, és a kezdeti értéke is nagyon pontos. Ez utóbbi az SMD Kft-nél kapható 800 Ft körül. Ha atomstabil feszültség kell, akkor termosztátba kell rakni a referencia elemet.
Köszönöm mindenkinek a segítséget.
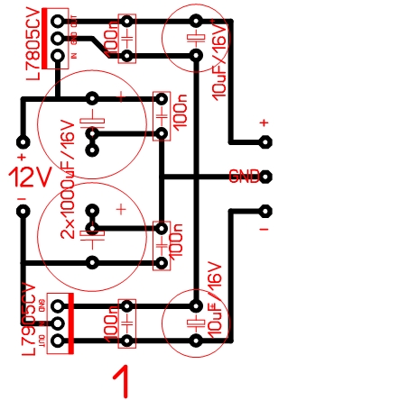
(REF195 lett belőle) 7805 közös lábára akasztva.
Bocs! Itt van PDF-ben és jpg-ben!
Szia!
Ha a rajz szerint készítetted el a beültetést akkor a 7805 hibás (esetleg fordított panelbeültetés?) . (A bemeneti 12V tápfesz GNDjének nincs forszem azt bekötötted?)
Nem hiszem, hogy ez a kapacitív elrendezés alkalmas a földpont kialakítására (a +5 V ág és a -5 V ág nincs egyformán terhelve). Ha mégis alkalmas, akkor a hiba a bemenő fesznél keresendő. Ugyanis a 78XX stabilizátor nem tud 6 V-ból stabil 5 V-ot produkálni, 2-3 V-tal nagyobb fesz kell neki, mint a stabilizálandó érték...
Ugyan így kötöttem be és a beültetés jó és valószinűleg a 7805 is jó, mert kicseréltem egy másik ugyan ilyen tipusra és ugyan azt produkálja. Akkumlátorra kötöttem aminek akkor 12.9V volt a feszültsége. A kapcsolási rajz jó? Lehet tényleg kevés neki a az akku 12V-ja.
Ha simán -5V stabilt akarok előállítani (7805 nélkül), akkor tudna valaki segítséget adni, hova kössem az L7905CV lábait?
Hello! Van rajta terhelés, vagy terheletlen állapotban méred az értékeket? Rakj rá legalább egy-egy ledet mindkét ágra, és után nézd meg, hogy mennyire lett pontos!
Miért kell mindent így túlkombinálni? Miért nem jó egy 7805-ös meg egy 7810-es? Ahogy a rajzot néztem úgyis földfüggetlen az egész. A földet kinevezed -5V nak, a 7805 voltos stab. kimenete lesz a föld és a 7810-es kimenetét kinevezed +5 voltnak. Garantáltan működőképes 12.3-volttól.
Ma délután kipróbálom! Eddig terhelés nélkül mértem rajta az értékeket.
Tettem rá egyforma szinű 5mm-es Sárga ledet, igy +4.15 és -5.11 et mértem rajta(kb 10°C-on). Lehet hogy ez is elég a 7107-nek. Majd kipróbálom ezzel a táppal a hőmérőt és ha nem tetszik neki akkor megépítem frank tibor javaslatát! Köszi a segítséget.
Az egész már ott bukott, hogy kondenzátorral akarsz osztót csinálni!
WWW alldatasheet.com itt az ic datasheetjében van egy negatív feszültséget is előállító áramkör.A másik hülye gondolatom sorbakötve egy 7810 és egy 7805 a 7805 kimenete a föld.(még nem próbáltam nem tudom mennyire zavarérzékeny)
Nem zavarérzékeny, hanem terhelésérzékeny. Ha a -5V árama kisebb, mint a +5V árama, akkor nem működik.
Nem sorba, hanem párhuzamosan! Olvasd el 7 hozzászólással előbb. Mellesleg 2db 7805 is megteszi ha az elsővel fogod vezérelni a másodikat.
Még egy megjegyzés: mivel hogy aksi volt említve, feltételezem, hogy egy valamilyen gépkocsiba szeretné beszerelni. Vigyázat! A 40-50voltos impulzus(feszültséglökés) sem kizárt. A bemenetet mindenképpen védeni kell TRANSZIL-lel vagy VARISZTOR-ral. A javasolt IC-k max 35V-t bírnak ki.
Kipróbáltam de a várakozásom ellenére a kimeneti megemelkedett feszültség nem pusztította ki a 7805 öt. (potyónak igaza volt a 7805 nem párhuzamos szabályzó.) Ha a 7810 kimenetére a föld felé megfelelően méretezett Zénert rakok szerintem már működik (lehet hogy ezt is ki kellett volna próbálnom
). A másik hogy ezt a kapcsolást szigoruan az akkumulátortól teljesen független dolgok mérésére használd.
Azt hiszem bemenetet akartál írni. A ZENER nem jó, mivelhogy lassú a feléledése! Ezt tartós, állandó terhelésre találták ki nem pedig az impulzusok letörésére, elnyelésére.
De lehet mellé pufferkondit rakni (vagy nem?
Üdv !
Neked nem stabilizátor kell, hanem feszültség referencia. Ezeket direkt mérési célokra A/D ill. D/A konverterek számára fejlesztették ki. A neten rengeteget találni és lehet válogatni belőlük. Ajánlom a maxim honlapját ott paraméterek szerint ki lehet szűrni, hogy melyik a legmegfelelőbb a te számodra.
Szerintem a 2 rajzodnak semmi értelme, legalábbis a vázolt problémára. Ha netán elmagyaráznád hogy ez szerinted hogy működik?
Először most már nem tudom, hogy mi a probléma. Én a +- 5 V tápfeszültség előállításra terveztem ezeket
a kijelző ic-hez . És szerintem az első kapcsolásnál a kijelző árama a zeneren folyik át > nagyobb zener ,a második rajzon a ledek árama az ellenálláson folyik talán kisebb zener (az általad hivatkozott valamint az általam javasolt 7810 7805 biztosan nem jó ,potyonak igaza volt nem terhelhető) Mivel az ic +5 V -ról járatja a kijelzőt úgy gondolom a 7805 kimenőfeszültségét emeli meg ami ellen a gyári kapcsolásban még védődiódát is szoktak alkalmazni.(hacsak a -5 voltot is le nem terheled ,min a ledek fogyasztásának megfelelően) (esetleg a negatív oldal stabilizálásával az előző elv szerint (7910 7905) ,de potyo lehet ebbe is beleköt , amit megköszönök, . )
Na a negatív oldal felől történő stabilizálásnak már van értelme, ha a felső oldalon mindig nagyobb a terhelés, mint az alsó oldalon.
Mondjuk 7910-et nemnagyon fogsz találni, azt még adatlapban sem láttam (7810-et sem láttam még sehol árulni, de adatlapok szerint létezik). Helyette két 7905-öt használj, az alsó közös kivezetése megy a felső kimenetére. |
Bejelentkezés
Hirdetés |






). A másik hogy ezt a kapcsolást szigoruan az akkumulátortól teljesen független dolgok mérésére használd.

a kijelző ic-hez . És szerintem az első kapcsolásnál a kijelző árama a zeneren folyik át > nagyobb zener ,a második rajzon a ledek árama az ellenálláson folyik talán kisebb zener (az általad hivatkozott valamint az általam javasolt 7810 7805 biztosan nem jó ,potyonak igaza volt nem terhelhető) Mivel az ic +5 V -ról járatja a kijelzőt úgy gondolom a 7805 kimenőfeszültségét emeli meg ami ellen a gyári kapcsolásban még védődiódát is szoktak alkalmazni.(hacsak a -5 voltot is le nem terheled ,min a ledek fogyasztásának megfelelően) (esetleg a negatív oldal stabilizálásával az előző elv szerint (7910 7905) ,de potyo lehet ebbe is beleköt , amit megköszönök, .
) 




