Fórum témák
» Több friss téma |
Fórum » NYÁK terv ellenőrzése
http://www.zsiguli.hu/images/cikk360_egyujt_2.jpg
Itt egy kép arról hogy hogyan néz ki.Ebben sarus megoldás van
Így is megoldható lett volna , ha szólsz .
Képen láttam , hogy nagyobb tokozású FET van az eredeti nyákon , így kicsit módosítottam ..
Így 70x60 mm lett a nyák .
Azt megnéznéd a mellékelt rajzon hogy jól gondolom e a sorkapocs bekötési helyeit?
Meg az hogy a sorkapocsnak ahogy látom 2 kivezetése van de nekem mindenhonnan egy vezeték fog kijönni.Ebből azt akarom kihozni hogy ezek a sorkapocsok kivezetései belül össze vannak kötve?tehát mindegy melyik kivezetésre kötöm a kábelt?
Nincsenek összekötve belülről .
Nem igazán értem a problémád , minden a rajz szerint oda van írva a csatlakozókhoz . Berajzoltam a bekötést , hátha érthetöbb .
Okés ez így megvan.Már csak egy dolog a trafóra miért két vezetéknek kell menni?
A trafó megkapja a +12 V-ot , akkor elég csak a FET D elektródáját beköni . A GND-t sem kell mind 2 helyen bekötnöd , maradhat üresen . Ha zavar , levehetőek azok a bekötési pontok.
Itt van egy kép a csatiról , talán jobban láható a bekötése .
Hello!
Bocs, hogy bele szólok, de szerintem az zavarja, hogy több a csatlakozási pont, mint szükséges. Az eredeti felállásban a trafó megkapja a plusz feszültséget, a másik lábára megy a kalapács, a test meg ott van a trafó házán. Az áramkörön sem kell 4 csatlakozó pontnál több. A hármat át lehet kötni a trafóról, a negyedikre megy a kalapács. Pityu! Azt viszont nem értem, hogy ha már volt egy képed, arról hogy néz ki az eredeti áramkör, miért nem azzal bosszantottad CHZ-t, arról is elkészítette volna neked a nyákot, s akkor pont úgy nézett volna ki mint az eredeti. Esetleg magad is megtervezhetted volna a nyákot, ha úgy leteszed az alkatrészeket, ahogy a képen van... üdv! proli007
Igazad van de nemis gondoltam rá!A másik meg hogy próbálgattam én úgy elhelyezni de sehogy nem jött össze,sajnos még amint látod nagyon kezdő vagyok ezekben a dolgokban,de igyekszem
Igazad van , logikusan kell bekötni , a több az nem lehet gond . Szerintem már érti a bekötését . Én csak a kapcsolást láttam , amikor megcsináltam . Később láttam a képet az eredeti verzióról .
Sziasztok!
Itt egy nyákterv, általában 3x le szoktam elenőrizni és eddig még nem volt hibás nyákom, de most annyira nagy fejszébe fágtam a baltám, hogy nem bízhatok csak magamban Nagyon megköszönném ha valaki rápillantana, ez csak egy kis része, de külön tervezem meg a nyákokat mert egyenlőre még nem tudom mekkora lesz a végleges panel, ha majd tudom akkor felpakolom rá a külömböző rajzokat, no meg így modulárisan felépítve az élesztés és az esetleges hibakeresés is könyebb.
Vázolnám a dolgokat,a mellékelt képre írtam azt megköszönném ha megnéznétek!
Annyit írj le létszi és ez az utolsó ezzel kapcsolatos hogy a trafóra megy ugye két vezeték az 1.essel jelöltet melyik pontra és a 2essel jelöltet melyik pontra kell menni a trafón! Köszönöm Mindenkinek a rengeteg segítséget és türelmet!
Trafó 1-est nem kell bekötni (az már rajta van a trafón alapból ) , az általad meg jelőlt GND is üres marad .
Többi a feliratok szerint .
Tehát akkor a megszakító melletti GND-t és a trafóra menő 1es kivezetési pontot nem kell kötni sehova.Értem.
Hello!
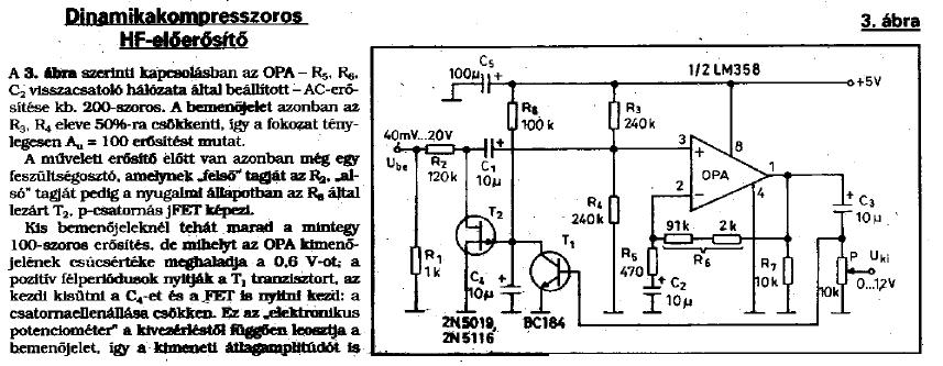
Én úgy látom, hogy a tápfeszt szűrő C5 kondi nincs a rajzon, valamint az eredetileg C5 lábára kötött 100kohm, nem a C5-re (tápra) megy, hanem a műveleti erősítők kimenetére. Amúgy nem nagyon tetszik a kapcsolás. - Mert a T1 tranyó bázisa közvetlenül van az IC kimenetére kötve, ezzel torzítást fog okozni. - Az erősítést beállító R6 minek van két tagból összeálítva, mikor kompresszor van az áramkörben... - A kimenetre írt 0..1,2V legfeljebb csúcstól csúcsig értendő. üdv! proli007
Javítottam, azért nincs rajta a C5 mert a táp kapcsoló üzemű lesz. Nagyon meg lesz szűrve és az IC foglat alá be fogok tenni egy 10N kondit, miután kijavítottam az után jutott eszembe hogy feltegyem a kérdést, valami hasonló egyszerűségű kapcsolást tudsz-e ajánlani esetleg?
Hello!
Nem foglalkozom ilyen "vacakokkal" de szerintem még itt az oldalon is találsz egy csomót. A kapcsoló üzemű táp, nem jobb, hanem rosszabb hangfrekinél. Amúgy egy 100nF-os kondi, plusz a C5 jobb lenne. Most az ellenállás jó helyen van, de most látom a bemeneti oldali GND viszont nem jó helyre megy. üdv! proli007
Oké, akkor beteszek oda is egyet. Tudom hogy a kapcsoló táp nem a leg jobb ötlet, de a hely szűke nagy úr. Csak azért kérdeztem mert ezt is itt az oldalon találtam
A torzítás nem nagy probléma, mivel a kijövő jel nem megy sehova csak egy kivezérlés jelzőbe, de nem akarok tovább off-olni.
Hello!
Idézet: „A torzítás nem nagy probléma, mivel a kijövő jel nem megy sehova csak egy kivezérlés jelzőbe” Rég nem hallottam ilyen jó viccet. Mit fog jelezni, ha az automatikus erősítés mindig beállítja a maximumot? Legfeljebb kalimpálni fog, de infótartalma nem lesz. Vagy tévedek? üdv! proli007
Nekem mindegy, mert ha nem tudsz ajánlani semmit, akkor majd elszenvedek ezzel valahogy.
Saját magad csapod be a dinamikakompresszorral, véleményem szerint semmi értelme nincs kivezérlésjelzőt hajtani róla, mert még látványos sem lesz, nemhogy pontos...
Találtam egy egyszerűt:
Sziasztok,
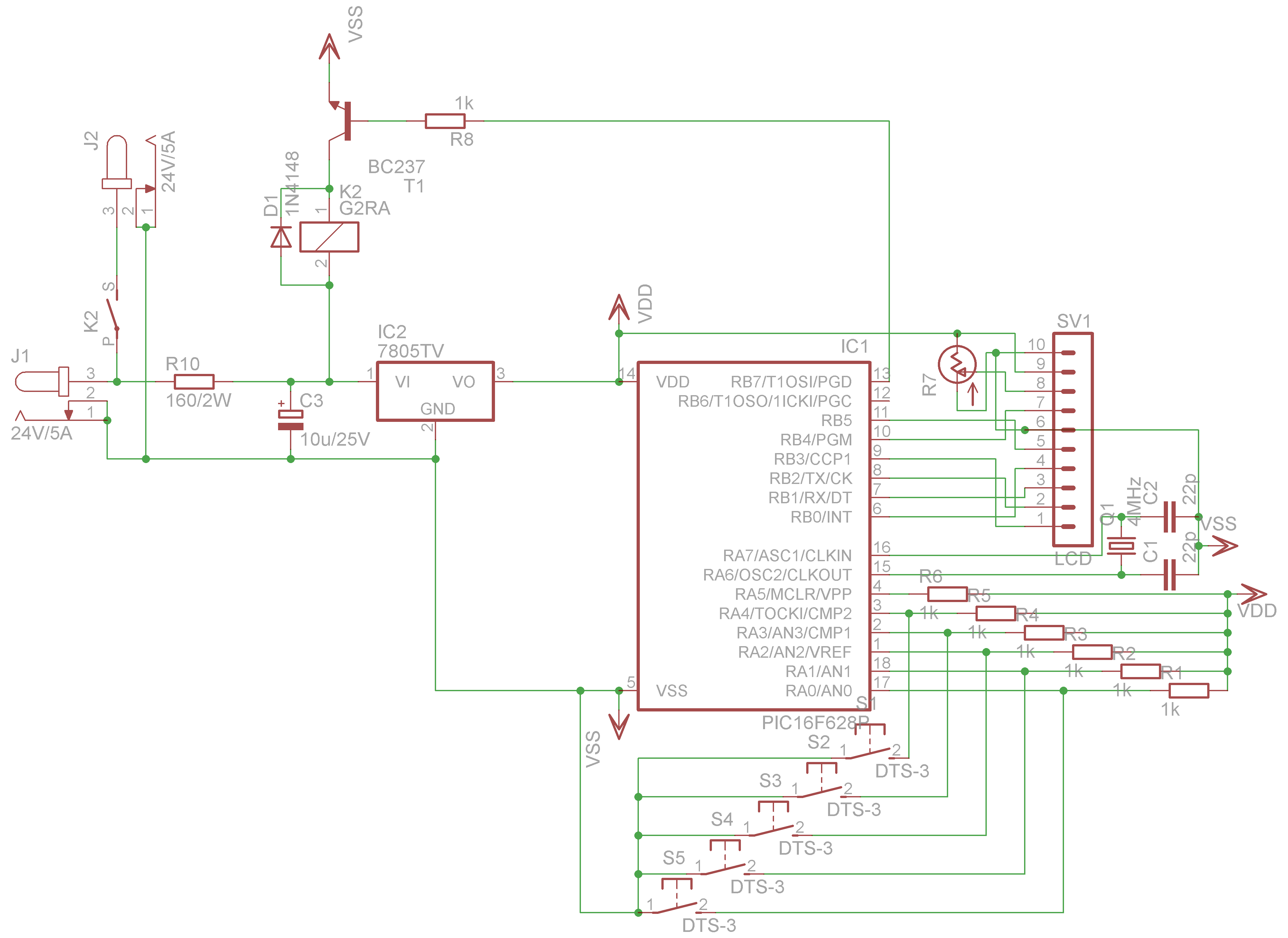
ezen az oldalon találtam egy igen jó kis időzítő áramkört. Bővebben: Link Lenne néhány kérdésem illetve jó lenne, ha egy PIC-ekhez értő kolléga is véleményezné. Ugyan lemásoltam a kapcsolást, de vannak foltok. Az LSP1-es és LSP6-os kivezetés mire jó? A nyomógombokat jól kötöttem be? A tápon kívűl minden egyezik a másolt illetve az eredeti rajzon? Köszönöm a segítséget!
Hello!
Hát fene a csülkit annak aki ilyen rajzokat tesz a hálóra. Mindenhol vannak pöttyök a rajzon, csak ahol kellene ott nincs. (Amúgy egy elvi rajzon, nem húzogatunk át vezetékeket az alkatrészeken. A tápjelölések azért vannak, hogy ne kelljen összehúzogatni őket, majd percekig nézegetni, hogy "jé, ez a Vdd-re megy!") - Szerintem az LPS6 azért van kivezetve, mert ahhoz képest van feszültség az LPS4/5-ön. Az LPS1 vagy valami plusz funkciót valósít meg, vagy az ISP áramkört szeretett volna kivezetni csak abbahagyta. - Úgy néz ki, jól kötötted be a gombokat. (De a rajzod szebb lett volna, ha a felhúzó ellenállásokat a nyomógombokkal egy vonalba teszed, azok ritkábban vannak, és elfért volna a paraméter körülötte.) - A relé árama nem tudom miért jó, ha átfolyik a 180ohm-on, mert rángatja csak a stabi tápfeszültségét. Amúgy a relére illik reverz védődiódát tenni. üdv! proli007
Köszönöm a segítséget!
Az előtét ellenállás csak azért van hogy nem melegedjen annyira a stab IC. A dióda most jól van bekötve vagy pont fordítva kellene? Köszönöm
Szia!
Pont fordítva kellene! Üdv!
Sziasztok!
Legyen szíves valaki fusson át ezen a NYÁK terven! én nagyon nem találtam semmi hibát, de sok szem többet lát... Bővebben: Link Ui.:Én térbeli elrendezkedésen gondolkodtam...
Nem semmi, gnd helyett kézzel bevonalazni
Tegnap előtt egy egész napom volt erre, kaja volt, más meg nem kell. Gondoltam inkább ezzel menjen el az idő, mint valami nagyobb h***eséggel...
Amúgy a tervek azok rendben?
Amúgy igen, de a 7812 be - ki lábaira tegyél 100nF kondikat testhez képest.
|
Bejelentkezés
Hirdetés |







Nagyon megköszönném ha valaki rápillantana, ez csak egy kis része, de külön tervezem meg a nyákokat mert egyenlőre még nem tudom mekkora lesz a végleges panel, ha majd tudom akkor felpakolom rá a külömböző rajzokat, no meg így modulárisan felépítve az élesztés és az esetleges hibakeresés is könyebb. 




