Fórum témák
» Több friss téma |
Fórum » Nyugalmi áram mérése
Témaindító: Maverick91, idő: Szept 9, 2008
Témakörök:
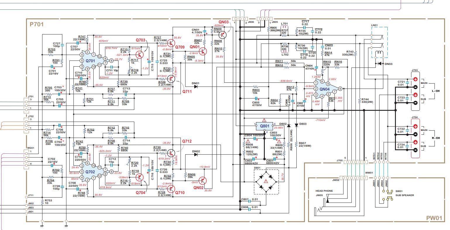
Sziasztok! Valaki tudna segíteni abban, hogy a képen látható kapcsolás szerint milyen nyugalmi áramot kellene beállítanom?
Amit csatoltál, az nem a kapcsolás, hanem csak a részlete. Nem látható a lényeges részekhez kapcsolódó dolgok.
Viszont a rajzon igen nagy segítségedre van, hogy láthatók az egyes pontok feszültségek. Így már mindegy mekkora a nyugalmi áram (egyébként kiszámolhatod az ominózus pontokon mért feszültségekből) ha a rajzon levő feszültségeket pontosan beállítottad.
Gondoltam a Q709-711-től a lényeg, itt van nagyobban:
Nyugalmi áram mián, szerintem:
@0.1 Ohm 0.8 mV -> 8 mA 15.9 mV -> 15.9 mA 18.9 mV -> 18.9 mA 2.9 mV -> 2.9 mA Valami internetről segítségkérésként lelopott fórum képet azért már ne használjatok referencia forrásnak. Azt mondjuk nem tudjuk, hogy a szent Q701/702, és Q709...Q712 mi lehet, csak annyit hogy szilícium. Igazándiból mérnökként annyit tudok mondani, hogy 10 mA alatt fuvola hangja brekeg, 100 mA felett, ha belfújnak a tubába, akkor repül minden. Ha meg nem egyforma a két oldal, akkor megette a fene.
Amúgy mOhm tartományban az sem mindegy, hová dugod a tapintó csúcsot.
50mA körüli jó lesz, mint általános érték. Q709 és Q711 emitterei között mérj, és 10mVot állíts be ott. Hangszóró nem legyen az erősítőre kötve. Beállítás után hagyd fél órát melegedni és utána ellenőrizd a 10mV-ot újra, és ha kell állíts utána.Jelen adatok szerint a felső csatornán kb.75, az alsón kb. 80mA folyik.
Köszönöm mindenkinek a választ, itt a rajz, a tranzisztor típusokkal. Teszt pontok vannak, most 11.5-12 mV a nyugalmi feszültsége, nagyon enyhén melegszik, inkább langyosodik csak a hűtőborda. Javítva volt már sajnos az erősítő, nem is eredeti végfokok vannak benne.
|
Bejelentkezés
Hirdetés |






