Fórum témák

» Több friss téma
Fórum » Opel Astra elektromos hibák
 
Témaindító: nrgie, idő: Júl 19, 2010
Témakörök:
Lapozás: OK   121 / 141
(#) freddyke válasza kiccsavo81 hozzászólására (») Júl 8, 2021 /
 
Kevés az információ. A tárolt hibakódokat kellene kiolvasni vagy kivillogtatni, abból lehet továbbmenni. Esetleg élőadatot nézni, ahhoz kellene egy diagnosztikai eszköz.
(#) Georgee válasza kiccsavo81 hozzászólására (») Júl 8, 2021 /
 
Hibakód, élőadat... Mert ha villog a Check lámpa ott a gond már nem kicsi. Anélkül annyit tudounk mondani a hiba az első és hátsó rendszámtábla között van
(#) Georgee válasza kokozo hozzászólására (») Júl 8, 2021 / 1
 
Elvileg.... De! Ha canbus rendszeren dolgozik, akkor nem az ECU jelen esetben motorvezérlő a hibás, annak köze nem sok van a féklámpához. De mégis az ECU lesz.... Kicsit tisztázzuk az ECU fogalmát Elektronic Control Unit. Ez inkább összefoglaló/gyűjtő név, csak valamiért az emberek egyből a motorvezérlőre gondolnak ilyenkor (lehet pl úgy nézni hogy minden láncfűrész stihl vagy minden sarokcsiszoló flex). Amire gondoltok, mint motorvezérlő ő az ECM azaz Engine Control Modul, ő felel a befecskendezésért, a lambda felügyeletért, a tengelyen lévő jeladókért stb. Szóval neki a "szakirányú képzettsége" lényegében a motortér. Ha CANBus rendszeren dolgozik, akkor inkább a BCM modulra néznék rá (lényegében ő is ECU csak a karosszérián lévő elemekért felelős). És ha már CAN... Opcommal szépen lehet tesztelni akár oldalanként is a féklámpákat.
Ha "analóg" a rendszer és nem CAN rendszerű, akkor valahol zárlat van. Ha opcommal csatlakoztok, és KVP2000 protokollal lép be akkor biztos hogy analóg a lámpa vezetékelése.
(#) Georgee válasza freddyke hozzászólására (») Júl 8, 2021 /
 
Idézet:
„Azért érdekelt, hogy az ECU miért tesztelné a féklámpákat feszültséggel.
Nem lenne egyszerűbb ha az ECU nem feszültséget kapcsolna az izzóra, hanem a rajta eső feszt mérné? Kevesebb parancs, kevesebb fölösleges kimenet. Az izzónak van egy ellenállása, ha nem világít akkor a kimenetet testre húzza, azaz ha a BCM modulba egy pillanatra a kimeneti lábat átváltjuk bemenetre, akkor megnézzük van-e nulla. Ha nincs akkor pl szakadt az izzó, dobunk hibakódot. Másik állapot ugyanez csak amikor kimegy rá a 12V. Esik az izzón egy feszültség ezt szintén monitorozzuk. Ha pl LED van benne már más a feszültség esés, itt a BCM nem fogja tudni, hogy LED van csak azt hogy nem a megadott értéken belül van az esés. A válasz hibakód lesz. Tehát egy lábon több funkciót is el tudunk végezni, attól függ, mit írunk a programba. Lényeg az ECU nem fog külön feszt adni ki, hogy ellenőrizze a lámpának az állapotát. Maga az izzószál lesz az aki jelez az ecunak, hogy Szia Uram!
(#) freddyke válasza kokozo hozzászólására (») Júl 8, 2021 /
 
Amin kijelző van és az izzóteszteket elvégzi, az a fedélzeti számítógép, teljesen független a motorvezérlőtől és nem alapfelszerelés. A kapcsolásodon nem szerepel, de nyilvánvalóan ugyanazokon a pontokon rácsatlakozik az áramkörre, mint a motorvezérlő. Ha nem ad ki feszültséget, akkor is ki tudja mérni az izzót a pedál működtetését figyelve. Ezt leírtam feljebb, de Georgee is leírta ugyanazt máshogyan. Nálam utólagos, nem gyári fedélzeti számítógép van, az sem ad ki feszültséget, de kéri, hogy lépjek a fékpedálra. Akkor méri ki az izzókat.
A kérdésem a motorvezérlőre vonatkozott, mert annak tudomásom szerint nem dolga az izzókat tesztelni. Vannak OBD2 hibakódok, amelyek közül valamelyik az izzóhibát is magába foglalhat elvileg. De azt szerintem csak feszültségméréssel állapítja meg, nem ad ki feszültséget.
Továbbra is úgy gondolom, hogy a rajzon a két féklámpakapcsolóról lejövő jelet fogadó motorvezérlő lábak bemenetek.
(#) kiccsavo81 válasza freddyke hozzászólására (») Júl 8, 2021 /
 
immo, hibás jel.
(#) kiccsavo81 válasza Georgee hozzászólására (») Júl 8, 2021 /
 
immo, hibás jel.
(#) Georgee válasza kiccsavo81 hozzászólására (») Júl 9, 2021 /
 
Akkor első dolgog... Kulcsház, ha szét volt szedve akkor érdemes megnézni, hogy a transzponder nem-e esett ki. Illetve pótkulccsal is tesztelni, ugyan-e a helyzet. Az immo karika a kormány mellett van a kulcs mellett, ott is érdemes lenne a csatlakozókat megnézni. Ha nagyon nincs más lehetőség, akkor én tesztelném egy immo leprogramozással (opcom, tech2), hogy indul-e az autó.
(#) Georgee válasza freddyke hozzászólására (») Júl 9, 2021 /
 
De ha valami rendellenes lenne a rendszerben biztos kéne lennie DTC-nek, ha valami oka van annak, hogy pedál nyomás nélkül is világít és új az autó, akkor valahogy jeleznie kell, hogy valami nem oké. Nekem a chevrolet pl az izzóra az áramkör szakadását is kiírja nem csak az izzó kiégését. Sőt most a chevi hibakód listája van előttem. Ne nézd a fordítást, oroszról van fordítva, lényeg hogy újabb autók elég sokoldalúan figyelik az izzók állapotát. Ha van diag eszköz akkor tesztelni is lehet. De mivel a bal és jobb oldal CAN esetén elvileg független egymástól, így nem tudom miért világít mindkettő. (Elvileg... Megint chevi, itt pl opcommal tudom külön tesztelni a bal és külön a jobb kört, úgy hogy nem lépek a pedálra)
Idézet:
„B2545 01
A BCM egység érzékeli a jelzőkürt relé vezérlőáramkör rövidzárlatát.

B2545 02
A BCM testzárlatot mutat ki a vezérlőáramkörön.

B2545 04
A BCM megszakadt vezérlő áramkört érzékel.
Idézet:

A kapcsolásodon nem szerepel, de nyilvánvalóan ugyanazokon a pontokon rácsatlakozik az áramkörre, mint a motorvezérlő.”
A fedélzeti gép lényegében soros adatot kap (lényegében minden kommunikáló rendszer egy "sínre" csatlakozik), innen tudja, hogy elment valami, és ezt jelzi ki. Tehát ő már csak az lesz, aki közli a rossz hírt.
Azt lenne jó tudni mivel kommunikál az autó, mert most így mi is csak találgatunk. Más a CAN rendszerű és más egy sima régi autó javítási módja.
A hozzászólás módosítva: Júl 9, 2021
(#) palko0125 hozzászólása Júl 9, 2021 /
 
Sziasztok!
Sikerült szereznem egy eredeti Bluetooth szettet a 2010-es J-astrába. Bele is szereltem, minden stimmel.
A kérdésem az lenne, hogyan tudnám megoldani a szoftver frissítést? Esetleg van e valaki aki tud segíteni.
Kb 10 szervízt hívtam, akik vagy cak 2 hónap múlva vállalják, vagy nem vállalják stb.

Előre is köszi.
Üdv, Palkó.
(#) kiccsavo81 válasza Georgee hozzászólására (») Júl 9, 2021 /
 
Ki volt esve a transponder. köszi
(#) Georgee válasza palko0125 hozzászólására (») Júl 12, 2021 /
 
Ha navi 600/900 azt USB-n lehet. A navi 600at navi 900ra. Tudásban nem sok a különbség. Vana neten több .hex fájl, ezt betallózva tudod frisíteni. De kérdés, hogy a frissítés után tényleg elindul-e.
(#) Beringer 600 válasza Georgee hozzászólására (») Júl 13, 2021 /
 
Üdv
Olyan tippet is kaptam hogy a kulcskarikárol vegyek le mindenfèle lógó díszeket mert az imót bezavarhatja.
Nos èn kipróbáltam,előszedtem a másik kúlcsot de azon semmi kulcskarika nimcs s azóta nem csinálja a rendellenessèget.
(#) nyemi válasza Beringer 600 hozzászólására (») Júl 14, 2021 /
 
Azért ezt is érdemes tudni az immo chip-ről:"20 year EEPROM data retention"
De a lényeg, hogy megoldódott a problémád
Bővebben: Link
A hozzászólás módosítva: Júl 14, 2021
(#) Pityke72 hozzászólása Júl 23, 2021 /
 
Sziasztok!

Van egy kedvenc 1996 évjáratú Astra F (1.4 16V motor: X14XE) autóm.

Az középkonzolon az alábbi elektromos problémákat tapasztalom:

1/ Multifunkciós kijelző (idő/dátum/hőmérséklet) izzók időszakosan villognak. Az izzócsere nem oldotta meg a problémát.

2/ Az autó modern rádióval szerelt, a bekötés szabványos csatlakozókkal történt. A rádiót vagy nem lehet bekapcsolni, vagy egy idő után automatikusan kikapcsol.


Mi okozhatja hibát?

Köszönöm a segítséget..
(#) proli007 válasza Pityke72 hozzászólására (») Júl 23, 2021 / 1
 
Hello! Elsőként mindig a "testhibával" kell indítani a keresést.
(#) mazso1988 hozzászólása Júl 27, 2021 /
 
Sziasztok.
Tudja valaki, hogy G-Astrában (Z16XEP) merrefelé található a hűtőfolyadék vízszint jeladó? Illetve mennyire körülményes cserélni?
(#) zolika60 válasza mazso1988 hozzászólására (») Júl 27, 2021 /
 
Gondolom mint minden autóban a kiegyenlítő tartályban van. Nem ismerem a típust. Nem tudom mennyire bonyolult a csere, van olyan autó amiben csak tartállyal együtt lehet.
(#) mazso1988 válasza zolika60 hozzászólására (») Júl 27, 2021 /
 
Köszi
(#) proli007 válasza zolika60 hozzászólására (») Júl 27, 2021 / 1
 
Hello! A videó szerint a kiegyenlítő tartály aljában van..
(#) Georgee válasza mazso1988 hozzászólására (») Júl 29, 2021 /
 
Klikk Itt megtalálod. Ha esetleg gyárilag nincs beleszerelve, akkor utólagos beépítésnél fel kell programozni (engedélyezni kell).
(#) mazso1988 válasza Georgee hozzászólására (») Júl 29, 2021 /
 
Közben megtaláltam. Csak attól tartok nem a jeladóval lesz a baj. Mert "hidegbe" mikor éjjel áll az autó, másnap reggel induláskor kb(40km) utazás nem dobja a szint hibát. Délután mikor meleg a karosszéria, motortér elindulás után majdnem egyből bedobja a hibát.
A hozzászólás módosítva: Júl 29, 2021
(#) freddyke válasza mazso1988 hozzászólására (») Júl 30, 2021 /
 
Esetleg érdemes lenne széthúzni a csatlakozót és újból összedugni, előtte kitisztítani (pl. Video 90 spray-vel vagy finom benzinnel, alkohollal, esetleg levegővel). Nálam a fojtószeleppel volt gond, ki akarták cseréltetni velem és ez oldotta meg véglegesen a hibát. Egy próbát megér.
(#) mazso1988 válasza freddyke hozzászólására (») Júl 30, 2021 /
 
Széthúzást-összedugást már próbáltam,igaz be nem fújtam semmivel.
A hozzászólás módosítva: Júl 30, 2021
(#) Skoevy hozzászólása Aug 5, 2021 /
 
Sziasztok!
2005-ös, Z14XEP kódú Opel Astra G Classic-kal tapasztaltam a következő furcsaságot.
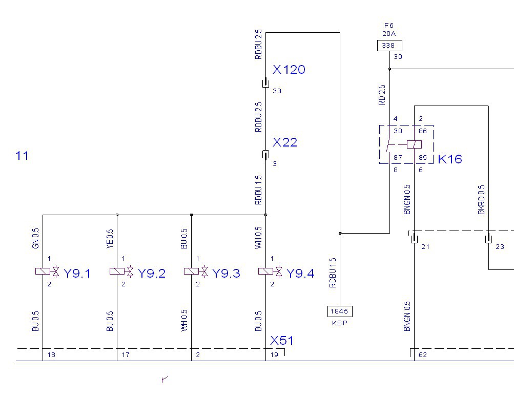
Benzinnyomás esés miatt nyomoztam a pumpa áramkörein, és a lehúzott tank csatlakozó (X50) szivattúhoz menő érintkezőin (A-B) az alábbi feszültségeket mértem.
A gyújtáskapcsoló II állásában: (kb. 1 s 12 V impulzus után) 3,6 V, innen I-es és 0 állásra kapcsolva kb. 5 s-ig 3,6 V, majd 0 V.
Ugyanez kiszedett K16-os (pumpát táppal ellátó) relével, a 12 V-os impulzus nélkül; kiszedett K18-as (a K16-ot és egyéb szenzorokat táppal ellátó) relével a II állásban 3,49 V, más állásban azonnal 0 V, kiszedett F62-es biztosítékkal ugyanez.
A rajzból az látszik, hogy a pumpa és a befecskendező szelepek +12 V-os ágai párhuzamosan vannak, de semmi más nem csatlakozik hozzájuk, csak a K16 relé 87-es (behúzott állapotban +12 V-ot adó) lába, így nem értem, hogy lehet ott 3,6 V.
Ha valakinek van ötlete, hogy tudok továbblépni ennek a kóbor feszültségnek az elhárításában, megköszönném, ha megosztaná velem. A nyomásesést nem ez okozta, hanem a pumpát és tankfedelet összekötő cső kirepedése, de szeretnék egyúttal ettől a hibától is megszabadulni.
(#) proli007 válasza Skoevy hozzászólására (») Aug 5, 2021 /
 
Hello! Nem a kocsival kapcsolatban, hanem a méréseddel..
Terhelés alatt mérd a feszültséget? Mert a műszer 10MOhm-os belsőellenállásán 3,6V értéket már 0,36uA áram is létrehoz. Ekkora átvezetést pedig bármely elkoszolódás képes okozni. Ha a mérőpontot csak 1k ellenállással terhelsz, már is 10000-szer kisebb feszültséget mérsz..
Én soha nem egy digitális műszerrel keresek hibát egyszerű áramköröknél. Egy Deprez műszer ha mutat, akkor ott tényleg van feszültség.
(#) Skoevy válasza proli007 hozzászólására (») Aug 5, 2021 /
 
Köszönöm a hozzászólásodat.
Multiméterrel mértem, direktbe kötve a csatlakozóra.
Tanácsodra viszont kipróbáltam egy 20 kohm-os ellenállással söntölve a műszert, és gyakorlatilag ugyanannyit mutatott.
(#) Skoevy válasza Skoevy hozzászólására (») Aug 16, 2021 /
 
Sok-sok próbálgatás után sikerült rájönnöm az okra, le is írom, hátha valakinek hasznára lesz.
A 3,6 V az ECU szelep- és relétekercseket meghajtó kimeneti portjain lévő inaktív szint (az aktív szint 0 V). Ezt mértem 4 db párhuzamos injektorszelep tekercsein át, a rajzon KSP-vel jelölt ponton.
Szóval ez nem kóborfeszültség, hanem üzemi.

Az ECU kimenetét ennek alapján leginkább egy open kollektoros, 3,6 V tápra soros ellenállással és védődiódával felhúzott kapcsolásnak képzelem.
A hozzászólás módosítva: Aug 16, 2021
(#) proli007 válasza Skoevy hozzászólására (») Aug 16, 2021 /
 
Hello! Nekem a rajz alapján inkább az a gyanúm, hogy az ECU visszaméri a KSP pontot, hogy a relé oda tudta-e adni a tápot. Ennek a bemeneti felhúzójának feszültségét látod, mikor a relé ki van kapcsolva. Így a proci az injector meghajtót is ellenőrizni tudja, ha bekapcsolja a meghajtót egyenként, a relét meg nem.. De ez csak spekuláció.
(#) mazso1988 hozzászólása Aug 17, 2021 /
 
Sziasztok.
2007-es évjáratú G-Astrámnál a következő hibajelenség jött elő.
Az autó elkezdett rángatni majd megjelent a műszerfalon a gépkocsi motorelektronika villáskulccsal szimbólum.Ekkor a motorvezérlőből a P0340-es (vezérműtengely jeladó hiba) kódot lehetett kiolvasni. Hibakód törlés után az autó elindult egyenletesen járt. Majd a motorvezérlőn az „M” jelölésű csatlakozót picit megmozgatva a motor rögtön lefulladt.
Elképzelhető, hogy a motorvezérlőben a csatlakozó forrasztásai kontakthibásak lehetnek?
Következő: »»   121 / 141
Bejelentkezés

Belépés

Hirdetés
XDT.hu
Az oldalon sütiket használunk a helyes működéshez. Bővebb információt az adatvédelmi szabályzatban olvashatsz. Megértettem