Fórum témák
» Több friss téma |
Fórum » PC táp átalakítás
Sziasztok!
Kedvet kaptam (ismét ) egy kis pc táp átalakításhoz. Azért hagytam abba régebben mert 2003 as ic volt benne és nem lehetett vele mit kezdeni, de én kísérletezgettem most vele és tényleg nem lehet sok mindent kezdeni vele. A táp hasonló ehez a rajzhoz. Kigyomláltam pár feleslegesnek tűnő alkatrészt . A lényeg , hogy ha elindítom a tápot akkor az R31 es ellenállás (ic 6-os lába) elkezd melegedni ezt akkor vettem észre mikor kis füst szállt fel erről a részről és a kis 1/4 w os ellenállás forró volt annyira hogy az ónt meg is olvasztotta . Mikor kicseréltem hasonló ellenállásra akkor áramfelvétele kb 4-500 mA volt (IC és az ellenállás között mértem) Lehet hogy tönkrevágtam az ic-t? Bekapcsol még, meg tudom is keveset terhelni néhány száz mA-val.A válaszokat Köszönöm!
Szia!
Tévedsz, lehet vele mit kezdeni.Van orosz leírás, lehet 0- 25V-os szabályozható tápot csinálni, nekem most megy a teszt.Bővebben: Link Az utolsó előtti komment alapján csináltam, és működik. Üdv.!
Sziasztok!
Elektronikával csak hobbi szinten foglalkozom, programozó vagyok foglalkozásomat tekintve, így felhalmozódott pár darab elég drága, de már használaton kívüli ATX-es tápegységem. Jellemző hogy csak cooler problémáik vannak, tehát semmi nagyon komoly gond nincs velük. Ahhoz hogy kidobjam őket elég drágák, de ötletem nincs mit tudnék esetleg velük kezdeni. Gondoltam rá, hogy esetleg egy egyszerűbb hobbi labortápot készítenék belőlük, de ahhoz nem hiszem, hogy a jelenlegi tudásom elegendő lenne. Tudnátok esetleg adni tippeket/ötleteket, hogy hogyan tudnám hasznosítani ezeket a tápokat? A válaszokat előre is köszönöm!
Jó estét!
Voltam olyan ügyes, hogy kipróbáltam egy akkus csavarozót az átalakított pc tápról...A T2 és a D1-D2 között minden elfüstölt.Sajnos nincs több nagyáramú 13007-esem, csak irfp 460-as fet van itthon. Lehet-e helyettesíteni ezzel, kell-e módosítani hozzá valamit? Mellékletben van a rajz valamint az adatlapok. Valaki szánjon meg és segítsen, mert nagyon elkeseredett vagyok!Előre is köszi!IRFP460,d13007k
Szia!
Szerintem kössél sorba két tápot. A " felső" 0 voltját kösd le a fémvázról, hogy ne legyen zárlat. Így kaphatsz a kapcsoló állásától függően 5, 7, 12, 17 és 24 voltot és kellő odafigyeléssel ( más 0-referenciával ) + / - feszeket is. Amikor a 12 voltos részt is használod, csak azt a max. ampert veheted ki, 5 és 10 voltnál pedig a nagyobbat nyilván ( a doboz cimkéjén látod, de elég a 70-75%-a.. ).A kapcsoló természetesen bírja az áramokat! Diódákat termelj ki a felesleges tápokból, ezek szerint van bőven, a maradékot pedig tanulmányozhatod. Rakhatsz utána analóg szabályozható tápot is, így viszonylag kis veszteséggel ( más-más bemenő fesz ) tudsz dolgozgatni.
A 13007 nem FET, tehát NEM helyettesítheted.
Kapásból más meghajtótrafó kéne oda... inkább szerezz tranyókat és vizsgáld meg kis teljesítménynél, mitől lehetett füst.
Szia!
Köszi a választ! Tettem sorba egy 60W-os izzót, kicseréltem a szétégett dolgokat (13007-ek nélkül), így bekapcsolásnál egyet villan, aztán kialszik, úgy tűnik, nincs zárlat. Kedden tudok tranyót szerezni.Üdv.!
Köszönöm szépen, akkor megpróbálkozok vele
Sziasztok!
Van egy Codegen 400W rápegységem amit egy sg6105a ic vezérel és ezt szeretném állítható feszültségűvé tenni ezt meg lehet valahogy oldani?
Szia!
Hát nem igazán lehet megoldani, mert tele van buktatóval a dolog. Mármint azt az IC-t kifejezetten PC tápokba szánták. Szerezz másik tápot
Szia!
Rendben szét nézek még itthon hátha találok!
Üdv!
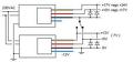
Szeretnék átalakítani egy ATX-es tápot, KA3511-es IC van benne 15V-ra és legalább 3A terhelhetőségre lenne szükségem. De ha szabályozható lenne az se gond
Ezt a rajzot találtam Min kéne változtatni?
Hello!
Túl sok dolgon kéne változtatni. Bele se fogj ![]() Oka: ugyan az, amit morzsa15 -nek írtam le pár napja
Lehet, hogy nem annyira vészes...ki kell herélni a +5V és +3,3V-os részeket (a - nem gond, nem figyeli, ill. a PT-nél számít a -5V). A +12V-ot a figyelő láb (15) felé meg kell szakítani és egy ellenállásosztóval beállítani, hogy +15V esetén legyen az IC-nél 12V, valamint ezt a 12V-ból megcsinálni a +5V-ra és a +3,3V-ra is. Ami még lehet, hogy módosításra szorul, a 12V-os tekercsről a D13-on keresztül visszavitt IC táp, mert itt is várható 25% feszültség emelkedés...mivel 1,5W az egész IC, meg lehet fogni egy zenerrel, 30V-nál max.
Természetesen a szokásos kondi feszültségeket figyelni és cserélni, ha kell. Hopp, tényleg ott van még a PT láb, ott meg lehet, hogy elegendő a PT és a föld között levő ellenállást 25%-al csökkenteni, valószínűleg még így is belefér az 1/4, vagy 1/8W-ba. Vagy ezt is lehetne a +12V-ból osztani, 1,25V kell neki... Vagy nem jó így? ![]() Affene, most nézem, hogy a 12V-os tekercs közepe nem test, hanem a +5V...ott a pufferig meg kell hagyni az alkatrészeket... A hozzászólás módosítva: Szept 16, 2014
Hmmm...kezd igazad lenni, az EA láb is figyel, de oda is 1,25V kell, össze kell kötni a PT-vel!
Igazából az 1-es referenciafeszültség potmétert eltekertem, így kicsikartam belőle majdnem 13V-ot Az már elég a töltőmnek
Talán nem is kell nagyobb módosítás bele. Egyelőre megteszi, bár az áram leadó képességét még nem teszteltem. A hozzászólás módosítva: Szept 16, 2014
Inhouse, ne aggódj! A skizofréniával soha sem vagy egyedül
![]() Egyébként nyilván megoldahtó, és nem is állítottam hogy lehetetlen. Majdnem minden megoldható, csak kérdés, hogy érdemes-e. A cél eléréséért ezt nem érdemes végigszenvedni. Ellenben egy laptop töltő -már szinte- sikít, hogy ő tökéletesen alkalmas lenne a feladatra. Legrosszabb esetben egy soros disszipatív szabályozóval. De a régi, 200W -os AT táp is nagyon jól érezné magát a feladat (3A @ 15V) teljesítésekor.
Oké, lehet vele játszogatni. De az már nem "PC táp átalakítás".
Tudom, világos
csak miután jött hogy bonyolult, akkor megpróbáltam, és sikerült kisajtolnom átalakítás nélkül is.
Eddig 2db 24V/3A volt a legtöbb...persze AT és TL494
Sziasztok.
Remélem nem baj hogy ideírok de valamennyire ide is tartozik. Van nekem egy DVD lejátszó tápegységem,amit előállít 12-5-3.3V-tot gyárilag ezzel nincs is semmi baj. De én szeretném picit átalakítani úgy hogy egy potméterrel tudjam változtatni a kimenő feszültséget. A tápegység lelke egy DH321-es PWM ic ez szabályozza a trafót a ami előállítja a kimenő feszültségeket. Na már most hogyan tudnám ezt meg változtatni hogy magasabb feszültséget is kitudjak hozni a tápegységből? A kondikat kifogom cserélni 25v-osra mivel csak 16-osak vannak. Teszek fel képet hogy ne vakon mennyen az egész. Meg csatolom az ic adatlapját is. Előre is köszönöm.
10-20%-nál magasabb feszültséget nem tudsz kiszedni a névlegesnél büntetlenül. Ahhoz a trafót át kell tekerni/alakítani.
PC tápnál ez igen egyszerűen megoldható, mivel több párhuzamos vezetékből van tekerve, valamint a -12V tekercse is ugyanolyan vastag. 2 megoldás is működik. Ez nálad nem lesz járható...
Szerintem sincs sok értelme feszt emelni, mert:
- a kivehető teljesítményed nem fog növekedni, ha nincs tartaléka az IC-nek, - meg kellene mérned, mekkora kitöltési tényezővel megy most max terheléssel és hasonlítsd össze az adatlapon található értékkel, - növekedne a Vcc értéke is, ami az adatlap szerint 18 volt körül van és ki tudja, mennyi lenne. Ha megfejted a szabályzó kört és be tudsz avatkozni a fentieket figyelembe véve, akkor elérsz a lehetséges maxhoz.
Köszönöm szépen.
Nézegettem a panelt meg vizsgálgattam és igazad van nem sok tartalék van benne ezért kár is piszkálni mert csak tönkre menne. 12v-os ágon is kicsi mA-per folyik mivel egy 0,21a-os ventilátort nem képes megforgatni bár ez nem kéne hogy akadály legyen szerintem.
Akkor az éppen egy nem terhelhető részfeszültség a huzal miatt.
Hy!
Azért a ventilátort meg kellene forgatnia, hidd el. Valószínűleg nem a 12V-os ág feszültségére stabilizál a szabályzó. Egyébként nem bonyolult. Van ott az az optocsatoló. Az lesz a megoldás kulcsa. Az IC egyébként 17W -ot tud maximálisan. Vissza kéne rajzolni a kapcsolást. A hozzászólás módosítva: Szept 17, 2014
Igen mint írtam is ennek mennie kellet volna.
Csak annyit szeretnék elérni hogy 0-15v között tudjam vezérelni a kimenő feszültséget a 3.3-5v-os ág nem kel nekem ezt szeretném valahogy megoldani. Azt nem tudom hogy mekkora áramerősséget lehetne vele elérni amit kilehet hozni belőle.
Oké, értem. Hát vissza kell rajzolni a szabályzókört. Addig semmihez nem érdemes nyúlni!
A 15V-ot még ki tudod szedni belőle, kb 0,7 - 0,8A mellett. Még annyi, hogy az IC 1-es és 2-es lába közé be kell majd kötni egy 18V -os zener diódát; nehogy megszaladjon a saját maga tápfeszültsége. Na és itt már el lehet gondolkodni, hogy nem lenne-e egyszerűbb egy soros disszipatív szabályzó, búgófrekvenciás transzformátorral. Csak mert kis teljesítmény, relatív sok munka, beláthatatlan végeredmény.
Igen az utóbbival egyetértek van is egy 25~v-tos trafóm egy erősítőből egyenirányítottam és puffereltem egy 35v-tos kondival és a kimenőfeszültség 33v DC pontosan nem tudom mekkora a teljesítménye mert nem mértem ki hogy mekkora áramerősséggel dolgozik 33v-ton.
Lehet nem érdemes vele nagyon bíbelődni ha nem tudok legalább 1A-ert kiszedni belőle. az optócsatoló A hozzászólás módosítva: Szept 17, 2014
|
Bejelentkezés
Hirdetés |




) egy kis pc táp átalakításhoz. Azért hagytam abba régebben mert 2003 as ic volt benne és nem lehetett vele mit kezdeni, de én kísérletezgettem most vele és tényleg nem lehet sok mindent kezdeni vele. A táp hasonló
. Mikor kicseréltem hasonló ellenállásra akkor áramfelvétele kb 4-500 mA volt (IC és az ellenállás között mértem) Lehet hogy tönkrevágtam az ic-t? Bekapcsol még, meg tudom is keveset terhelni néhány száz mA-val.









