Fórum témák
» Több friss téma |
Fórum » PC táp átalakítás
Szia!
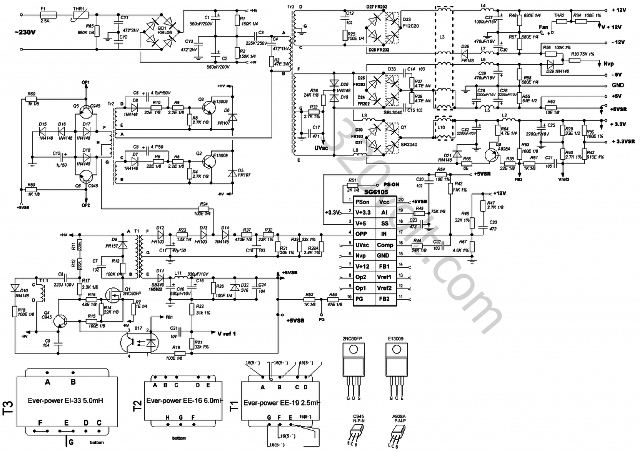
Leírom, hogy én hogyan csináltam. A tápnak jól kell működnie, ha rossz, előbb javítsd meg! A kimenő részről a nagy diódák után mindent kiszedtem a -5V,-12V,+12V,+3,3V-os ágakról. A nagy fojtó marad, utána és elé tettem egy 2200uf-os low esr kondit a +5V-os ágba aC28 helyett, R61 nem kell. Kivettem az L1, L3, Q7, D25, D26, R54, R52,R55,D24, R58,D27,R63( itt R64-et az 5-ös lábra kell kötni) R57, R62-őt. Az 1-es lábat a4-essel összekötöttem,1-est 500 ohmmal a 3-asra, 3-ast 1K-val a 12-esre (mert a 3-asnak 3,3V-ot kell kapni). Az R60 helyére megy majd a poti (nekem 78.5K-nál 18V a kimenő fesz, 24V-hoz több kell), a poti vezetéke a legrövidebb legyen és a házhoz közel kell vezetni a gerjedések elkerülése végett.A rajz jobb alsó 3.3V-oságát a 3-as lábra kötöttem. A sárga (+12V) és a piros(+5V) vezeték alatti "padokat" összeforrasztottam 1 vastag dróttal a nyákon. A főtrafót és a kimenő részt így módosítottam. Még a 6-os lábnak kell 12V-ot adni, az orosz a C15-öt összekötötte a 6-osra menő 1K-val ( a C15-ön 16V van, le is lehet osztani egy 500 ohm-1.5K osztóval). A ventit megfordítottam, és egy 7812-esről táplálom. Próbánál a primerrel köss sorba 1db 40-60W-os izzót, ha nincs zárlat már nem kell, a potit óvatosan tekergesd! Bocs, de nem szakmám az elektronika, ezért írom ilyen részletesen. Azt hiszem, ennyi, sok sikert a megépítéshez! Üdv.! A hozzászólás módosítva: Feb 8, 2015
Hálásan köszönöm !
(én is "csak" hobbiból csinálom és bevallom, hogy pont ilyen részletes leírást szerettem volna, már csak azért is mert ilyen átalakítást nem sokat csináltam még)
Üdv Ge Lee
Köszönöm a választ , apró hibát találtam ( vagy csak elnéztem ? ) T1 trafó primer oldalán 1x 4ö menet van és nincs ott a +12 Volt ( T1 , T3 tranyó nem kap feszt ) . Ott 2x 40 menet kell vagy 2x 20 menet kell ? Érdekes ez az emitter kicsatolású megoldás ! , először ilyen megoldással egy E-bike téltőjében találkoztam visszarajzolás ( ott trafós áttétellel 230/36 Volt hálózat leválasztás érintésvédelmi szempont ) . A kérdéses táp panelja TEMERO nevű , több infót nem láttam rajt vagy csak elbújt a sok apró szitázott betűk közt ! ![]() Méregettem a kérdéses áramváltót 0.0 - - 0.35 Volt fesz van , terhelés függvényében . Köszönöm még egyszer !
Üdv Ge Lee
Bocs elnéztem , igen T1 és T3 süti ki a C8 kondit (T1 primerén ) míg a T2 T4 tölti a C8 kondit ( D2 D3 ) .
Sziasztok!
Nincs meg nektek a linkelt rajz nagyobb és jobban olvashatóbb formátumban? Bővebben: Link Ilyen tápot szeretnék javítani, mert a vsb része eldurrant.(Codegen 400W SG6105dz-vel) A hozzászólás módosítva: Feb 8, 2015
Üdv!
Hát ez nem tökéletes, de abszolut olvasható rajta minden!
Igazán nincs mit! Ez ugyan az a kép, amit te mutattál nekünk. Csak én rákattintottam a keresőnél a megfelelő gombra: "view image".
A hozzászólás módosítva: Feb 9, 2015
Valaki írta egyszer itt hogy a potméter lábaira egy pár száz nanos kondi kiküszöböli a gerjedést. Nekem is szükségem volt rá, de már nem emlékszem milyen értékűt tettem bele. EZ lett belőle.
A hozzászólás módosítva: Feb 9, 2015
A 2SD127 jó lett helyette. Már jó a táp, köszönöm a rajzot.
A kijelzést hogyan oldottad meg?
(nekem is jó volna egy ilyen táp) Van egy codegen 400W tápom, amit most "alakítok".
Szerintem ha a kapcsolási rajzon ugy van, akkor belerakhatod. Csak azon gondolkoztam, hogy talán a te tápod már egy javított verzió és azért raktak bele erősebb tranyót, mert gyakran elhalálozott a C945... De én biztos az ss8050-est tenném bele.
Nem így van, a tápot először javítom. Semmi forrasztás és egyéb nyom nem található rajta.
Nálam romlott el úgy, hogy nem vártam eleget hogy bemelegedjen és eldurrant a vsb része. Az SS8050-et tettem bele mert rendeltem és a táp hibátlan. Most következik az átalakítása.
A "javított verzió" azt jelenti, hogy 1-2 széria után a gyártó megváltoztatja a terméket kis mértékben, de attól az még ugyan az a termék, és aként is forgalmazza.
Ennél a tápnál maradok átalakításügyileg, mert a másik (sg6105dz ic-s ismét eldurrant
)A TL494 ic gyári alapkapcsolásában a link szerint ahogy van a 1-2 és 15-16 pin úgy maximális lesz a kitöltési tényező? Hogyan lehet ezt maximumra vinni? Bővebben: Link A hozzászólás módosítva: Feb 13, 2015
Arra gondoltam amit szucsip írt.
![]() A teljesítmény akkor maximális, ha a kitöltési tényező 50-50%. Az adatlap szerinti alapkapcsolás általában beválik. Ott is 50%-ban maximalizálták a kitöltési tényezőt. De ez azért egy sovány adatlap verzió, a gyári ajánlásokról itt találsz több infót: TL494 application note A saját tápegység építéséhet az összes belső áramköri megvalósítását ismerni kell, amíg nem tudod betéve a TL494 adatlapját, kapcsold is le a villanyt, nehogy "kísérletbe ess" ! A hozzászólás módosítva: Feb 14, 2015
A kitöltési tényező alapból közel 50-50%, mínusz a holtidő. Az IC 1-2 és 15-16 lábai a 2db hibaerősítő bemenete. Ha ezek nem invertáló bemenete magasabb szintre kerül mint az invertáló, akkor a kimenetek le lesznek kapcsolva, vagyis 0% lesz a kitöltési tényező. Mint ahogy akkor is, ha a 4-es (DT) lábra kb. 2,8V-nál magasabb feszültség kerül.
Ha nem tudod értelmezni az adatlapot, akkor fogj egy 494-et, tedd köré azt a 2-3 alkatrészt ami a működéséhez kell, adj neki tápfeszt, és tedd rá a kimenetekre a szkópot.
Sziasztok ! A következőben kérnék segítséget:
Bocsi ha nem olvasom végig a 160 oldalt, s bocsi ha itt kérdezem de biztos van itt jópár TL494-es szakértő. Az alábbi kapcsoláson ezen mennyit kéne még alakítani hogy a TL494-es 4. lába a DTC is vezérelhető legyen. Vagyis a legegyszerűbb DTC vezérlést hogyan lehetne kialakítani ? A cél egy olyan TL 494-es vezérlésű táp lenne(gate trafó + Fetek) lenne ahol a kimenő feszültség mellett mondjuk a kimenő áram is 0.3 A-től felfelé állítható lenne power és CoB ledek külön áramgenerátor nélküli meghajtásához Én ha lehet én még a műveleti erősítős részt is kihagynám mert a kimenő feszültség egy sima 10 Kohomos potival is szabályozható. A DT-t is lehet csak simán egy potival vezérelni ? Még egy kérdés úgy hogy soft startal induljon de után a DTC is állítható legyen "manuálsian" potival bonyolult lenne megcsinálni ?
Elég ha a kettővel ezelőtti hozzászólásomban szereplő adatlapot elolvasod. Ahogy látom a 15,16-os láb nincs is használva, az a műveleti erősítő meg amúgy is áramkorlát érzékelésre van tervezve, úgyhogy minden további nélkül használható erre a célra. Én a DTC-t nem ajánlom áramkorlát beállításra, mert azzal valósítják meg a soft-start funkciót... 20.-21.-22. oldalt tanulmányozd át!!!
Sziasztok!
Átalakítás alatt van egy ATX táp, eléggé sok időt töltöttem már vele, de rájöttem, hogy a standby tápja önrezgő flyback. Másik tápot nem akarok átalakítani, ezt szeretném robusztussá alakítgatni. Zener diódát raknék a két szekunder körbe és eléjük polyfuse-t. A primer oldalon kicserélhetem az elektrolit kondit, ugyanolyan kapacitású és feszültségtűrésű kerámiára? Nem ismerem teljesen a működését, szóval nem tudom, hogy az ESR különbség gondot okozna-e. Másik megoldásként mellédobálnám az optocsatolót TL431-et és az aprólékot. Másik dolog amit cserélni szeretnék az a kapcsoló tranzisztorok bázisán lévő RC tag kondenzátorai. Ezeket közvetlenül a hűtőborda mellé ültették, itt is kerámiában gondolkodom.
sziasztok. Van egy fsp atx 350gtf pc tápom, erről szeretnék egy sztereó tda 2030-as erősítőt működtetni.
Az erősítő szimmetrikus tápellátáshoz van megépítve. tudna valaki segíteni hogy mit kell kicserélnem a tápban, Vagy mit kell átalakítani?
Először tudni kéne milyen feszültségre van tervezve az a TDA2030-as kapcsolás.
Max +18 v és -18 v
én egy +14 és -14 v ra gondoltam de ha megy 12-vel is akkor teljesen jó az is.
Az Atx-esekhez anyira nem értek, de az AT-sek stabilan általában +-20V-ig húzhatóak.(25V-nál már leejti nagyobb terhelés hatására.) Hogy mit kell átalakítani azt majd talán a nagyok megmondják.
Sziasztok! ATX tápegységben az 5V SB testpontját el lehet választani a többitől? Tulajdonképpen két ATX tápegységet szeretnék összekötni sorosan: PC_TÁP_1_GND ---> PC_TÁP_2_12V, PC_TÁP_1_SBGND_PC_TÁP_2_5VSB) És akkor volna összesen +24V kb 10A, illetve +10V Standby?
Kapunyitó elektronikához kellene, 10V a jelvevőhöz, és 24V a motorokhoz, ami nyitja a kaput. Eddig 70VA trafó volt a kapunak, de nagyon lassan nyitotta, és megnéztem az adatlapját max 4,5A vehet fel a motor, illetve tudniillik nekem 3 olyan motor van, 2-t egybe lehet vezérelni (2szárnyas kapu), a másik motort külön.
Szerintem egy táp is elég. A segédtáp előállít az 5 Volt mellett 12-14 Voltot is a szabályzó IC részére, ez jó a jelvevőhöz. Kissé
átalakítva a tápot 2x12 Voltra (szabályzást és védelmet is) biztos tudna annyit, hogy ha nem is mind a három motort egyszerre (kb 300 Watt), de kettőt el tudna vinni. |
Bejelentkezés
Hirdetés |





(én is "csak" hobbiból csinálom és bevallom, hogy pont ilyen részletes leírást szerettem volna, már csak azért is mert ilyen átalakítást nem sokat csináltam még) 







