Fórum témák
» Több friss téma |
Fórum » PC táp átalakítás
Légy szíves igazítsd útba Te innentől.
[OFF]Nem alakítottam át még tápot, tervben van. Nem tudom az IC működését, csak nagyjából. Arra próbáltam figyelmeztetni, ne csináljon butaságokat. De mindig ki akarja próbálni, félig szétszerelt állapotban. Tapasztalt meg nem akart eddig hozzászólni.
Nos mindenkinek:
A trafót már áttekertem ezt nem lehet vissza csinálni.Kiszedek mindent az IC. kívül és úgy építem vissza ami kell.Akkor a 4es lábhoz menő sávot átvágom és letestelem. De most egy kicsit kéne tanulni is ![]() ![]() De utána nekiesek és írok hogy mi történt. Az IC-t az egyik kis trafó táplálja ugye?
Hali.Csináltam még 3 képet a mostani állásról.Az IC körül mindent kiszedtem.Mert van egy kép itt a témában egy tápjól és ott talán 8-10Alkatrész van azt IC-nél össz.Ha valaki le tudná akár paintban szedni hogy mi az a pár alkatrész ami kell az IC körül azt megköszöném.Sendi rajzában van a trafó ott pár cucc és ennyi.
Csináltam egy paintot hogy hogy néz ki most de képeken látni.Az IC egyik oldaláról mindent kiszedtem a másik(táp)oldalról semmit.Sendi rajza szerint az 1től a 8as lábig talán 4 alkatrész ha van.Bővebben: Link
És így nem jó az IC bekötés.Ezt az eredeti rajzból vettem ki.
Én is csak "lesem" a fejleményeket. Enyém a néhány szólással lentebb található táp. Szerintem sem kell áttekerni. Megmaradt a tekercs közép testelése, így kell még 2 dióda, (1 tok) és megvan a szimmetrikus feszültség. De nem akarok más "dolgába" belekontárkodni. Egy autót, csak egy ember irányítson.
Én annak csak örülök ha minél többen írnak annál többet tanulok.(viszont a vezetésre igaz itt nem
)
Figyu!
Szerintem nagyon gyorsan tegyél vissza mindent oda, ahonnan kiszedted, amíg még emlékszel,hogy mit honnan szedtél ki!! Ezek nem szabványos dolgok. Pl a visszacsatolás is el szokott térni, de ami sokkal fontosabb: a frekvencia. Ha Rt vagy Ct értéke változik, akkor a pwm frekvencia is változik,és annak sem te, sem a tápegység nem fogtok örülni. Szóval termelj csak szépen vissza mindent!
Hát ha találok egy rajzot akkor visszarakom.
ÉS semmiképp se lehet megoldani hogy ne legyen IC?
Én lehet, hogy a következőt tenném. Ezt a tápot félre raknám, (tanuló pénz) és keresnék egy olyat (nem túl drága) amelyiknek megtaláljuk a rajzát, és a trafót nem szét szedve, valaki irányításával közösen lépésről lépésre haladva alakítanád át. (pozíciószámok segítségével könnyen irányítható az átalakítás)
Okés.Akkor ez a táp fére.
Van egy másik tápom itthon.Csinálok róla képeket de a vezetékek eltávolításán kívül nem csinálok semmi. Akkor várom a lépéseket sorba.És mást nem csinálok. És ha nem tévedek eza rajza.
O-Ó.Tévedtem.Nem az a rajza.Ebben 2 IC van.Egy 494es és egy másik.Csináltam róla pár képet.Várom az ötleteket.Előre is kössz.Bővebben: Link
Esetleg ha ehhez nem lenne rajz akkor van még egy ACORP LC-A300ATX is.
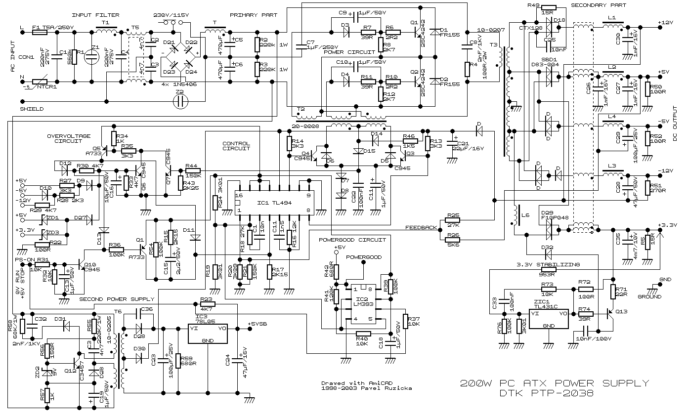
Szereztem több rajzot is.Mivel a a 200W-osnak nevezett táp kapcsolási rajzában van 2 IC szerintem az érvényes nálam is.
Csatolom mind a 3at ami szereztem.
Helló.
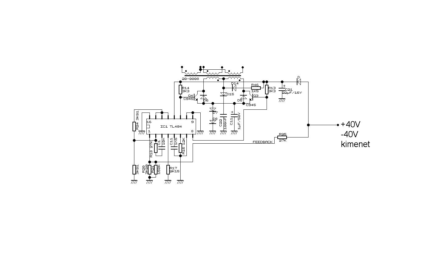
Látom senki nem akar kezdeményezni. Akkor csapjunk bele a lecsóba. Amelyikben a TL 494 es van, azt a legkönnyebb átalakítani. (nekem is abban van gyakorlatom) Ha nincs meg a pontos rajza akkor a három rajzod közül a második alapján vezetlek. Itt kérem a többi hozzáértő tagot, hogy kontrolláljanak, és ha tévednék, jelezzék. (mindenki tévedhet), mindig lehetnek jó, vagy jobb ötletek. Előre is köszönet minden segíteni akarónak. Tisztázandóak: Hány voltot, ampert szeretnél, szabályozhatót, vagy fixet, áramvédelemmel, vagy nélküle, mindkét oldal stabilizált legyen, vagy elég csak az egyik.(szimmetrikus tápnál) Ismereteid mélysége: Ohm törvény, eredő ellenállás számítása, feszültség osztó, alkatrész ismeret, trafó tekercselési (elméleti) úgymint, kezdetek, végek, sorba kötés, fólián "nyomkövetés", alap mérések ismerete. Van e multimétered, esetleg induktivitás mérőd, és esetleg szkópod. Elnézést de nem ismerjük egymást,és nem ismerem a lehetőségeidet, képességeidet. Ha ez így jó, akkor én is előveszek egy 494 es tápot, és én is csinálom ugyanazokat a lépéseket. Ha ez megfelel neked. Javasolnám a "PC táp átalakítása" című "alapmű" átolvasását amelyik itt a fórum cikkei között van. Így tudni fogod, hogy miről beszélgetünk. Ha mindezekkel már tisztában vagy, akkor elnézésedet kérem.
Hali.Jó reggelt.
Szóval.Szerintem is a második rajz a legpontosabb mivel ebben is ami nekem van 2 IC van.És abban van a 494es Ic is. A tápnak +-40V kell semmi más.Nem kell szabályozható legyen csak fixen.Erősítőbe kell.MOst +12V-on 12A ad le.Az erősítő 100W-os de sub erősítő így nem árt a több kakaó.De 40V-nál több nem lehet mert a tranyók 45V-ig bírnak. Múltiméter van. Az alkatrészeket ismerem már építettem már dolgot.A fólia csíkokon is eltájékozódok. 9.es középiskolás fizika szint megvan plussz még egy kevés ami csak úgy magamtól tanultam.
Szia.
Rendben. Írd meg a panel pontos típusát, hátha meg van nekem a rajza. (ha van rajta típus szám) Megtudjuk oldani egy táppal, de akkor csak az egyik, a +40V lesz stabilizálva. Áramvédelmet ezek szerint nem kérsz (majd biztosítékot teszel be, és nem zárod rövidre.) A trafóval kezdünk, én is megyek megkeresem a tápot és kiforrasztom a nagy trafót. A multid mér induktivitást?
Hali.Típus a panelon nincs de a dobozán a SWITCHING POWER SUPPLY MODEL:300ATX-P4
felirat van. Iylen multim van:Bővebben: LinkSzerintem sajna induktivitást nem mér ![]() Igen védelem az biztosíték lesz.
Én is kivettem a nagy trafót de máshoz nem nyúltam.
Ja de.Kicsréltem a elkot mert pupos volt.
Semmi baj. Így csak jobban kell figyelned, mert nem tudod magad ellenőrizni. Akkor induljunk neki. Ha túl szájba rágós, akkor szóljál. Kiveszed a trafót. A trafó mint a rajzon is látod, 4 fő részből áll. A testeléshez közeli kettő (5V-os) 3-3 tekercs van párhuzamosan, mert az nagyobb áramot ad le eredetileg. Ezeket kell majd sorba kötni. Fontos, hogy a tekercseknek van kezdete és vége. (nem csak fizikailag
) A kezdeteket egy pont-tal jelölik. Sorba kötni őket, hogy a feszültségek összeadódjanak, mindig úgy kell, hogy az egyik vége a másik kezdetével, az a harmadik kezdetével, és így tovább.Szét bontod a közös (test) szálakat, és az A és B lábak kivételével a lábakról leveszed a tekercseket, ( a leírás alapján) úgy hogy tudd melyiket honnan vetted le. Ohm mérővel szétválogatod a tekercseket. És nagy figyelemmel elkezded a sorba kötést. 1 kezdet marad A-n, 1 vég 3 kezdet , 3 vég 4 kezdettel, 4 vég 5 kezdet, 5 vég kivezetve marad(test), 6 kezdet kivezetve marad (test), 6 vég 7 kezdettel, 7 vég 8 kezdettel, 8 vég 2 kezdettel, 2 vég marad B-n. Azt hogy a 3-3 tekercs közül melyiket nevezed 3-4-5 nek, illetve 6-7-8 nak az mindegy. Estig ezzel eljátszogathatsz majd folytatjuk. Nagyon figyelj, mert ez a "lelke" az egésznek, és a lábakra forrasztott vezetékeket úgy szedd szét, hogy ne érjenek (galvanikusan) egymáshoz. Én zsugorcsövet húztam mindegyikre egészen a tövéig. Ohm mérővel ellenőrizd le. A rajzok az eredet állapotot mutatják.
Hali.Átkötöttem a trafót.Szépen egyenként átkötöttem és most csak 4 kivezetés vami él.Azért 4 mert a 2GND-t nem kötöttem még össze hogy megnézzem nincs-e zárlat de szerintem jó lesz.Az A pont ás a GND között 0,4ohm van és ugyan ennyi a B pont és a GND között is.Még megy majd a csupasz frrasztásokra zsugorcső
Helló. Ha úgy csináltad, akkor ügyes vagy. Én is elkészültem a trafóval. Az hogy a GND-hez képest 0.4 ohm-t mérsz, az nem jelent semmit. (csak egy kis tapasztalatlanságot
) Mert ha a trafó nélkül érinted össze a két mérőzsinórodat, akkor is 0.4 ohm-t mérsz.Ilyen kis ellenállást nem lehet megmérni multiméterrel. Most kellene az induktivitás mérő. Nekem a gnd-hez képest kb. 1.8 mH mind a két oldal, és a két széle között pedig kb 4 mH. (remélem nem kötöttem el.) Ami most jön az nagyon fontos. Balesetvédelem. Ezekben a tápokban 320V (2x 160V) van ez életveszélyes. Tehát áramtalanítás után még percekig fel vannak töltődve a nagy kondik. Óvatosan! Azonkívül én még használok a szigetelt asztal mellett, még egy 230V/230V biztonsági leválasztó trafót, külön kiépített elosztóba. Jó lenne ha neked is lenne ilyen. Ha másképpen nem tudod megoldani, akkor 2db. 220V /24V transzformátor egymásután kötése (szembe)is megoldást jelethet. Ne legyints, ezek NAGYON FONTOSAK. Az életed múlhat rajta. Ezekhez a mérésekhez, javításokhoz akár 50-100VA-s trafók is jók. Azon kívül készíts egy olyan, már sokak által javasolt hálózati csatlakozót, amelyben van egy sorosan kötött 40W-s izzó. Néhány alkatrészt megmenthetsz vele. Ezeket készítsd el, ha nincs, próbál szerezni trafót, (trafókat). Az elkészült kis trafót vissza forraszthatod az eredeti helyére. Ha ezekkel megvagy akkor folytatjuk.
Az a baj hogy 24V-os trafóból csak 1 van.És ha egy 50w-os hálózati trafót megtekerek 1:1re az úgy nem jó?Pl1000 menet primer és 1000menet szekunder.Az izzós védelmet elészítem.
Induktivitás mérő sajna nincs.
Helló.
Az 1:1 arány az jó (majdnem, hiszen van egy kis veszteség) de az 1000 menet az miért 1000? A tekercselés egy külön szakma. (a voltonkénti menetszám az függ a vasmag keresztmetszetétől, anyagától, és még sok egyéb dologtól) Ne kontárkodjunk bele más szakmájába. Mára szerintem elég, nézz körül haveroknál nincs e olyan trafó amelyiknek több szekundere is van, és hátha van rajta 230 is. Vagy két egyforma trafó, nem kell hogy mind a kettő 24V legyen. Csak egyformák legyenek. Egy bölcselet: A feszültség mentes és a feszültség alatt álló alkatrész ugyan úgy néz ki, csak más a fogása. ![]() Az 1000 menetet csak hasra csapás szerűen mondtam.Az a baj hogy cask 1 230/24V-os trafóm van.Mondjuk van oylan kis teljesítményű kb 10-15W-os trafóm aminem van középleágazása.2 szekunderes.Ja és 17V-os
Szia. Nem tudom, hogy anyagilag hogy állsz, de a vaterán most is van 220V/220V biztonsági trafó 100VA-es 3000 Ft.-ért. Előbb vagy utóbb érdemes, beszerezni egyet,a saját érdekedben. Nézz szét a haveroknál. Hátha.
Aha.Megtaláltam.De sajna most nincs rá pénz.Ha lenne akkor tudnék venni 400W-os kapcsitápot olyan fesszel amilyet akarok.Azért is próbálom meg házilag a pc-s tápot átalakítani hátha jó lesz.
A gond az hogy a legtöbb haverom a sz.gép bekapcs gombján meg az egér+billenytűzeten kívül nem nagyon ért ilyenhez.Azt se tudják hogy mi az. OFF.Én most közlekedés szakos középiskolába járok.Ha elvégzem a 4 évet érettségi után mehetek autószerelőnek.Általánosból 2 osztálytársam is arra a szakra jelentkezett.De amíg azt se tudják hogy mi a különbség a fogó meg a villáskulcs között addig mit akarnak. ON Talán van valaki akinek lehet.MEg van még egy ismerősöm ő lehet hogy tud a cégétől hozni. A tápra visszatérve gondolom a kondikat diódákat erősebbre kell majd cserélni.
Jó reggelt. OK, akkor légy óvatos. A folytatás: a szekunder oldalról eltávolítjuk a felesleges feszültségekhez tartozó alkatrészeket. Tehát csak a 12V-s rész marad! A hűtőbordához egyenlőre ne nyúlj. Az eltávolítandó alkatrészek: kis egyenirányító diódák, tekercsek és szűrő elkók. Ellenállást ne, kivéve ha van olyan mint a PTP-2038 -as rajzon a kis terhelő ellenállások. (R50, R52,R51,R5)
Én már megtettem ezt reggel itt a fénykép. Milyen alkatrészek vannak a szekunder hűtőbordán?
Jóreggelt.A szekunder bordán CEP603AL(3,3V fet),F12C20(dióda),LT426 SBL 2040CT(dióda) van.Oké.Akkor az ellenállásokhoz meg a vezérléshez nem nyulok csak a kimeneti fesz-ektől szedek ki mindent.
Bővebben: Link
Kivettem ami nem kell.
Szia. Hát nem egészen egyezik az én javaslatommal. Azt írtam, hogy "Tehát csak a 12V-s rész marad! " Nem látom sehol a te 12V részedet. Légy figyelmes, mert nem fog elindulni a táp. Nézd meg az előző képemet! Folytatom: A FET nem tudom, (innen) hogy mihez tartozik, tehát nem bántjuk. A trafónknak ugyebár az 1-2 lábán jön ki a feszültségünk (a régi 12V). Csak ellenőrzés képen ugye az első tekercs az 1., és az utolsó a 2 számú? A trafó 1-2 lába menjen rá az F 12C20C-re (valószínűleg így van, mert az a nagyobb feszültségű és kisebb áramú).Ha jól néztem akkor 200V-os 12A-es) A másik dióda az 30V/20A az lehetett az 5V-é, az kivehető. A 12V-nak rakd vissza a tekercsét is, és a hozzátartozó (valószínűleg 1000µF/16V kondi) helyett egy 1000µF min 50V-osat. Én kettőt tettem be magamnak, mert én nagyobb áramot veszek ki. A fólia oldalon a szekunder tekercs azon lábait, amelyekre forrasztottál tekercseket a módosításkor kapard körbe, (szedd le a fóliát, de a beforrasztáshoz maradjon), hogy nehogy rövidre zárja a tekercsrészeket. Természetesen kivéve az 1-2 lábat (az megy a diódákra. Ha valami nem tiszta kérdezz!
|
Bejelentkezés
Hirdetés |







) 

) A kezdeteket egy pont-tal jelölik. Sorba kötni őket, hogy a feszültségek összeadódjanak, mindig úgy kell, hogy az egyik vége a másik kezdetével, az a harmadik kezdetével, és így tovább.







