Fórum témák
» Több friss téma |
Fórum » Pc-tápból 12v-230v - os inverter
Szia!
másképpen csinálnám ,,,,, A hütőből gázosat kell beszerezni 230/12/ gáz igaz ezek 60 l -k viszont bármilyen hőforrással mennek petróleum lámpa / gázlámpa / bunsen égő. A gyári 230V-os ha nem energiatakarékos akkor 170-250 W ha igen akár 400 W-s a motor sima négyszög inverter házi LC szűrövel /9500-----12000 Ft+ a szürő 2000 / Tv... milyen ált. megy 24,,28 Vról / ha nem az előző inverter elviszi szűrő nélkül is ! max 90,,,120W /lcd,,plazma más esett...! / fúrógép nehezebb ügy 140,,,,160 V egyenről / nincs fordulatszab. / Az akku töltéshez kell 1 aggregát esetleg akkor kell fúrni ez adhat melegvizet + fűtés rásegitést is
Sokkal célszerübb lenne régi vacak pákát kérni valkitől 12/24 V ak voltak.....
létezik pillanat páka tranyós OSC.vel is 24V-s
Szia!
ne téveszd össze a kapcs. tápot/ + az invertert.VAN ENERGIA ÁRAMLÁSI IRÁNY ! ! ! AZ AKKUTÖLTŐ VISSZAFELÉ MŰKÖDIK ?
Tudom már régi téma, de én találtam ilyeneket:
Tv-t furót igen de hütő az kicsit nagy falat...
Be kell szerezni egy ilyet és már lehet tölteni az akkut
No közbe megépítettem az egyik kapcsolást, de csak nem akar beindulni, fetet tettem most bele utoljára, de vagy 4 hasonlót, java részt erősebbeket lőttem el vele. A kimenetre 4db BY 339 diódából csináltam egy graetzt, rá kötötem a pozitív sarkára egyből egy kis indukvitást, utána meg egy kondit még hogy simítsa. Ötletek esetleg hogy mi lehet a hiba? Életem első kapcsoló üzemű alkotmánya...
Ja és a hiba az hogy kb 2mp után eldurran a cucc, a fet annyira felmelegszik, hogy leolvad a nyákról, vagy szanaszét égeti és a védődióda helyett csak rövidzárat lehet mérni.
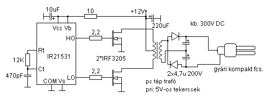
Miért nem lehet valami egyszerű kapcsolással működésre bírni egy pc táp trafót, mint a képen?
Ha kompakt fénycsövet hajt meg, a graetz tök felesleges, hiszen ezzel indul a cfl elektronikája is. Ha a FET leolvad, akkor az IC szar, vagy a bekötése. Az első meghibásodó FET elrakja az IC-t is könnyen. Kéne védeni a FET-eket diódával például, az is lehet oka..
A diódák a baj szerintem. A kompakt fénycső diódái biztosan nem szeretik a 120Khz-et, de amiket ráraktam az is 500ns-es, 100-120Khz-es kapcsitápra úgy láttam hogy 35ns-es diódákat alkalmaznak.... Meg ha nem tennék rá diódát, hanem a kompakt fénycsőét akkor nagyon rövid kábelen kellene bekötni.
IC miért menne tönkre? Max a tápját zárhatja rövidre, a kimenetei 10ohmos ellenállással lennének védve, ami lehet kevés.... de rakok be majd nagyobbat úgy is java részt logic level fetjeim vannak. Úgy érzem ide mindenképp kéne szkóp.
A diódákban igazad van, ez nekem is eszembe juthatott volna.. Igen, ide mindenképpen fast recvery diódákat pakolj, semmi extra nem kell, amt ATX tápban találsz a primer kapcsolók körül (FR10x) bőven jó lesz.
Az IC azért megy tönkre például, mert az F3205 viszonylag kicsi átütési szilárdsággal bír, és a tönkremenő/átütő DG körön bármi, ami 12V-nál nagyobb, a monolit IC-re veszélyes lesz. Az IC üzemképességét könnyű ellenőrizni ebben a kapcsolásban.
ilyeneket találtam:
PR1007 1A 1000V 500ns 2db FR107 1A 1000V 500ns FR104 1A 400V 150ns 4db FR154 1,5A 400V 150ns 3db 100KHz-re hány ns-es dióda kell?
Amúgy a kapcsolás 12V-ról megy úgyhogy nincs bármi ami nagyobb 12V-nál
Legfejebb majd ha akkumulátorra lesz kötve 13,xx
A trafó primerként használt körének önindukciója az meg smafu? FR104 jó lesz.
Íme itt van mit kerestél!!!
Jobb későn, mint soha...
egy 2007 áprilisi kérdésre válaszoltál...Üdv Inhouse
Attól még vannak "alvó" fórumozók akik csak egy jelre várnak
van egy szünetmentes tápom. Ha kicserélem az aksit valami 12V min.80Ah-ás akura, és hozzábiggyesztek egy fesz.zsab.+generátor, szobabicót, lehetséges, hogy tudok annyi áramot termelni, hogy mondjuk LED világítással, A+ os hűtő, Pc, TV, működjön?
A generátort, nem tudnám meghajtani akár egy áttétel, hogy termeljen az aksiba eleget? Hülyeségen gondolkodom?
Egy 300W körüli elektromos bicikli kb 40Km/h val tud menni.Tehát ha te tekered akkor 40 Km/h hoz hasonló teljesítmény kell.(némileg lehet kevesebb mert könnyebb a biciklid.) ebből számomra az következik hogy az általam kitekerhető teljesítmény a 200-300W maximum körül mozog.(tartósan még ennyi sem) Az hogy ez mire elég már csak fogyasztás kérdése.
A hűtő induló árama kb. 8A kb. 1-2 másodpercig, szóval elég izmos szünetmentes kéne hozzá.
Köszönöm a választ!
találtam hasonló beszélgetést a gyakorikérdések.hu-n is. Ha egy motorral, akuról (12V) hajtanám meg a generátort áttétellel, (motoron kicsi-generátoron nagy áttét) visszatermelni az aksiba és úgy rárakni az invertert? Nem találhatok olyan motort aminek kisebb a fogyasztása, mint amit megtermelek? Pl: 12V 60w fogyasztású motor- 12v mittudoménmennyi w generátor.
Már te is örökmozgót akarsz építeni? (szerintem eléggé esélytelen vagy.A leadott teljesítmény szerintem jó ha 80%-a a felvettnek.Ugyan ez a generátor részen is ,a befektetett munka 80%-ából lesz áramod. (és szerintem optimista voltam.).
Sejtettem, hogy nincs világmegváltó ötletem. De valahogy muszáj leszek áramot csinálni. Ha vidéken lennék szélerőművet lehetne, de itt Pesten, fsz.-en. Semmit. Köszönöm azért.
Nem azért,csak ekkor vettem észre.
Amúgy ezzel is bajban vagyok,mert a Tl 494 meghajtással gondok vannak. Nincs hozzá rajzom olyan amilyen oda járna. És az adatlapján lévő rajz nem biztos,hogy jó ide.
Üdvözletem mindenkinek!
Nem tudom , hogy olvassa -e valaki ezt a témát, de azért megpróbálom feltenni a kérdésemet, hátha valaki hozzá értő mégis csak elolvassa. Egy 12V/230V -os inverterről lenne szó. Az van ráírva, hogy 1000W és csúcsban 2000W, de sajnos a 700W-os fúrót sem indítja el, letiltja, éppen hogy egyszer megtekeri aztán a fault lámpa kigyullad . (Ez biztos kamú, ami rá van írva.) Viszont érdekelne , hogy szerintetek pontosan milyen teljesítményű lehet a cucc. Most vagy hibás , vagy nem a megfelelő teljesítmény van ráírva. Kisebb teljesítménnyel működik. Ezek a fet-ek vannak benne hűtőbordán (és ventillátor is van benne): 1812 WFP 840 (4db) NCE 7190 (4db) A panelen ez van írva: XYA-B-C1000-U1 Érdeklődve várom véleményeiteket!, mert ha ez kb. 300W és csúcsban 600W, és 1000/2000W van ráírva, akkor ez a vásárlók megtévesztése kategóriát kimeríti. A hozzászólás módosítva: Jan 26, 2013
Hiába tudna az invertered rövid időre (néhány másodperc) 2000 W-ot. A fúrógép induláskor áramának többszörösét veszi fel. Nem teljesítményt, hanem áramot és erre korlátoz az inverter. A triacos fordulatszámszabályzó sem tudja ellátni feladatát, mert a négyszögjelű táplálásnál nem tud "fázist hasogatni". Bizonyos pontig el se indul aztán meg teljes fordulattal menne.
Ettől függetlenül az ilyen inverterek tájékoztatója főképpen földműves felvilágosító (parasztvakítás) ![]() Nemrég javítottam 1500 W-osat. Kis flexet használtak róla, vígan vitte. A hiba csupán a dugaljátalakító érintkezőinek elhajlása volt. Már az inverteren kívül. Ami a legszebb: 12 V-on az akkuhoz menő eredeti belső és külső kábelek 4 mm2-esek voltak. !!! 100% hatásfoknál az áram 125 A lenne, 150 A nem túlzás. Mindez 4 mm2-n???
Üdv!
Köszi a választ, igen azt tudom, hogy az indulásnál nagyobb áramot vesz fel, de az előbb nem írtam, hogy ezt a 700W-os fúrót , egy 400/800W-os inverter ,pedig szépen vitte. azt nem tudom hány percig vitte volna, de beindult vele és rendes sebességen ment. Az én, állítólagos 1000/2000W -os inverterem meg sem pörgette, talán egy felet fordulhatott a fúró, aztán letiltotta, azért ez elég érdekes? Az én elgondolásom szerint ez az inverter 300/600W-os lehet, ezért adtam meg a benne lévő fettek típusait, hogy esetleg ez alá legyen támasztva egy kis szakmai hozzáértéssel is, mert nekem aztán nem sokat mondanak ezek a fet-ek , még az adatlapján sem igazán tudtam mi micsoda.
A FET-ek teljesítőképessége primer és szekunder oldalon is bőven elegendő lenne a 2000 W leadásához. Ebből igazából semmit nem lehet kideríteni. A lényeg a vezérlő mikroprogramjában és az energiát átvivő trafóban rejlik. Ettől függetlenül lehet az inverternek valami hibája, ami miatt kis teljesítményen elfogadhatóan működik, de a nagyobbat már nem bírja.
Szevasztok,
lehetséges az is hogy terheléskor leesik az aku kapocsfeszültsége (harcképtelen), ilyenkor is letilt az inverter...
Sziasztok!
Szeretnék építeni egy inverter egy kisebb teljesítményű hűtőhöz és ehhez keresnék kapcsolási rajzokat, találtam párat de az mind 4 szög jelű amit viszont a hűtőgép motor nem nagyon szeret ha jól tudom. Valakinek valami ötlet?
Miért ne működne. Én évekig használtam lakókocsiban 50 L -es kompresszoros hűtőt elég sokszor akkumlátorról. Nem szólt egy szót se hogy nem jó neki, a delikvens egy aránylag egyszerű bolti 12/220 V 300 W -os inverter volt.
Sőt, volt egy másik kisebb hűtőtáskám, Danfoss kompresszoros, az eleve 12 V -ról ment, beépített saját inverterrel az egész egy tenyérnyi áramkör volt, aligha sznuszos. A hozzászólás módosítva: Jún 20, 2013
|
Bejelentkezés
Hirdetés |









egy 2007 áprilisi kérdésre válaszoltál...





