Fórum témák

» Több friss téma
Fórum » Pc-tápból 12v-230v - os inverter
Lapozás: OK   2 / 3
(#) Atis57 válasza pisti89 hozzászólására (») Jan 3, 2008 /
 
Szia!

másképpen csinálnám ,,,,,
A hütőből gázosat kell beszerezni 230/12/ gáz igaz ezek 60 l -k viszont bármilyen hőforrással mennek petróleum lámpa / gázlámpa / bunsen égő.
A gyári 230V-os ha nem energiatakarékos akkor 170-250 W ha igen akár 400 W-s a motor sima négyszög inverter házi LC szűrövel /9500-----12000 Ft+ a szürő 2000 /
Tv... milyen ált. megy 24,,28 Vról / ha nem az előző inverter elviszi szűrő nélkül is ! max 90,,,120W /lcd,,plazma más esett...! /
fúrógép nehezebb ügy 140,,,,160 V egyenről / nincs fordulatszab. /
Az akku töltéshez kell 1 aggregát esetleg akkor kell fúrni
ez adhat melegvizet + fűtés rásegitést is
(#) Atis57 válasza Villám hozzászólására (») Jan 3, 2008 /
 
Sokkal célszerübb lenne régi vacak pákát kérni valkitől 12/24 V ak voltak.....
létezik pillanat páka tranyós OSC.vel is 24V-s
(#) Atis57 válasza Gery hozzászólására (») Jan 3, 2008 /
 
Szia!
ne téveszd össze a kapcs. tápot/ + az invertert.VAN ENERGIA ÁRAMLÁSI IRÁNY ! ! !
AZ AKKUTÖLTŐ VISSZAFELÉ MŰKÖDIK ?
(#) AccessDenied hozzászólása Szept 14, 2010 /
 
Tudom már régi téma, de én találtam ilyeneket:
(#) dangermind1 válasza pisti89 hozzászólására (») Szept 27, 2010 /
 
Tv-t furót igen de hütő az kicsit nagy falat...
Be kell szerezni egy ilyet és már lehet tölteni az akkut

6da_1_big.jpg
    
(#) AccessDenied hozzászólása Okt 8, 2011 /
 
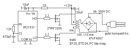
No közbe megépítettem az egyik kapcsolást, de csak nem akar beindulni, fetet tettem most bele utoljára, de vagy 4 hasonlót, java részt erősebbeket lőttem el vele. A kimenetre 4db BY 339 diódából csináltam egy graetzt, rá kötötem a pozitív sarkára egyből egy kis indukvitást, utána meg egy kondit még hogy simítsa. Ötletek esetleg hogy mi lehet a hiba? Életem első kapcsoló üzemű alkotmánya...

Ja és a hiba az hogy kb 2mp után eldurran a cucc, a fet annyira felmelegszik, hogy leolvad a nyákról, vagy szanaszét égeti és a védődióda helyett csak rövidzárat lehet mérni.
(#) AccessDenied hozzászólása Okt 8, 2011 /
 
Miért nem lehet valami egyszerű kapcsolással működésre bírni egy pc táp trafót, mint a képen?
(#) didyman válasza AccessDenied hozzászólására (») Okt 9, 2011 /
 
Ha kompakt fénycsövet hajt meg, a graetz tök felesleges, hiszen ezzel indul a cfl elektronikája is. Ha a FET leolvad, akkor az IC szar, vagy a bekötése. Az első meghibásodó FET elrakja az IC-t is könnyen. Kéne védeni a FET-eket diódával például, az is lehet oka..
(#) AccessDenied válasza didyman hozzászólására (») Okt 9, 2011 /
 
A diódák a baj szerintem. A kompakt fénycső diódái biztosan nem szeretik a 120Khz-et, de amiket ráraktam az is 500ns-es, 100-120Khz-es kapcsitápra úgy láttam hogy 35ns-es diódákat alkalmaznak.... Meg ha nem tennék rá diódát, hanem a kompakt fénycsőét akkor nagyon rövid kábelen kellene bekötni.

IC miért menne tönkre? Max a tápját zárhatja rövidre, a kimenetei 10ohmos ellenállással lennének védve, ami lehet kevés.... de rakok be majd nagyobbat úgy is java részt logic level fetjeim vannak. Úgy érzem ide mindenképp kéne szkóp.
(#) didyman válasza AccessDenied hozzászólására (») Okt 9, 2011 /
 
A diódákban igazad van, ez nekem is eszembe juthatott volna.. Igen, ide mindenképpen fast recvery diódákat pakolj, semmi extra nem kell, amt ATX tápban találsz a primer kapcsolók körül (FR10x) bőven jó lesz.
Az IC azért megy tönkre például, mert az F3205 viszonylag kicsi átütési szilárdsággal bír, és a tönkremenő/átütő DG körön bármi, ami 12V-nál nagyobb, a monolit IC-re veszélyes lesz. Az IC üzemképességét könnyű ellenőrizni ebben a kapcsolásban.
(#) AccessDenied válasza didyman hozzászólására (») Okt 9, 2011 /
 
ilyeneket találtam:
PR1007 1A 1000V 500ns 2db
FR107 1A 1000V 500ns
FR104 1A 400V 150ns 4db
FR154 1,5A 400V 150ns 3db
100KHz-re hány ns-es dióda kell?
(#) AccessDenied válasza didyman hozzászólására (») Okt 9, 2011 /
 
Amúgy a kapcsolás 12V-ról megy úgyhogy nincs bármi ami nagyobb 12V-nál Legfejebb majd ha akkumulátorra lesz kötve 13,xx
(#) didyman válasza AccessDenied hozzászólására (») Okt 9, 2011 /
 
A trafó primerként használt körének önindukciója az meg smafu? FR104 jó lesz.
(#) demonherceg válasza putyiboy hozzászólására (») Feb 17, 2012 /
 
Íme itt van mit kerestél!!!
(#) Inhouse válasza demonherceg hozzászólására (») Feb 17, 2012 /
 
Jobb későn, mint soha... egy 2007 áprilisi kérdésre válaszoltál...

Üdv
Inhouse
(#) AccessDenied válasza Inhouse hozzászólására (») Feb 17, 2012 /
 
Attól még vannak "alvó" fórumozók akik csak egy jelre várnak
(#) foot-bag2 hozzászólása Szept 29, 2012 /
 
van egy szünetmentes tápom. Ha kicserélem az aksit valami 12V min.80Ah-ás akura, és hozzábiggyesztek egy fesz.zsab.+generátor, szobabicót, lehetséges, hogy tudok annyi áramot termelni, hogy mondjuk LED világítással, A+ os hűtő, Pc, TV, működjön?
A generátort, nem tudnám meghajtani akár egy áttétel, hogy termeljen az aksiba eleget?
Hülyeségen gondolkodom?
(#) proba válasza foot-bag2 hozzászólására (») Szept 29, 2012 /
 
Egy 300W körüli elektromos bicikli kb 40Km/h val tud menni.Tehát ha te tekered akkor 40 Km/h hoz hasonló teljesítmény kell.(némileg lehet kevesebb mert könnyebb a biciklid.) ebből számomra az következik hogy az általam kitekerhető teljesítmény a 200-300W maximum körül mozog.(tartósan még ennyi sem) Az hogy ez mire elég már csak fogyasztás kérdése.
(#) mugab válasza foot-bag2 hozzászólására (») Szept 29, 2012 /
 
A hűtő induló árama kb. 8A kb. 1-2 másodpercig, szóval elég izmos szünetmentes kéne hozzá.
(#) foot-bag2 hozzászólása Okt 2, 2012 /
 
Köszönöm a választ!

találtam hasonló beszélgetést a gyakorikérdések.hu-n is. Ha egy motorral, akuról (12V) hajtanám meg a generátort áttétellel, (motoron kicsi-generátoron nagy áttét) visszatermelni az aksiba és úgy rárakni az invertert? Nem találhatok olyan motort aminek kisebb a fogyasztása, mint amit megtermelek? Pl: 12V 60w fogyasztású motor- 12v mittudoménmennyi w generátor.
(#) proba válasza foot-bag2 hozzászólására (») Okt 2, 2012 /
 
Már te is örökmozgót akarsz építeni? (szerintem eléggé esélytelen vagy.A leadott teljesítmény szerintem jó ha 80%-a a felvettnek.Ugyan ez a generátor részen is ,a befektetett munka 80%-ából lesz áramod. (és szerintem optimista voltam.).
(#) foot-bag2 hozzászólása Okt 2, 2012 /
 
Sejtettem, hogy nincs világmegváltó ötletem. De valahogy muszáj leszek áramot csinálni. Ha vidéken lennék szélerőművet lehetne, de itt Pesten, fsz.-en. Semmit. Köszönöm azért.
(#) demonherceg válasza Inhouse hozzászólására (») Dec 2, 2012 /
 
Nem azért,csak ekkor vettem észre.
Amúgy ezzel is bajban vagyok,mert a Tl 494 meghajtással gondok vannak.
Nincs hozzá rajzom olyan amilyen oda járna. És az adatlapján lévő rajz nem biztos,hogy jó ide.
(#) hzoli2 hozzászólása Jan 26, 2013 /
 
Üdvözletem mindenkinek!

Nem tudom , hogy olvassa -e valaki ezt a témát, de azért megpróbálom feltenni a kérdésemet, hátha valaki hozzá értő mégis csak elolvassa.
Egy 12V/230V -os inverterről lenne szó.
Az van ráírva, hogy 1000W és csúcsban 2000W, de sajnos a 700W-os fúrót sem indítja el, letiltja, éppen hogy egyszer megtekeri aztán a fault lámpa kigyullad .
(Ez biztos kamú, ami rá van írva.)
Viszont érdekelne , hogy szerintetek pontosan milyen teljesítményű lehet a cucc.
Most vagy hibás , vagy nem a megfelelő teljesítmény van ráírva.
Kisebb teljesítménnyel működik.
Ezek a fet-ek vannak benne hűtőbordán (és ventillátor is van benne): 1812 WFP 840 (4db) NCE 7190 (4db)
A panelen ez van írva: XYA-B-C1000-U1
Érdeklődve várom véleményeiteket!, mert ha ez kb. 300W és csúcsban 600W, és 1000/2000W van ráírva, akkor ez a vásárlók megtévesztése kategóriát kimeríti.
A hozzászólás módosítva: Jan 26, 2013
(#) erbe válasza hzoli2 hozzászólására (») Jan 26, 2013 /
 
Hiába tudna az invertered rövid időre (néhány másodperc) 2000 W-ot. A fúrógép induláskor áramának többszörösét veszi fel. Nem teljesítményt, hanem áramot és erre korlátoz az inverter. A triacos fordulatszámszabályzó sem tudja ellátni feladatát, mert a négyszögjelű táplálásnál nem tud "fázist hasogatni". Bizonyos pontig el se indul aztán meg teljes fordulattal menne.
Ettől függetlenül az ilyen inverterek tájékoztatója főképpen földműves felvilágosító (parasztvakítás)
Nemrég javítottam 1500 W-osat. Kis flexet használtak róla, vígan vitte. A hiba csupán a dugaljátalakító érintkezőinek elhajlása volt. Már az inverteren kívül. Ami a legszebb: 12 V-on az akkuhoz menő eredeti belső és külső kábelek 4 mm2-esek voltak. !!! 100% hatásfoknál az áram 125 A lenne, 150 A nem túlzás. Mindez 4 mm2-n???
(#) hzoli2 válasza erbe hozzászólására (») Jan 27, 2013 /
 
Üdv!
Köszi a választ, igen azt tudom, hogy az indulásnál nagyobb áramot vesz fel, de az előbb nem írtam, hogy ezt a 700W-os fúrót , egy 400/800W-os inverter ,pedig szépen vitte. azt nem tudom hány percig vitte volna, de beindult vele és rendes sebességen ment.
Az én, állítólagos 1000/2000W -os inverterem meg sem pörgette, talán egy felet fordulhatott a fúró, aztán letiltotta, azért ez elég érdekes? Az én elgondolásom szerint ez az inverter 300/600W-os lehet, ezért adtam meg a benne lévő fettek típusait, hogy esetleg ez alá legyen támasztva egy kis szakmai hozzáértéssel is, mert nekem aztán nem sokat mondanak ezek a fet-ek , még az adatlapján sem igazán tudtam mi micsoda.
(#) erbe válasza hzoli2 hozzászólására (») Jan 28, 2013 /
 
A FET-ek teljesítőképessége primer és szekunder oldalon is bőven elegendő lenne a 2000 W leadásához. Ebből igazából semmit nem lehet kideríteni. A lényeg a vezérlő mikroprogramjában és az energiát átvivő trafóban rejlik. Ettől függetlenül lehet az inverternek valami hibája, ami miatt kis teljesítményen elfogadhatóan működik, de a nagyobbat már nem bírja.
(#) staci123 válasza hzoli2 hozzászólására (») Jan 28, 2013 /
 
Szevasztok,
lehetséges az is hogy terheléskor leesik az aku kapocsfeszültsége (harcképtelen), ilyenkor is letilt az inverter...
(#) roland9 hozzászólása Jún 20, 2013 /
 
Sziasztok!
Szeretnék építeni egy inverter egy kisebb teljesítményű hűtőhöz és ehhez keresnék kapcsolási rajzokat, találtam párat de az mind 4 szög jelű amit viszont a hűtőgép motor nem nagyon szeret ha jól tudom.

Valakinek valami ötlet?
(#) pucuka válasza roland9 hozzászólására (») Jún 20, 2013 /
 
Miért ne működne. Én évekig használtam lakókocsiban 50 L -es kompresszoros hűtőt elég sokszor akkumlátorról. Nem szólt egy szót se hogy nem jó neki, a delikvens egy aránylag egyszerű bolti 12/220 V 300 W -os inverter volt.
Sőt, volt egy másik kisebb hűtőtáskám, Danfoss kompresszoros, az eleve 12 V -ról ment, beépített saját inverterrel az egész egy tenyérnyi áramkör volt, aligha sznuszos.
A hozzászólás módosítva: Jún 20, 2013
Következő: »»   2 / 3
Bejelentkezés

Belépés

Hirdetés
XDT.hu
Az oldalon sütiket használunk a helyes működéshez. Bővebb információt az adatvédelmi szabályzatban olvashatsz. Megértettem