Fórum témák
» Több friss téma |
nem szép dolog a programra fogni!
ezt az órát legkevesebb 8-10-en építették meg idáig (legalább is ennyien írtak vissza az email címemre), eddig ha valakinek nem is működött, emilben meg tudtuk beszélni, és csodák csodája elindult!!! ajánlon,hogy az LCD 4adatbitjének a szálait ellenőrízd mégegyszer,mert összekeverted őket! ha a led villog,akkor fut a program! a készítő
Hello
Igazság szerint már lemondtam róla hogy valaha is működni fog, de majd ha lesz egy kis időm akkor átnézem 1001-edszerre is a kábelezést, most egyenlőre félre van téve. Igazság szerint nem az én szakterületem a programozás, ezért lehet hogy v.mi PIC égetés közbe nem volt rendben.
hello szuksegem lene egy toronyora elektronikara negyedkor uson 1-et felkor 2-ot haronegyedkor 3-mat egeszkor ahany ora van. koszonom
Megépitettem ezt a kapcsolástBővebben: Link
már működik is rendesen, viszont nagyon sokat késik az óra, megmértem a vilogó lednek a frekenciájátés az nem 1Hz hanem 0,999Hz, ezzel mit lehet csinálni?
A kristályról a föld felé egy egy 10...47 pf kondi ,esetleg más tip kvarc kisérlezezés szerint. Ezzel szerintem napi egy két mp-t el lehet érni.
Hali. Nemrégiben alkottam egy jót
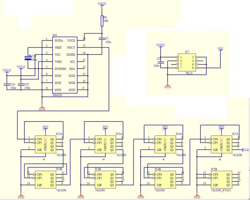
![]() Előzmények, rendeltem I2C-s órát maximéktól ingyen, de nem sikerült összehozni picBasicba, aztán rendeltem olyat, ami párhuzamos vezérlésű, elvitt volna csomó lábat a PICből. És most jön a képbe: Annó írtam egy óra progit, de az volt a gond, hogy nehéz volt belőni az 1 szekundumot. Így hát rendeltem (szintén maximéktól) egy DS4026 TCXO-t. (10MHz, hőkompenzált kristály) A 10 Megát leosztottam 74390ekkel, ja meg a tcxo-nak kellett 3,3 volt. bonyolultnak hangzik, de nagyon komoly lett, és nem foglal sok helyet. És az egész cuccnak kell 1 láb, amit interruptra szépen lehet nyomni
Szia. Egy fényképet raknál fel róla.
Hmm, az óra progi nincs kész még, viszont a pontos 1 Hz kapcsi rajzát oda tudom adni
Nemmondod, hogy külső osztóval csinálod az 1Hz-et, amikor ott a PIC?
hát
de, de nem vlt kedvem ***kodni az osztással, mer amugy mi lenne rá a progi? 10mega bemegy, és számolok 10 millioig és 10 millánál ott a jel.amugy meg se fordult a fejembe. jó nekem ez igy, annyira nem vagyok májer, már nem suliba járok, meg amit tudok tudok, nagyon már nem tanulok semmit ![]() Moderálva. -- kobold Idézet: „mer amugy mi lenne rá a progi?” A timert, aminek van külső órajelbemenete, hajtod az órajellel. Amikor túlcsordult, megszakítást okoz, akkor hozzáadsz(!) a pillanatnyi értékéhez annyit, hogy pl. 1/160 másodperc múlva okozzon megszakítást. Minden megszakításnál növeled egy számláló értékét, amikor az elért 160-ra, akkor nullázod, és addigra telt el egy másodperc. A pontosság azon tud bukni, hogy nem 1:1 arányú prescalerrel futtatják a timert. Amúgy létezik 32kHz-es és/vagy 32,768kHz-es hőkompenzált oszcillátor is. Az még pontosabb, mint a 10MHz-es, és még könnyebb használni a timerrel. |
Bejelentkezés
Hirdetés |






