Fórum témák
» Több friss téma |
Köszi, már próbálom is.
De a pontosság nagyban függ a tápfeszültség, vagy a külső referencia pontosságától !
Köszönöm mindkettőtöknek!
A 16F1782, 16F1783, 18F2423, 18F4543, 18F2553 .. 18F4553 -ban 12 bites az A/D.
Altalaban 10 bites AD van a PIC-ekben, de van egy par tipus az ujabbak kozott ami 12 bites AD-t tartalmaz, sot van 16 bites is. MPS.
(#1135050) Tudom, hogy tudod, csak kimaradt a listából. Így szerettem volna kiegészíteni a válaszodat...
A belinkelt lap nekem nem hozza a 16 bites A/D -vel rendelkező típusokat... Jó lenne, ha lenne. Inkább 16 bemenetről lehet szó... Idézet: „A belinkelt lap nekem nem hozza a 16 bites A/D -vel rendelkező típusokat... Jó lenne, ha lenne.” 1.: ADC Resolutions :12+ 2.: ADC bits oszlop duplakatt. 3.: aljara gorget es 18F86J72, 18F87J72 a talalat.
Tisztelt hozzáértök...
Azt szeretnem megkerdezni hogy a pcf8583 Rtc (vagy bármilyen) int kimenetét hogyan kell a pic int-jére kötnöm? Mehet direktbe? Vagy kell egy tranzisztor? Szeretnék másodpercenként lefuttatni egy számítást... Köszönöm...
Szerintem csak kell oda az a fet, mert amikor nem ad épp ki +5 voltot az egyik láb a PIC lehúzza azt a kis parazitás feszültséget ami lenne a DS1820-on.
Ennyit meg nem alakítok, akkor inkább megy 3 vezetékkel.
Sziasztok!
18F2550-es PIC-kel játszogatok, mert még csak kezdőnek érzem magamat a témában. A mellékelt programot PicKit2-vel égettem be és utána debug módban is remekül futott. Ilyenkor a tápot is az égetőről kapta (a normál szimpla tesztáramkör, ami jelen esetben a Pinguino-val megegyező). Ha viszont USB-re kötöm, mert mondjuk onnan szeretném az áramellátását biztosítani, nem fut, akármit csinálok. Ha viszont beégetem rá a BOOTLOADER-t és azzal töltök rá egy kis programocskát, akkor USB-ről megy, de a PickIt2-vel nem tudom táplálni, hiába kapcsolom be az MPLAB-ban a tápfeszt. A program a PORTA<4.> biten villogat egy ledet megszakításból, valamint a B porton szintén ugyanabból a megszakításból binárisan számlál 0...FF-ig. Remélem érthető voltam. Előre is köszönöm a segítséget! Üdv.: Attila
Altalaban nyitott draines es aktiv alacsony a RTC-k Int kimenete. Tehat pl 4k7 felhuzoellenallas, vagy a PIC belso felhuzoja szukseges hozza, valamint a megszakitast lefuto elre kell beallitani. Persze direkt kotheto a PIC megfelelo labara.
Kösznöm, szemmel nem találtam meg...
Azért kis árulás van benne: Idézet: „Dual-Channel, 24-Bit Analog Front End (AFE) 12-Bit, 12-Channel SAR A/D Converter” Ez egy belső SPI buszon kezelhető analóg front -end....
- Néhány hozzászólással előbb írtam... Release módot kell fordítani az önálló működéshez.
- Egyes USB portok, akkor adnak ki (jelentősebb árammal terhelhetően - max 0.5A a szabvány szerint) feszültséget, ha az USB kapcsolat felépítésekor a megfelelő módon kéri az eszköz. A bootloader megteszi...
Felhúzóellenállás kell, de ez távol van a PIC terhelhetőségétől .
Steve
Hp41C: Köszönöm a segítséget, release módban tényleg működik. Esetleg gyorsan elmondaná valaki hogy mi a különbség a fordításban release és debug mód esetén?
vilmosd: A configot tényleg kihagytam, de azzal se működött, és nem értettem hogy pic c-ben megírva miért működik. Köszönöm a segítséget!
Köszönöm a választ! De nem segített a Release mód sem. Egyéb 5-let?
![]() Üdv.: Attila
Használd a bootloadert, vagy tölts a PIC-be olyan programot, ami rendesen kezeli az USB-t!
Egyébként meg nem pártolom a CONFIG BOR=OFF beállítást. Ennélfogva én a gyári HID bootloader konfigurációs bitjeit is átírtam, azóta stabil (előtte előfordult, hogy kikapcsoláskor kitörölte (vagy legalábbis elrontotta magát).
Na, rájöttem. A Config-ok közt az MCLRE=OFF kell...
Így már mindkét módon működik rendesen... Köszönöm a segítséget és további szép estét kívánok mindenkinek. Üdv.: Attila
Debug módban egy kis programocskát csap a kódhoz, amivel a debugger az eszközön (PICkit2) keresztül kommunikál a kontrollerrel: kiolvassa, módosítja a regisztereket, indítja, megállítja a futást, töréspontot állít be, stb... Ez a kód feltételezi, hogy a debuggerrel kapcsolatot kell létesíteni.
Release módban nem tesz más kódot a forrásból származó mellé, így önálló működésre alkalmas kódot fordít, szerkeszt.
Így már érthető, köszönöm.
Igen vannak ilyenek. Egyszerubb es hasznosabb egy SPI-s AD pl MCP3551. Egesz jo kis 22 bites AD es nem nagyon deraga. Csak az OPA ele es a 0.1% ellenallasok egy kicsit huzosabbak. Csinaltam ilyennel cellaerositot es AD-t, nagyon jol ketyeg. Utana egy barmilyen PIC, es mar kesz is a merleg.
Köszönöm!
Működik... Hálás köszönetem immáron sokadjára...
Sziasztok!
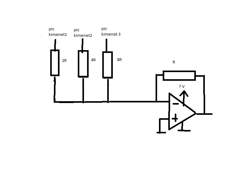
Olyan kérdésben kérnék kis segítséget, hogy kellene egy D/A-t rárakni egy Pic kimenetére. Ehhez kellene valami használható kapcsolás. A létrás R-2R jöhet szóba, vagy a súlyozott 2R, 4R, 8R. Az előzőnél az egyes ágakat a műv er.-re vagy földre kell kapcsolni (ez szerintem bonyolultabb). Így inkább az utóbbi megoldás tűnik jónak, ott az egyes ágakat kell be, vagy kikapcsolni a körbe. A (kép) Referencia fesz az a pic kimenete lenne, így 0, vagy 5 V. Illetve ami fontos, hogy a D/A kimenetre nekem 0-5V kell; 2 bites osztásban teljesen jó. 1. kérdés: A műv er milyen legyen? 2. kérdés: mekkora legyen az me. tápja? Az épített áramkörben lesz +12V és +5V, de ha +5-öt adok tápnak, akkor a kimeneten olyan 1-4V lesz az me. miatt. 3.kérdés: Ez a D/A így működhet? A 0V-on levő kimenet nem megy tönkre a +5v-os másik kimenet miatt?
Valami ilyesmi lenne, csak 2 bites.
(bocs a rajzokért, de másik pc-ről írok) Vagy egyéb ötlet?
Szia!
fordított sorrendben: - A pic kimenete nem megy tönkre, ha az ellenállások nem túl kicsi értékűek. A kicsi értékű ellenállások alkalmazása amúgy sem jó, mert a kimeneti meghajtó FET -ek Rds ellenállása (ill. szórása) összemérhető lenne velük. - A súlyozott ellenállások használata nem túl célszerű, mert nehéz beszerezni pontos és az arányokat is betartó értékeket. - Az R - 2R létra áramkör jól működik, könnyű beszerezni (pl.: 1k0 és 2k0 vagy 1k0 és 1k0+1k0). 2 bitre legalább 10%, 3 bitre legalább 5% -os ellenállás kell. - Az áramköri elrendezésed -5 ..0V közötti feszültséget ad ki. Egy RealToReal erősítő már -5V - +5V táppal jó a feladatra. - Ha az R - 2R létrát használod, akkor a kimenő feszültség +5 .. 0 V között lesz, erre egy +1 erősítésű műveleti erősítő csatlakozhat a kimenő ellenállás csökkentésére. A műveleti erősítők általában nem engedik meg a tápfeszültségig felvinni a bemeneteket, így 1 - 2 volttal magasabb tápfeszültséget kell alkalmazni.
1.: hasznalhato OPA pl LM358, LM 324, MCP6002.
2.: A LMxxx 12V a MCP 5V. 3.: Ez igy ebben a formaban nem igazan jo. Alapvetoen negativnak kellene lenni az OPA kimenetenek, de mivel egy tapos ez lehetetlen. Keress ra a "R-2R DAC" varazsszora, es talaln mar az elso talalat jo is lesz.
Üdv!
A D/A nem mérésre kell, így nem kell pontosnak lennie. Az me. táphoz meg majd berakok egy 7806-ot, vagy valami zenert. |
Bejelentkezés
Hirdetés |












