Fórum témák
» Több friss téma |
Fórum » PIC - Miértek, hogyanok haladóknak
A nagyobb baj az, hogy ez nem PIC kérdés! Ez informatikai kérdés!
Meg kell ismerd a hexadecimális számrendszert, és annak ábrázolását. Keress rá a neten, nagyon sok helyen megtalálható! Itt a fórumon is volt már róla szó, talán több is mint kéne, itt is rákereshetsz! Topi PIC-es cikkében is mintha lenne szó róla. Még egy tipp. Használd a Windows számológépét tudományos módban, sokat segíthet! Jelzem szándékosan nem írom le mit kéne oda írnod, mert ha ilyesmivel akarsz foglalkozni, ez feltétlenül szükséges! Ha jót akarsz magadnak, rámozdulsz a dologra!
bármennyire is hihetetlen de ennyire kezdö vagyok.és köszi.
üdv Sergei
köszi a kiindulási pontokat
a vindozos számologépet meglesem :yes: szinte éreztem hogy a megoldást magamnak kell megtalálnom de igyis sokat segitettél te is és mások is.köszönöm mindenkinek
na megint én vagyok
![]() pic égetés közben ezt a hibát irja a progi. HIBA--> CIM IRÁSA 0x000000 BEIRVA: 0X28C8 KIOLVASÁS: 0X3FAF ha esetleg tudja valaki hogy ez mit jelent azt arra kérem ossza meg velem üdv Sergei
Azt jelenti, hogy az égetőd már az első címen elrontotta az adat égetését. Valamit beégetett, de nem az igazi. (ha nem égetett volna semmit, akkor 3FFF lenne benne.)
Milyen is az égetőd? JDM?
Akkor nem tudunk segíteni.
Építs egy normális égetőt! Nézz fel az oldalamra, találsz néhányat, és ajánlásokat is.
Sziasztok!
Azt hallottam, a PIC16F877-es hellyett lehet valami más változatot használni, ami olcsóbb, de kb ugyan annyit tud.(asszem 778, vagy vmi ilyesmi) Igaz ez? És mi a neve? Sokáig nem voltam, biztos volt már szó róla. A Nullától a robotokig cikksorozatnak lessz folytatása?
köszi megnézem oldaladat :yes: illetve még átbogarászom az alaplapomat meg a lábkiosztásomat hátha elkötöttem valamit.
Igen kösz
És ha a Nullától a Robotokig c. cikkben leírtakat csinálom ezzel, működni fog. Idézet: „Biztosan szórakozásból tették rá azt a lábat, ha semmi haszna!” Nem arról van szó, hogy felesleges, hanem arról, hogy biztonságosan lehet működtetni anélkül is. Az, ugye nem baj, ha ezt egy "kezdő" programozó is tudja?
Kísérletezgetni természetesen ezen a PIC-en lehet, de az nyilvánvaló, hogy egy 877-eshez írt program nem fog futni 887-es PIC-en. Csak ha a megfelelő sorokat, részeket átírjuk a programunkban (ehhez viszont már valamicske alapvető tudás szükségeltetik).
Sziasztok!
Szeretném meg kérdezni hogy az alábbi kapcsolások közül melyik működőképes ? Segítségeteket előre is köszönöm Levi
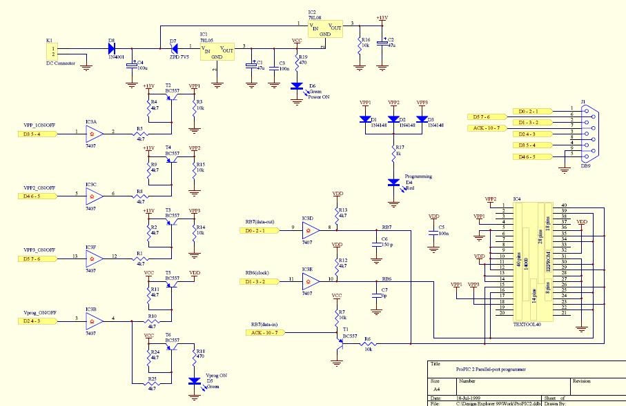
Mindkettő működőképes, de egyiket sem érdemes megépíteni ebben a kiépítésben. A programozó alap áramköre jó, de ennyi Vpp-nek a világon semmi értelme nincs, és a foglalatoknak sem.
Nézd meg az oshont, vagy a WPB-t! Mindkettő alapja megegyezik, akár az általad belinkelt áramkör alapjával. Az összes LPT égető egy kaptafára készül, mert másképp nincs értelme megoldani, csak van aki tévútra téved a sok Vpp-vel és a foglalatokkal(amik miatt kell a sok Vpp)
Pedig a legegyszerűbb ha mindenképpen foglalat kell, egy rövid kábellel adaptereket készíteni. De legtöbb esetben nem sorozat gyártás folyik, a fejlesztéshez meg ICSP port kell, ha csak nem akar valaki szívni!
Eleinte foglalatot szerettem volna de a hozzászolásokból az szűrődik le hogy teljesen felesleges. Sajnos egy karos foglalat elég drága is. És a sok VPP miatt elég nehézkes a kivitelezés az egyoldalas nyákkal.
WPB-hez tudsz adni kapcsolási rajzot?
Nem, elakadtam ott hogy nincs DIP tokozású PIC16F690 a próba panelembe. Írtam hogy az eredetinek egy rossz ref. beállítás miatt tönkrevágtam az A/D jét. (pontosabban a ref az jó volt csak az A/D bemenete kapott kb 3,5X annyit amennyit lehetet volna ( 1,5 volt a ref)
)
Hy
Egy JDM égetővel próbálkozom, a kiolvasásnál 3FFF-eket ír ki, de ha égetni akarok mindig jön a Verify failed at address ****h - a csillagok helyén mindig más érték. Azt olvastam ha 0000h akkor valószínűleg hw hiba, de nem tudom h nálam mi a helyzet. Tudom h egy JDM nem igazán működőképes csak gondoltam teszek egy próbát de nem értem miért ír mindig különböző értéket. Ha valaki tudna segíteni azt megköszönném. Idézet: „Ha valaki tudna segíteni azt megköszönném.” Építs működőképes égetőt! Ez a legkorrektebb javaslat, amit adni lehet... Most komolyan...egy 10 alkatrészes JDM-ben mit segíthet az ember? Nézd át az elkészült áramkört, hogy nincs-e rajta zárlat? Vagy cseréld ki ezt-meg azt, és akkor jó lesz? Ilyen tippeket azért nem tud senki adni, mert a JDM megbízhatatlansága áthág minden határt...és senkinek nincs/nem volt még az életben annyi türelme, hogy egy ilyen megbízhatatlan szerkezetet javítgatni próbáljon... Ha nem működik elsőre, akkor szépen fel kell tenni a polcra emléknek, hogy: ilyet is építettél, és jó nagy betűkkel ráírni alkoholos filccel: ROSSZ, működésképtelen!
Okés bocsi. Nem akartalak felhúzni, én is tudom hogy a JDM egy kalap az, de igazából csak azt akartam megtudni hogy a hibaüzenetnél miért ír ki mindig más értéket. Amúgy sem akartam javítgatni rajta tudom hogy hibás az elve is, és csak ritkán működik de jól jött volna ha az icd2-höz nem kell mással égettetni a pic-eket.
még 1x bocs és köszi
Azért ír ki mindig mást, mert össze vissza érnek át az adatok a PIC-be, ill. hasonlóképpen jutnak vissza a PC-be. Ha így hibázik, akkor nagyon kicsi az esélye, hogy valaha jó lesz.
Miért kéne mással égettetni? Mi okból építesz ICD2-t? Hogy ott álljon a polcon és nézegesd? Gondolom nem, hanem azért, hogy komoly áramköröket építs és debuggolj vele! Ha ez íg van, akkor egy 1 IC-ből, meg 2 tranyóból álló égető áramkört(merthogy a Vdd-t nem feltétlenül kell kapcsolni!) ekkora gond összelógatni próbapanelen? Fél óra alatt összelógatok egyet a levegőben, és beégetek bármilyen PIC-et, amihez találok programot, márpedig lehet találni! És ezt mindenkinek meg kéne tudni tenni, aki kicsit is ért a dologhoz, vagy ezzel akar foglalkozni! Ez nem kiváltság, pofon egyszerű, tök alapszintű dolog! (Innen már nem csak a kérdezőhöz szólnék, csak elkapott a gépszíj! )Többször írtam, hogy sokan azt hiszik a PIC elsősorban egy programozási felület! Hát ez egy tévedés! A PIC elsősorban egy áramkör! Kőkemény hardver, ami körül áramköri elemek sorakoznak, hogy működhessen rajtuk egy program! Itt nem 10db LED-re gondolok, mert az játéknak jó, annak ICD2-t építeni enyhén szólva is vicces lenne! Szóval ilyenkor mindig elképedve állok, hogy akkor most mi a helyzet? Évek óta égetek és tervezek égetőket, és még mindig nem jutottam el, hogy ICD2-t építsek(most gondolkodom rajta, de még nem jutottam dűlőre!), de már tucatnyi áramköröm működik. Erre minden kezdő ICD2-t épít és még egy egyszerű LPT-s égetőt sem tud összedobni!? Mi ez? Nagyzási mánia? Építsünk ICD2-t, mert az olyan tuti? Elnézést az őszinteségért, de ez a dolog engem teljesen kikészít! A fórumokon a PIC-es témákban egyre nagyobb a káosz! Hibás architektúrák és téveszmék keringenek! Az ICSP varázsszónak számít, minden kezdő egyből leborul előtte! Foglalatos égetők, sok-Vpp "univerzális" égetők, tele felesleges alkatrészekkel stb. Aztán ha valaki meglátja hogy a WPB-n a Vpp-t külön áramkör állítja elő, akkor kiakad, hogy hú de bonyolult! Pedig annak legalább van értelme és kényelme! Aztán ez a JDM! Az hideg kiráz ha rá gondolok, annyiszor beszéltem már le embereket(hálás embereket) róla! Erre lépten nyomon ezt ajánlják cikkekben úgy, hogy ez működik. Pedig minimum annyit meg kéne jegyezni, hogy nem mindig és nem mindenkinél! Próbának jó, mert lehet, hogy beéget egy PIC-et, de egy másikat már nem biztos, stb.! Túl szép lenne az élet, ha az emberek mindig a helyes utat választanák! De egy égető nem olyan bonyolult dolog mint az élet, és legalább itt a fórumon tiszta vizet kéne önteni már a pohárba! Jelenleg 3 értelmes lehetőség van! 1. Tanuláshoz LPT-s égető(7407-el, ha a 7406 nem menne!), ICSP porttal, ha szükséges ICSP kábeles foglalat adapterekkel, ha másnak, vagy sorozatban égetni akarunk! 2. PICKit2 megvétele, (bár várjuk ki a végét, mert most függőben van egy kérdés, ami ha megválaszolódik, leírom a tanulságát!) 3. ICD2 építése, ha valaki nagyon komoly áramkört akar építeni, kismillió PIC-et akar használni, és debuggolni akarja a többezer soros programját! Valamint jól ért az MPLAB-hoz és használni is tudja az előnyöket! A többi kivitel hiábavalóság! Akinek már ilyen van(több Vpp, foglalatos égető stb. ) ki ne dobja, mert használható(főleg, ha kivezeti az ICSP vonalakat)! De ilyeneket építeni, építésre ajánlani bűn! Remélem nem bántásnak fogjátok fel mindezt, hanem átgondoljátok és megértitek a miérteket!
Wattmester ! Ezzel a PICkit2 kérdéssel bogarat tettél a fülembe... Van belőle 2 is a családban, nem rég vettük mert jó volt az ára. Mi a gond vele?
HY kezdő vagyok még és azt szeretném kérdezni hogy hol lehet Pic-et venni és mennyiért
Nagy valószínűséggel semmi, csak fura, hogy ugyanolyan PIC-ekbe(18F2321) beégetett hex, nem ugyanúgy működik(kettő nálam van,(1DIP-es és egy SOIC-os) WPB-vel égetve, egy meg még1MbR-nél PICKit2-vel sütve).
Lehetnek esetleg beállítási eltérések, nem tudom. Ha a dolog végére jártunk, reagálok. Nehéz elhinni, hogy gond lenne vele, de egyelőre más eltérést nem találok. A gyanúm abból fakad, hogy nálam előfordult olyan, hogy ha gyorsabban, határsebességen égettem a PIC-et, akkor a program - az ellenőrzés sikeres lefutása ellenére - tökéletlenül működött, megmagyarázhatatlan dolgokat művelt. A mostani jelenség hasonló. A sziréna topicban olvashatsz a dologról bővebben.
Ok, köszi. Nálam ilyen nem jelentkezett, igaz nem is 18F ekkel gyakorolok, és egyelőre csak pár soros "játék" programokkal. De kíváncsi leszek a fejleményekre.
próbálkozott már innen valaki Ethernet vezérlőt tartalmazó PIC-ekkel?
pl 18f97J60? |
Bejelentkezés
Hirdetés |




de igyis sokat segitettél te is és mások is.köszönöm mindenkinek






