Fórum témák
» Több friss téma |
Ehhez kristály mikrofon kell, de azt úgysem tudsz venni. Másrészt évekkel ezelőtt építettem egy kondenzátor mikis ploskát ezzel az ICvel... Katasztrófa. Hát működni éppenséggel működik, de a hatótáv az szűk 5-6 méter, hangminősége pedig iszanyatos. Akkor hallani benne valamit ha beleordít az ember, de akkor is csak éppenhogy és nem felismerhetően.
Összegezve a kapcsolás működőképes, állít elő RF jeleket az FM sávban, de bárminemű felhasználásra a véleményem szerint teljesen alkalmatlan.
az ócska chat mikrofonok , azokban gondolom electrit mikrofon található ......... namost van ez a kapcsolás ami igéretesebbnek tűnik poloska
ezt egy átlagos 9 voltos elem meddig tudná táplálni ?
Hi
Ha már ilyet akarsz csinálni akkor építs meg egyet INNEN. Én is megcsináltam egy pár éve az elsőt és még most is tökéletesen működik.
Egyetértek! Skory mikrofonjai verhetetlenek! 2 db ceruzaelemről több hétig is eldöcögnek, akár 100 méteres hatótáv mellett is. Én SMD kivitelben építettem meg, így 22X11 mm-es lett a panel. Akár gombelemről is mehetne, csak kevesebbet bírna.
Tényleg jónak tűnik , gyufaszál méretű , ügyes poloska
...........muszáj a félévi szünetben megépítenem ..... reszkess világ köszönöm
SziasztoK!
az lenne a kérdésem, hogy ehhez a poloskához kell-e mikrofon előerősítő?? Ha igen, akkor rajzot lécci! :worship: előre is köszi! üdv.
Gyanítom hogy kell. A tekercsekhez 1mH-it írt.
Azzal nem a CIRR tartományban fog adni. Kiszámoltattam egy progival a szükséges tekercset. Menetszám: 6 huzalátmérő:0,3 Mag átmérő: 5 Ehhez mit szólsz?
Köszi! azok a tekercsek nem véletlenül 1uH-isek??? nincs elrontva a rajzon??
az előerősítőhöz véletlenül nincsen rajzod??
Lehet hogy csak az előfeszítő ellenállás kell. Nézd meg Skori megoldásait. Én nem variálnék . Építsd meg a Skori féle 2.-at, abban nem fogsz csalódni. A HAM bazárból tudsz hozzá FET-et beszerezni. Szerintem akár a BF982-es is jó. Én azzal is ki fogom próbálni. Nekem gitárra kell. Így a bemenetet át kellett alakítanom. A jővő héten kiderül hogy jól terveztem-e meg.
3 hozzászólással feljebb van belinkelve.
Hhmmm rákötöttem a feszültséget... MP4es lejátszó a bementre (ide is kell előerősítő??)... na de hol keressem, milyen frekvencián?? , a sávszélességet azt tudom.. ( 88-104Mhz-ig). Na de Fm, vagy AM?? vagy melyiK
???
A 88-104 Mhz azt jelenti,hogy a poloska valahol ezen belül üzemel,ha a tekercsek megfelelőek. Ez a tartomány az FM. Ha a rádióddal végighangolva a sávot nem találod a poloska adását akkor a tekercseket hangolni kell. Elsőre húzd szét az eredeti hossz másfélszeresére,és ismételd meg a keresést.
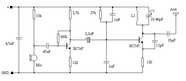
Nem tudom honnét vetted ezt a rajzot de az utolsó tranzisztor emitter ellenállásával párhuzamos kapacitás körül valami bűzlik. Az nem lehet 10 uF, én oda 1 nF ot tennék.
És hogy az a "8,3 cm" antennaméret hogyan jött ki arra külön kíváncsi lennék..., az meg szerintem 83 cm, kb ennyi a negyedhullám a CCIR sávon.
A többiek beelőztek. Teljesen jó dolgokat írtak. Nem egyszerű megtalálni a frekvenciát. Inkább az OIRT sávra kéne hangolni, mert a CCIR nagyon telített.
értem... szóval tekercshúzgálás..ujrakeresés...kondicsere 1nanosra...antennahosszabbítás 83centisre..stb
Hátha segít a kezdők szerencséje! Majd csak sikerül 1x!!! köszi szépen az infókat!!!!
Hahó ide senki nem jön???
Naszóval ha valaki akar egy kis pénzt akkor ha nyáron csinálna nekem egy lellgatót(poloskát) [kicsit] akkor max 5000 ft fizetnék érte feltéve ha megfelelő! Ha valakit érdekelne akkor: rocka@citromail.hu Üdv Robi
Hello segitséget kérnék szakértő szemektől.
hogy a tranziztorok jól vannak e kötve ezen az áramkörön ez egy poloska melékelem az eredeti kapcs rajzát is Még nem sikerült münködésre birni.
Húha!
Kétségtelen, hogy az URH technikában előnyös a légszerelés, de nem ilyen lábhosszakkal! Tanulj meg forrasztani, ne sodord a vezetéket! Használj nyákot a mechanikai (ergó frekvencia) stabilitás érdekében. A trimmerkondit is könnyebben tudod majd használni. Lehet amúgy, hogy működik a kapcsolásod, csak nem veszed észre
Amúgy ez csak egy kisérletnek készült hogy munködhet-e.
jah és múködik csak nagyob fesz kellet neki 9v de csak kicsit sziszeg.
sziasztok.szeretnek egy lehalgato keszuleket(drotnelkulit)kesziteni egy panel lakasban amelyet egy FM radion letudnam halgatni.Ha tudna valaki segiteni nagyon megkoszonnem.
Skori fe'le URH mikrofon
, de meg birja
en nem nagyon ertek hozza ,penzem sincs sok ,hogyan tudnam megkapni a rajzot?
1. Ha válaszolsz valakinek, akkor használd légy szíves a "Válasz" gombot. Azért van. (A másiknak nem véletlenül az a neve, hogy "Új kérdés felvetése")
2. Az imént kaptál egy keresési segítséget, használd. 3. Azután kaptál még egy segítséget, ezt is igénybe veheted. 4. Egyikünk sem arról híres, hogy gazdag lenne, de nem vagyunk lusták, tessék keresgélni kicsit. A net tele van effélékkel. Egy kis figyelem és önállóság csodákat tesz!
Hello!
Én egy komolyabb "poloskát" akarok építeni. Valami Skori félére gondoltam mer arról sok jót olvastam! De van egy másik (mellékeltem) esetleg ez is lehetne. Esetleg nyáktervet ha valaki tudna hozzá feltenni az nagyon jó lenne! köszi! ROLAND! |
Bejelentkezés
Hirdetés |




...........muszáj a félévi szünetben megépítenem ..... reszkess világ
köszönöm

Azzal nem a CIRR tartományban fog adni. Kiszámoltattam egy progival a szükséges tekercset.
???
És hogy az a "8,3 cm" antennaméret hogyan jött ki arra külön kíváncsi lennék..., az meg szerintem 83 cm, kb ennyi a negyedhullám a CCIR sávon. 



Kétségtelen, hogy az URH technikában előnyös a légszerelés, de nem ilyen lábhosszakkal! Tanulj meg forrasztani, ne sodord a vezetéket! Használj nyákot a mechanikai (ergó frekvencia) stabilitás érdekében. A trimmerkondit is könnyebben tudod majd használni. Lehet amúgy, hogy működik a kapcsolásod, csak nem veszed észre
, de meg birja

