Fórum témák
» Több friss téma |
Fórum » Propeller Clock
Szia!
Szerintem még mindig nem érrted az ajánlott megoldást. Egy 74HC595 nem egy mikrokontroller, hanem egy léptetőtároló. Ha sok led -et szeretnél vezérelni, akkor csak egy láncot kell létrehozni. 8 ledhez 1 db 74HC595 kell, 64 ledhez 8 darab... Az első soros kimenetét a következő soros bemenetése kell kötni, a beíró és léptető órajeleket mindegyik tok megkapja. A vezérlés menete: A "legtávolábbi" led vezérlő bitjével kezdve sorosban ki lee adni egy portra a led vezérlő biteket, minden bit értékének beállítása után egy léptető órajel pulzust kell kiadni. A leírtakat ismételni kell az összes led -re. Ha kiment az összes vezérlés, a beíró órajellel át kell írni a kimeneti regiszterbe. Akár egy 6 lábú kontroller is tud vezérleni szinte korlátlan számú led -et. A folyamat gyorsítható, ha nem csak egy láncot alkotunk, hanem pl. 8 láncs működik párhuzamosan. Ekkor 8 mintát egy utasítással lehet egy 8 bites portra köldeni. Az említett 64 led a 8 párhuzamosan működő 74HC595 -tel nyolcad annyi idő alatt frissíthető.
Igen csak valamennyire értem. Azt nem értem miért jobb ez mint 2 mikrokontrollel amelyekből az egyik a tápot a másik a nullát adja a mátrixba rakott lednek.
merthogy bedrótozzni igyis ugyis mindkét ledet kell, ellenben az egyik esetben a példa szerinti 64 ledhez 8 chip kell plusz a mikrokontroller ami együtt kilenc, a másik példa szerint csak 2 db chip kellm két mikrokontroller ami elég ha csak 8 ledet képes vezérelni. ha meg pl. 40-et képes akkor 1600 ledet is képes lenne vezérelni... 2 chippel. De ha csak a 64 lednél maradunk nem jobb annak is inkább a két mikrokontoller? Azt hinném - lehet rosszul értettem) hogy a hatlábu led egymás után kezeli a ledeket a mikrokontroller meg egyszerre. Vagy tévedek? Esetleg ez az egyszerre vezérlés csak a propeller chippekre igaz? Vagy még azokra se? De a soklábu mikrokontorller ha mégse egyszerre vezérli a ledeket, nem ugyanez történik benne csak ép belül? nem arról van szó hogy lényegében a soklábu mikrokontrollerekbe bele vannak integrálva léptetőtárolók? Még ha nem is fizikailag hanem softveresen ha ez a programja?
Nagyfelbontásu propeller clock vezérlése lesz csak lehet nem két mikrokontrollerrel vezérelt mátrixal hanem léptetőtárolóval...
Hát persze, ha egy 6 lábú mikrokontroller 2 db ledet villogtat, amit 2 db tranzisztorral is meg lehet csinálni, akkor a mikrokontrollerben a 2 db tranzisztornak megfelelő program fut.
![]() A tréfát félretéve, a mikrokontroller a példaként említett órában dcf jelet dekódol, távirányítóról érkező jeleket fogad, gombokat kezel stb. a tolóregiszteres meghajtással lekezeli a vfd kijelző szegmenseit és digitjeit (kvázi a ledjeidet) a kijelzés statikus lesz, állóképet eredményez, mert nem látható a kimeneteken változás amíg a mikrokontroller a háttérben az adatokat a shiftregiszterbe "tolja" csak amikor a régi és az új kijelzés a tárolóból "helyet cserél". Az általad említett mátrix meghajtás mindíg multiplexált kijelzést eredményez és teljesen fölösleges egy 8x8 -as mátrixhoz két mikrokontroller, hiszen mindíg csak egy sort kell megjeleníteni. Ha ezt megpörgeted egy propelleren, akkor a forgási frekvencia és a te multiplex ferkvenciádnak az eredője fog látszani. Magyarul össze vissza fog villogni, hacsak nem alkalmazol nagyon nagy frekvenciát a multiplexeléshez. A tolóregisztereknél ilyen probléma nem lép fel, ott csak arra kell figyelned, hogy a regisztereket megfelelő gyakorisággal írja tele a mikrokontrollered.
Úgy érted, a mikrokontroller nem képes magason tartani egy egy lábát? Ezért villog?
A mátrix kérdést - választ nem értem. Mi az hogy egy sort kell csak megjeleníteni? Minden egyes lednek világítania kell vagy ép nem kell világítania "egyénre" szabva.
De nem led mátrixos kijelzőről van szó hanem mátrixvezérelt led sorról.
Milyen mikrovezérlőt akarsz a propellerre tenni és hány ledet ? Ha van annyi kimenete a mikrovezérlőnek, mint ahány ledet akarsz meghajtani akkor nem kell multiplexelni. pl 64 led = 64 kimenet. Ilyenkor az is probléma lehet, hogy a kontroller nem bírja megtáplálni az összes ledet. (maga a propeller is multiplexeli a ledeket, csak mechanikus úton éri el, hogy a fizikailag létező ledek sokszorosát lásd, mert az emberi szem tehetetlen) Ha kevesebb kimeneted van pl 2x8 akkor egy mátrix esetében multiplexelni kell, különben nem tudsz tetszőleges mintázatot megjeleníteni.
Eleve az elképzelés az, hogy kétirányban vannak a rotonon ledek, de az egyik oldal fél led osztással el van csusztatva a másikhoz képest.Így finomodik a felbontás.
A propellertől idegenkedek jobbnak látszik a Pic szabvány. A mátrix alatt csak a vezérlést értem. A ledek ugyanugy sorban vannak elhelyezve csak kétirányból vannak cimezve. Mondjuk ez valóban lassitja a vezérlést viszont magas led számnál kifizetődőbb.
Azért azt is vedd figyelembe a mikrokontroller mekkora áramot bír el összességében. Nem véletlen vannak tranzisztorok a propeller órákban a ledek előtt.
Azt hinném így tranzisztorból is kevesebb kell. Mert csak a sorok és oszlopok összegének megfelelő tranzisztor kell, max. erősebb mintha ledenként lenne tranzisztor.
Mondjuk igazad van moderátor ez valóban nem csak óra kijelzésre kell hanem valójában egy kijelző lesz. Na de sok itt bemutatott propeller clock is mutat ábrákat az időn kívül... Sok led lenne. 100 db ban gondolkozom vagy a felbontás miatt inkább többen. És kb. fél méteres méretben és nem síkbeli hanem domború rotorban. Nagyobban már kritikus a centrifugális erő miatt.
Egy fél méteres az már egy szecskavágó
Óriási már ott is a kerületi sebesség 1200 fordulaton mi még nem is mondható soknak ha nem akarsz erősen villódzó órát 1500 fordulat körül kell forgatnod. Ez a fordulat egy nagy rotorral igencsak veszélyes is lehet..
Próbált vár valaki fordított repülőgépszárnyat építeni a rotorra hogy ellensúlyozza a centrifugális erőt?
Amúgy lehetne csökkenteni a fordulatot pl. X rotorral négyszeres ledsorral. Akkor elég fele akkora fordulat ugyanahhoz a hatáshoz, ha pedig nem ragaszkodunk a előbbi finomított felbontás miatti ledeltoláshoz akkor negyed annyi fordulat is elég... A hozzászólás módosítva: Jún 23, 2013
Idézet: „Azt nem értem miért jobb ez mint 2 mikrokontrollel amelyekből az egyik a tápot a másik a nullát adja a mátrixba rakott lednek.” Ez az ötlet működik egészen addig, amíg nem akarsz egynél több ledet használni egyszerre. Vegyünk egy egyszerű példát: 2x2 led. Azt szeretnéd, hogy világítson a bal felső és a jobb alsó. A bal felsőhöz kapcsolsz tápot az első oszlopra, és GND-t az első sorra. A jobb alsóhoz kapcsolsz tápot a másik oszlopra - és máris világít a jobb felső led, hiszen a GND ott van a másik lábán az előző led miatt. Ha még kapcsolsz GND-t a 2. sorra, akkor pedig minden világítani fog. A probléma nem áll ha egyszerre csak egy sorban/oszlopban világítanak egyszerre ledek, de akkor az oszlop vagy sor léptetést elvégezhetjük egy mikrokontrollerrel és egy shift regiszterrel, amit a kontrollerrel vezérelsz, így nem kell a uC közti kommunikációval bajlódni. És lássunk csodát, feltaláltuk a multiplexelt kijelzést. A hozzászólás módosítva: Jún 23, 2013
Valami ilyesmiről lenne szó? Nagyfelbontású forgó ledkijelző
A hozzászólás módosítva: Jún 23, 2013
A többszárnyas megoldást már voltak akik megvalósították..Bővebben: Link Nem lehet olcsó project nem beszélve a hozzá való tudást és kitartást mire ebbe a stádiumba eljutott..
Szerel rá lapátokat, ebben a nagy melegben amúgy is elkél a ventillátor!
)Ennyire profira még nem gondoltam. Egy parabolánál bonyolultabb kalaphoz kicsit hasonlító ív a terv de lehet 2-3 soros led sor lesz hogy valamennyi térbeli mélység is lehessen ne csak egy spéci vonal mentén legyen.
Lassan én is nekikezdek az smd órának és lenne egy pár kérdésem:
A ledek kijelzésbeli funkciói nem egészen világosak. Jól gondolom, hogy a legszélső az óra körvonala, egyel arrébb lévő a számok helyét jelző pont, aztán a "másodperc mutató", és a többi a nagy, illetve a kismutató? A másik, hogy az LL103C diódát és a IRLMS5703 FET-et ki lehet váltani más típussal? Ezért a két apróságért nem szeretnék a lomexbe menni, a HEstore-nál meg nem kapható, pedig kb minden más megvan.
Szia! Outer ring led,tics led,second hand led,utána a nyolc digitális led,majd a belső analóg ledcsoportok.A fetet egy hasonló paraméterekkel rendelkező P fetre ki lehet cserélni. A dióda az megpróbálható egy másik Schottky gyorsdiódára cserélni de nem tudom garantálni a működését a távirányításnak nálam másikakkal nem igen ment mivel próbáltam.
BAS 85 diódát próbáld esetleg,fetből egy IRLML 2502 be lehet barkácsolni.
Köszönöm! Van még a panelen egy "jobb" feliratú téglalap és egy 10k! felirat a fototranzisztor melett. Ezek mik?
Oda nem kell semmi! Amúgy lehetséges olyan fordítás bele melynél az ellenállás beforrasztásával lehet a motor forgási irányához igazítani a rotort de ezt nem használtam soha.
Egy újabb kérdés: láttam 2011 környékén készült pc venti házba építhető bázis is készült. Ezzel működik a V6 SMD propeller és, hogy nyákrajz került-e fel belőle?
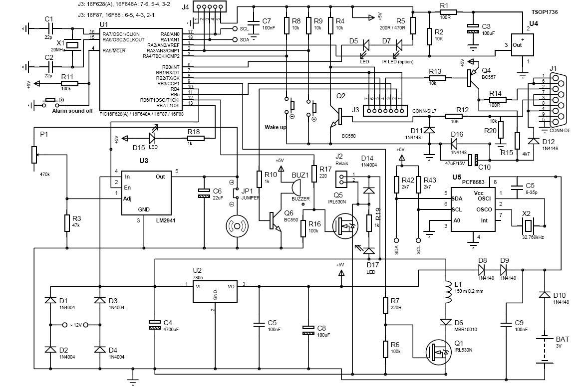
Szia! Feltöltöm a 16f88 Pc ventillátor motorba való bázis nyáktervét. Van olyan ventillátor mi nem jó mert vagy a merevítők nem úgy vannak,hogy kell vagy a forgórész túl széles és nem megy bele a primér tekercs közepébe ha rajt a szekunder. Olyat kell választani mi jó és mindkét oldalán felcsavarozható fajta (nem olyan mint a képen
). A hátlapnak egy alulemezt használtam mely egyben a hűtés is. A fet alá kell szigetelőcsillám! Jó hír,hogy működik az adatátvitel ezzel a bázissal és a 16f886 SMD v6 rotorral már majdnem minden működik még pár javítani való van a programban mit Hp41C fórumtárs időt nem sajnálva írt hozzá! Köszönet neki érte! A hozzászólás módosítva: Júl 7, 2013
Kis kiegészítés:
- A fenti panelterv 16F88 - hez készült, a J3 jumper nincs kiépítve, hanem fixen a 16F88 tartozó beállítások vannak bekötve, - Csak a 16F88 -hez van / lesz adatátviteli lehetőség, - Nincsenek kivezetve a nyomógombok és a relé kimenet, - A MCLR / RA5 -re az újabb verziókban egy DCF77 vevő köthető - hangjelzés alatt bármelyik gomb első megnyomása letiltja a hangot.
Nagyon köszönöm! Kép nincs esetleg olyan ventiről ami jó?
Az a lényeg a merevítők úgy álljanak bent mit a képen láthatóban és négy legyen ne három. Legtöbb fajta jó ezért ezt választottam. Ne legyen golyócsapágyas mert az nem fogja bírni (a sok örvényáram kiolvasztja a zsírt és zajos lesz utána,siklócsapágy kibír vagy 5 évet folyamatos üzemben ha jól van kiegyensúlyozva )
Asszem ilyet találok itthon, valami régi pc tápból. A tekercsek ugyan azok mint amit vicsys is használt vagy más? Illetve, én nem nagyon vagyok otthon a tekercselésben, hogy kell csinálni ilyen szép légmagos tekercset?
sziasztok
Kicsit bosszús vagyok. A 294 oldalon kerestem Pc ventibe való bázist igaz 683-as picket írtam meg is rendeltem az alkatrészeket megcsináltam a panelt a ventit és nem szóltatok hogy nem ezt kellene megépíteni hanem amit pali79-nek tett fel patexati Most kezdhetem ezt is megépíteni.A tekercs engem is érdekel ! Nagyon szépen néz ki nekem biztosan nem sikerülne ilyen szépre lehet esetleg venni készen ? Kicsit el lustálkodtam a 886os smd rotor összerakásával. Szét bontottam egy videómagnót kivettem a fejmotort nagyon jó fogásvolt mert teljesen hangtalan!!! Át alakítottam és feltettem rá a rotort bekötöttem a tekercseket és szárazon megpörgettem a rotort, amit előtte kiegyensúlyoztam szinte teljesen hangtalan csak a rotor keltette szélhang. Honnan lehet beszerezni a táp és a rotor közé azt a három érintkezőt? Egyáltalán mi a neve hogyan keressem ? A hozzászólás módosítva: Júl 7, 2013
|
Bejelentkezés
Hirdetés |













Most kezdhetem ezt is megépíteni.
készen ? 






