Fórum témák
» Több friss téma |
Keresd meg, hogy a 6 V-os táp miért nem jut el az IC-re.
Azt én nem írtam sehol, hogy jó. Én azt írtam, hogy az 5,5 V-os táp a 11 és 13 lábakon jó lehet. A hangrésze a zúgásból ítélve jó lehet. Ennyi és nem több.
Igaza van az előttem szólóknak, aki tudja, mit csinál, szerintem egy napon belül feléleszti, de így távolról nehéz megmondani a tutit. Az én meglátásom a képeid alapján az hogy a készülék valamikor jól beázott. (Fehér foltok a nyomtatott áramkör mindkét oldalán.) Én az ilyet csak egy jó alapos alkoholos átmosás, és szárítás után kezdeném el méregetni. Bármi, ami fémből van, el lehet korrodálva, és bárhol a panelen lehet még átvezetés. Volt már olyan kuncsaftom, hogy kézzel-lábbal tiltakozott, hogy ő nem áztatta be, akkor is, konyhában tartotta, és a gőzök az alkatrészekre kicsapódtak. A hangszóró kosárról meg a panel egy pontjára csepegett a lé, meg is volt az eredménye. Bizonyíték rá, hogy igazam volt, mert meg is javítottam. Az IC hiba elég ritka ezekben, de nem kizárt. Ha a KF serlegek alá is jutott víz valamikor, akkor viszont elég nehezen felderíthető baj is lehet.
Nem olyan nehéz feléleszteni. Mivel egy nap kellett arra, hogy a bekapcsoló áramkör nem a kattanástól működik hanem a zárástól, az már gond. Ha minden egyes méréshez fényképes segítség kell az már gond. Ha minden választ sokadszor is meg kell ismételni, hogy történjen valami az már gond.
A hozzászólás módosítva: Nov 4, 2016
Fogalmam sincs mi történt ezzel a rádióval a nagymamámé ő állítja ,hogy alig használták .A vezetősávot is alkoholos ronggyal töröljem át vagy azt mivel szoktátok?
Sziasztok!
Van nálam egy Pioneer SX-757-es rádiós erősítő, és a rádió részével van egy kis probléma. Amikor olyan frekire állítom ahol nincs adás, akkor hangosan sistereg a hangszóró. Ennek így is kell működnie. Viszont ha közelítek egy ismert csatornához, akkor egyre jobban halkul a sistergés és vele együtt a műsor hangja is halkul. Végül ha beállítom pl. a 102.7MHz-et, akkor olyan halk az adás hogy teljes hangerőn is alig hallani. Az erősítőn minden más tökéletesen működik, csak a rádió halkul el valamiért. A MUTE funkció működik rendesen mert ha állítom a frekit egy pillanatra elnémul. Valakinek valami ötlet?
Szia!
Szerintem az FM demodulátora van elhangolódva.
Az jó, vagy akár kontakt spray bármilyen, vagy Wd-40, csak az a lényeg, azok a fehér sókicsapódások ne látsszanak. Esetleg még a korrodált alkatrészlábak újraforrasztása is segíthet. Nekem mindig a hullámváltó a leggyanúsabb, amíg sem azAM, sem az FM nem szól. Esetleg meg lehetne kínálni KF jellel, generátor híján akár egy zsebrádióból kivezetve (Legalább kiderülne, hogy a KF IC jó benne). De az ilyeneknél, amit nem használtak, szinte 100 %, hogy valamelyik kapcsolója van annyira szét korrodálva, hogy nem vezet. Mozgasd meg jól őket, utána méregess.
Akkor ott nálad az a MUTE mit jelent?
Idézet: Ha lenne működő zajzára, akkor az állomások között nem zúgna. Jobb helyeken viszont azt ki is lehet kapcsolni. Ha hangolással nem lehet helyrehozni, okozhatja valamilyen gerjedés is. Találkoztam már ilyennel, de nem emlékszem, hogy hogyan hárítottam el. A saját rádióim sosem produkáltak ilyet. „Amikor olyan frekire állítom ahol nincs adás, akkor hangosan sistereg a hangszóró.”
A MUTE funkció akkor aktiválódik, ha automata vagy kézi módban keresem az adást. Zajzár szerintem nincs benne.
A rajzon rá tudnál mutatni hogy hol keressem?
Szerintem könnyebb lenne a készülék belső fotóján bejelölni.
A MUTE magyarul zajzár.
A kapcsolási rajz kombinált AM FM erősítője alatt bekeretezve van két induktivitást, és egy kondenzátort tartalmazó rész, azzal lehet az "S" görbét beállítani.
Ha jól láttam, L111- et keresd. Dupla fehér tekercs előtt lehet az IC mellett.
Kép felbontása kicsi, így csak saccolni tudom. A hozzászólás módosítva: Nov 23, 2016
Este ha hazaérek melóból majd megnézem. Egyébként olyan mintha fordítva működnek a zajzár. Ha nincs adás hangos, ha pedig van akkor halk.
Talált, sűlyedt. Ahogy elkezdtem befelé tekerni, úgy hangosodott az adás. Most már úgy szól ahogy kell. Köszönöm a segítséget.
Az automata keresés viszont nem működik. Az is javítható?
Ez a tekercs hangolása befolyásolhatja az automatikus keresést is.
Próbálj finomítani hangolásán, óvatosan megkeresni az optimumot.
Olyankor az AFC se működik. Ha volna neki hangolásjelzője, azon viszont a probléma jól látszana.
Sziasztok!
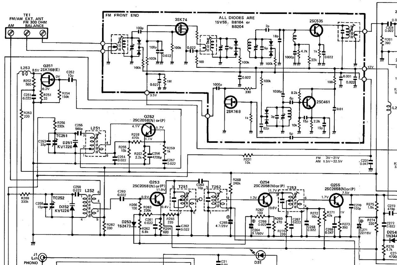
Segítséget szeretnék kérni. Van egy Harman Kardon HK518i típusú rádiós erősítőm. Az erősítő része rendben van, de a rádió AM és FM hullámon csak sistergés hallatszik. Amikor antennát csatlakoztatok, akkor enyhe bugás jön pluszban, de adók nem. Semmilyen alkatrészt nem látok hibásnak és a tranzisztorok, diódák amiket mértem azok is jók. Esetleg van valakinek valami ötlete, hogy merre keresgéljek, vagy pontosan mi okozhatja ezt. Kapcsolási rajzot mellékelek.
Meg kellene mérni, hogy a hangoló feszültségek meg vannak-e. A rajzon írja is, hogy FM -nél 3V-21V, AM -en pedig 1.5V-22.5V között kell lehessen változtatni.
Ezenkívül persze átvizsgálni, hogy minden táp helyes értéken legyen. A hozzászólás módosítva: Dec 8, 2016
Megtaláltam a hibát, a tápegységben egy ellenállás volt szakadt, emiatt nem kapott feszültséget és nem volt hangoló feszültség sem.
Sziasztok!
Valaki esetleg nem foglalkozott egy sharp GF-3000h tipusú rádióval? Antennája érdekelne főkép hogy milyet vegyek rá! ![]() Ha esetleg van valakinek egy kapcsolási rajz rólla az is érdekelne! ![]() Válaszotokat előre is köszönöm! A hozzászólás módosítva: Jan 1, 2017
Kérdezném, hogy ezt a tipusú zsebrádiót lehetne-e venni még valahól. Rendkivüli szelektív és érzékeny, Jó lenne hozzájutni.
Sziasztok
Egy RFT Saturn MR422-es rádió javításán fáradozok de sikertelenül. Az erősítő működik külső eszközről szépen szól viszont URH, H, K, R csatornákon meg sem mukkan csak a trafó zúgás hallatszik, kapcsolási rajz szerint elkezdtem a feszültségeket követni, és a A281D- típusú IC nem kap egyáltalán áramot. Ha külső eszközről szól arra van állítva akkor a TA nevű kapcsolónál ott van a feszültség, ha viszont átkapcsolom URH, H, K, R-re akkor eltűnik onnan a feszültség és onnan kellene elvileg továbbmennie az R118 és R113-as ellenálláshoz , de smmmi feszültséget nem mérek. Gondolom azért nem szól mert az A281D típusú IC benne van a Ratiodetektor-Filter részben és e alkatrész nélkül nem működik.
Szia, narancsarga kondik kozul zarlatos valamelyik.
|
Bejelentkezés
Hirdetés |






Az automata keresés viszont nem működik. Az is javítható? 








