Fórum témák
» Több friss téma |
Sziasztok!
Elég zöldfülű vagy e témába...(s elektronika minden terén...) Van egy kis olcsó Rc-s verdám... Picike motor volt benne s kicseréltem egy picit erősebbre... DE a régi motornak elég volt a 4,5v ... a mostani motor cserével már egy 9.6v -os aksit raktam bele..ha direkt kötöttem a motort az aksira akkor szépen pörög...de akk likvidálva van az elektronika... de ha már az elektronikán keresztül kötöm akkor meg sem mozdul... S nem tudjátok hogy mi lehet a bibi?? esetleg túl nagy a fesz. az elektronikának?? Az autó ezeket tudta: - Előre (+ világított egy karácsonyfa izzó...amit kicseréltem két db kék LED re...) - Hátra ( + világított egy karácsonyfa izzó...amit likvidáltam mert nem kell....) - Jobbra - Balra Jah s 27,125 MHz -s ... Segítségetek előre is köszönöm! Üdv.: Szilix
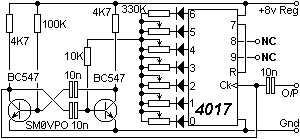
Hahó mindenkinek, ahogy nézegettem a forumot az képeim ismerősek lehetnek, ehhez a vezérléshez szeretnék valami közepes hatótávolságú(100-300m) rc-t összedobni,
a kapcsolásom müködik, de itt megáltam. lövésem sincs a többiről. PLEASE HELP !!
Üdv Nagyon jónak tűnik! Sőt mondhatni igazi profi munka és a rengeteg funkciót tekintve ár érték arányban is felülmúlja a bolti adó/vevő szetteket. Engem komolyan érdekelne ez a távirányító :yes: igazság szerint tengeralattjáró modellhez is kellene és oda ugye nem elég a 4 csatorna csak néhány dolog pl. ballaszt, magassági lapát, kormánylapátok, jobb és bal motor, periszkóp fel/le, világítások, stb. Tényleg ha már itt tartunk víz alatt hogy és mennyire terjednek a rádió jelek?
hello ! Tudna valaki egy kapcs rajzot rc autohoz ic nelkul. A taviranyito fesze ne haladja neg az 5 v-ot a kocsi fesze6-15 v ig mozoghat
elore is koszike!
Az IC nélküli megoldásokat úgy hívják, hogy vezetékes összeköttetés. Vagyis, kezedben egy doboz, rajta gombok, benne félvezetők / relék tetszés szerint, kijön belőle egy többeres vezeték, aminek a másik végén az autó motorjai vannak. Nem biztos, hogy erre gondoltál.
Idézet: helyett egyébként sokkal jobban hangzana a „Fesze” Idézet: , és nem is vesz el sok időt néhány újabb billentyű megnyomása. „feszültsége”
Én ugy ertem tanzisztorokkal vezeték nelkul.
Van otthon 4 kerekem+egy furomotorom
Hy
Én egy gyári 2000ft-os modellből (talán 10-15m hatótáv :no: ) szedtem ki a vevőt, az adó pedig maradt épen. 2*3 voltot vezérel, de az egyik ugye a kormányé az maradna. Másik motor 16,8 voltos akkus fúróból van . Csak azt nem tudom, hogyan vezéreljem 3 volttal a 16,8-at . Valami jó tranyós, vagy fetes kapcs rajz érdekelne, ha lenne ilyen v.kinek Mivel a két éren a menetiránytól függően változik a polaritás talán 4 dióda is elkelhet?
Sziasztok!
Olyan elképzelésem volna, hogy a régi cuccok között találtam egy régi 2 tengelyű azt hiszem 2 gombos genius (Flight2000 F-22 a típusa)botkormányt. Az lenne a terv, hogy úgy megoldani, hogy szabályozós lenne a távirányító. Sok kapcsolási rajzot láttam fentebb és igazából nem tudom, hogy melyiket kéne átalakítani. Na szóval az érdekelne, hogy lehetséges-e ez, és mennyire használható ötlet. (Ha igen akkor töltök majd még képet meg adatokat is) Köszi! Üdv.: tomi936
Hello,
Szeretnek epiteni egy taviranyitasu autot. De eloszor is csak annyit akarnek csinalni hogy megepitsek egy ado es egy vevo modult probaplakara ami csak annyit csinalna hogy egy gomb megnyomasara elinditana nekem a motort. Ez azert lenne jo hogy lassak valamit mukodni es lassan de biztosan megertsem lepesrol lepesre a taviranyitas elmeletet, kivitelezeset. Radio taviranyitassal szeretnem ezt megoldani. Ha valaki esetleg tudna mutatni egy nagyon egyszeru kapcsolasi rajzot ami telleg csak egy funkcioval latna el a vezerlesemet? Egyelore nem muszaly nagy tavolsagrol mukodnie, 1-2 meter. Koszi, Andras
Valaki javítsa ki légyszi a téma címét, mert az RC önnmagában távirányítást jelent... Kicsit olyan ez mint a LED dióda...
tényleg. Radio Control távirányítás De a CD lemez se semmi Na meg a "fém faház" hirdetés a ...szupermarket parkolójában.
Hello,
Szeretnek epiteni egy taviranyitasu autot. De eloszor is csak annyit akarnek csinalni hogy megepitsek egy ado es egy vevo modult probaplakara ami csak annyit csinalna hogy egy gomb megnyomasara elinditana nekem a motort. Ez azert lenne jo hogy lassak valamit mukodni es lassan de biztosan megertsem lepesrol lepesre a taviranyitas elmeletet, kivitelezeset. Radio taviranyitassal szeretnem ezt megoldani. Ha valaki esetleg tudna mutatni egy nagyon egyszeru kapcsolasi rajzot ami telleg csak egy funkcioval latna el a vezerlesemet? Egyelore nem muszaly nagy tavolsagrol mukodnie, 1-2 meter. Koszi, Andras
Ha javasolhatom, akkor vegyél 1 kisebb modellt a kínaiban (vagy 2000ft+dobozban van a távirányító is), aztán ültesd át az áramkört a másikba
10m körüli hatótáv, 2db 3 voltos motort vezérel, bár én még nem tudom hogyan lehetne a 3 voltos kimenővel 17 voltos akksisfúró motorját vezérelni (valami tranyós áramkört vártam múltkor, de nem kaptam konkrét választ ). Szóval valami könnyű modellen kondolkodj, amit megtudsz mozgatni, a tuning még odébb van
Hello zz0323,
Koszonom valaszod, de ugylatom nem figyeltel ra hogy mit irtam! En nem akarok taviranyitos autot vasarolni. Es azert kertem egy ilyen kisebb teljesitmenyu taviranyito kapcsolasi rajzat, hogy kezdjem az alapoktol a radios tavvezerlest, es foleg hogy salyat magam epitsem meg, ne megvegyem. Nemtudom hogy milyen PIC-et esetleg AVR-t tudnek hasznalni ennek a megvalositasahoz, hogy mitol fugg peldaul az hogy mekkora a hatotavolsag, az antennan kivol ( itt gondolok arra hogy a uC-tol is fugghet, dragabb-jobb?). Meg az is erdekelne hogy elore meg kell tervezni hogy mennyire komlex lesz es azszerint valogatni ki a hozzavalokat, vagy majd lehet fejleszteni, kiegesziteni? Egyelore csak ennyi erdekelne, egy nagyon egyszeru kapcsolasi rajz radio hullamos vezerlesnek, egy db feladat elvegzesehez (pl motor inditas vagy akar egy led meggyujtasa) Koszi Udv: Andras
Valakinek valami egyszeru kapcsolasi rajza akkor nincsen radio taviranyitashoz?
Hahó mindenki!
Van 1 35Mhz 4ch-s távom, ehhez szeretnék készíteni egy vevőt. A dekóder megvan, teszteltem, (SM0VPO, képet már raktam fel) csak a rádiós részhez nem konyítok semmit. Ha valakinek lenne valamilyen kapcsolási rajza(csak a vevő rádiós része), kérem dobja fel, vagy sk8angel@citromail.hu címre tolja át. Előre is kösz.
Nekem nincs :no: , azért is írtam amit. Részletekbe még sosem mentem bele, végfokban vagyok otthon :yes:
Sziasztok!
Van egy 40 MHz-es 4 csatornás adóm és van egy félkész autóm de az a lényeg hogy csak az elektronikája hiányzik szóval szeretnék kérni egy vevő- és vezérlő kapcsolást ha valaki tudna adni egyet azt nagyon megköszönném ÉS az adó az eléggé kis hatótávú ezért ezt meg szeretném növelni de nem tudom hogy egyáltalán lehet e vagy sem... előre is köszönöm mindenki válaszát
Más: találtam olcsó toki-voki elektronikát de csk az egyikét...:Slehet ebből valami úton módon egy 40 MHz-es vevőt építeni???
köszi üdv UI: van a panelon egy "SEC K535 ka2309"-es IC
Helló!
Tessék elővenni a jobbik angol tudást és van benne jónéhány használható ötlet. Üdv
Sziasztok, a minap kaptam egy távirányítós autót, elég jól fest, szép darab, a kislányomnak nagyon megtetszett, de az a problémám, hogy az ok amiért megkaptam , hogy nincs hozzá távirányító, tudna ebben valaki segíteni? Gondoltam építek egyet hozzá, nézegettem is a topicot, de nem igazán jöttem rá mire is van szükségem, azt tudom az autóról, hoy 27mHz-es , előre hátramenet, jobb és balra kormányzás is van benne.
Ha valakinek lenne valami ötlete, merre kezdjem a kapirgálást, azt megköszönném. Előre is köszi az ötleteket, segítséget. Üdv: Doncso
Szedd szét, nézd meg milyen IC van az elektronikában.
Szia, az elektronika SM6135-ös ic-t tartalmaz, három relét, néhány tranzisztort, és még sok passziv alkatrészt.
Van benne egy 12 akku, made in china. Remélem találunk rá megoldást. Üdv.
Szia!
Első blikkre, nem tudom segít e valamit, hátha!
Köszi, rendes vagy, de sajnos nem lettem okosabb, találtam én is adatlapot, de az a baj, hogy rádió frekihez kuka vagyok, valami kapcsolás féle lenne jó, nem tudom ilyenekhez létezik e valami féle rajz?
Üdv.
Na! Én megnéztem! Ez nagyon hasonlít a TX-2B ic-re.
Ez már elérhetőbb szerintem.!
Rögrtön Egy érdekes szöveg ITT
Vele kellene felvenni a kapcsolatot, milyen kisautót vett!!! <--- Jó, csak egy ötlet, többe lenne a hús mint a leves.
Na, az már nem is rossz, ezek szerint ennek a 6135-ös IC-nek is kellene egy párjának lenni? Vagy szereznem kellene egy TX-2B-t, meg építeni egy RF-adót, és akkor lehet ,hogy működne a mutatvány?
Kezd már valami világosság lenni, hála neked. |
Bejelentkezés
Hirdetés |






elore is koszike!
Van otthon 4 kerekem+egy furomotorom





