Fórum témák
» Több friss téma |
Fórum » Rendezvény-hangosítás (PA) hangtechnikái
Témaindító: sound.man, idő: Nov 25, 2007
Témakörök:
Nem lesz halkabb csak megformázza a középtartományt.
De miért nem próbálod ki? Van egy természetes kiemelése mit a csatolt képen is látszik(más hangszóró). Ezt egy jó méretezett elsőrendű váltással szintre lehet hozni. Az esetek többségében a gyári megoldások is hasonlóak.
Kisarkított példa lesz, de lényegében olyan mint pld a "pwm" integrálása hogy "átlagol" leadott teljesítményt ún tekercs korrigálja?
Otthon vagyok elektrotechnikából, csak nekem ez most nagyon új.
PA-val foglalkozol, plusz otthon vagy elektrotechnikában, és nem ismered az elsőfokú alul
áteresztő szűrőt?
Sajnos nem
![]() Amit tudok erősáramos szemléletű nagyon. A hozzászólás módosítva: Jan 8, 2014
Mesterem, az L induktivitású tekercs ellenállása frekvenciafüggő, és ennek az ellenállásnak a képlete: XL=2*Pi*f*L.
Tehát ha csak annyit csinálunk, hogy egy hangszóróval sorba kötünk egy tekercset, akkor már aluláteresztő szűrőnk van, mert minnél nagyobb a képletben az f, annál nagyobb lesz az XL tekercs ellenállás. Legyen sorban egy 0,01H induktivitású tekercs és egy 8 Ohm hangszóró. Legyen a meghajtás (Umh) 40Veff. Számoljuk ki a hangszóróra jutó feszültséget (Uhsz) f= 10, 100, 1000, 10000 Hz-en. 10Hz: Uhsz = Umh * 8/(8+2*Pi*f*L) = 40 * 8/(8+0,0628*10) = 37V (Phsz = 171W) 100Hz: Uhsz = Umh * 8/(8+2*Pi*f*L) = 40 * 8/(8+0,0628*100) = 22V (Phsz = 60W) 1000Hz: Uhsz = Umh * 8/(8+2*Pi*f*L) = 40 * 8/(8+0,0628*1000) = 4V (Phsz = 2W) 10000Hz: Uhsz = Umh * 8/(8+2*Pi*f*L) = 40 * 8/(8+0,0628*10000) ~ 0V (Phsz ~ 0W) Hát így működik. De persze most mindent meglehetősen leegyszerűsítettem.
A gyakorlatban így néz ki.
A téglavörös csík az elsőrendű váltó karakterisztikáját mutatja, hogy az a tekercs hogyan vágna ha az átvitel egyenes lenne. (De nem egyenes, sőt! ) Sötétkék előtte világoskék utána. Leszimuláltam 0,5 ,1 és 1,5 mH tekercsel is. A negyedik kép (terv) az nagyon tanulságos. Bejön a képbe negyedik bordó csík is, ez egy cél egy target amire szeretném formázni az átvitelt. 87,5dB magasan van és 2500Hz negyedrendű váltással. Itt 1 mH tekercset használtam, ami ugye elsőrendű váltásnak felel meg, az eredmény mégis negyedrendű váltás lett! Ha ehhez a hangszóróhoz szeretnék illeszteni egy magasat akkor azt megpróbálnám úgy formázni ,hogy 3000-4000Hz közé essen a keresztezési frekvencia negyedrendű eséssel. Persze nem biztos ,hogy negyedrendű váltó kell majd hozzá! Ez lenne az optimális eset ,amikor majd ahogyan halkul a mélyközép úgy hangosodik a magas, egymást szépen kiegészítve.(váltott.gif ,ez csak egy példa nem azok a hangszórók vannak összeváltva.) De ennek a hozzászólásnak már erősen a hangváltós topikban lenne az igazi helye. A hozzászólás módosítva: Jan 9, 2014
Üdv.
Másnak segítek hangosítani, szóval nem saját felszerelésemmel dolgozok. Adott egy 200/400 Behringer Top (8Ohm) és Behringer 400/800 Sub (8Ohm), az lenne a kérdés, hogy fel lehet őket fűzni 4 Ohm-ra attól függetlenül, hogy nem egyforma teljesítményűek. Azt tudom ha egyformák akkor lehet, tovább viszont nem tudom hogy működik mert nem szoktam fűzni, külön hang(fal)sugárzót külön erősítővel hajtok. Köszi a válaszokat előre is. A hozzászólás módosítva: Jan 10, 2014
Hát először is a subban van-e passzív alueresztő hangváltó?
Sokkal jobb volna aktív váltóval két erősítőről jártatni, márcsak azért is mert más frekvenciatratományban dolgoznak.
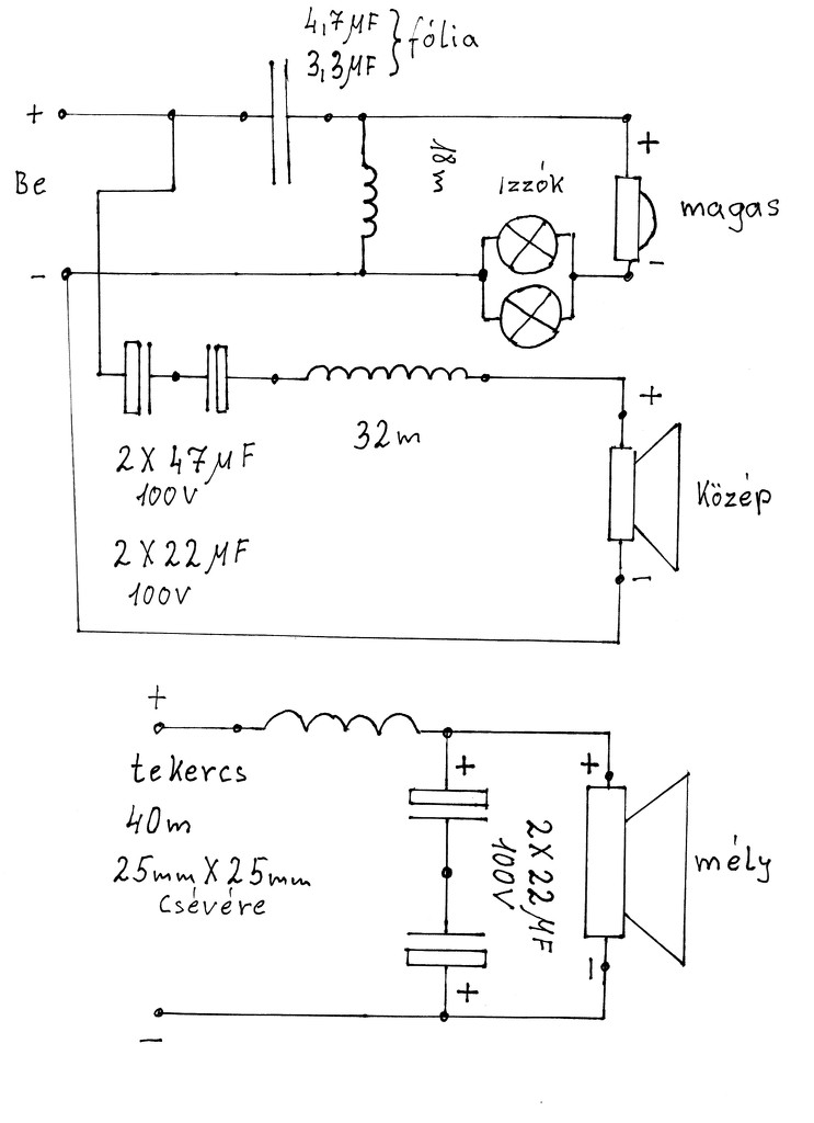
Szevasz! Anno nekem is majdnem így lett, hogy ilyen csúnya módon hajtottam volna az összes cuccom t.amp 2400al. Haliapu(nyugodjon békében) méretezett nekem egy passiv crossovert. Nekem is 2 sub 2 top lett volna. Mellékelem neked a crossovert, hogy miből áll. Gondolom a topokban van passziv hangváltó, de az is hadja hogy lemenjenek teljes sávba. Mekkora erősítővel lenne hajtva? Mert ha több mint a topok teljesítménye és nem akarsz belenyúlni, akkor mint a keresztváltoba ami van sorba kell vele kötni a kondit(2x22uf vagy 2x47uF). Ez levágja egy kicsit a mélyeket igy inkább az közép lesz a sub az meg sub. Remélem érthető volt. Elősször kipróbálhatod kisebben is, nézd meg hogy működik(nekem végül nem lett rá szükségem)
Többiekhez pedig lenne egy kérdésem, hogy mi a véleményetek a házilag készített line-array rendszerről. Érdemes velük foglalkozni?
Hegedű hangosításra keresek olcsó mikrofont. Az első szempont az olcsóság, nem olyan komoly cuccon lesz megszólaltatva, a lényeg hogy hallatszódjon. Kinéztem párat, mennyire lehetnek szörnyűek? Bővebben: Link Bővebben: Link Bővebben: Link
A hozzászólás módosítva: Jan 11, 2014
Az EM-712A csak olyan keverővel használható (ill. olyan csatornáján) amelyik tud 48V -os phantom tápot biztosítani a mikrofonnak. Viszont ez talán nem annyira gerjedékeny.
A hozzászólás módosítva: Jan 11, 2014
Tudomásom szerint van rajta, de ha nem akkor van az RH Soundnál 6500Ft-ért külső fantomtáp. Te ezt ajánlanád? Hogyan legyen rögzítve? Ezt még nem tudom...
Csak azért ajánlottam inkább ezt, mert ennek vese karakterisztikája van, a másik kettőnek meg gömb. Talán a vese karakterisztikájú nem fog olyan könnyen begerjedni a színpadon.
De lehet, hogy inkább valami piezo pickup -ban kellene gondolkodni. Viszonylag olcsón össze lehet dobni. képtalálatok Piezo kontakt mikrofont Kínából ingyen postával már 900Ft -ért lehet rendelni: Piezo Contact Microphone A hozzászólás módosítva: Jan 11, 2014
Sziasztok! Igaz ezt a kérdésemet az egyik válaszom végére írtam, így lehet jobban elkerűlte a figyelmeteket. A kérdésem az lenne, hogy érdemes házilag line-array hangsugárzókat építeni?
Nem.
Köszönöm mind kettőtöknek a választ. Bennem is voltak kételyek, mert hallotam hogy megkell feleljenek valamilyen szabványnak a felfüggesztés. Ne legyen életveszélyes a szerkezet. Egy próbát megért.
Úgy gondolom hogy esetedben nem a felfüggesztési szabványok jelentenék a problémát. Sem eszközeid sem tudásod nincs egy LA rendszer megtervezéséhez / megépítéséhez.
A hozzászólás módosítva: Jan 14, 2014
Ez teljes mértékben igaz. Ezközök a megmunkálásra még lehet kialakulna, de olyan minőségi hangszóróra ugy sem lenne anyagi hátter. Azért kiváncsiskodtam egy keveset.
Kb. 60E Ft -ból kijön egy PA rendszerhez való 8 Ohm -os, 200W -os magas és egy 300W mélyközép hangszóró. Tervezéshez vannak programok, szerintem inkább a dobozolás, meg a felfüggesztés megtervezése/kivitelezése a nagyobb gond.
És ha kész leszel vele akkor is nem annyira fogadják el a legtöbb rendezvényen...
a volt kollégám csinált egy egész nagy rendszert (2x4 top 2x12" plussz két driveres magas) meg egy kis külön mélyládát is rendes függesztéssel stb és 5 év alatt talán dolgozott 2-3 rendezvényen vele... Amugy teljesen jól is szól Eminence hangszórókkal szerelt végig marha nagyot is szól és szépen is de ...
Hmm.. ez megint az az eset, mikor XY -mert ő már nagy sztár- nem hajlandó csak SM58 -ba nyöszörögni a színpadon, vagy SM87A -ba, közben meg élőben olyan a hangja, hogy tök mindegy, milyen mikrofont nyomsz oda neki....
Van példám neves sztárokra, akik egy szót nem szóltak egy koncert után, miközben végig egy hamisított kínai SM58 -ba énekeltek. Csak neveket nem illő írni.. Szóval, erről ennyit... A hozzászólás módosítva: Jan 14, 2014
Valljuk be, hogy a PA technika többi részegységében, a helyszín adottságaiban, stb. van annyi "baj", hogy nem igazán az igazi SM58 vs. kínai SM58 átvitelének különbsége fog feltűnni.
Különben is, ha ott a nagy tömeg + a sztár, akkor már jó a buli, és ha nem nagyon szar a kínai SM58 klón, akkor szintén nem fog senkit érdekelni. De hát a sznobság, az már csak sznobság. Kívnácsi lennék mit szóltak volna a kolléga házi gyártmányú cuccához, ha egy NEXO, EAW, vagy Meyer tábla lett volna rajta, lehet, hogy akkor már egyből kellett volna. Ezen az emeri magatartáson csak röhögni lehet.
Ebben igazad van de sajnos van amikor már az árajánlatnál , vagy ha jön a zenekar hangosítója akkor problémák vannak a cuccból persze ez nem mindenhol jön elő. De pl. voltam fesztiválon, ahol a zenekar profi technikusa azzal vigasztalta a fellépőket, hogy csak ez van ( DAS frontrendszer Wharfedale monitorsugárzók, PKN BELL stb végfokok , Soundcraft digit keverő....) ezzel kell beérni. Ja kis kb max 500 fős helyszin volt...És amugy a srác nagyon profi és normális volt...
Ez igaz, ha jön egy profi hangtechnikus/hangmérnök a bandával, akkor ő minden problémát észrevesz a rendszerben.
Átlag embernek meg nem tűnik fel belőle semmi más, csak az, hogy "már fél órája a dobot állíccsa, mikor kezdik mán..." A hozzászólás módosítva: Jan 14, 2014
Sziasztok! Olyan gondom lenne, hogy szeretnék venni egy Ágota 3 utas aktív crossovert, de nincs rajta fázisfordító gomb, mint a régi crossoveremen. Ilyenkor jó megoldás az ha a hangszórón megcserélem a pozitiv-negatívot? Ugyanazt eredményezi mint a fázisfordító gomb? Illetve a hangszóró ettől nem megy tönkre?
Igen, a hangsugárzónál is lehet fordítani fázist.
Egy tipp: általában a csatlakozótálcán kettő egyforma csati van jellemzően speakon, és ezek párhuzamosan vannak kötve, a tovább fűzési, párhuzamosítási lehetőség miatt. Az egyiket fázishelyesen a másikat fordítva kötöd be, így könnyebb, gyorsabb a fáziscsere, csak ne felejtsd el megjelölni melyik az invert! Ha pld. minden mély ládát így kötsz be, akkor párhuzamosíthatod fázishelyesen, és ellen fázisban is!
Értem, tehát lényegében a crossover fázisforditója is ezt csinálja, és a hangszóróban nem tesz kárt ha minden igaz.
Nem tesz kárt!
|
Bejelentkezés
Hirdetés |


















