Fórum témák
» Több friss téma |
Szia Szendi001!
Próbáltam kisebb bemeneti jellel 100mVpp. Tehát: a kimeneti csatolótekerccsel sorba kössek 50-100ohmos ellenállást, majd párhuzamosan 1k?
Az 1:10 arány megfelelő, a rezgőkör és a csatoló tekercs jó, ha szoros csatolású, olyannyira, hogy a meghajtást leágazással is készítik. (ha nincs szükség galvanikus leválasztásra)
Az a kérdés, hogy a szignál sweepelhető, vagy nem, a szkópból kijön-e a vízszintes eltérítés fűrészjele. Ha a két esemény együttáll, nyert ügyed van. (nem tudom mit triggerel, vagy szinkronizál a generátorod bemenetei) ui. A szűrő kimenetét a generátor forrásimpedanciája körüli ellenállással zárd le, ezen mérhetsz a diódás mérőfejeddel. A hozzászólás módosítva: Dec 6, 2018
"nem tudom mit triggerel, vagy szinkronizál a generátorod bemenetei" a gépkönyvet megnéztem, de nem lettem okosabb. Átnézem mit tud, eddig nem volt szükségem erre a funkcióra.
Amikor 1:1-es szkópfejjel mérsz, az azt jelenti hogy a kb 5-15MHz-es frekvencián -3dB csillapítása van már. Ez kb 70.7%-a csak az eredeti jel amplitúdójának, tehát eléggé meghamisítja már önmagában ez a tény is a mérést.
A soros ellenállás azért kell ne terheld meg a szignált. A kimenetet le szoktam zárni olyasmi ellenállással, amit a kimenet amúgy is látna: pl. egy cascode erősítő stb. A szkóp csak a függőleges indikálásra kell. Kockás papíron is fel lehet rajzolni a görbét.
Elhaladt a világ. Túrtam a netet és a Tektronix megalkotta a rádióamatőrök ideális műszerét. Sajnos elérhetetlen árszínvonal miatt: több komplett adó-Bővebben: Linkvevőt lehet kapni az árán.
Sziasztok!
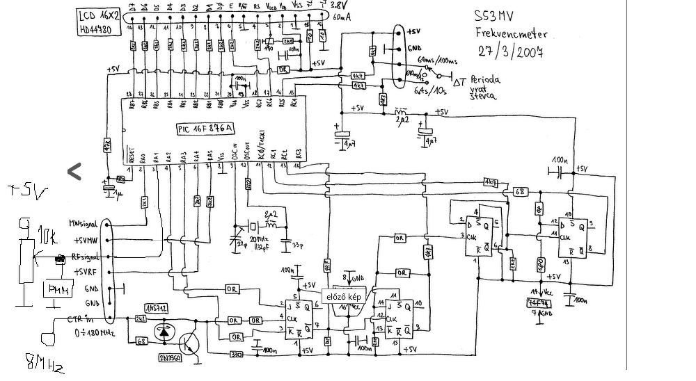
![]() Beleütköztem egy RF mérési problémába. A korábban elkészített frekvenciamérőben megtalálható RF jel detektorának egy vonalra jellemző feszültség értékét szeretném meghatározni. Készítettem egy egyszerű kvarcos Colpitts oszcillátort, amiről a jelet egy potméter segítségével vezetem az frekvenciamérő bemenetére és egy DVM-et kapcsoltam rá. Az oszcillátorban kettő tranzisztoros erősítőfokozat van, de sajnos így sem "megy fel" a maximum értékre a kijelzőn látható sáv, a potméter teljes kitérésekor sem. Pedig a oszcillátort 5 V-ról működtettem, hiszen a műszerben TTL IC -k vannak. De azt a furcsa jelenséget tapasztaltam, a potméter működtetése közben, hogy a DVM a detektor sáv felénél is már 6,4 V -ot mutat. Gondolom, valami zavarja műszert a vizsgálat közben. Hogyan lehetne ezt a hibát kiküszöbölni? A hozzászólás módosítva: Jan 22, 2019
Az nem lehet hogy bőven van harmonikus jelszint és azokat mind beleméri? Spektrumanalizátorral kellene megnézni, nem tudom mekkora frekiről van szó, de 100 megáig egy DSO is megteszi.
Idézet: „jelet egy potméter segítségével vezetem az frekvenciamérő bemenetére és egy DVM-et kapcsoltam rá.” Ezt nem értem , miért kell a poti az oszcillátor kimenetére ? Idézet: „egy vonalra jellemző feszültség értékét szeretném meghatározni.” Az frekimérőben lévő PIC egyik AD portjából csináltak egy relatív csúcs detektort. Ha ennek a csúcs detektornak a bemenő jellel arányos kijelzett értékére vagy kíváncsi akkor Direktben a PIC AD portjára kötsz egy potenciómétert amivel 0-5 V között tudod osztani a feszültséget.Ide kerül a DVM is. De ekkor válaszd le a diódás mérőkör kimenetét az AD port lábáról. Ekkor "pálcánként" össze tudod rendelni az AD porton lévő DC szintet a "pálcák" számával. Ebből érdemes egy táblázatot csinálni, saccolhatóbbá teszi a nagyfrekvenciás szintet amit a diódán keresztül mérhetsz. Idézet: „Gondolom, valami zavarja műszert a vizsgálat közben.” Igen ... ott a DMM 2 * 1 méteres drótja mint antenna , a DVM impadanciája 8 MHz jel esetén, illesztetlenség , megfelelő hidegítés hiánya ... , a "sok kóc " .... stb. A hozzászólás módosítva: Jan 22, 2019
Frekvencia mérőben nem szokott detektor lenni.
A detektor egy viszonylag egyszerű diódás csúcs detektor, ami után kötheted a DVM -et, és ezzel indikálhatod az oszcillátorod nagyfrekvenciás jelszintjét, feszültségét. De beszerezhetsz egy ilyen szerkentyűt is: Bővebben: Link Idézet: „nem szokott detektor lenni.” Persze de ez egyedi "plusz szolgáltatás" az (amúgy annyira nem is) amatőr társunk által tervezett és közzétett műszerben.
Speciel sohasem szerettem az öszvér, mindent egyben megoldásokat. Az ilyen esetekben minden összefügg mindennel, ha valami nem úgy alakul ahogy kéne, igen nehéz javítani. Persze lehet varázsolni csuda jó áramköröket, de azt én nem ajánlanám senkinek utánépítésre.
Amúgy olyan nehéz összeütni egy egy diódából, két kondiból, és egy ellenállásból álló csúcsdetektort? Még lészereléssel is csak néhány perc. Amit ajánlottam áramkört, később lehet egy wobbler detektora is. Egy gondolat még. 8 MHz -es jelet potméterrel osztani már nem lehet, az ellenállás pályát simán kikerüli a szórt kapacitásokon keresztül. Ha változtatni kell a jelszintet, akkor azt erősítés szabályzással, és/vagy speciális csillapítóval lehet. A hozzászólás módosítva: Jan 22, 2019
A potméter, mint szintszabályzó elem került a mérőkörbe.
![]() Csináltam egy Móriczka ábrát (elnézést most csak ilyet tudtam készíteni, remélem látszik) ,ahogy én értelmezem az általad leírtakat. Én úgy tapasztaltam, hogy mérendő frekvencia is kell, hogy legyen a bemeneten. Mert különben a szintjelzés nem működik.
Én jó dolognak tartom, ha már van csak használni kellene.
Idézet: „Amúgy olyan nehéz összeütni egy egy diódából, két kondiból, és egy ellenállásból álló csúcsdetektort?” Ha nem sikerül leolvasni az értéket, akkor nem lesz más választás.
ADxxxx IC-k beszerzése folyamatban, aztán kitárul a világ.
A hozzászólás módosítva: Jan 22, 2019
Habár jobban belegondolva, lehet , hogy célszerű lenne egy ilyen panelt beszerezni a kialakítása miatt. Lehet ilyen kicsi IC-t be sem tudnék forrasztani.
Csak nehogy olyat küldjenek, mint ami a képen van. ![]() Bővebben: Link
Kész a mérés.
Megpróbáltam legpontosabban,de sajnos nem lett elég pontos. A maximum feszültség 1,20V, ezután már nem "nő" tovább a sáv. Ha az átlagot vesszük, akkor 1,20V/36 vonallal 0,033V lesz egy vonal értéke. A hozzászólás módosítva: Jan 23, 2019
Sziasztok!
Megérkeztek az AD8307 -es IC- k. Esetleg tudnátok megbízható kapcsolást javasolni az RF mmérésekhez? Vagy jó lehet az adatlap utolsó oldalán található kapcsolás? A hozzászólás módosítva: Jan 28, 2019
Egyik "klasszikus": OZ2CPU féle
A hozzászólás módosítva: Jan 28, 2019
Köszi!
Épp egy másikat is kinéztem. Ez is megfelelhet? Írnék Arduinora egy kis programot, ami a mV - nak megfelelően kiírná a dB egy LCD-re.
Panel terv érdekesebb , meg az osztókat érdemes meglesni habár több wattokat nem fogsz mérni ... habár CB , PMR ...stb érdemleges lehet ellenőrizni. A 40dB teljesítmény osztó jól jön ilyenkor.
Én inkább kivenném a csillapító tagokat, mert igy nem tudsz kisebb teljesítményeket mérni. Ha kell, akkor külső csillapítót kell közbe iktatni. A frekvencia kompenzáló elemeket pedig hagyd a csudába, többet árt mint használ a bemeneten. 2db 100ohm 1206-os SMD ellenállás párhuzamosan a bemenetre és kész. Ha nagyon szörszálhasogató akarsz lenni, akkor egy 56ohm és egy 820ohm párhuzamban.
Hol volt belerakva?
A csillapítók különálló külső feltét egységként vannak bemutatva .
Én nem egészen ezt látom. R14-től R17-ig terjedő 4 ellenállásról beszélek, amelyek a 4. fényképen is láthatóak az AD8307 panelján. A leírásban is -60dBm-től +30dBm-ig szerepel a bemenő teljesítmény, ami csillapító jelenlétére utal.
Első körben lehet, hogy egy ilyen LED -es is elég lenne számomra. Ugye ez nem olyan pontos?
A hozzászólás módosítva: Jan 28, 2019
Feri az OZ2CPU félét nézi. Amúgy nem rossz az, megépítettem. Esetek 90%-ban elég a -60dBm alj.
Saccolónak felesleges ...
Rendesebb műszert csináljál belőle. Az log erősítőt rakhatod egy kis árnyékolt fejbe mint önálló modul, BNC vagy N csati 2 eres árnyékolt vezetékkel mehetsz rá aztán bármire a kijövő analóg jeled arányos lesz a jelszinttel. 20 25 mV/dB értékkel lásd adatlap. (tápfesz 5V , GND harisnya, analóg kimeneti jel ez a 2 eres árnyékolt kábel) Ezt dolgozhatod fel bármivel, PIC / AVR / deprez / ledsor/ oszcilloszkóp ...stb... Másik csinálsz egy fémdobozt ebbe rakod bele a logerősítőt, uC kijelző , ha kell deprez/ LED vagy LCDn bargraph , eselegesen egy műverősítős leválasztás után szkóp felé kimenet ha wobblerszerű mérésre lenne szükséged. RF csati a doboz oldalába , kis hajlékony koaxon viszedbe a jelet. Külső fix csillapító fejeket is rakhatsz rá ha nagyobb mint 10mW szintet akarsz mérni. NYÁK fontos RF szerelési követelmények betartása , 2 oldalas teleföld avagy ha SMD akkor még jobb. NWT500 as képeken is láthatod SMD-ben a logdetektor könyezetét. A hozzászólás módosítva: Jan 28, 2019
|
Bejelentkezés
Hirdetés |











