Fórum témák
» Több friss téma |
Fórum » RIAA korrektor
Témaindító: Ghost Rider, idő: Aug 25, 2006
Értem. Én is tervezgetem összerakni, kíváncsi vagyok, hogy milyen.
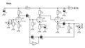
Én a képeken szereplő fűtéshez átalakított tápot szeretném összerakni hozzá. A rajz már ismerős lehet, Moszkvai ajánlotta.
Szerintem közvetett fűtésű csövekhez felesleges ennyire bonyolítani.
Ha nem muszáj, és úgy is zajtalan, akkor Én sem bonyolítom.
Nos, elkezdtem összerakni a REVOX B250 RIAA korrektorát... A 2SK170-et még nem kaptam, a 47ohmos ellenállások helyett 51ohmosat kaptam (ezért nem is ültettem be), valamint a 6,8nF-os kondenzátorból is 7,5mm-eset kaptam, nem akartam belenyomorgatni. Tegnap (fúratlanul) még tetszett, ma a suliban kifúrtam, kopott volt a fúró, borzasztó ronda lett!
A kicsatoló 2,2µF-os kondenzátor ki lesz cserélve, mert nagyon nagy darab..... A kinézete így már sajnos nem a legszebb, de remélem a hangra legalább teljesít valahogy. A tápja valószínűleg egy feszültségkétszerezős táp lesz, mert lusta vagyok összerakni a hozzá tervezett nagy tápot. A hozzászólás módosítva: Nov 16, 2012
Várni kell rá még egy darabig, mert a környéken kifogyott a 2SK170.
Illetve 6,8nF-ból is csak 7,5mm-est kaptam, azt azért nem hajtogatnám bele. Ja, és az 51Ohm valaki szerint megfelel 47 Ohmnak, vagy nagyon rossz a látása az embernek.
Próbáltad már a 2SK170-t itt?
A hozzászólás módosítva: Dec 9, 2012
Ha nagyon sehol nincs, akkor a HQ lesz a nyerő bol. t
Kedves Ákos!
Megkérlek, hogy a jövőben ha hivatkozol az általam kidolgozott anti-RIAA kapcsolásra, akkor ne ezt írd: "találtam egyet valahol" - hanem írd le, "highand féle anti-RIAA". Főleg azért mondom ezt mivel itt találtad A hozzászólás módosítva: Dec 25, 2012
Üdv mindenkinek.
Egy összetett problémára szeretnék megoldást találni, hátha tudtok nekem segíteni. Vettem egy NAD 5120-as lemezjátszót, amiben Lenco m400-as Pick-Up van. Ez nem tudom milyen milyen minőséget képvisel, gondoltam ezt cserélem először, biztos nem egy mai darab már. Ehhez tudtok valamilyen Pick-up-ot ajánlani? Én egy Ortofon OM5e-re gondoltam, és az ára is elfogadható. Vagy legyen inkább egy MC? És, hogy kapcsolódjon a kérdésem a topikhoz, építés alatt van egy csöves erősítő, ezzel szeretném majd hallgatni, amihez kell egy RIAA korrektor is. Mivel az erősítő is csöves, szeretném, ha a RIAA is az lenne. Tehát szükségem lenne egy többek által kipróbált, és "elismert" korrektor kapcsolási rajzára. A régebbi Picasa-s, és egyéb feltöltések már javarészt elvesztek innen Előre is köszönöm a segítséget.
Kérd meg CIROKL-t, engedjen be a kincsestárába - Picasa - ott a csöves RIAA
Itt fent közölt CHZ egy nagyon jó kis triódás kapcsolást, ha azt megépíted, biztosan nem lesz gondod rá.
Javasolt pick-up: Audio Technika AT-95. Ha jól sejtem, az m400 Tesla gyártmány, mint a NAD5120.
Csatlakozok az előttem szóló FordPerfecthez. Az AT-95-t én is nagyon szerettem a NAD-omban egy ION Obeliskkel (anno 20 évvel ezelőtt). Viszonylag olcsó, kifejezetten jó hangú és még beszerezhető. Egy igazi bestbuy. Ráadásul nem kell hozzá MC-pre...
A laposszíjra is érdemes odafigyelni... Bocs az OFF-ért
Sziasztok!
Tegnap előtt elkészült a REVOX B250-RIAA korrektorom. Elég sok RIAA korrektort összelapátoltam "pályafutásom" során, na de lemezt így szólni még semelyikkel nem hallottam! Csak ajánlani tudom mindenkinek, aki egy jó RIAA korrektort akar építeni. Azt a pár ezer forintot szerintem igazán érdemes rászánni, és végül is nem is egy nagyon bonyolult áramkör. Nekem elsőre elindult. A kicsatoló kondi ugyan elhagyható, viszont se vele, se nélküle nem lesznek jobb mélyei, tehát felesleges kihagyni. Nekem a kicsatolással jobban tetszik a hangja. Kicsatoló nélkül olyan összemosottá válik a két csatorna, nem különülnek el, így a tere is sokkal rosszabb lesz. A trafó közelségére -csak úgy mint Moszkvai IC-s HIRAGA MÓD korrektora- ez is érzékeny. Továbbá a bemenő jel vezetékének árnyékolására is. Nekem csupasz UTP kábel lett rákötve, és a zaj 3/4-ét ez szedte össze, tehát erre érdemes figyelni, árnyékolt kábelt javaslok a végleges dobozba szerelés után, legalább a bemenetre. A táp a próbák alatt nem volt stabilizálva, de úgy tűnt, hogy a kábelek árnyékolása után nem zajos. A doksiba közölt táp ötlete CHZ kolléga munkája, a negatív oldalt már Én terveztem át CHZ tervei szerint, azóta se teszteltem le, tehát nem vagyok biztos bennem hogy működni fog. Ha valakinek van valami felmerülő kérdése, megpróbálok rá válaszolni.
Kedves Highand!
Teljesen igazad van és elnézést kérek. (Azért nem tudtam már, hogy honnan volt, mert amint megláttam akkor, azonnal lementettem..)
Üdv Mindenkinek.
Köszönöm a hangszedő tippet. Mostanában megint előkerült a lemezjátszóm, és most már tényleg ideje lenne egy normális csöves RIAA-t építenem hozzá. 2 kapcsolást néztem ki, az egyik az EAR 834p, a másik CHZ által kreált 6n2p, 4 csöves korrektora. Van valakinek tapasztalata evvel a két kapcsolással? Az EAR itt nem igazán szerepel. Kb mekkora tápfeszültség kellhet neki? A másik kérdésem, hogy a CHZ féle kapcsolásban, a bemeneten lévő cső rácslevezető ellenállása a 47K, a katódellenállás pedig a 2,7k, ugye?
A képek persze lemaradtak.
Igen. a két rajz első fokozata teljesen egyforma. a boltban azért ne keress 0F-os kondit
Nem látok a saját szememtől.
Az EAR is megelégszik kb 300v-tal? Nekem 280áll rendelkezésemre, új trafót meg nem szeretnék tekertetni, azért választottam ezt a kettőt. Vélemény az EAR-ról? Valaki?
Szia!
Ellenállás értékeket jól sejted. C6 lehet 220, 470u, de el is hagyható, ha elhagyod csökken az erősítése. Nyers 280V DC kevés lesz, jó szűrés érdekében több kell, többszörös R/C szűrés vagy fojtó, de FET áteresztő is jó lehet. Szűrőtagokon minimum 50-60V feszültségesés szükséges, így kapsz megfelelően szűrt tápfeszültséget. 280V DC-ből nem sok marad, ezekhez a kapcsolásokhoz több kellene. A hozzászólás módosítva: Ápr 25, 2013
Üdv.
Kösz az infókat. 2*230v 100mA van a transzformátoron, EL84 SE-ből bányásztam. 280v jön ki belőle terhelt állapotban, üresjáratban bőven 300v fölött, csöves egyenirányítással. Ez így oké, vagy nézzek nagyobbat? Van egy másik is, most jut eszembe, de az majd 400v-ot ad. Még nem néztem meg pontosan. Egyszerűbb, ha tudom mennyi kell neki, és ahhoz guberálok trafót.
EAR is közel 400V DC kérne, szűrésen sok fog veszni, ha jól szűrt tápot szeretnél.
Egy ilyen szerinted megfelelő az Általad publikált 4 csöves MM-nek, vagy jóval nagyobb kapacitások kellenek?
Persze nem kettő EZ81-gyel, hanem egy EZ80-nal. A hozzászólás módosítva: Ápr 28, 2013
Szűrés mértéke megfelelő, DC szinteket is vedd figyelembe, 350-380 V DC kellene terhel állapotban..
Itt mintha 300V lenne a táp, vagy inkébb csak kb, érték?
Terhelve már ez is megfelelő, ha csővel egyenirányítasz, minimum 350 AC szükséges.
Ok. Kösz az infót, összeszedem a cuccokat, és megépítem a Te félét.
Üdv.
Nem , Nad 5120, csőkeros verzió. Így is az AT a befutó? Csak azért kérdezem, mert valahol azt hallottam, hogy a laposkar a könnyebb PU-t kedveli.
Ez a táp biztosan nagyon jól szűrt kis táp. Az elejét úgy alakítod ki, ahogy akarod. Vagy megtartod ezt a darlington stabilizátort, vagy pedig egy FET-tel is kiválthatod. Persze ez a rajz így önmagában csak ötletadó... Az egyes ellenállásokon eső feszültségeket ki kell számolni, nem utolsó sorba ki lehet kísérletezni. Én nem tudom mennyi lehet egy ilyen RIAA áramfelvétele....LpCollector táp
|
Bejelentkezés
Hirdetés |




Én a képeken szereplő fűtéshez átalakított tápot szeretném összerakni hozzá. A rajz már ismerős lehet, Moszkvai ajánlotta. 

A kicsatoló 2,2µF-os kondenzátor ki lesz cserélve, mert nagyon nagy darab..... A kinézete így már sajnos nem a legszebb, de remélem a hangra legalább teljesít valahogy. 











