Fórum témák
» Több friss téma |
Köszi!
Azt nem tudod véletlenűl megmondani, hogy 250w strobo lámpához kb hány µF kondi kell, hogy normálisan elsüljön? És hány k ellenállást rakjak a feszre?
Ilyen. Építettem hozzá egy próbaáramkört levegőben, amivel el tudom sütni egy gomb segítségével, hogy lássam jó-e a gyújtótrafó (ami direkt hozzá való) meg persze a cső. Viszont elég picit villan, kb akkorát mint egy 10-20 wattos
10k ellenállással és 10µF kondival próbáltam.
Ha jól tudom akkor 47µF/400V-os kell neki.
Én is a belső ellenállása miatt cseréltem le de lehet kapni kifejezetten kis belső ellenállású kondit is.
Egy hagyományos kondi (10µF/400V) ezt csinálja egy 4-5 órás használat után: kép Viszont így is sokáig bírja. Az új kondi is melegszik azonban az jobban bírja. Nekem majd csak az opto csataló részére kellene valamit kitalálnom, ugyanis elég sokszor kipurca
Köszönöm mindkettőtöknek a gyors választ!
Na ez jó lesz
amint látom szabályozható keddre készlesz köszönöm a kapcsit! Üdv!
Köszönöm ezt is!
bevallom az előző jobban tetszik mert azt nem kell átalakítani. de köszi mégegyszer! Üdv!
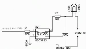
Idézet: ...optotririsztor, optotriac. Én az MOC306x szérából használtam egyet, de te olyat keress amiben nincs nullaátmenet kapcsoló.(egyébként nem fog működni)„Nekem majd csak az opto csataló részére kellene valamit kitalálnom, ugyanis elég sokszor kipurca ” Vagy 12 voltos zéneres táp az optocsatinak, én régesrég így oldottam +, és még mai napig megy.
DMZ , bocs de a legtöbb strobi hangszóróval mükszik
ez mi alapján megy me hangszóró nincs benne
bocs Dmz a hüly e kérdésért
decsak nem régen kezdtem el foglalokozni az elektronikával
Szia!
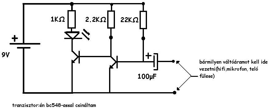
Ez a ledstrobi,nem hagszóróval megy hanem 9V-os elemmel,ami szintén tudod szabályozni a villanási sebességét a potin! De ha neked olyan kell hogy hangra villogjon a led,akkor ajánlom neked ezt a kapcsolást! Ime!
Sziasztok!
Azért írok, mert tudnék szerezni olcsón villanócsövet, 2000Ws-osat, 3000/db-ért. Úgy gondolom, ez elég jó mondjuk a zaj.hu áraihoz képest. Ugyan amiről szó lenne, hajlított, de ez talán nem gond.. A helyzet, hogy minimum 10db-ot kell vennünk, ezért kérdezem itt, hogy kellene-e valakinek, jó lenne összefogni, hogy mindenki jól járjon...Ha érdekel, szóljatok légyszi priviben. Köszönöm! Üdv, Tom
Engem lehet, hogy érdkelne. Tud ehhez valaki kapcsolást? Gyújtótrafó milyen kellhet? Az mennyi?
Vaterán 1000Ft darabja, ha 5-öt veszel...
Bővebben: Link
Na pont erre lettem volna kíváncsi,... hogy lehet-e még tovább húzni... de ezek szerint igen!
Megépítettem ezt a kapcsit, annyi módosítással, hogy a triakot egy optocsatolóval vezérlem diac helyett. Viszont van egy olyan problémám, hogy az első elsütés után többet nem sül el. Szerintem nyitva marad a triac és nem hagyja töltődni a kondikat. Szerintetek mi lehet a baj? Hogyan tudnám megoldani?
Ja és BT137 típusú triakot használtam, lehet ez lenne a probléma oka?
Tedd fel ide az optocsatolós rajzot. Akkor többet tudunk mondani.
Sziasztok!
Szeretném a segítségeteket kérni tőletek! A Baji elektronikánál megvettem ezt a 230V-os Stroboszkópot,vettem hozzá 250W-os villanócsövet! Öszeraktam a kapcsrajz alapján és a C1- es kondi az 2,2µF-os és a C2,C3 az 22µF-osok!! Na most ezek az alkatrészek voltak benne a csomagban,én üzembe helyeztem és mikor bekapcsolom az elején pislog rendesen a villanócső és utánna meg összevissza,de a glimlámpa az rendesen villog ütemesen és a villanócső meg összevissza!!! És mikor a P1 potin állitok annyit hogy a villanőcső egyszer csak beáll ütemesen villogni,de ha letekerem vagy fel akkor összevissza!!! Miért van ez??? Nem lehetséges hogy a C1-es kondi kicsi (2.2uF),meg a C2 és a C3 (22uF)is?? Üdv.: DMZKapcsolási rajz
Szia simpi!
Köszi a választ! Viszont rájöttem hogy 2 fajta kapcsolásuk van a Baji elektronikánál lévő strobiból,az egyik 230V stroboszkó 2-es és a másik pedig 230V stroboszkóp 3-as változatt!!Igaz nem sok külömbség van köztük,csak mások az alkatrészek! Na most én a 2-es változatot kaptam meg és azzal van gondom,megnéztem a 3-ast és egész más alkatrészek vannak és persze azt írja hogy 250W-ig üzemeltethető! Amit mondtál a C5-ös kondicseréről,én megtettem és nem csinált semmit a villanócső,csak a glim lámpa égett folyamatosan,nem is pislogott ! Majd akkor az lesz hogy a 3-as változatú kapcsolást csinálom meg,kicserélem benne az alkatrészeket!!Teszek fel kapcsrajzot nézd meg mi a külömbség a kettő között!!
Szerintem a C4 határozza meg a potival együtt a gyújtás gyakoriságát. A C5 inkább zavarszűrőként funkcionál.
Annyi biztos,hogy a C2-3 nem töltődik megfelelő nagyságú feszültségre akkor hiába gyújt a triac,az áram a kisülőcsövön nem tud megindulni. KIssebb értékű kondenzátorokkal a villogás frekvenciája gyorsitható,a fényerő rovására. Idézet: „villanőcső egyszer csak beáll ütemesen villogni” Ilyenkor meg nem üt át?
Nekem a kondenzátorok kisütő ellenállásainak bekötése sem tetszik.
Az alábbi 2 pdf-en két változat van. Az elsőn ami szerintem helyes,a másodikon a gyári. Ez utóbbin látszik,hogy a feszültség nem egyformán oszlik meg a két kondenzátor között,csak az első időpillanatban. A szimuláció két másodpercre volt állitva,tudom ez hosszú idő,de igy jobban kijön a különbség,ami egyre növekszik a hosszabb időtartamok irányában.
Hello!
Lesz nekem pár darab IFK-120 villanócsövem. Ehhez szeretnék valami elektronikát ami működteti kb 5-6V-ról a villogtatást 555-tel gondoltam megoldani. Ehhez kérnék segítséget sajnos többet nem tudok a csőről csak a típusát. találtam egy hasonló rajzot csak ugye ez is 220-as Itt Itt egy videó róla valami ilyesmit szeretnék 5-6V-ra És végül egy kép a csőről feltöltöttem.
Én arra gondoltam hogy 55-tel meghajtok egy teljesítmény tranzisztort onnan egy tekercset és a tekercsől lejönne a kellő fesz. Vagy ez így nem jó?
Jó tudom trafó elírtam. Ki tudnád fejteni ezt bloccking osszcis megoldást? Kezdő vagyok ezért kérném. Különben rc repülőbe kellene nem motorba meg egyéb másba csak a 6V-t az elérhetőbb mint a 220V hordozható cuccokban
|
Bejelentkezés
Hirdetés |




10k ellenállással és 10µF kondival próbáltam. 



! Majd akkor az lesz hogy a 3-as változatú kapcsolást csinálom meg,kicserélem benne az alkatrészeket!!







