Fórum témák
» Több friss téma |
Hát igazából még nem vettem, meglátjuk milyet kapok. Csak én nem tudtam, hogy lehet üzletben is venni ilyen trafót.
Én itt Szegeden bementem és mondta, hogy kérek egy 60W/s-os villanócsövet valamint hozzá egy folytó trafót.
Hy!
Én próbáltam vakus fényképezőből kiszedett trafóval de vhogy nem akart villanni a cső ugyhogy inkább rendeltem(mivel nálunk nem lehet kapni)... tbence3- Szeged 4ever én a sateltől rendeltem
De annak nincs valami elsütő része? pl egy tranyó ha kapcsol akkor villan? mert akkor csak egy optocsatoló és egy tranyó kellene hozzá.
Én is ott vásárolok mivel ez van a legközelebb a sulimhoz valamint jóba vagyok a boltossal.
Hello mindenkinek!
Én nem igazán tartozom közétek, így igazából csak a segítségeteket tudom kérni, max erre terjed ki a tudásom. Inkább a motoros társadalmat gyarapítom... A kérésem is ide tartozna: sokszor előfordult már velem, hogy az autósok "nem láttalak" megnyílvánulással próbáltak az "életemre törni" motorozás közben. A jobb láthatóság reményében (+persze design) gondoltam felszerelek a motorra egy stroboszkópot( a két tükörre). Vettem is két félét, egy erre a célra kijelölt szaküzletben(H...sita ).Az egyik két fénycsövecskét használva villog állítható villogási sebességgel. A másik 2*6 ledet próbál villogtatni, de sajna nem állítható a villogási sebesség. Az lenne tehát a kérdésem, hogy vki tud-e a kettőből (vagy egy újat) készíteni úgy egy stroboszkópot, hogy a ledeket felhasználva állítható legyen a villogási időintervallum??? E-mail: levelhelye@freemail.hu A segítségeteket előre is köszönöm!
ha jól tévedek akkor az én strobimban egy 400n-s kondi adja a jelet egy tirisztornak ami gyújtja a trafót
Hy!
Én nem vállalom be az építést de sztem nézz be a Stroboszkóp gyújtáshoz témába mert ha jól emlékszem akkor ott vannak ledes kapcsik és esetleg találsz vkit aki összehozza neked
Szia!
Én motorral és autóval is közlekedem, tehát mindkét oldalról ismerem a "látható-nem látható" dolgot. A láthatóságra a rikító sárga mellény viselése a legjobb. Saját tapasztalat. Az autósok sokkal hamarabb észrevesznek, sőt úgy vettem észre, hogy értékelik is! Elengednek, félrehúzódnak a sorban, stb... nem győzöm megköszönni. Biciklin használva is észrevehetően más a viselkedésük. Autósként nézve a dolgot, legjobban a fekete ruhás, fekete színű motorral közlekedő futároktól félek. Sajnos volt már rá példa, hogy majdnem elütöttem egyet... a dobozos teherautóknak nagy holttere van. Fontos motoros szabály: -Sose tartózkodj a gépjárművek holt terében! -Mindig azt feltételezd, hogy az autós nem vett észre! Véleményem szerint a stroboszkóp (bár ér valamit), inkább csak a rendőrök felbosszantására hatásos.
Sziasztok!
Olvasgattam a topicot, meg nézegettem az 555 calkulátort, de az a gondom, hogy nem tudom sehogyse beállítani, hogy nagyobb legyen a T1 mint a T2 . Tehát ugye mikor felvillan pl a led akkor az sokkal kisebb idő legyen mint amikor nem ég... Ezt hogy lehetne az 555-tel? Mert akárhogyis számolgattam, meg tekergettem potikat, nem jött össze. Max annyi, hogy a két tényező ugyanannyi idejű lett. De ugye a strobinál pont úgy kéne, hogy csak felvillan egy picit, aztán pihi, utánna megint hirtelen villanás... Meg lehet ezt oldani? Egyszerűen 555-tel, vagy akár 2-vel? Előre is köszi
Ha egy soros kondin vezeted át a négyszöget, akkor tűimpulzus lesz belőle, amit már felhasználhatsz amire csak akarod.
Nem tudom, hogy pontosan hogyan akarod egy 555-ös időzítővel a stroboszkópot kisütni, de ettől függetlenül nehogy azt hidd, hogy amit te egy LED-del látsz egy 555 kimenetén, ugyan azt fogod látni, ha a stroboszkópra kötöd! A stroboszkóp nem tud folyamatosan világítani mint pl. egy led.
Lehet, hogy én fogalmaztam rosszul, de én nem egy igazi strobit akarok csinálni, hanem imitálni azt egy (vagy több) leddel.
De közben gondolkoztam, és azt találtam ki, hogy lehetne úgy, hogy egy astabil 555 pl 2 másodbercenként triggel egy másik 555-öt ami monostabilban pl. 0,3 mp-ig villantja fel a ledet. Ez így korrekt?
Hali mindenkinek! Egy 1700-as strobit szeretnék építeni,megvan a cső,doboz-tükrözve,egy két alkatrész stb,amit itt olvastam,a 43-oldalból
,de milyen ,vagy melyik áramkör,bírná el ezt a tejesítményt ehhez kérnék segítséget tőletek,hogy ezt valahogy összehozzam
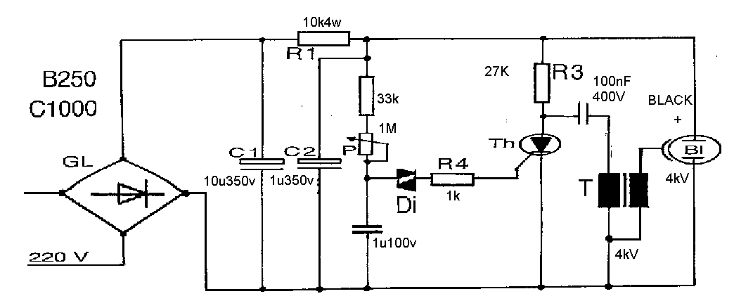
Szerintetek ez a kapcsolás elbírna egy 250w strobó lámpát?
Hali,valami hasonló van nekem is ha tényleg 4 kv jön ki rajta,akkor 500-as is elmegy rajta!
Szia!
Az, hogy mekkora csövet bír el azt a kondi határozza meg. Én a sajátomhoz egy 22µF/400V-osat használok, de 60W/s-es csőhöz. Egyenesen arányos a kondi és a cső hányadosa. Szóval el fogja bírni a 250W-osat. Mért nem hangra villogósat csinálsz? kapcsrajz Jah és még annyit, hogy van ugye a gyújtó trafó amit a csőhöz kell mérezetni. Szóval amit én a 60W/s-os csövemhez használok az nem lenne jó a Te 250W/s os csövedhez.
Semmi köze nincs a feszültségnek ahoz, hogy elbírja-e!
Dragon 1700 néven fut én megépítettem de az oszcillátor nem adja magát. Szal most Pc vezérli de sztem igy is marad
klikk Gyujtó trafót meg bontottam 100 forintos boltban vettem azt a bizonyos elemes gyujtót.... Sokan kérdezték mi az nem tudok kínaiul szóval annyit mondok róla hogy a jószágba egy 1.5voltos elem megy a végén meg vágja az ívet azzal gyujtod a gázt.... Nah mind1 idáig minden strobimba az ment, semmi probláma nincs vele..... Amit tudokróla 25 menet primer ~1700 sekunder, a huzalátmérőtmost hirtelen nem tudom, de ez gyujtjanekem az XOP 15 ös csövet is
időközben taliztam a googleval aki segítettklikk ebből a jószágból bontom ki a trafókat.
kibeleltem egy DVD tápegységéből, jah kivettem a vasmagot belőle, ha jól emléxem 30 menet 0.8as huzalból 6mm-es belsőátmérőn, de ha kihagyod belőle akkor se lessz gáz. Viszont nekem az az 1500w szeretettel vágta le a megszakítót, ezért alakítottam a kapcsoláson.
Azaz L tekercs zavarszűrő lenne. Jah hogy ne verje le a megszakítót építettem bele egy soros/párhuzamos ellenállásokból álló tagot, amit eléggé izmos hűtöbordára raktam, 2.2ohm 10w 4db ezt sorba kötöttem a csővel, ígynem vágja le a megszakítót
Hehe, régóta keresek már ilyen kapcsit de még nem találtam. Kösz szépen!!
Nem én tettem fel a kapcsolást,meg én ugy vagyok vele hogy ami felkerül ide az a nagyvilág számára szabad, azaz te is lekoppinthatod. Nah de hogy megnyugodj beleeggyezek
. volt pár hozzászólással lejjebb az ICvel kapcsban kérdés h 456 van ceruzával a kapcsiba firkálva. Az annyit jelent, hogy oda is kötheted azokat a "kábeleket", így logikusan ami a papíron 456 ra megy az fog menni azokra a lábakra ami mellé ceruzával van irva. Azért ha az oszcillátor problémáját megtalálod oszd meg velünk is. Jah a cső a fázishatást szereti.... Meg kapsz hozzá egy adatlapot vmi olyat emleget h 100V kell az elektródáira, én 600at mértem rajta.
A csőnél az elektródákon..... Jahnem irtam de a csövet mind1 hogykötöd be nincs rajta + meg -
Üdvözlök mindenkit!
Én is szeretnék egy strobit építeni de nem diszkóba valót(azoktol a helyektől írtózom )hanem egy olyat ami 2 másodpercenként villan fel (ez inkább jelző fény) de ez nekem 3V-ra kellene és nem túl nagyba, hogy válra lehessen csiptetni és túl bonyolultat. kapcsolási rajzokat várok! Üdv!
Köszönöm
ez nekem is eszembe juthatott volna remélem jó lesz csak az lehet majd a baj hogy ez nem elég erősfényű Üdv!
Szia!
Én tudok egy egyszerű kapcsolást,de 9V-al megy én szerinem nem olyan nagy! Üdv.: DMZ |
Bejelentkezés
Hirdetés |




én a sateltől rendeltem
).
ehhez kérnék segítséget tőletek,hogy ezt valahogy összehozzam 
