Fórum témák
» Több friss téma |
Sziasztok! Az volna a kérdésem, hogy milyen kapcsolóval tudom közösen működtetni a szélgenerátoromat a hálózattal. Gondolok Én arra, ha az akkuk megfelelően töltöttek és forog a kerék akkor arról menjen a hálózat, ha kevés az energia akkor autómatikusan átkapcsoljon a bejövő áramra. Előre is köszönöm!
Szia!
Ha készíteni szeretnél ilyen kütyüt, akkor nem annyira tudok segíteni, de amiről szó van, azt úgy hívják, hogy inverter. Pont arra való, hogy ellát egy hálózatot árammal akár hibrid szélgenerátor+napelem rendszerről, akkuról, vagy hálózatról. (Egyesek tudnak hálózatba is termelni, de az nem éri meg, mert gyakorlatilag nem fizet érte senki. (Olyan a szabályrendszer, hogy még nagyobbacska szélgenerátort üzemeltető cégek is problémásan tudnak megfelelni, de ez egy külön fejezet.) Ha a közös barátunkat megkéred, biztosan mutat egy csomó ilyesmivel foglalkozó oldalt, magyar is van jó pár. Persze többnyire az értékesítés a céljuk, de van, ahol infó is van, működésről, felhasználásról. Ha építeni szeretnél ilyesmit (mert nem olcsó megvenni...), akkor majd a többiek tudnak talán válaszolni, én tiszta amatőr vagyok (még). A legjobbakat! Spikk
Azért nem ártana pontosítani. Mást jelent a hálózattal szinkron üzemelő generátor és másról írtál a hozzászólásodban. A szinkronizált üzem egyik legfontosabb feltétele, hogy a generátor 50 Hz frekvenciájú váltóáramot adjon le. Erre egy "házkörüli" szélgenerátor esetében kicsi az esély. Én feladtam a szélgenerátorral való kisérletezést, de a probléma, amit felvetettél, a napelemes rendszer esetén ugyanaz. Mit csinálsz, ha az akkumulátor már megtelt és az áram még mindig dől. Maga az átkapcsoló egyszerű szerkezet. Eldönteni, hogy mikor kapcsoljon, az már komoly probléma. Meg kell határozni az átkapcsolás feltételeit. Én már csináltam egy pár verziót, de most sem vagyok maradéktalanul elégedett.
A stájsz az, hogy ahhoz, hogy visszatáplálj az országos hálózatba energiát, ami 50 Hz és 230 V, ahhoz a invertered kimenete 1-2-3-4-5-6-7....volttal nagyobb kell legyen, hogy az áram ne befelé, hanem kifelé follyon. Persze tudnikell azt is, hogy minden egyes volt különbség, amit beállÍtasz kilowattok már...tehát ezt finoman szabályozni kell. A szabályzás úgy történik, hogy a nagyfrekvenciás porvasmag primer (kevesebb menetszámos) oldalát push-pull üzemben nx10-...100 kHz-en szaggató MOSFET vagy IGBT négyszögjel vezérlésének a kitöltési tényezőjét (PWM) úgy szabályozod, hogy a kimeneten a feszültségtöbblet annyi legyen, mint amennyi az invertered bemenetén a rendelkezésre álló PÓVER. Tehát a vezérlés egyidejűleg figyeli, hogy mennyit termel a turbina, mi áll rendelkezésre (hiába akrsz 1000 kw ot felfolyatni, ha nincs elég power a bal oldalon), ill, egyidejűleg figyeli a kimenet alakulását, szintentartását. Ezt optocsatolókkal pikk-pakk meg lehet oldani. A kimeneten nagy induktivitású folytómagokat a felharomnikusok kiszűrés miatt tenni kell, mert a négyszögjel fel-lefutó élei a spektrumban sok-sok felharmonikust generánlak, ami nem kell. Ill. tilos is.
A másik sarokpontja ennek az egésznek a szinkronizálás. Az inverter figyeli folyamatosan az országos hálózatot, ami több okból is fontos. A legfontosabb ok, hogy fázishelyesen történjen a táplálás. Van egy áramkör, ami minden nullátmenetnél mondjuk ad egy tüskét , ebből a tüskéből ki kell kapuzni egy négyszögjelet és már meg is van a szinkronjel. Na ezt kell figyelgetni egy kicsit, hogy tuti jó legyen, majd az ellenütemű kimenetet erre a szinkron órajelre kell diktálni. A másik ok, hogy ha fenn a Zoszlopon szereli a csávó a karácsonyi díszeket, és éppen a szakaszt lekapcsolták, akkor ne legyen az, hogy lenullázza szerencsétlen embert, mert ő jóhiszeműen saját kezével lekapcsolta a szakaszt, oszt mégis mert fújt a szél, az inerternek meg pont olyanja volt és hello, már nem hozza apu a karácsonyfát . . . . ezért van az, hogy VM csak általa bevizsgált kütyüt enged bekapcsolni. Ma egyszerre ennyit csak, mert a dinnye nagyon lendületben van a gyomromban.
Az előbbi hohzzászólásokhoz még annyit, hogy a visszatáplálásnak a nagy lényege az lenne, hogy nem használsz akkumlátorokat a rendszerben, amennyiben többlet energiára van szükséged, mint amennyit a forrásaid megtermelnek, azt a hálózatból veszed.
Az akkumlátorok erős igénybevétel mellett siralamas dolgokra képesek, ill. amióta népszerű lett ez a téma, 2-3 éve az ólom piaci ára mondjuk 2-3 x nőtt- Ami annyit tesz, hogy a 200 Ah akksi volt 17000 egy éve, ma majdnem 40000. huf Peti79: - ez a rendszer teljesen autonóm, azaz nincs benne egy pigmeus beépítve, aki ki-be kapcsolgatja a dolgokat. hogy most akkor ezt az áramot használom, de nem is mert akkor azt, közben meg dugja a villásaljzatokat az egyik vagy másik forrásba....
Valamit félreértettél. A hálózatba történő visszatáplálásra senki nem gondolt. Mindenesetre írásod lendülete fergeteges.Gratulálok
Köszönöm a gyors és sokrétű hozzászólásokat. A generátor az akkuk és az inverter már meg van. Bandras: arra gondoltam amit Te is írtál, hogy építettél.
Nem a frekinek kellene szinkronba lenni, nem visszatáplálni akarok, hanem mikor az akkukban kevés az áram akkor átkapcsoljon a bejövő hálózatra, mikor töltöttek akkor isszakapcsolja a hálózatot az inverterrre.
Hello
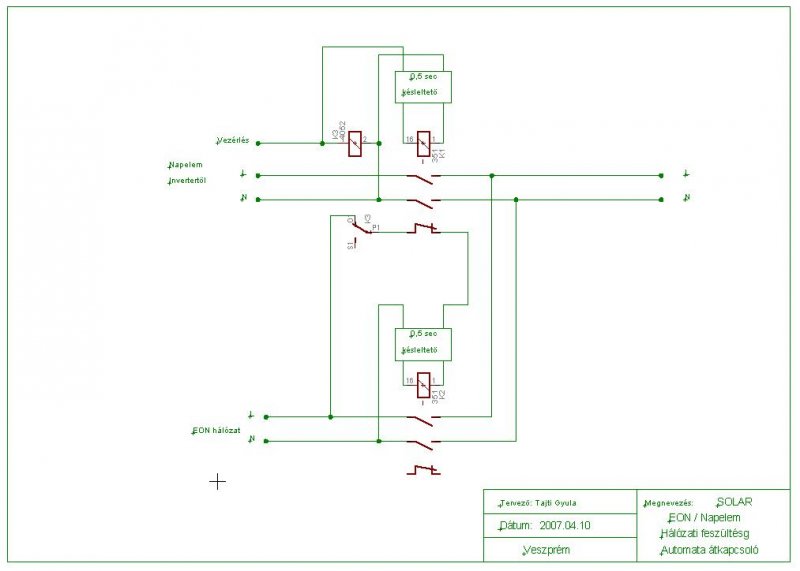
Én építettem egy napelemes rendszert ami ugyanígy ugyan ezen az elven működik. A lényege ha az akku (egy 12V/250Ah) eléri a 13V-ot akkor egy komparátor átbillen és bekapcsolja az invertert, ha a fesz 10,5V alá esik akkor kikapcsolja az invertert. A hálózat és a napelem átkapcsolását 2 db mágneskapcsoló csinálja a lényeg hogy a hálózat lekapcsolása után egy 0,5 sec időzítés legyen az inverter bekapcsolásakor, és a visszakapcsoláskor is, nehogy egymásra kapcsolja a két hálózatot mivel az invertert biztos kinyírná. Ha lesz egy kis időm megkeresem a kapcsolási rajzot is, és feteszem.
Szia! én ilyen építésén még nem gondolkodtam, de általában ezt egy átkapcsoló állomással oldják meg, hogy ha az akkuk lemerülnek, akkor átkapcsol hálózatra...egy ilyen kb 13-14000 körül van és minden napelemes/szélgenerátoros online üzletben láttam már
Itt a rajz amit igértem, én ezeket használom
az egyik rajz az akku feszültségét figyeli, és ki-be kapcsolja az invertert amikor kell. A másik a hálózati fesz / napelem átkapcsoló rajza, az időzítők 555-ös IC-ből vannak felépítve. Bocs, hogy beleszólok... Pont ezen töröm a fejem én is. Ameddig eljutottam az az, hogy egy generátor ami 12 vagy 24V-ot termel még kis szélerősségnél is. Ezzel lehet folyamatosan tölteni az akkut (12v vagy 24V) eddig ez hasonló az autóban lévő -generátor tölti az akksit elvhez, és használja generátor hajtás mellett és álló generátor esetén is. Úgy gondolom nagyobb akksi feszültség mellet pl 24v jobb hatásfokkal vehető ki nagyobb teljesítmény az inverterből... a hálózati betáp útán megszakítom a 230V-os rendszert, hogy és beiktatom az inveretert a hálózat mellé... És innét jön a másik intelligens rendszer, ami eldönti, hogy mekkora teljesítményt kérek, és elég-e erre az inverteres rendszer vagy igénybe kell vennem a hálózatot. Természetesen a kettő parallel nem mehet, az átkapcsolási időt és hiszterézist ki fogom kisérletezni...Akár triac is szóba jöhet. Ezzel a módszerrel Kb 150kwh havi fogyasztás 50-75%-t szeretném megoldani, ami 1-2 év alatt megtérülhet. A fogyasztók rendszerét is át fogom tervezni, Pl kompakt fénycső, laptpop _ez megvan_ további okosítások mellett.
Spikk, azt hiszem, nincs igazad. Ha valaki háztartási méretben ilyen természetes forrásból származó energiát vissza akar nyomni a hálózatba, azt kötelesek átvenni rendelet értelmében. A műszaki követelmények sem egy nagy wasistdas.
Szerintem az egyik legjobb megoldás egy aszinkron motort generátoros üzemeltetése.
Ha egy aszinkron motort a hálózatra kapcsolunk akkor az elkezd forogni miközben a hálózatból vesz fel villamos energiát. Ha azonban a forgása közben a tengelyét azonos irányban, de gyorsabban megforgatva, mint az üresjárati fordulatszám akkor a motor energiát visszatáplálva a hálózatba fékezni igyekszik az őt forgató erőgépet.Ha tehát egy szélerőgép teljesítményleadó tengelyének névleges fordulatszáma 2500 1/p , akkor azt egy 1500 1/p üresjárati fordulatszámú aszinkron motor visszatápláló hajtására használhatjuk. A visszatáplálás csak akkor áll fenn ha a motort nagyobb fordulatszámmal forgatja meg az erőgép, mint az magától forogna. Ha ez nem teljesül akkor a motor inkább fogyaszt és a szélkereket próbálja hajtani, ezt azonban egy egyszerű kapcsolóval meg lehet oldani úgy hogy akkor a motort lekapcsoljuk a hálózatról, majd ha újra megfelelő a szélsebesség akkor pedig visszakapcsoljuk. Az aszinkron motor lehet egy vagy háromfázisú is. Ennek a megoldásnak az az előnye hogy nem kell semmilyen vezérlés és feszültségelemzés, csak a fordulatszámot kell figyelni. Megjegyzem, hogy régebben a lifteknél és mozdonyoknál is kihasználták az energiavisszatápláló fékezést.
Sziasztok! Sajnos nem értek nagyon ezekhez a dolgokhoz most barátkozom és kisérletezgetek vele.A lakás áramellátásába szeretnék vele besegiteniDe addig eljutottam,hogy eg yakus bringa motorjából épitettem egy szálgenerátort 2x40v13A jön ki belöle az én meglátásom szerint 2x3db 12v akut tudnák tölteni innen egy inverterrel rácsatlakoz ni a lakás hálozatra+ van még egy 17v55w napellemem is amit valahogyan szintén össze kell hoznom a generátorral. minden segítséget szivesen elfogadok ,köszönöm rajtattoo@citromail.hu
Sziasztok!
Dicséretes,hogy mindenki alternatív, szélenergiával akarja ellátni a házat... Jó magas tornyot kívánok mindenkinek hozzá. Technikai infókkal tudok segíteni: amiről itt szó van: 1.: adott szélgenerátor+akku+inverter. Ez esetben ugye kell egy "átkapcsoló relé " amely eldönti, hogy a belső hálózatra kötött invertertől, vagy a külső hálózatról kapja a lakás az áramot. Ilyen egyszerű reléket is tudok adni:átkapcsoló állomás Ennél a kapcsolásnál az óra után van megszakítva a fázis, a fázis bejön a relébe, + az inverter a másik bemenetre, az egyetlen kimenet megy tovább a fogyasztók felé. ( 230V AC , 1 fázis. ) Ehhez hasonló ,amikor ugye amit Peti mond, ha jól értem, hogy az invertert párhuzamosítja a hálózattal. Ez TILOS! és a szolgáltatók is tiltják. Miért?: Azért, mert ha így ráküldöd az inverteredről a delejt a fázisra, az kijuthat a házad rendszeréből, és ha a külső hálózaton éppen dolgoznak, (karbantartás, egyéb) de ebből az irányból kap áramot,ahonnan nem számítanak rá,akkor megrázza a villanyszerelőt, és te meg mész a böribe. A relénél gyakorlatilag a párhuzamosítás egyirányú, kifelé nem folyik áram (szűrők, egyenirányítók miatt) 2. Amit sjbenedek is pezzegetett, csak egyszerűbben: adott szélgenerátor+ töltésvezérlője (fékezési feladatra-fesszabályzásra kihagyhatatlan elem) + Hálózatra tápláló inverter.lásd kép. Ilyenkor az inverter párhuzamosan van az óra után kötve a fázisra, és az órát is lecserélik, hogy mérje a kimenő teljesítményt. Ezt hívják szaldós mérésnek. Ezen esetben a szélgenerátorral termelt áramot nem akksiba töltöd, hanem egy hálózatra tápláló inverter egyből felterheli a hálózatra.Több eset van itt is: a.: kép szerint kapsz egy órát, ami méri a kimenő teljesítményt. Így a régi bejövő áram mérésére szolgáló villanyórád,és a kimenő óra által mért értékek KÜLÖNBSÉGÉT kell a villanyszámládban fizetni.Ezt szokták újabban egy digitális órával mérni, ami mindkét irányban mér. b: Az órádat lecserélik egy szaldós, oda-vissza mérő órára. Ekkor - ha az otthonod pillanatnyi fogyasztása=a szélturbina által termelt árammal,akkor az óra áll. -Ha fogyasztás > mint a temelt áram, de van termelés, akkor az óra lassabban forog, és a többletszükségletet a hálózatról pótolja a rendszer kapcsoló nélkül. - Ha a fogyasztás Miért lehet ez? A hálózatra táplálás ez esetben minősített inverterrel történik, mely képes a galvanikus leválasztására. Vagyis: ha egy fél sinus hullám kimarad, az inverter leold, és a rendszered leáll, mert úgy érzékeli, hogy nem szabad kifelé karaftot adjon az invertered. A hálózat kimaradás ugyanis lehet:rendszerhiba, vagy egyéb hiba. Pl.Dolgoznak a szakaszon. A galvanikus leválasztással pedig megvédi az inverter a szerelőt, hogy nehogy agyonvágja az áram abból az irányból ,ahol nem számítanak rá. Ezzel az utóbbival megspóroltad az akkubankot, nem kell 5-8 év múlva újra lecserélned, de mégis csökken a Villanyszámlád. Hátrány: a rendszer nem működik, csak ha van közcélú hálózat. Hiba, vagy zavar esetén ledold. Az inverter a hálózat értékeit figyeli, és az sjbeni által említett szabályzásban terhel fel... Ilyen invertereket itt lehet beszerezni:hálózatra tápláló inverterek Szélgenerátoros Rendszerárak:itt:szélturbina rendszerárak
Szia SZunyi!
Jó helyen kapirsgálsz, nagy teljesítményben, az ipari szélgépeknél alkalmaznak hasonló elvet. De ott is tesznek bele invertert is, meg minden ketyerét, amit a korábban elemzett dolgokat tudja. Mindent a biztonság, és a hálózat stabilitása érdekében....
Sziasztok! Először is elnézést kérek amennyiben egyéb témákból/hozzászólásokból összeollózható a válasz erre az elképzelésre,de a többórás keresgélés után kvázi meguntam a dolgot,és jelen téma is szerepet játszik az ötletben. Adott egy házilag elkészíthető méretekkel rendelkező szélkerék, ill. 2 db 230V-os fogyasztó,egyik 2.2kW,másik 1.8 kW teljesítménnyel. Első lépésben tegyük fel,hogy utóbbit szeretném üzemeltetni. Az eddig olvasottakból már világos,hogy az aggregátoros megoldást a fordulatszám-áttételezés körüli mizéria kizárja. Százával olvasni itt kisfeszültségű szélgenerátorokról mint az egyik véglet,és hálózatba visszatápláló berendezésekről mint másik véglet. A kulcs amit nem sikerül itt megtalálnom,az a hálózattól teljesen független,230V-os táplálás egy-,max. 2 fogyasztóval. Amennyiben a szélgenerátor által termelt villany nem képes kiszolgálni az említett 1.8kW-os fogyasztót,egy egyszerű kapcsolóelektronika visszabillentené azt a hálózatra. Semmiféle akksit,egyebet nem szeretnék használni,a lényeg az átmeneti kiszolgálás lenne amennyiben ez megoldható anélkül,hogy percenként kelljen ide-oda kapcsolgatni a stabil hálózat és a megépített szélgenerátor között a fogyasztót. Végső esetben egy,a tengelyre épített szélsebesség-mérőt figyelve manuálisan kapcsolnám a szélgenerátort terhelésre. Leglényegesebb kérdés: Milyen generátort kellene elviekben (fentieket akár figyelmen kívül hagyva) alkalmazni,vagy megoldható-e mégis egy egyfázisú aggregátorral a dolog? Mégegyszer elnézést kérek az esetleges badarságokért,de alig olvasni 230V-os,hálózattól független szélgenerátorokról,már-már úgy érzem az általam elképzelt mennyiségek és méretek tekintetében bonyolult,horribilis berendezésekről van szó... Köszi a válaszokat és laikusságom megértését is!
Nem tudom, hogy hol laksz, és felétek milyenek a szélviszonyok. Magyarországon nem jellemző a folyamatos, és minden pillanatban azonos erősséggel fújó szél. A fogyasztók típustól függően igen rosszul tolerálják a hálózati paraméterek, feszültség, terhelhetőség, frekvencia folyamatos változását. Ez mindennek az okozója, ami miatt nem kerülhető meg az átmeneti energia tárolás problémája.
Tehát az alapvető rendszer felépítését nem tudod megúszni: szélkerék -> generátor - > akumlátor -> inverter - hálózati átkapcsoló -> fogyasztó. Elvileg lehetne eleve hálózati feszültséget szolgáltató generátor a szélkeréken, de a szélkerék által hasznosított energia meglehetősen széles határok között változik, és ezzel együtt a hálózatot ellátó generátor minden jellemzője is, (teljesítmény, feszültség, frekvencia) és ezt egyszerű módon nem lehet a hálózati táplálás szintjére hozni, hogy egy egyszerű átkapcsolás elegendő legyen. A hozzászólás módosítva: Szept 30, 2012
Kielégítő válasz,köszi. Mindezek tekintetében gondolom megint csak a témával kapcsolatos aranyszabály érvényesül -a többéves megtérülés. Illetve ha jól veszem ki az eddig olvasottakból, 2 lényeges dolog van,a 6m-es magasságmegkötésen és az 500W-os teljesítményen (mely utóbbit nyilván senki nem fogja megmérni egy kistelepülésen...) belül a bejelentést leszámítva semmi hivatalosat nem von maga után a dolog... (?)
Sziasztok.
Esetleg tudtok ajánlani olyan invertert amit a hazai szolgáltatók is elfogadnak, visszatáplálás gyanánt? Lehet hibris is, azaz napelem+szélgenerátor. Olyan helyen lakom ahol van ilyen, csak ipari méretekben, 5km-es sugaramban 12db, gondolom akkor a háztartási méret sem lenne olyan rossz ötlet... |
Bejelentkezés
Hirdetés |













