Fórum témák

» Több friss téma
Fórum » Szkóp óra
 
Témaindító: Moszkvai, idő: Márc 11, 2010
Témakörök:
Lapozás: OK   2 / 13
(#) (Felhasználó 1947) válasza felho24 hozzászólására (») Ápr 5, 2010 /
 
Az nem baj ha kezdő vagy, senki sem született elektronikai zseninek.
A lényeg hogy mielőtt nekiállsz valamit megépiteni, meglegyen a megfelelő szaktudásod, és eszközeid
a megépitendő dologhoz.
A szkóp óra látványos project, de vannak buktatói.
Mikrovezérlős az összes, ami a neten fellelhető,
vagy PIC, vagy Atmel mikrokontroller a lelkük.
Természetesen kell hozzájuk programozó, anélkül nem megy.
A ma beszerezhető CRT-k nagy része alkalmas a célra, de azt tanácsolom, használj alacsony anódfeszültségű tipust.
Állj neki bátran, ha kitartó vagy és türelmes,jó lesz a végeredmény.
(#) felho24 válasza (Felhasználó 1947) hozzászólására (») Ápr 5, 2010 /
 
Akkor aszt javaslod burkoltan hogy építsek egy PIC égetőt?
Nagyon szívesen amúgyis érdekel a dolog! Meiket ajánlanád?
De ha kész leszek akkorsem tudok tovább haladni mert kell az első beüzemeléshez egy égetett PIC.Vagy rosszul gondolom? Jah csak laptopom van amin nincs csak usb port!
(#) vicsys válasza felho24 hozzászólására (») Ápr 5, 2010 /
 
Melegen ajánlom a Szilva féle PICKIT2 klónt. Később is nagyon jól jön majd!
(#) felho24 hozzászólása Ápr 5, 2010 /
 
Rendben köszönöm szépen!
Akkor ez lessz a következő projekt!
(#) (Felhasználó 1947) válasza felho24 hozzászólására (») Ápr 8, 2010 /
 
A vicsys által javasolt programozó megfelel a céljaidra, de
ha nincs kedved ezzel pepecselni, egy gyári pickit-2-est is beszerezhetsz, ez nem drága, és előbb-utóbb fogod még használni mikrovezérlős dolgokhoz.(ez,és az utánépitett is USB-portos)
A pic-be a progi betöltése nem nagy dolog, ha gondolod, Neked is elküldöm a szkóp óra hex. file-ját.
Bátran állj neki a dolognak, csak a kezdet nehéz, utána minden adja magát.
Egyedül a nagyfeszültségű táppal legyél óvatos, az érintésvédelmi, és biztonságtechnikai dolgokra ügyelj.
Ha teheted, használj plexi, vagy műanyag dobozt hozzá.
(#) labu01wx hozzászólása Máj 9, 2010 /
 
Sziasztok!

Szeretnék építeni egy szóp órát és lenne pár kérdésem.
Érdemes-e 256x256-osra tervezni a felbontást(nem csak óra lenne, hanem játszani is lehetne rajt), egy szkóp meg tudja-e jeleníteni ilyen pontossággal?
Egy képpontot mennyi ideig kell megjeleníteni, hogy "beégjen", de nem legyen nagyon erős?(~kell-e 1MHz-nél gyrosabb DAC?)

A segítséget előre is köszönöm!
(#) (Felhasználó 1947) válasza labu01wx hozzászólására (») Máj 27, 2010 /
 
Először juss el addig hogy összehozod magát az órát.
Az sem egyszerű, de kis kitartással megoldható.
Utána ha még van energiád ,jöhet a fantasztikus ötleted
(#) labu01wx válasza (Felhasználó 1947) hozzászólására (») Máj 27, 2010 /
 
Akkor picit másképp kérdezem: szerinted melyik DAC a megfelelő?

dac.png
    
(#) (Felhasználó 1947) válasza labu01wx hozzászólására (») Máj 28, 2010 /
 
MAX5102B, ez szerintem jó.
(#) labu01wx válasza (Felhasználó 1947) hozzászólására (») Máj 28, 2010 /
 
Köszi!
Meg tudod mondani, hogy mi a különbség az INL+-LSB 1 ill 2 között?
(#) ymeecsi hozzászólása Okt 5, 2011 /
 
Ymeecsi vagyok és láttam valahol a neten egy oszcilloszkóp katódsugárcsőből működő órát. Ha valakinek van rajza megköszönném. Egyébként a csövem
DG7-126 a bekötését ismerem, csak az X Y eltérítőkre hogy lehetne vezérelni egy órát azt nem.
Minden segítséget ötletet ki értékelek. És meg köszönöm.
(#) (Felhasználó 1947) válasza ymeecsi hozzászólására (») Okt 6, 2011 /
 
Ha ezt a fórumtémát végigolvastad volna, megtalálod ezt a linket, de megadom mégegyszer:

http://webx.dk/oz2cpu/clock-scope/scope.htm

Ezekivül a neten rengeteg hasonló project fut, a keresőbe a "Scope clock"beirása után tudsz válogatni.
(#) (Felhasználó 1947) hozzászólása Jan 29, 2012 /
 
Volt pár üres órám, összedobtam az eltérítést próbapanelen.Nem lett jó, még ki kell kísérletezni pár
alkatrészértéket.
A mellékelt kis video mutatja hol tartok eddig.
A minősége nem túl kiváló, de a lényeg látszik.
A cső Valvo DH7-78, az eltérítést BUX87-tel építettem meg.

crt ora.3gp
    
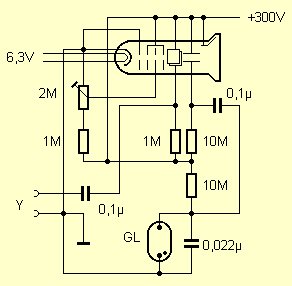
(#) mágus18 hozzászólása Máj 18, 2012 /
 
Hello!
Tudna valaki segíteni abban hogy ezt a kapcsolást hogy lehet megvalósítani ezzel a csővel?
Mert a kapcsolási rajzon, nem igazán van rajta a lábak jelölése, valaki tudna valami magyarázatot adni abban hogy a csövemet hova kössem a rajzon?
Előre is köszi!
A feszültségek tudom nem mind egyezik azt majd módosítom.
(#) (Felhasználó 1947) válasza mágus18 hozzászólására (») Máj 18, 2012 /
 
Ez alapján menni fog?

bekötés.JPG
    
(#) zenetom válasza (Felhasználó 1947) hozzászólására (») Máj 18, 2012 /
 
Szia!
Néztem az előző hozzászólásodban a videót, jól néz ki!
Sikerült azóta tökéletesíteni az eltérítést?
(#) (Felhasználó 1947) válasza zenetom hozzászólására (») Máj 18, 2012 /
 
Sajnos nincs sok időm elektronikázni, de ha van pár percem, erre mindig szánok időt.
Itt megnézhető meddig jutottam:

https://picasaweb.google.com/102787959191787346400/ScopeClock#
(#) zenetom válasza (Felhasználó 1947) hozzászólására (») Máj 18, 2012 /
 
A PIC-ben saját progi ketyeg?
(#) (Felhasználó 1947) válasza zenetom hozzászólására (») Máj 18, 2012 /
 
Nem. Egy rádióamatőr srác,OZ2CPU (Thomas Scherrer)
irta a sw-t.
(#) zenetom válasza (Felhasználó 1947) hozzászólására (») Máj 18, 2012 /
 
Nembaj, így is szép kis projekt!
(#) mágus18 válasza (Felhasználó 1947) hozzászólására (») Máj 18, 2012 /
 
Ömm igen de az én csövemnek, két A2 es lába van, A2a és A2b azokat kössem össze? Akkor a rajzon jobbról balra haladva igy jönnek hogy Fűtés -fűtés, Aztán Katód, grid1(rács), az én csövemen az az A2?
A1 ,aztán megint az A2? csak nekem külön ki van vezetve és akkor össze kellene kötnöm? Aztán a horizontális, és a függőleges eltérítés, és aztán mi az utolsó a rajzomon??
(#) justice hozzászólása Okt 18, 2012 /
 
Sziasztok!

Találtam egy érdekes design-t a neten, ezt szeretném megépiteni.
Viszont ha jól tévedek hibás a rajz a DAC kimeneti oldalán:
Az OUT A és OUT B fel van cserélve a REF A és REF B lábakkal.
Mit szóltok hozzá?

fetch.pdf
    
(#) justice hozzászólása Okt 24, 2012 /
 
Nagyjából összeraktam az előző hozzászólásomban szereplő áramkört, de a digitális rész nem akar működni.
A "Luki" által emlitett OZ2CPU design működik, de Én is az eltéritésen hasaltam el.
Valószinűleg a két design-ból lesz összegyúrva valami hibrid megoldás.
(#) justice hozzászólása Okt 26, 2012 /
 
Egy kis debug után működik a digitális áramkör is, szkópon már látható az eredmény.
Hétvégén összeépités a táp,és eltéritőpanellel, utána beszámolok az eredményekről.
Kár hogy kevés embert érdekel a dolog, itt az oldalon.
(#) justice válasza justice hozzászólására (») Okt 27, 2012 /
 
A rajzon a DAC jól van bekötve, tud működni ebben az ún. voltage ref. üzemmódban (is).
A hiba a hiányzó kondik a 20 Mhz-es kvarcról.(2x22..33pF mindkét lábról a föld felé.)
Ha ezek nincsenek beépitve, nem rezonál a kvarc, a pic nem tud elindulni.
(#) Gafly válasza justice hozzászólására (») Okt 27, 2012 /
 
Pontosabban vagy elindul vagy nem.
(#) justice válasza Gafly hozzászólására (») Okt 28, 2012 /
 
Szia !
Konkrétan ebben az áramkörben egyáltalán nem indul el.
Persze ezek a dolgok csak megépités után derülnek ki.
Mindegy,lényeg hogy most működik, lehet továbblépni az építéssel.
(#) justice hozzászólása Jan 26, 2013 /
 
Szert tettem egy HP1332A Display-re, úgy döntöttem ez lesz a végleges megjelenítő egység.
Szépen megy rajt az óra, jó fényerő, jó fókusz...
(#) Moszkvai válasza justice hozzászólására (») Jan 27, 2013 /
 
Gratulálok! Nagyon tettszik! Sajnos az enyém nem készült el, de ami késik az nem múlik!
(#) bodgabo válasza justice hozzászólására (») Jan 28, 2013 /
 
[off]Biztos van több ember, akiket érdekel a téma és figyeli a topikot (köztük én is). Én is szeretnék építeni egy ilyen órát (ami még esetleg más információkat is megjelenít), csak az egyéb futó projektek és a kevés szabadidő miatt várat magára. Programozgatok PIC-et, szereztem be egy szkópcsövet (van két oszcilloszkópom is), nagyfesz tápom is van, csak soksok szabadidőre lenne szükség...[off]
Következő: »»   2 / 13
Bejelentkezés

Belépés

Hirdetés
XDT.hu
Az oldalon sütiket használunk a helyes működéshez. Bővebb információt az adatvédelmi szabályzatban olvashatsz. Megértettem