Fórum témák
» Több friss téma |
Fórum » T-amp végfokok
Témaindító: patrik1995, idő: Jún 1, 2011
Témakörök:
Van a toroidnak 24V Ac 1A ..
A hozzászólás módosítva: Dec 31, 2019
Szerintem kaptál választ a kérdésedre.
20000µF puffered egyik tápágon sem lesz.(Mitől is lenne? a két 10000µF nincs párhuzamosan kapcsolva, sehol.) A GND és a 40V-os ágakon 10000uF, a 80V-os ágakon 5000µF eredő kapacitásod lesz. Mint írtam, a 4db 10000µF-os kondiból, és a 2 graetz-ből a legoptimálisabban áganként 10000µF szűrést a mellékelt rajz alapján lehet kihozni, ehhez át kell alakítanod a tápot. Táp rajz 2db 50V-os, és 2db 100V-os puffer kell,értelemszerűen a 40,és 80V-os ágakhoz. Még mindig nem világos hogy a gyári megoldás miért nem megfelelő? Ez a gyári megoldás olyan szinten "érdekes" hogy spór van a trafó szekunder tekercsekkel,és a pufferekkel.(Olcsóbb az előállítás) Ez korrekt módon 2db 28, és 2db 56V os tekercssel, és áganként 22000µF-dal (4db) illene megoldani. (Látva az erősítő teljesítmény adatait.)
Köszönöm a választ, és nézd el nekem, hogy még nem teljesen tiszta a kép, még mindig zavar, hogy nem simán sorba kapcsolt kondenzátorokról beszélünk.
Kap töltést a 40v-os ágon is a két kondenzátor között és emiatt zavar meg.
Akkor akaszd le a terheléseket, és mérd meg, kikapcsolt, kondi kisütött állapotban a táp modult.
Ha ennyire zavar.... Szerintem a következő lesz: a GND és +, vagy -40V-os ágakon 10000uF, a GND és a +, vagy -80V között 5000uF, a 40-és 80V-ok között 10000µF lesz a mért kapacitás.....
A terhelés szempontjából ott soros eredőd lesz, azaz fele kapacitásod ahogy a szimulátor is mutatja a búgófesz nagyságából. Alul külön a VF5 80V 5000µF kondival, ugyanakkora búgófesszel mint a VF1 és a föld közti pontokon ugyanakkora terhelés mellett, azaz ugyanakkora kell legyen a kettő kapacitása.
Sziasztok, ismét itt.
Segítséget szeretnék kérni, ugyanis van több T-Amp végfokom, aminek a potmétereit nem egyformán kell beállítani, hogy ugyan azzal a keverőpult jellel teljes kivezérlésbe hajtsam őket. Van-e valami beállítási lehetőség amivel ezt korrigálni tudnám? Találkozott már más is ezzel a problémával? Segítségeteket előre is köszönöm! Üdv: Fodor
sziasztok , mai nap került hozzám egy ta 2400 végfok , képeken látható hibát produkálja , a végfok paneleken lévö védelmi zöld led nem világít , a végfokokon + - 35 V van panelen lévö biztositékok éppek , táp fesz mérve lett a puffereknél megvan a feszültség , a végfokok tranzisztoroknál Bázis és az emmiter láb között zárlatot mérek nem tudom hogy ez igy menyire jo ? bal oldalon a höbitositékok zárlatba vannak dióda vizsgáló szerint , a jobb oldalon szakadásba vannak , nem tudom hogy melyik oldalon a helyesek a höbiztik állapota ? esetleg ha valaki tud valami segítséget elfogadom köszi elöre is !
Szia! A két végfokpanelt kivetted? Ha nem, azért méred a hőbiztiket másképp mert, maga a dobozba, egyik oldalt az egyik oldalat nézed a panelnak a másiknak pedig a másikat. Egyik oldalt a bimetal NO masik oldalt NC ha jól emlékszem. Amit produkal az erősítő, tuti hogy a meglévő tápfesz, az is kintvan a kimeneten. A clip-clip, az az dc van a kimeneten, mind a 2 oldalt. Egyik oldalt működik a fault, de nincs kizárva hogy a masik oldalt is, csak elszállt a led, én is jártam így, hogy még ledet is kellett cseréljek a front panelban. Bázis emiter között figyelj jobban, lehet hogy mész egy 10-100 ohm körüli értéket és arra sípol a multi, az még nem minden. Kollektor-Emiter között érdemes ránézni, így is úgy is, azt ajánlom hogy, bontsd le.. nem ártana egy új szett 5W emiter ellenállás, nehogy valamélyik meg legyen nyulva/szakadva. Ajánlom kiegésziteni az 5. pár végtranyóval, persze miutan működőképes az erősítő. Esetleg ha leírsz több konkrétumot, megprobálunk segíteni.
Szép napot!
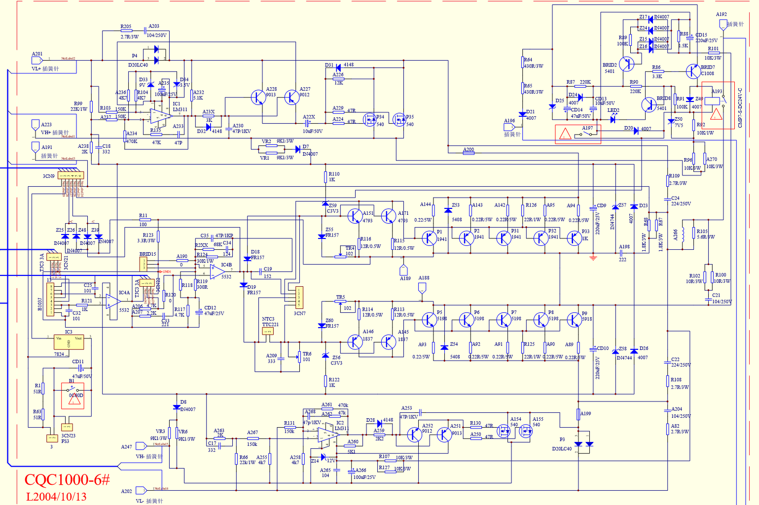
Valahol megtaláltam a kapcsolási rajzot. Lehet itt volt meg osztva régebben.
KSD 301 höbizti van a 2 panelen . és panelenként van 2-2 db , ezekböl a jobb oldalikat kimértem az szakadásba vannak , a bal oldaliba mind a kettő zárlatba , melyik akkor a jó ? , ledet kimértem a front panelen azok jók , bal oldalt kicsit szétbontottam az most jelen esetbe ki van szedve mivel ebbe találtam zárlatos végfokokat , a jobb oldalt nézegetem itt a Bázis és az emmiter végfokok között 22 Ohmot mérek ami valószinüleg a procelán ellenálások értéke , C-E és C-B lábak között tudom mérni a végfok értékét itt nincs zárlat
most nézem KSD 301 B090 és KSD 301 K 060 , jobb oldalon B090 ezek zárt állapotba vannak , És a bal oldalon van a K060 ami nyitott állapotba van , lehetséges hogy valaki felcserélte öket Már csak azt kéne tudni hogy melyik hol volt ? :=(
A hozzászólás módosítva: Júl 19, 2020
Ksd ből 2 fajta létezik! Egy a folyton zárt amikkor állandó kontakt van. És ha eléri a hő kűszöböt szakít. És van a fordítottja. Ezt egyszerűen tudod tesztelni . Műkődik e, forrasztó pálkával nekiálsz melegitení. Multiméterel mérsz rajata . Ha szakít vagy éppen zár a hőbiztosíték jó. (Nem szoktak tönkre menni !) KSD és van meg egy betű ami jelzi melyik fajta is. Probálok keresni Ebayen képet mind 2 fajtáról lasd mi a különbség.
most ugy álok az erösítövel hogy 1 oldal már üzemképes viszont kicsit alapzajos és 4 tranyoval megy a másik oldalon jok a tranyok de az még mindig nem indul el
a höbiztik felvoltak cserélve
Mert bele pofázik a ventilátor. Kösd le! Vidd máshonnan neki a tápot
Üdv. Elakadtam egy Audiohead végfok javítással. Ránézésre hasonlít t-amp 2400re csak valamivel kisebb feszen megy. Végfok tranyó hibás volt, azokat kicseréltem és 1db 15v- zener-t találtam még hibásat.
Működik , csak 1 perc alatt szépen folyamatosan melegednek bizonyos ellenállások 180C-ra. 2x60v megy nem tudom mikor kapcsol át 120v-ra, magasabb jel, vagy terhelés , azt nem próbáltam inkább ? Nem ismerem nagyon ezt az osztályt. A rajz 95% egyezik meg a képen láthatóval. Nekem cqc1000-3# nem 6 így nem találtam a rajzon R106os és R128as ellenállást de azok is melegednek nagyon. Minden félvezetőt kimértem már, ellenállások nem nyúltak meg még. Az lm311 ick nem lettek még cserélve. A hozzászólás módosítva: Aug 6, 2020
itt tartunk , bal csatorna jól müködik azok kaptak 2sc 2sa végfokokat , a jobb oldal is ugyan ezeket megfogja kapni csak indulna már el
tranyokat diódákat mindent átmértem de semmi , jobb oldala nem müködik , itt a tranyokon csak 2x 30 V tudok mérni , a védelmet megkerültem de sajnos a hangszóró kimenet igy 30-35 V tudok gondolom a védelem ezért nem kapcsol ,a bal müködö csatornákon a végfokokon azt hiszem 65 V körül tudok mérni , hol keressem a hibát ?
Ha van egy működő oldalad. Akkor ahoz hasonlítanám a rossz oldalt. És az ne5532 kimenetét is mérd meg nincs e kint dc.
Sziasztok! Van egy T.Amp E-400 végfokom. Ez még egy korábbi model és itt nem alakították ki "BRIDGE" módot. Szeretném hidalva használni. Szerintetek lehet hidalni ezt a régebbi modelt, ha az E-800 kapcsolása alapján készítek egy bementi invertáló áramkört? Esetleg valakinek kapcsirajza az E-400-hoz? köszi
Az E-400 nem lehet anyira bonyolult . Ha nem boldogulnál keres meg bátran.
Sziasztok!
Van nekem egy t. Amp s150 mk ii végfokom olyan hibát produkál ha bekapcsolom akkor szépen elindul szól egy 30 mp ig utána bekapcsol a protect led ha hagyom akkor egy}pár másodperc múlva ujra szól majd kezdi előröl.
Milyen idős a készülék ? Azert kérdezem mert a T.amp híres az olcsó kondenzátorok alkalmazását tekintve. És az ilyen hiba erre utal következtetni. ..(De mérni mérni mérni.)
1 éves mult de mostanában nem jelentkezik ez a hiba.
De gondolok a crossover hibára is.
Sziasztok!
Mért van az hogy a ch1 szól szépen ch2 halkabban szól mint a ch1. Egyenáram mérés letekert potik melett bemenő jel nélkül ch2 - 0,35V ch1 - 0,45V Dc 20V mérés határ mellet Ac volt 200 mérés határ mellet ch1 ch 2 0V
Sziasztok! Van egy t.amp ta2400 as végerősítőm. Amit tudni kell a múltjáról, hogy leejtették, gerjedt, meg lett javítva, kipótolva az 5. pár végtranyók, nyugalmi beállítva, minden ami kell. Subra most is alkalmas az erősítő, de most jön a probléma. Az A csatorna, furcsán pattogva szól, kásás, érdekes, de csak közép frekin. Van mikor magatol egy ilyen bugas van a kimeneten (lasd szkopkep). Op-amp cserélve, tapok szinte tizedvolt pontosak. (-140.9,-69.9,0,+69.9,+141.1) néztem a kondikon a ripple fesz, nem lépi at a 150mV ot. A két csatornanak mértem mind a két pontjat, de minden ugyan az, az első panelon is összecsereltem a két csatorna kabeleit, hátha onnan van a hiba, de nem. Megmondom őszintén ilyen közös kollektoros erősítővel nem volt még dolgom, valami tipp, ötlet? Bármit meghallgatok. A második kepen jól látszik hogy mintha betorne a szinusz (10hz) és emiatt hallhatok a driverben egy pattogo hangot. Na igen, az elso kephez meg annyit, hogy amikor produkalja azt az erdekes jelet, a masik csatorna kimeneten is megjelent ez a jel.
A hozzászólás módosítva: Feb 9, 2022
Volt dolgom Sok t.amp végfokal . Viszont ez a hiba stámomra is érdekes. Valami k9ndenzátor hibára gyanakszom . Vagy folia szakadásra.
|
Bejelentkezés
Hirdetés |






















