Fórum témák

» Több friss téma
Fórum » Tápegység megoldás
 
Témaindító: geri12, idő: Okt 11, 2008
Témakörök:
Lapozás: OK   1 / 3
(#) geri12 hozzászólása Okt 11, 2008 /
 
Üdv mindenkinek!

Van egy saját készítésű áramköröm! A gondom, az hogy negatív tápfeszültség is kell az egyik IC-nek. (MC1496) Az áramkört egy kapcsoló üzemű tápról hajtom meg, ami 18V-ra van beállítva. A kérdésem az volna hogy hogyan oldjam meg a negatív tápfeszültséget. A feltétel az hogy kapcsi üzemű táp legyen! Ezért rakjak be még egy ilyen tápot?? Vagy csináljam meg az 555-ös negatív fesz. generátort? De azt meg nem ismerem annyira... Valaki tud tanácsot adni ilyen esetben.

Köszönöm előre is.
(#) lapose válasza geri12 hozzászólására (») Okt 11, 2008 /
 
Szia!
Ha nem kell nagy terhelhetőség ezt megpróbálhatod.

ICL7660.pdf
    
(#) kendre256 válasza geri12 hozzászólására (») Okt 11, 2008 /
 
Kérdésre kérdés:
Mekkora negatív feszültség kell?
A negatív feszültségen mekkora a terhelés?
Stabil negatív feszültség kell-e, vagy jó a stabilizálatlan is?
Ha nem kell stailizált, és hozzáférsz a kapcsolóüzemű táp belsejéhez, akkor egy (két) plusz shottky diódával és egy plusz kondenzátorral (low ESR kell!) lehet negatív tápot csinálni. A dióda (diódák) katódját a transzformátor ugyanazon pontjára (pontjaira) kötöd, ahova az eredeti egyenirányító dióda (diódák) van kötve. A dióda anódja és föld közé kötött kondenzátoron ott lesz a (földhöz képest) negatív feszültség.
Ha nem férsz hozzá a kapcsolóüzemű táp belsejéhez, és nagyobb terhelhetőség kell (esetleg még stabilizált is), akkor csak bonyolultabb megoldások jöhetnek szóba (pl. MAX755, MAX765 stb.)
(#) lapose válasza kendre256 hozzászólására (») Okt 11, 2008 /
 
Szia!

Idézet:
„A dióda (diódák) katódját a transzformátor ugyanazon pontjára (pontjaira) kötöd, ahova az eredeti egyenirányító dióda (diódák) van kötve.”


Ha fly-back rendszerű a tápja, ez az út nem járható!
(#) geri12 válasza kendre256 hozzászólására (») Okt 11, 2008 /
 
Hát olyan 15V körül! Nem kell stabilnak lennie, mert ez rámegy egy 7912-re . Hát a terhelés nem tudom pontosan mekkora, de a 7912 miatt nem pár milliamperre kell gondolni.

Hozzáférek a táphoz. Ez egy HP nyomtatótápnak volt az adaptere. Sima mezei UC3843-mal épül fel+a szokásos olcsó FET, opto, stb. Szerintem az lesz akkor hogy a diódás megoldást megpróbálom, azt meglátjuk mi lesz. Amúgy volna más HP nyomtató tápom is ami +32V és +18V-os 500mA. Csak azt is át kéne alakítani...

(#) lapose válasza geri12 hozzászólására (») Okt 11, 2008 /
 
Szia!
Az UC3843-al általában fly-back típusú tápot építenek a diódás megoldás nem lesz jó! Le ne égesd a tápod!

Idézet:
„Hát a terhelés nem tudom pontosan mekkora, de a 7912 miatt nem pár milliamperre kell gondolni.”


A 7912 csak pár mA-ert fogyaszt, kérdés mi lesz a kimenetére kötve. Ha csak az MC1496 lesz rajta az szintén nem egy nagy fogyasztású.
Ha az ICL7660A teljesítménye kevés, próbálkozhatsz az MC33063A-val is.

MC33063A.pdf
    
(#) kendre256 válasza lapose hozzászólására (») Okt 11, 2008 /
 
Kifejtenéd, hogy miért nem lesz jó flyback tápon?
És főleg miért égne le?
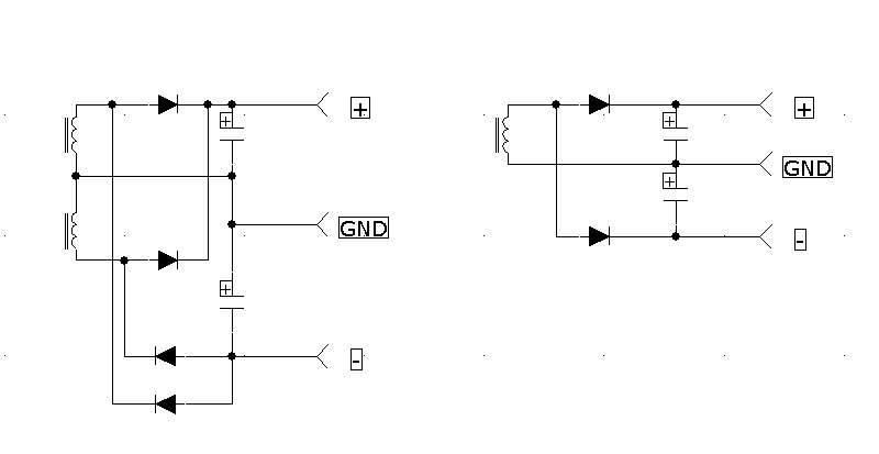
A flyback-nál szerintem maximum annyi probléma lehet az általam ismertetett megoldással, hogy az aszimmetrikus jelalak miatt kisebb negatív feszültséget kap, mint a pozitívot. De nem értem, miért égne le?
Mellékelem, hogy mire gondoltam.

Szerk:
Az egy tekercses kapcsolásban az alsó diódát fordítva kell betenni, de már a képet nem tudom cserélni

negtap1.jpg
    
(#) lapose válasza kendre256 hozzászólására (») Okt 11, 2008 /
 
Szia!
Ha utána nézel a fly-back tipúsú tápoknak, látni fogod, hogy csak záró irányban terhelhető le a táp. Ha nyitó irányban terheled jobb esetben leáll, rosszabb esetben el is halálozik! Az ilyen rendszerű tápokban a negatív feszültséget mindig külön tekerccsel állítják elő.
(#) kendre256 válasza lapose hozzászólására (») Okt 11, 2008 /
 
Utánanézek, köszi!
(#) geri12 válasza lapose hozzászólására (») Okt 11, 2008 /
 
Utánanéztem én is a dolgoknak!

Van egy 200 oldalas angol doksi a kapcsi üzemű tápokról. Van benne UC3843-ra is példa! Ott is flyback típusú volt. Tényleg csak záróírányban lehet terhelni a tápot. Ez igaz! Ezért nem is csináltam a táppal semmit...

A "külön tekercses" megoldás lesz a nyerő!
(#) lapose válasza geri12 hozzászólására (») Okt 11, 2008 / 4
 
Szia!
Ha utólag tekercselsz rá, figyelj nagyon oda az érintés védelmi dolgokra! Egyébként könnyű dolgod lesz, csak pár menet kell rá.
(#) geri12 válasza lapose hozzászólására (») Okt 11, 2008 /
 
Oké!

Köszi!

Majd holnap megírom hogy sikerült!
(#) kendre256 válasza geri12 hozzászólására (») Okt 11, 2008 /
 
Tudnál egy linket adni ahhoz a doksihoz? Megköszönném!
(#) geri12 válasza kendre256 hozzászólására (») Okt 12, 2008 /
 
Megvan kinyomtatva, de a fájlt már nem találom meg a winyomon. Én anno beírtam a keresőbe hogy SMPS vagy swichmode power supply és kijött valami doksi. Majd utána nézek, hátha megtalálom másodszor is...
(#) geri12 válasza kendre256 hozzászólására (») Okt 12, 2008 /
 
Üdv!

Nem találtam meg a sajátomat a neten, de találtam mást, ha még nem ismered.

Ezekből sok mindent meg lehet tudni!

Ime néhány hasznos referencia manual:

http://www.fairchildsemi.com/collateral/smps_design_guide.pdf

http://electronix.org.ru/books/SMPSRM-D.pdf

http://www.freeradio.org/documents/Switching_Power_Supply.pdf
(#) kendre256 válasza geri12 hozzászólására (») Okt 12, 2008 /
 
Köszi!
Beleolvasgattam, jók nagyon!
(#) Zoli_bácsi hozzászólása Okt 25, 2008 /
 
Most építek egy ipari tépegységet. Azért ipari, mert ipari felhasználásra szánt 78xx stabilizátor IC-k vannak benne. Egyszerű. Semmi flanc, stabil 5V; 9V; 12V; 15V; 18V; 24V jön ki belőle, 1.5A terhelhetőséggel. Majd képeket prezentálok
(#) Zoli_bácsi válasza (Felhasználó 13571) hozzászólására (») Okt 25, 2008 /
 
Hello Kedves Barátom. Nem, nem flancolok. Mínusz nincs csak plusz. Nagyon ritkán használom. Ha meg kell, akkor külön a próbapanelon összerakom. Ezért is "csak" szimpla tápegységet építek.
(#) Attila86 válasza Zoli_bácsi hozzászólására (») Okt 25, 2008 /
 
Üdv.!

Szerintem attól egy készülék nem lesz ipari, hogy ipari célra gyártott stabkockákat teszel bele!
Az "ipari készülék" megnevezéshez biztosan van definiálva valami általános elvárhatóság, de ezeket tuti nem meríti ki pusztán az, hogyha a készülékben egy ipari célra gyártott félvezető van...
Egy ipari készüléket az üzembe helyezése után bekapcsolnak és folyamatosan, éjjel nappal üzemeltetik évekig! (Mert csak így térül meg az ára.) Természetesen nem hibásodhat meg, és precizitását az első munkaórától a gyári specifikációban megadott időpontig (akár évtizedek!) meg kell őriznie. Még a karbantartás idejére sem kapcsolják le!

Ahogyan egy műszer sem válik katonai műszerré azzal, hogyha katonai célra gyártott IC-t teszek bele.
Régebben egész teherautónyi katonai műszert dobáltak le három emelet magasról, ha ezután a szállítmányból egyetlen egy is nem működött, akkor az egészet visszaküldték...

Üdv.: Attila
(#) Attila86 válasza (Felhasználó 13571) hozzászólására (») Okt 25, 2008 /
 
De igen, csak nem teljesen egyértelmű.
(#) Zoli_bácsi válasza Attila86 hozzászólására (») Okt 25, 2008 /
 
Nos, mivel igazából "csak" a stabkocka, a kondenzátorok, egyenirányító híd no és a trafó ipari gyártmány, igazad van. "Nam ipari készülék"....
(#) Attila86 válasza Zoli_bácsi hozzászólására (») Okt 25, 2008 /
 
Nos, a hozzászólásom csak nem egy mondatból állt.
És mondd, például a nyák meg a csatlakozók is ipariak, vagy például a forrasztásaid? Vagy a műszerdoboz, meg úgy általában az egész áramkör elektronikus, termikus, mechanikus stb. méretezése is?
(#) Zoli_bácsi válasza Attila86 hozzászólására (») Okt 25, 2008 /
 
Elolvastam. És van benne igazság, amit írsz. Azonban tégy meg nekem valamit. Változtass a szövegkörnyezeten, mert nekem lekezelőnek tűnik.

Üdv.
(#) Attila86 válasza Zoli_bácsi hozzászólására (») Okt 25, 2008 /
 
Szerintem nem, inkább amolyan "költői kérdés" stílusa van.
De ha valóban lekezelően hatott számodra akkor elnézésedet kérem, nem akartam én lenézni a tápodat, főleg nem Téged! Remélem nincs harag.

De azért a te hozzászólásod is szúrós volt kicsit.
(#) Zoli_bácsi válasza Attila86 hozzászólására (») Okt 25, 2008 /
 
Bocsánat, tudom a fórum szabályzatnak ellent mond, de muszáj ide írnom. Nincs harag Attila. Én kérek elnézést, Kedves fórumtársam!

Üdv.
(#) Attila86 válasza Zoli_bácsi hozzászólására (») Okt 25, 2008 /
 
Nem kell bocsánatot kérned, mert én eddig sem haragudtam rád. Inkább én kérek bocsánatot, de azt már az előbb is megtettem.

Üdv.!
(#) zenetom hozzászólása Nov 26, 2008 /
 
Hali!
Hogyan birok 20V-ból 12V-ot csinálni kb 4A-es áram mellett, mert van egy 20V-os trafóm és meg kéne hajtani egy 12V-os 4x25W-os (amiből csak 2-t használnék) erősítőt. Ugye ezek a mezei stab IC-k csak 1.5A-t tudnak, úgyhogy másféle cselhez kell folyamodnom.
(#) kobold válasza zenetom hozzászólására (») Nov 26, 2008 /
 
A "cselt" többnyire a stabok adatlapjában is megtalálod. Ki szokták egészíteni legalább egy végfoktranzisztorral, ami akkor kezd nyitni, ha már adott mértékben kiterhelted a stabot. A kimenő feszültség így nem változik, a terhelhetőség azonban megnő.
A csatolt képek a 7805 doksijából vannak, az elsőn az említett módszert láthatod, a második már rövidzár ellen is véd, ami sokszor jól jön. A stab és a tranzisztor persze a te igényeidhez igazítandóak.
(#) Medve válasza zenetom hozzászólására (») Nov 26, 2008 /
 
Hello, a mezei stab. IC-k adatlapjain találhatsz megoldásokat a nagyobb terhelés esetére. Vagy, ha sokallod a hűtőbordát, akkor válassz egy kapcsolóüzemű tápot. pl az L296-ot
(#) zenetom válasza kobold hozzászólására (») Nov 26, 2008 /
 
Köszi, ez jó lesz!
Következő: »»   1 / 3
Bejelentkezés

Belépés

Hirdetés
XDT.hu
Az oldalon sütiket használunk a helyes működéshez. Bővebb információt az adatvédelmi szabályzatban olvashatsz. Megértettem