Fórum témák
» Több friss téma |
Egy kis hibát vettem észre EBBEN a kapcsolásban, ugyanis a 3. láb van ábrázolva, mint GND (test), holott az L78xx szériának a 2. lába a GND. Akkor most a rajz a rossz?
Itthon elfogyott az L-es széria, ezért bontottam KA7812-t, amiben már a 2. láb a GND. Akkor ez jó ugye? Mert ez az adatlap nem nagyon írja hogy melyik láb a GND, de gondolom ugyanúgy van mint az L-es szériánál... Szóval szerintem amit belinkeltem elsőnek rajzon azon rosszul vannak feltüntetve a lábak számozásai.
Szia!
Szerintem is rossz, a katalógusban jól írják! Sziasztok! A vf2-mhöz készített táp ügyében szeretnék segítséget kérni. A felállás: 160 VA-es TRAKIS trafó adja a szuflát, 42 volt, középcsapolással. A greatz tipusa KBU 6J. EZ elvileg (adatlap szerint) simán bír ekkora terhelést. Úgy van megoldva, hogy a + és a - tápot külön greatz csinálja, (tehát gyakorlatilag 2 szimplatápot a végén összekötök, hogy kapjak egy kettőstápot). A 2 végfokmodulnak viszont közös lesz a tápja (tehát össz-vissz 2 greatz van). Mikor először rákötöttem a trafóra (mindenféle terhelés nélkül, ment simán (a fesz. értékek rendben voltak). Mikor először rákötöttem 1 db vf2 panelt, akkor eldurrant az egyik fóliasáv, ami a trafóról jövő vezetéket köti össze a greatz megfelelő lábával. Az egészben az a fura, hogy a teszteket úgy végeztem, hogy a trafó védelme érdekében a tápágakba (a gretz és a trafó közé) kötöttem 2 párhuzamosan kapcsolt 0,5 wattos 20 ohmos ellenállást. Ez ugye így 1 W, 10 ohm. Plusz ugyanilyen védelmet tettem a tápegység és a végfokmodul közé (ha a végfokban zárlat lenne, greatz+kondik ne halálozzanak el). Ideális védelem (gondoltam én). Viszont mikor eldurrant a vezetőcsík, akkor mind a védőellenállások, mind a greatz-ek és pufferek hidegek voltak. Ugye szerény elméleti tudásom szerint itt az ellenállásnak kellett volna elpukkanni az elméletileg zérus ellenállású rézsáv helyett. Forrasztóónal kijavítottam a keletkezett szakadást, újra próba. Na, akkor 3mm-rel arrébb történt ugyanezt. Aztán meg levettem róla a végfokot, azt a fóliasávot, ami leégett, egy meghajlított ellenállásláb segítségével kihagytam a "buliból" (a trafóról jövő vezetéket a drótdarabbal a greatz lábához kötöttem). Na, ekkor a másik tápágban, a másik greatz előtti fóliasávval csinálta ugyanezt. Egyszerűen nem értem, hogy lehetséges ez. Légyszi segítsetek! ![]() Üdv: FazksG
Pffff, sajna nincs most fényképezésre alkalmas eszközöm... De az a gáz, hogy kinézetre az ég világon nincs benne semmi furcsa (azért, ha nem is vagyok profi, de nem most kezdem az elektronikát, már vagy 5 éve foglalkozom vele). Elkötés, ilyesmi nincs benne, átnéztem párszor... Kondikra rámértem, jók, greatz-re rámértem diódavizsgáló módban, jó...
Üdv: FazksG
Szia!
A trafód milyen? Két külön szekunder van rajta, vagy középmegcsapolásos, mert nem mindegy! Itt a két rajz a két esetre!
Szia!
Leírtam, hogy középcsapolásos . De nem akarok gonoszkodni! Főleg azért nem, mert megadtad a megoldást a problémámra! Igazából ott szúrtam el, hogy mindenben követni akartam az általad is csatolt Király Tibor-féle rajzot... Persze innentől már nyilvánvaló, mi a gáz, javítom a hibát! Nagyon köszönöm a segítséget! Bár az még mindig fizikai képtelenégnek tűnik, hogy ahol van egy soros 10 ohmos tag, ott miért egy leónozott vezetősáv száll el, de ez már nem izgat, úgyis új nyákot kell maratnom... Üdv: FazksG
Szia!
Olvastam hogy középmegcsapolásos, de nem voltam benne biztos, hogy nem bontható! Legalábbis a két diódahídból arra következtettem!
Nem, az igazság tényleg az, hogy ennyire hülye vagyok
. Tényleg nem akartalak piszkálni, poénból írtam, tényleg hálás vagyok, hogy megoldottad a problémámat, sokat hülyéskedtem vele (feleslegesen...).Egyébként most olvastam a szabályzatot, úgyhogy leírom, mi a problémám megoldása: 1. Soha ne keverd össze a középcsapolásos trafót a dupla szekunderessel (nem ugyanaz!) 2. Figyelj oda arra, amit csinálsz (jobban, mint én, különben úgy jársz, mint én!)
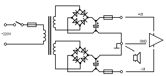
Dual Power Supply +/-15V with 7815,7915
---------------------------------------------------------------------- Üdv! A csatolt képen levő tápegységről szeretnék kérdezni: Nekem olyan tápegység kell, ami +15V és -5V - al rendelkezik (1A - es elég). Át lehet-e alakítani ezt a tápot úgy, hogy nekem megfelelő legyen. (Én arra gondoltam, hogy egyszerűen kicserélem az alsó IC-t egy 7905-re.) Bónuszkérdés: Ha valaki leírná nekem részletesen a tápegység működését, akkor annak nagyon örülnék. A választ köszönöm!
Szia!
Nyugodtan kicserélheted a stabIC-t 7805-re. De egyenirányításnak használj kétutas egyenirányítást, az jobb lesz.
Igen, az IC cserével megoldhatod a problémát. Néhány dolgot azonban én még hozzátennék:
- Kellene a 78- és 79 IC-khez 100nF kondikat tenni, amik megóvnak az esetleges gerjedéstől. ( Nem tudom, hogy mire kell a táp, sokszor nincs szükség ezekre a 100n-kra, de én mindenképpen ajánlom. ) - A rajzon az egyenirányítás után lévő 1000µF szerintem nagyon kevés, ha 1A-el akarod terhelni bármelyik IC-t. ( Egyébként ha beterheled rendesen, ezek képesek 1.5A-t is leadni. Tehát a gyártó 1A-t garantál, hogy le tud adni, de az áramkorlát lehet, hogy csak 1.5A-nál szólal meg. ) - Ha ezt eddig +/- 15 V-on használtad, akkor gondolom a trafó feszültsége ennek megfelelően nagy. ( Legalább 17V egyenirányítva. ) Nos, a 7905-öd ha tényleg beterheled 1A-al, brutálisan fog melegedni, tegyál rá jó nagy hűtőbordát. ( Ha ugyanis túlmelegszik, visszaveszi az áramát és nem tudod a kívánt áramot kivenni belőle. ) - Valóban elég lenne kisebb puffer, ha kétirányú lenne az egyenirányítás.
Sziasztok!
Stabil internetműködésre lenne szükségem és amit keresek egy stabil tápot. Dlink modem (9v 1A) + linksys ruter (12v 500mAp) - hez.
Én a modem panelját kivettem a dobozból és egy kismegszakítók dobozház tettem bele, mellette egy venti is van. Amit csak nyári melegben szoktam bekapcsolni.
15Mb/s internetre váltottam és szívok csak a sok megszakadással :S
10 fok körül volt a doboz belsejében a hőmérséklet kb.
Az egész cumó fent van a padláson a jó hideg levegőn
Sziasztok!
Az lenne nekem a problémám hogy van egy P3-as 235W-os tápom. Beraknám a P4-es gépembe csak tudjátok hogy van a P4-es alaplapon +egy foglalat amibe 2 sárga és 2 fekete megy bele. Mellékeltem a képet. Azt szeretném megoldani hogy a p3-as tápomon is legyen egy ilye +kivezetés. Mit kellene, mivel összekötni hogy megtudjam csinálni. (van ilyen felyem mint a képen csak össze kell kötni.) Előre is köszi midenkinek a válaszát! Üdv! Geri.
Szia!
A sárga12V, a fekete 0V. vincseszter-tápcsatlakozóról lehet levenni áramot ehhez a plusz csatihoz.
Oké! köszi. Megpróbálom megcsinálni.
Hali!
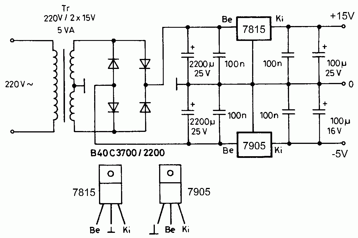
Tápegység TDA2030 IC-vel ezen a rajzon ha TDA2030AV-t használok (ami ugye kb 40V-ig birja a feszt.) és a 78L05 helyére valami nagyobb feszű 7805-öt rakok be, akkor a bemeneti feszt (és ezáltal a kimeneti is) lehet növelni 35-40V-ig?
Sziasztok!
Ebben a témában volt csatolva a mellékelt kép, amit csatolok. Kérdezném, hogy milyen tranzisztort ajánlanátok a BD534 helyett, ha ugyanezt az áramkört szeretném megépíteni 7824-el, 10Amperre? Köszönöm a válaszokat előre is!
Szia!
A BD250 egészen 25 amperig jó.
Lenne egy kezdő kérdésem. Csináltam egy egyszerű tápegységet , egy hangszinszabályzót akarok róla működtetni, talán ha 100 mA-t fogyaszt.
Egyenirányítás után 23V . Késöbb egy 7815 lenne rákötve.Ha rákötök egy 12V 5W izzót akkor , akkor visszaesik 10.2V -ra , és majdnem teljes fénnyel ég. A puffer 2200µF/50V Az érdekes az , hogy ha nincs terhelve akkor szép lassan emelkedik a feszültség 23V-tól felfelé , 38 voltig vártam ki. Miért is emelkedik? Mikor állna meg? Nem jó valami? A 7815 nek nem sok a 23V? Terhelnem kellene ? Köszi.
Szia!
Van rajza is a tápegységednek? Esetleg fénykép?
Terheld meg a pufferkondit egy 10 kohmmal. Úgy nézd meg a feszültség alakulását.
A kép alapján a válaszok:
Töltődik a kondi Ha 24 voltos a trafó akkor 23 * gyök 2 Jó minden Nem sok Majd terheli az amit rákötsz
Igen így már stabil. De hogyan is lett ez kiszámolva? Vagy csak a gyakorlat?
Ha így alakult akkor fogok betenni egy led-et egy 1k2-s soros ellenállással. Az már 20 mA állandó terhelés. A 7815-nek nem sok a 23V?
Nem, nem 23 voltos trafó ,hanem 16 voltos.
16*1.41= kb 23V
A terhelő ellenállás értéke nem kritikus, ez egy gyakorlatban jól használható érték ilyen feszültségen. A 78xx határadatait az adatlapjáról leolvashatod, egyébként a 23 volt nem sok neki.
Persze ha már rá van kötve a stab. IC, meg egyéb fogyasztó, akkor nem kell ez az ellenállás. |
Bejelentkezés
Hirdetés |







. De nem akarok gonoszkodni! Főleg azért nem, mert megadtad a megoldást a problémámra! Igazából ott szúrtam el, hogy mindenben követni akartam az általad is csatolt Király Tibor-féle rajzot... Persze innentől már nyilvánvaló, mi a gáz, javítom a hibát! Nagyon köszönöm a segítséget!
. Tényleg nem akartalak piszkálni, poénból írtam, tényleg hálás vagyok, hogy megoldottad a problémámat, sokat hülyéskedtem vele (feleslegesen...).










