Fórum témák
» Több friss téma |
egy TDA7265-ös íc vel építem meg a második végfokomat.
Sziasztok!
Lenne egy kérdésem... Van egy 220~24V-os trafóm 100VA-os és szeretnék egy TDA7265-ös erősítőt gyártani... Sztereót szeretnék... igazából Laptopról menne itthonra a zene... Viszont nem akarok NYÁKOT csinálni, próbanyákra szeretném... Lehetséges? Hogy induljak el? Köszi a segítséget előre is!
Szia!
Mivel ennek az erősítőnek szimmetrikus +-20V kell, egy 24V-os trafóval nem lesz egyszerű! Megépítheted próbanyákra! Olvass utána itt a HE-n a szimmetrikus tápoknak! Bővebben: Link
Szia!
Köszi de el is vetettem az ötletet... Inkább keresek olyat ami nem szimmetrikus tápos, mert nem akarom nagyon telerakni sok cuccal ezzel is csökkentve a hibák esélyét... "Az egyszerűség szabaddá tesz!" elvét élem... Szóval keresgélek még... De azért köszi!
Szia!
Ha 24V váltót egyenirányítasz, az kb. 33-34V lesz pufferelés után! Ha nem akarsz sokat vacakolni vele, a TDA2030-nak van egytelepes kapcsolása, és ez a feszültség ideális neki. A topikjában meg is találod a rajzot.
Szervusztok!
Kérdésem lenne, szerintetek elviseli-e a 7265 a szimmetrikus 30V ot? Huzamos használati idő, teljesítményének viszonylag nagy kihasználása, csak +-30 V van jelenleg, erősítő átépítés következik, DE csak ez az IC van kéznél. Valaki valamit? Köszönök mindent előre is!
Szia!
Szerintem nem! Az ajánlott feszültsége +-20V, az abszolult max. is +--25V. Én mindenféleképp csökkenteném a feszültséget, pl. egy stabIC megfejelve egy tranzisztorral.
Sziasztok!
Van egy tda7260-as IC-m és szeretnék csinálni egy erősítőt! Láttam, hogy hídba lehet kötni, ez a része érdekelni, mert autóba szeretném szub erősítőnek! A gond csak az, hogy láttam akkor 8ohm mehet rá, de az én hangszóróm 4ohm, de a táp feszültség is csak ugye 12-14V körül van a kocsiban. Ajánljátok ezt szubnak? Vagy túlságosan megterheli az IC-t és torzítani fog, vagy netán ki is? Előre is köszönöm!
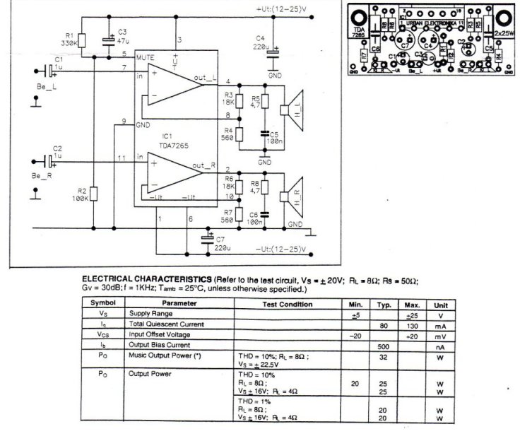
Sziasztok! lenne 1 olyan kérdésem a tda7265-tel kapcsolatban hogy a standby és mute funkcióját automatikusan lehet-e vezérelni?Mondjuk ha nem kap jelet akkor készenlét...Vagy ha nem kap jelet akkor készenléti áramot vesz fel??Ezt a részét nem nagyon értem.
Választ köszönöm előre is
Sziasztok!
Szerintetek milyen tranzisztort tegyek a panelba a Q1 -es pozícióba??? A 7. oldali kapcsolást készítettem el.
Köszi szépen! Bc 182 van is.
hali
olyan problémám van hogy megépítettem ezt az erősítőt és nagyon gyengén szól és búg is, de ha az ujjam odateszem a 18kohmos ellenállás alá akkor gyönyörűszépen szól. 18 Voltot adok neki. Mi lehet a baj? ja és már mindent átnéztem....
Tehát ha megmozdul az ellenállás, akkor jó => kontakthiba, esetleg földelés hiánya. Üdv.
köszi a gyors válasz de nem az ellenállásra teszem az újjam hanem a nyákra ami az ellenállás alatt van. és valószínüleg ott zárok össze valamit de nem kontakthiba
Üdv mindenkinek!
Keresem ennek a TDA7265 2×25W-s erősítőnek az 1 tápos kapcsolási rajzát. Sajnos csak egy adat hiányzik ebből a kapcsolásból, és az egy kondinak az kapacitása. Akinek meglenne azt megköszönném, vagy ha nincs senkinek akkor legközelebb megpróbálom elhozni én. Köszönöm (:
Melyik rajzra gondolsz? Mert az adatlapban (pár hozzászólással korábban be is tette valaki) szereplő rajzhoz szerintem minden érték meg van adva.
Szerk: mondjuk én a kimenetre kevésnek találom a 470µF-ot, 8 ohm-hoz legalább 1000µF-ot tennék oda.
utólag kiderült a turpisság, egy kondi volt jelölve oda ahová egy rövidzár való
![]() be kellett tenni egy 100µF-es kondit a 9-es láb és a föld közé, majd a -Vs nincs, vagyis az 1-es és 6-os láb rögtön földre kerül a 9-es láb nem megy a földre és össze van kötve a 10-es és 8-as lábról érkező ellenállásokkal, amik szintén nem mennek a földre nekem ez van ![]() remélem menni fog... ha nem megy akkor adok helyzetjelentést hogy hány perc alatt jöttek ki a tűzoltók
Sziasztok!
A kimenetek egy 4.7ohm ellenálláson és egy 100nF kondenzátoron keresztül földre mennek. Azt szeretném megkérdezni, hogy Ti milyen kondenzátort szoktatok oda tenni...? Gondolom fóliát. De mondjuk jó lenne oda kerámia kondenzátor? Valakinek már működött kerámiával?
Jó reggelt,
valaki megcsinálta már ezt az IC-t hídban? Tapasztalat?
Szia Szabi, ezer éve...
Jól működik amúgy? Néztem, elég olcsó, 500 körül kapható, gondolom egy számítógépet ki lehet vele hangosítani egy normál szobában...
Én csak TDA7376-ot készítettem, az 4 csatornás, és hídban használom. Nem tudom, segítettem-e.
Ha megengeded válaszolok én is erre a kérdésre
. Nálam jól működik sztereóban, egy LM1036 -os előerősítővel építettem meg (Rádiótechnika alapján). Szobába, de akár nagyobb térre is tökéletes . üdv.
Köszi a választ, ezek szerint jól működik, ha használod. Én egy 8560Q-t raktam a régi erősítőmbe, mert az Urbán-féle 40 wattos TDA2030/BD páros végfokok kilehelték a lelküket egy szilveszteri bulin. Jó fejek voltak, vitték a duplatápot is, dacára a biztiknek mindegyik szétégett, csak azt nem tudom hogyan...
Az egyen/puffer rész úszta meg, meg az LM1036-os előfok...
Oké, akkor bepróbálok egyet. Én is LM1036-os előfokokat használok általában, elég jól mennek a TDA-kal.
|
Bejelentkezés
Hirdetés |





Választ köszönöm előre is
Úgy is jó
A 7. oldali kapcsolást készítettem el. 




