Fórum témák

» Több friss téma
Fórum » TDA7294 végerősítő
 
Témaindító: Dióda, idő: Ápr 17, 2006
Lapozás: OK   569 / 611
(#) reloop válasza kicsizsola hozzászólására (») Nov 27, 2016 /
 
A NYÁK vezetősáv sérülésére azért kérdeztem rá, mert ha ilyet tapasztalsz, abból talán behatárolható a hiba kiváltó oka. Ha például megsül a 8-as lábhoz tartozó fólia, akkor testet kapott a hűtőzászló.
(#) kicsizsola válasza reloop hozzászólására (») Nov 27, 2016 /
 
Hát ez van . Sztereóba akartam kötni a társával. De ugy látszik ez se ezen a héten lesz. Ilyenkor még kimehet pár kondi vagy valami? Mert ha igen akkor ujra csinálom az egész nyákot.
(#) nmark19 hozzászólása Nov 27, 2016 /
 
Sziasztok! Van egy kérdésem. Lemértem tiszta szinusz jellel a tda7294et. És 8ohmon 32W teljesítményt tudott leadni 40V-os tápfeszültség mellet. Ez reális vagy én néztem el valamit a műszereken?
(#) reloop válasza nmark19 hozzászólására (») Nov 27, 2016 /
 
Szia! A tápfeszültséget gondolom ±40V-ra értetted. Ez mekkorát esett a terhelés hatására?
A kimeneti szinusz torzulását mivel vizsgáltad?
(#) reloop válasza kicsizsola hozzászólására (») Nov 27, 2016 /
 
Nem tudjuk pontosan mi történt. A tápfeszültséged elég magas, a ±40V-ot nem szerencsés, hogy túlléped.
Fotó hiányában nem tudható, milyen minőségben állítod elő a NYÁK-ot és megfelelők-e a forrasztásaid.
A huzalozás és az élesztés szabályairól olvastál lentebb?
Az általad választott NYÁK-tervvel nem vagyok elégedett, a magam részére készült panelt itt osztottam meg.
Ami a kondenzátorokat illeti, valószínűleg nem károsodtak.
(#) nmark19 válasza reloop hozzászólására (») Nov 28, 2016 /
 
Azt sajnos elfejetettem mérni terhelésre mennyire esik. Oszcilloszkóppal néztem 1khz frekvencián.
(#) Alkotó válasza kicsizsola hozzászólására (») Nov 28, 2016 /
 
Miért nem, mi az akadály?
(#) reloop válasza nmark19 hozzászólására (») Nov 28, 2016 /
 
A várható eredményről itt írtam.
(#) kicsizsola hozzászólása Dec 4, 2016 /
 
Esküszöm lassan feladom . Megcsinálom , 2 órán át zenélek , kihuzom a laptopbol a jacket es elromlik. Masodszorra szivat meg ez az erősitő.
A hozzászólás módosítva: Dec 4, 2016
(#) steelbird válasza kicsizsola hozzászólására (») Dec 4, 2016 / 1
 
Akkor kikapcsolás után húzd ki...
(#) Alkotó válasza kicsizsola hozzászólására (») Dec 4, 2016 /
 
Fotózd le. Informatív kép legyen, lehetőleg a panel mindkét oldaláról.
(#) zotya1983 válasza kicsizsola hozzászólására (») Dec 4, 2016 /
 
Van koppanásgátló benne,vagy valami védelem ami esetleg oldana?Amúgy a sorrend már eleve nem oké,ha pl feltekert jelnél begerjeszted nem tesz jót neki sem a hangszóróidnak..Először az erősítőt kapcsoljuk ki ha ki akarjuk húzni a jelbemenetet..
(#) kicsizsola válasza zotya1983 hozzászólására (») Dec 4, 2016 /
 
Az esetleg lehet gond hogy megnöveltem a visszacsatoló ellenállás értékét hogy növeljem az erzekenyseget . 22kohm - rol 50 kohm ra. Ez még azert is furcsa hogy egy kihuzasra begerjedjen mert pl . bulikor mindenki akar majd a telojárol zenét rakni vagy valami akkor egy zsák Tda -t kell vegyek?
(#) Alkotó válasza kicsizsola hozzászólására (») Dec 4, 2016 /
 
Miért nem mutatod meg az erősítőt? Lehet egészen alapvető hiba is, ami az itteni értő szemeknek könnyen észrevehető lenne.
(#) reloop válasza kicsizsola hozzászólására (») Dec 4, 2016 /
 
Szia!
Ha nincs semmilyen bementi jel határoló akkor:
Idézet:
„kihuzom a laptopbol a jacket es elromlik”

Akár véletlenül is kihúzódhat, erre fel kell készítened a kapcsolást.
Általános esetben egy hangerő poti is elegendő, de ha leírod a várható üzemi körülményeket, adhatunk javaslatot biztonságosabb megoldásra is.
(#) kicsizsola hozzászólása Dec 4, 2016 /
 
Kaptam két képet szerencsére mikor még ép volt ! Igazából ma csak kiszerettem próbálni hogy pasztával jobb-e a hőátadás és elszigeteltem a bordát a negativ fesztől! Sikerült
Hát ugy szeretném majd hogy csinálok egy hangszinszabályzót elé. A rajza már kivan nézve.Az igazság az hogy a nyáklapom se a legjobb és a cuccokat se tudtam szebben felpakolni rá.
Ugy gondoltam el hogy alapból hangfalba épitem a két erősitőt és sztereóba kötöm. A hangszórókat is kinéztem már neten 8 ohmosokat plusz piezot a magas hangoknak.
Amit még tudni kell : Kicsit a tápfeszültség sok , ami remélem majd ha sztereóba kötöm esni fog.( 43,5V )
A hozzászólás módosítva: Dec 4, 2016
(#) reloop válasza kicsizsola hozzászólására (») Dec 4, 2016 /
 
A NYÁK-készítés fortélyaiba itt nyersz betekintést.
A kép alapján elégtelen maratást vélek felfedezni, ami a kúszóáramok melegágya, magyarán egy időzített bomba.
Jó lenne látni a teljes huzalozást. A be és kimenet összegerjedése ellen miként védekezel?
Nézzük meg azt a hangszínszabályzót a témájában, nehogy úgy járj azzal is mint a végfokkal. Akár a rajzot, akár táplálását, akár a helyes összekötését a végfokkal ott tárgyalhatnánk ki.
(#) kicsizsola válasza reloop hozzászólására (») Dec 4, 2016 /
 
Tudtommal nincs semmilyen védelem. A hanszínszabályzó rajzát elküldtem az adott téma körbe.
(#) reloop válasza kicsizsola hozzászólására (») Dec 4, 2016 /
 
Tettél bele hangerőszabályzó potit, vagy csak a csupasz bemenetet kötötted a jack kábelre?
Másik hangszínszabályzót javaslok, mely orvosolja valamennyi eddig ismert problémádat: Bővebben: Link
A hangszín témába feltett rajzot nem is kommentálnám, úgy felejtsük el ahogy van!
(#) kicsizsola válasza reloop hozzászólására (») Dec 4, 2016 /
 
Ja értem mostmár. Csupasz bemenetet kötöttem a jack kábelre.
(#) reloop válasza kicsizsola hozzászólására (») Dec 4, 2016 /
 
Az áram alatti laptop és erősítő szétválásakor a jack dugó hegyén lévő jelet vivő érintkező kontaktusa szakad meg utoljára. A két készülék tápjainak szórt kapacitásai miatt akár a hálózati feszültséggel vetekedő nagyságú jel is kerülhet így az erősítő bemenetére, ami nem csoda ha végez vele.
Az ajánlott hangszínszabályzó kapcsolás előerősítőt is tartalmaz, mely céltudatosan olyan IC-vel készült, melynek bemenete kevésbé érzékeny.
Persze ettől függetlenül kőbevésett szabály, hogy jelkábelt csak áramtalanított készülékekhez csatlakoztatunk, vagy távolítunk el tőle!
Még egy megjegyzés: nem nélkülözheted a koppanásgátlót.
A hozzászólás módosítva: Dec 4, 2016
(#) BI-AMP hozzászólása Dec 9, 2016 /
 
Sziasztok!
Úgy néz ki most már tudok több időt is fektetni a dologba. Na szóval ott tartok, hogy szükségem lenne egy egyszerű fázisfordítóra. Amivel ha kell sztereóból bridgebe (vagy fordítva) tudok váltani. Olvasgattam a fázisfordító topikot, és ezen a fórumon is vissza olvastam, de nem találtam semmi konkrétumot. Tudnátok ajánlani valami kapcsolást amivel elindulhatok.?
(#) kadarist válasza BI-AMP hozzászólására (») Dec 9, 2016 /
 
Szia!
Van külön topikja a témának, konkrétumokkal. Bővebben: Link.
(#) BI-AMP válasza kadarist hozzászólására (») Dec 9, 2016 /
 
Közben ezt találtam, gondolom ez megfelel nekem?
(#) kadarist válasza BI-AMP hozzászólására (») Dec 9, 2016 /
 
Meg hát!
(#) BI-AMP válasza kadarist hozzászólására (») Dec 9, 2016 /
 
Fasza! Még egy pát kérdés:
1. A végfok paneleken kel alakítani valamit? Gondolom nem.
2. Az erősítő bridge módban fogja tudni azt a teljesítményt, mint a gyári híd kapcsolás?
3. A fázisfordító kimeneteiről el hagyhatóak az 1µF kondik? Mert rajta vannak a végfok paneleken.
4. A fázisfordító ellőt használhatok hangszínt szabályzót pl. LM1036-ot? Gondolom igen.
(#) kadarist válasza BI-AMP hozzászólására (») Dec 9, 2016 / 1
 
1. Nem.
2. Bridge=híd.
3. Csak akkor, ha a kondik helyes polarizációs feszültséget kapnak.
4. Igen, de a szintekre ügyelni kell (fázisfordító, hangszín bemenet túlvezérlése).
(#) krisz69 válasza BI-AMP hozzászólására (») Dec 9, 2016 /
 
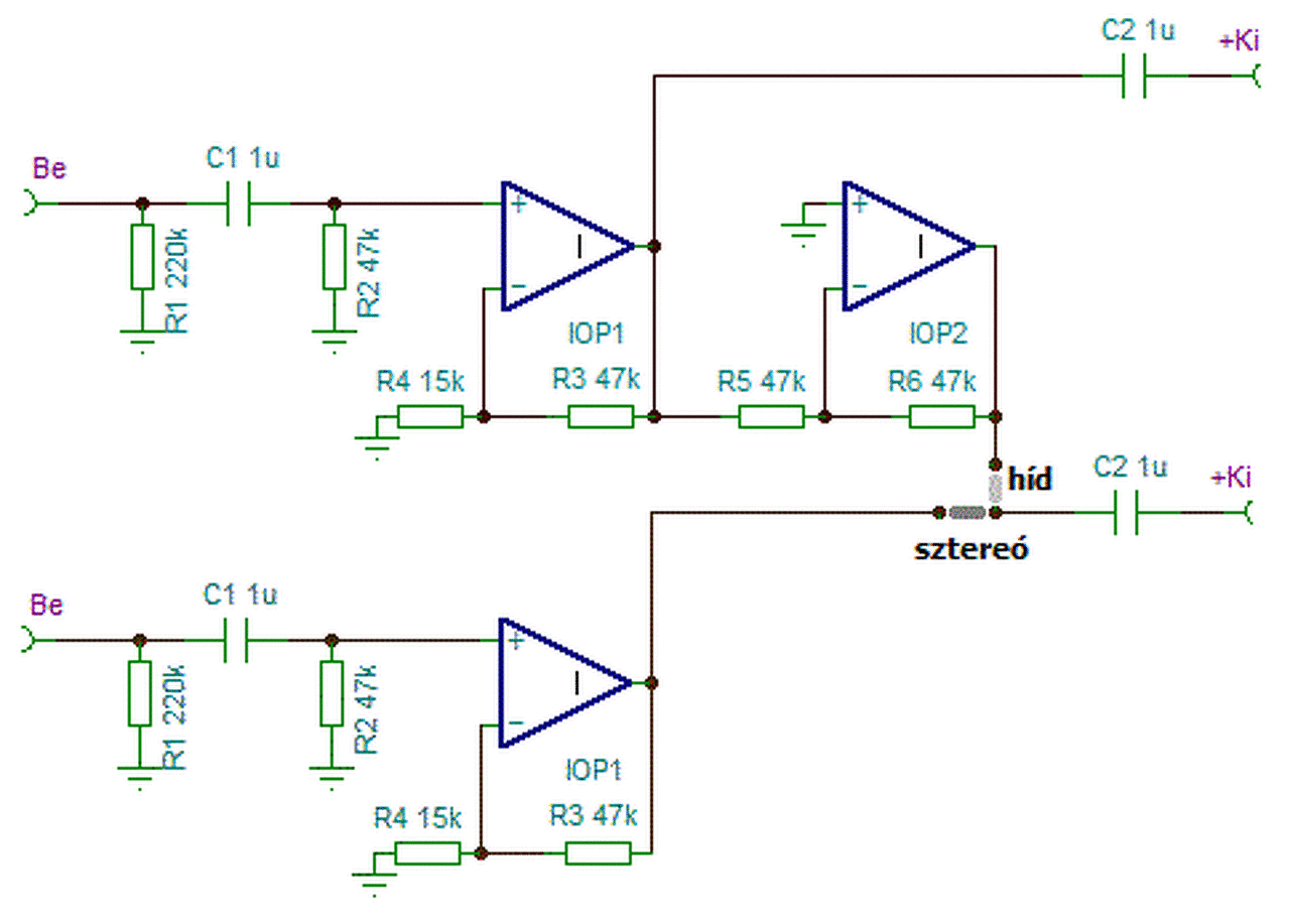
Én ezt. A kapcsolást használom szépen teszi a dolgát stereo és híd űzemben egyaránt. A 2 es kimenetet fordítva kell bekötni mert folytonos fázisfordítás van . Ha monosítod a bemenetet akkor van úgye híd űzemben
(#) BI-AMP válasza krisz69 hozzászólására (») Dec 9, 2016 /
 
Maradok inkább a lent látható kapcsolásnál.
Lehet hülye kérdés, de ez a kapcsolás előerősítőként is működik?
(#) steelbird válasza BI-AMP hozzászólására (») Dec 9, 2016 /
 
Kb. 3- szoros az erősítése.
Következő: »»   569 / 611
Bejelentkezés

Belépés

Hirdetés
XDT.hu
Az oldalon sütiket használunk a helyes működéshez. Bővebb információt az adatvédelmi szabályzatban olvashatsz. Megértettem