Fórum témák
» Több friss téma |
Fórum » Tesla tekercs építése
Megnéztem egy pár rajzot. Általában 2x230V-ról használják a csöveket. Én egyenlőre csak 200-220V-on használnám a PL36-osomat.
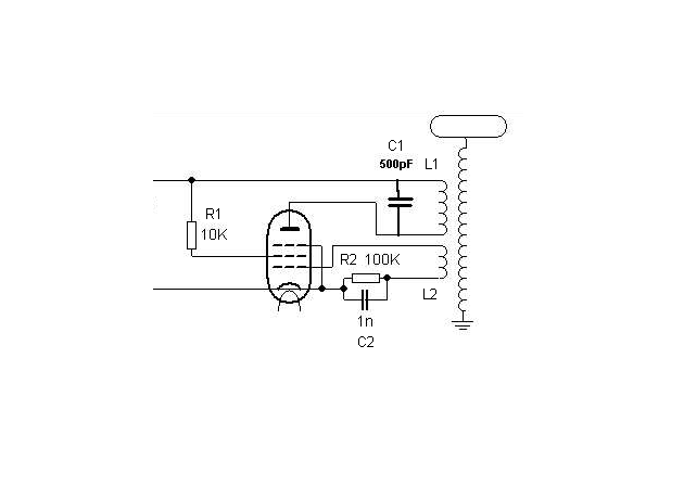
Van egy régi szekunderem olyan 500-600kHz körül kellene menni neki. Van egy primer is hozzá kb. 12 menetes és egy 4n7 kondival ment szikraközös formációban. Mellékeltem egy rajzot is, hogy konkrétumokról tudjunk beszélni. Úgy nézem, hogy az R1-es ellenállásnak olyan 5-18kohm okat írnak nekem lenne egy 15k-om egy régi csöves rádióból. Az R2-höz 47-100K-at írnak lenne 100K 1W-osom. C2-nek 1n-okat látok az is meglenne. Hogyan kéne ezt méreteznem? R1-nek jó a 15K, R2-nek 100K? L1 L2?
Sokat segítene a méretezésben, ha előkapnál egy katalógust, neten is van.
Meg kell nézni, hogy mekkora g2 áramokat visel el, ha pentódának kötöd és ehhez mekkora g2 feszültség ajánlott, így az ellenállás számolható. Javaslom inkább a triódának kötést (g1-g2 összekötve) és akkor az R1 megspórolható. Azért is jobb triódának használva, mert kisebb a belső ellenállása a csőnek, könnyebb illeszteni a primer rezgőkörhöz. Az a 100k kicsit soknak tűnik... de lehet kísérletezni, kisebb értékkel is. Azért óvatosan, mert ez a cső, bár nem kicsi, nem egy adócső, a rácsáramot nem nagyon tolerálja hosszan. L1-L2 lehet egyforma, a távolságukat ki lehet kísérletezni. A menetszám ne legyen kicsi, 25-30 menet is lehet, ezzel arányban a primer kapacitás csökkenthető, persze a rezonanciára ügyelj. Ha ekkora feszültségről járatod, akkor ha van régi csöves rádiós légforgód, nagy légközökkel, akkor beteheted és hangolhatod a primert. Ha átüt, sem gond, a levegő bírja
Átnéztem egy pár rajzot de egyiken sem volt a g1-g2 összekötve, de meg fogom próbálni.
Illetve néztem a cső paramétereit PL36.pdf, G2 nek tipikusan 7mA ír, ehhez úgy számolom 33K ellenállás kéne 230V-ra. De a G1-hez semmit nem ír, a G2 maximumát sem tudom.
Pedig ott van minden, "Limiting values" címszó alatt...
Mellette tessék a megfelelő görbéket megnézni, azokat is tanulmányozni kell a paraméterek beállításához. Például a megfelelő Ug-Ia görbe (rá van írva, hogy Ua: 230V) nekem megmondja, de neked is, hogy 230V anódfeszültségnél a lezárási feszültség -50 V. Erre fog feltöltődni (legalább) a rácskondenzátor és ez fog kisülni az ellenálláson keresztül, hogy a cső beindulhasson megint. Rácsáramot (és rácsdisszipációt) nem ír a katalógus, mert ez a cső nem erre van tervezve. A g1-g2 összekötés triódakapcsolás (bár van olyan is, ahol a g2 az anóddal van összekötve, de ezt ekkora feszültség igénybevételnél nem célszerű), sokan nem ismerik. Különbség, hogy triódának kötve jóval alacsonyabb belső ellenállás adódik, mint pentódakapcsolásnál, így több teljesítmény jut a rezgőkörre.
130kVA-es tekercs. Bár valószínűleg nem volt feltolva odáig.
Bővebben: Link
Teszteltem a lánckesztyűt.
Bővebben: Link Jó dolog ![]() Új szekunder, új kondi még nincs, de hamarosan az is elkészül. 60nF-os 2mot-os tesla. Nagy fordulaton, az 1,5mm-es wolframot simán megzabálja. A hozzászólás módosítva: Feb 16, 2014
Nem semmi... Kár hogy ezekről http://www.youtube.com/watch?v=JyO6SeKE7EI nem lehet találni videókat működés közben... Szívesen megnézném...
A hozzászólás módosítva: Feb 17, 2014
Hát videót nem nagyon, kép viszont van.
Bővebben: Link
Ezeket már nézegettem én is de sajna vajmi kevés anyag van ami elérhető róla pedig nem semmi kisüléseket produkálhattak annak idején ezekkel a berendezésekkel...
Ez Marx-generátor, nem Tesla-tekercs. Nagyfeszültségű tesztlabor Szibériában.
Jó keleti módon hagyják szétrohadni az egészet a tajgában. A hozzászólás módosítva: Feb 17, 2014
Valóban Marx generátor. Nem is offolok itt tovább.
Hello! Egy olyan kérdésem lenne, hogy a szekunder PVC csövet úgy választottam meg, hogy a tetején rajta legyen a kiszélesedő karimás rész, ami tartani tudja a kapacitást és a csövet is le lehet zárni alul, felül. Hogyan tekercseljem meg a szekunder tetejét? Nem okoz problémát, ha a kiszélesedésig tart a szekunder, ahol kábelkötegelővel rögzítve lesz, majd néhány menettel felfut a karimáig, ahol nagy ívű hajlítással haladhat a tetőkapac tartólapján? Ha az egészet egyben gyantázom le amilyen hosszon csak lehet és ahol a csövön van még a huzal, a gyorskötözővel együtt, akkor nem lesz gond a nem kívánt koronával?
Spirális primer esetén okoz gondot a szekundertől való eltérés, ahogy a menetek csavarodnak egyre nagyobb átmérőn, vagyis a primer menetek inkább a körhöz hasonlítsanak és a végén nőjön a menetemelkedés, vagy lineárisan növekedjen végig a kör egész hányadán, vagy ennek nincs jelentősége? Válaszodat köszönöm! A hozzászólás módosítva: Feb 19, 2014
Nem tudom milyen az a karimás pvc cső.
Spirál primernél konstans a menetemelkedés.
Erre gondoltam: PVC cső Akkor is nagy a veszteség, ha a toroidhoz menő vezeték hosszabb, de van rajta szigetelés?
Végülis nem rossz ötlet a dugós oldalát felfelé tenni, mert a hozzá kapható dugóra rakva a tetőkapacitást rögtön meg van oldva a szétszedhetőség és a rögzítés.
A lényeg, hogy a huzal ne koronázzon, legyen nagy ívben vezetve, és lehetőleg ne legyen túl nagy távolság a végpont és a tető közt. Mondjuk max 10cm.
Én igazából arra gondoltam, hogy így egy kör alakú fa vagy plexi lap ráül a peremre, ami a toroidot tartja, a csövet pedig felül is és alul is le lehet zárni mellette, ha netán a szikrák könnyebb utat találtak arra.
A szekundert tényleg nem szoktad legyantázni a tekercselés előtt? A bolt után egy alapos tisztítás és mehet rá a tekercs?
Előtte nem kell. Gyantával óvatosan kell bánni, mert hőmérsékletkülönbség hatására repedezik, leválik a zománcról.
Sziasztok!
Összedobtam a tesla transzformátoromat a PL36-os csővel, egyenlőre elég gyengén muzsikál. A primerem egyenlőre csak összetekert rézvezeték. De gondolom az is fontos lenne, hogy egy soros legyen? Illetve a, fűtő tápegységnek egy kiszuperált PC-tápot használtam. És amikor behangoltam a forgókondival, akkor a PC-táp nagyfrekvenciás hangokat adott ki. A katódot egyenlőre nem földeltem, biztonsági szempontból. Mitől lehetett ez a nagyfrekvenciás hang? Talán az elkokból jöhetett. Vajon károsíthatja ez a tápegységet?
Ki is nyírhatja. A visszajutó impulzusok miatt ki-be kapcsolgat.
Csinálj soros fojtótekercseket a tápvezetékbe. Légmagos, vastagabb tömör huzal, hézagosan tekercselve. Valami hosszabb, két-három centi átmérőjű szigetelő csöveken, 30 menet mondjuk. Ha kevés, akkor lehet folytatni, de 1 centi köz legyen a folytatásnál és a fele menetszám. A tekercsek elé és után egy-egy 10 nF/ 2 kV-os tárcsakondi. Illetve a táp felőli részen egy-egy a fémház és a tápvezetékek közé, hogy a közös pontjuk legyen a házra kötve.
Vagy talán akkor jobban járnék egy normál 50Hz transzformátorral meg mondjuk egy LM317-es vagy hasonló szabályzóval.
Illetve azon is gondolkodtam, hogy azért ez a cső is eléggé melegszik meg vannak veszteségek. Vajon jobb lehet a hatásfoka mint a szikraközösnek? Most támadt egy olyan ötletem, hogy lehetne akár 2x230V-al és széntűs szikraközzel is hajtani.
Ha 50Hz-es trafó, akkor inkább a megfelelő feszültségűt nézz és ha kicsit nagyobb, akkor előtétellenállással állítsd be a feszültséget. A félvezetők nem szeretik a tüskéket. És akkor egyenirányítani sem kell a fűtést.
A szikraközös és a csöves eltérően megy, de a szikraköz nagyobb teljesítményt tud. A széntű nem jó. Olyan szikraköz kell, ami jól kiolt, hogy ne maradjon fenn az ív, mert akkor a szekunderről visszamegy az energia és elvész a szikraközben. Wolfram az igazi.
Az a gondom, hogy csak 13,5V-os transzformátorom van. Azt kétszerezni kell és akkor egyből 42V lesz belőle, amit le kell szabályozni.
Visszatérve a PC-tápra, ha leföldelném a katódot akkor már nem tudnának impulzusok visszajutni? Kicsit olyan hangja van mint amikor rádiót hangolok, úgy hallani, hogy változik a frekvencia.
A kétszerező nem biztos, hogy jó megoldás, mert ide elég nagy áram kell (300mA) és emiatt a kondenzátorokra túl nagy kapacitás adódik.
A katód földpontra kötése csak részben segít, a fűtés külön szűrését nem úszod meg, ha a tápod kedves neked... Eddig ez azért nem merült fel, mert ilyen célra "rendes" 50Hz-es hálózati trafót használnak errefele is. Annál is illene szűrni, de a trafót nem nagyon érdekli a visszajutó impulzus, legfeljebb a hálózatra szór zavart, de filterrel az is csökkenthető.
Egyenlőre 4cm átmérőjű szekunderem van, de később tervezek egy nagyobbat építeni. A primert viszont már úgy akarom, hogy később is jó legyen, kb. olyan 14cm átmérőjűre kellene csinálni. Befolyásol-e valamit ez a nagy átmérőkülönbség?
Illetve, amit te készítettél Tesla tekercset és írtad róla a tapasztalatokat, az milyen frekvencián mehetett?
A túl nagy átmérőkülönbség nem jó, nagyon laza lesz a csatolás, nem fog átmenni az energia a szekunderre, hanem a csövet fogja melengetni.
Leírtam a frekit is, olyan 170 kHz körül ment.
Hello! Sikerült elkészíteni úgy-ahogy az első szekundert. Sajnos gyantázás közben meglazulhatott a huzal, és a teteje felé néhány menet arrébb ment, és fél menetnyi távolság keletkezett néhány kisebb szakaszon. Utólag nézve, talán az sem volt jó ötlet, hogy a szélesedő rész van felül, mivel a huzalnak még ott is kell mennie, hátha könnyebben tör ki a szikra a nagyobb átmérő miatt, vagy az inhomogenitástól.
Epoxit használtam 100:38 arányban, de így is fél nap kellett, mire valamennyire megkötött, azaz nem folyt (radiátor mellett melegítve). Az első réteg felvitelekor nagyon folyékony volt a gyanta, ahogy kötött (~8 óra múlva) elkezdett ráncosodni, ezt úgy sikerült orvosolni, hogy a megmaradt gyantának ekkorra már elég nagy volt a viszkozitása, ezzel újra átkentem és lassan el tudott oszlani. Ezután már nem jött elő a jelenség újra. Van valamilyen térhálósodási arány, ami után már nem ráncosodik?? Egyébként ilyenkor a gyanta átszivárog a menetek között és alul is összefüggő réteget alkot, vagy gyakorlatilag a tekercselés belső felén ugyanúgy csak a zománc véd az átütéstől? A legegyszerűbb tekercselőállvány : A hozzászólás módosítva: Márc 10, 2014
A szekundert mindig rögtön le kell kenni tekerés után, mert a feszesség 'vándorol' a tekercs mentén, és a kevésbé feszes menetek összegyűlnek, és valahol biztos hogy fellazul 1-2 menet.
A gyanta nekem 1 óra alatt térhálósodott hogy lehetett fogdosni. Térhálósodás közben pörgetni kell folyamatosan, csak akkor lesz egyenletes. A menetek közé nem tud befolyni, ahhoz térközt kéne hagyni. Legutóbb én esztergára csináltam egy felfogót, így ott 20 perc alatt megtekertem 1400 menetet. Régebbi felrögzítés nem volt valami stabil, igaz így csak kb 600mm hosszt tudok befogni, hacsak a tokmány nem helyettesítem valami laposabbal. A hozzászólás módosítva: Márc 10, 2014
A 4. képen szigetelt vezetéket használtál? Volt már vele próba?
Azért a fellazulás szerintem nem akkora probléma, azért mehetett kicsit szét az enyém, mivel a PVC cső szélesedésénél nem lehetett kis ívben feszíteni a huzalt mert visszacsúszott. Itt nitrolakkal kellett néhány helyen rögzíteni. Sajnos tekercselés közben a felénél vettem észre, hogy a zománc is meg volt sérülve egy helyen, szóval ez nem lett az igazi, viszont kipróbálni mással úgysem tudom egyelőre. A gyanta 3012 epoxi 3122 katalizátorral, a Novia Nagy Lajos úti forgalmazójánál vettem. Ha tényleg térhálósodott volna 1-2 óra alatt, akkor lett volna türelmem forgatni... összességében megfolyás így sincs rajta, csak a tükröződésből látszik, hogy az egész felülete hullámos, avagy eltérő vastagságú felületekből áll, de szerintem ennél a buborék is nagyobb probléma.
Tesztről előző oldalon van kép.
Ha 1 napra magára hagyod a szekundert mielőtt lekennéd, letekeredne az egész. Az az érzésem, hogy a legjobb lenne tőlük szerezni valamilyen villamosipari gyantát, mert nálam a sima gyanták mindig leváltak egy idő után a zománcról. Légbuborékmentesen pedig eleve esélytelen vákumozás nélkül megoldani. Hogy teljesen egyenletes legyen, tökéletesen vízszintbe kell hozni, és nagy sebességgel pörgetni, na és persze ki viszkozitású anyaggal lekenni egyenletesen. Majd megkérdezem ezt a céget mit ajánl ezekhez.
Nem lehet, hogy azért válik le a zománcról a gyanta, mivel zsír vagy szennyező réteg kerül rá a kézről tekercseléskor, vagy akár ahol adták a spulnival? A gyantázás előtt alkohollal én is áttöröltem egyszer menetirányban, a port is leszedte legalább. Vagy a minimális zsugorodás miatt nem tudja megfogni a huzalt, azon a kevesebb, mint félkörív felületen.
Engem is érdekelne hogyha sikerül szerezned valamilyen jobb gyantát. A szekunder 57mH lett 0,475-ös huzallal 70,5cm hosszon 16cm átmérőn. |
Bejelentkezés
Hirdetés |
















