Fórum témák
» Több friss téma |
Fórum » Tesla tekercs építése
Ha annyira penge lennél az RLC-körökben, akkor nem lenne érthetetlen, amit az elébb szövegeltem. Úgyhogy feküdj neki. Plusz a Tesla-specifikus "apróságoknak"
![]() Nem tudod összeszorozni, mert a kapacitás mindig két pont közti töltéskülönbség okozta feszültségkülönbséggel jellemezhető - még ha a másik pont a "végtelenben" is van. Itt meg ugye a lemezek ugyanazt a töltést kapják, közöttük nincs feszültségkülönbség. Itt sajnos nem találsz egyértelmű képletet, de nem túl nagy lemeztávolságig a kapacitás a lemezek által kiadott henger határfelületeinek (alsó-felső lapok és a kiadott palástfelület) kapacitása lesz, talán némileg kisebb. Ki kéne mérni, ha gondolod, állj neki, lemezszámok-lemeztávolságok variálásával. Talán lehetne a mérési pontokból egy-egy görbét is összehozni. Az is lehet, hogy bizonyos esetben eléggé lekorlátozódna a kapacitás az alsó-felső lemezek és a közbülső lemezek éleinek felületének összegére, nem tudom, mérd meg. Biztos érdekes összefüggések adódnának.
Jaaaa, de hát amit tegnap 23:08-kor írtál azt értem, csak arra mondtam, hogy amit régebben írtál az nekem nem volt teljesen egyértelmű.
De már csak annyi baj van vele, hogy nincs kapacitás mérőm.
No, akkor légyszíves fogalmazz egyértelműen, ott az "idézet" gomb, van lehetőség, hogy kiemeld azt, ami nem tiszta, mert a levegőbe én se szeretek beszélni, azonfelül itt oldalakon keresztül dumálhatunk eredmény nélkül. Kicsit szétszórtan állsz a dologhoz, kicsit többet gondolkozz, hogy mit szeretnél tudni, de emellett vedd a fáradtságot saját kutatásra-tanulásra és arra is, ha ki kell számolni valamit, akkor megteszed - itt gondolok arra a képletre az imént, amiről szimpla behelyettesítéssel megállapíthattad volna, hogy viselkedik (ha már nem emlékszel, mit is tanultál a suliban matekból).
Nem kell kapacitásmérő. Csinálsz egy teszt-tekercset (vagy a véglegest használod), megállapítod a sajátkapacitását (leírtam, hogyan), aztán rászerelsz mindenfélét és méred. Már írtam és mellékeltem is Tesla-tekercs mérési leírást. Olvass vissza. Azt is elmondtam, miként, mivel mérhetsz. Rezonaniamódszer. Szkóp. Voltmérő. Jelgenerátor (építhetsz egyet, ha nincs, pár Volt kimeneti feszültség elég). Esetleg frekvenciamérő (ha szkópod van, akkor annyira nem fontos, ha tudsz szkópról olvasni és periódusidőből frekvenciát számolni). És az ismeretlen mennyiség kiszámolható a mérési eredményekből... Nem kell mindenre külön műszer. Ugye, hogy egy Tesla-tekercs jó kis tanító?... ![]() Tiszteld meg Tesla bácsi emlékét, hogy nem csak építesz csupán, hanem megtanulod, amit kell. Az se baj, ha magáról Tesláról is olvasgatsz, érdekes a története. De ez utóbbi fakultatív. Idézet: „eléggé lekorlátozódna a kapacitás az alsó-felső lemezek és a közbülső lemezek éleinek felületének összegére” Pontosítok: "eléggé lekorlátozódna a kapacitás az alsó-felső lemezek külső felületeinek összege és a közbülső lemezek éleinek felületének összegére"
Szerintem is
Amúgy jó.
Na de most akkor tisztázzuk. Egy SSTC primerére rákapcsolok egy nagy frekvenciás tápegységet akkor a rá eső áram a primer reaktanciájával vagy az Ω-os ellenállásával lessz kapcsolatba vagy megint hülyeséget kérdezek mert a reaktancia csak meddő ellenállás?
Egyébként meg a hatásos ellenállás nagyon kicsi egy olyan primerbe.
És ez a tercier tekercs, vagy extra tekercs hány menetes legyen? Ha a szekunder vagy 30 cm, és 13.8V tápegységről ad vagy 2 cm szikrát. Tehát a szekunder tetejét összekötöm az extra tekercs aljával? És milyen képleteknek kell teljesülniek a legnagyobb szikra érdekében? Képleteket nem nagyon találtam. Előre is köszönöm a válaszotokat.
Természetesen, ha csak egy szimpla induktivitás a primer, akkor az induktivitás az áram növekedésénak ütemét határozza meg. A maximális áram a tekercs ohmos ellenállása szerint alakul. Amíg a tekercsben változik a mágneses tér, addig az áram növekedési ütemét megszabja, de a határát nem.
Itt egy link a SSTC konstrukcióról, leírja részletesen: SSTC. Meg ugyanezen az oldalon van DRSSTC és QCW-DRSSTC is, nagyon hosszú szikrákkal... Viszont ezekhez már kell tudni áramkört tervezni! Nem elég csak összedobni valamit, mert seperc alatt eldurrannak az IGBT-k...
Köszönöm! Köszönöm! Isten vagy!
Amit én tudok, az az, hogy a tercier tekercs valamekkora frekvencián rezegni fog és a szekunder-primer rendszernek nem kell ráhangoltnak lennie (a primer-szekunder természetesen össze van hangolva. De lehet, hogy rosszul tudom - sose terveztem.
Collector biztosabb, hogy tudja. Képletek vannak. Pl. Thomson képlet Aztán ott az, amit pár hozzászólással elébb írtam, a primer-szekunder induktivitásának arányáról, ami meghatározza a feszültségnövekedést.Aztán a szikrahossz függése az input teljesítménytől (Freau formula): Spark length = 1.7*sqrt(power). A hozzászólás módosítva: Feb 15, 2015
Ne túlozz
![]() Itt egy másik link: Bővebben: Link Amúgy ezeket te is megtalálhattad volna, nekem gugli a barátom, legyen neked is
Amit a magnifier rendszerről most olvasgatva megtudtam, az az, hogy akkor fog szikrahosszt növelni, ha elegendően nagy teljesítmény áll rendelkezésre!
Mütyürke meghajtással nem fog segíteni.
A tercier tekercs itt eléggé félrevezető, ezt az elnevezést a 3 gombolyítású erőátviteli transzformátoroknál a 3. tekercshármasra szokták használni, ami mágneses csatolásban van a primerrel és a szekunderrel. A tápvonalas kialakításnál pedig éppen ezt kerüljük el. A legjobb megnevezés itt a szabad rezonátor a 3. tekercsre, ez tükrözi a működési elvét.
Számolásoknak itt még kevésbé van értelme, mert ez a rendszer érzékenyebb minden változtatásra és a környezetre is. Egy matematikus próbálkozott levezetéssel: Bővebben: Link De ez csak egy elvi erőlködés, mivel azt feltételezi, hogy minden veszteségmentes, és minden alkatrészt konvencionálisként ábrázol ("losses ignored, lumped model assumed as valid"). Ennek az építésébe csak akkor kezdjen valaki, ha már a normál kialakítású tekercsről jó sok tapasztalatot gyűjtött. De a félreértések elkerülése végett, nagyobb szikrát ez sem fog adni. Idézet: „De a félreértések elkerülése végett, nagyobb szikrát ez sem fog adni.” Akkor miért csinálta Tesla és miért nevezte magnifier-nek?
Nem vagyok benne biztos, hogy Tesla nevezte el annak, de ennek az az oka, hogy a meghajtó trafó szekunderfeszültségét nagyítja fel a szabad rezonátor. Viszont a meghajtó trafó szekunderfeszültsége nem lehet akármekkora, különben az kezd el viselkedni tesla tekercsként. Ha meg túl kicsi, akkor meg egyszerűen nem működik az egész. Az egésznek az a haszna, hogy a szikrákat, és a nagyfeszt el lehet vinni messzire a meghajtótól és nagyobb csatolást lehet adni a trafónál. Tesla idejében nem voltak ilyen profi alapanyagok mint manapság, pláne óriási szikrákhoz, így az, hogy el tudta különíteni a nagy térerősséget a meghajtástól, igen sokat számított.
Hát, lehet.
Itt az a berendezés szabadalma, ami emlékeztet a Wardenclyffe-toronyra, ha igaz, ilyesmi lehetett a "magnifier" is. Ennek is három tekercse van, igy, úgy tűnik, hogy a harmadik is mágneses csatolásban van.
Na és van összefüggés a szigetelő ellenállása normál állapotba és a lavina effektus allat fellépő rezisztenciája között?
Ez a kérdés hogy kapcsolódik a Tesla-tekercshez? A szikrákkal kapcsolatos?
Mivel a lavinaeffektus alatt szabad töltéshordozók képződnek, így az ellenállás drasztikusan leesik. Elhanyagolható töredéke az eredeti ellenállásnak. De hogy mennyi... Érdekel valakit? Nem hinném. Üzemi szilárd szigetelők ilyenkor amúgy is tönkremennek. Gázok esetében a villamos ívnek van egy gáztól és a nyomásától függő feszültsége, de ez nemlineáris, azaz az ívfeszültség bizonyos áramerősségig alig változik, illetve csökkenhet is.
Értem.
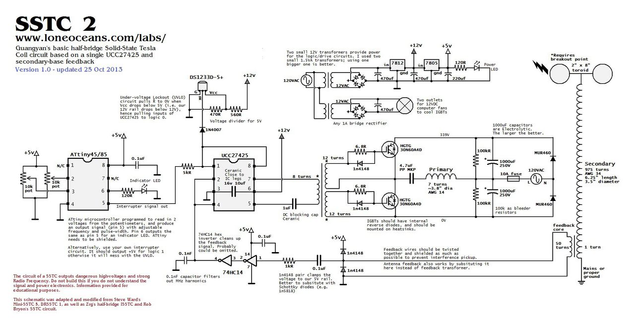
És azt megkérdezhetem, hogy mit jelent a "full bridge" meg a "half bridge"? Nemtudom kitalálni mit jelent a fél-hidas megoldás.
Gugli barát sokat elárulna...
![]() A félhíd két sorba kötött kapcsolóból (tranzisztorok, IGBT-k stb.) áll a táp két pólusa között, a híd másik két tagja egy-egy kondenzátor, ugyanúgy kapcsolva, mint a kapcsolók - mint egy H betű két függőleges szára. A kapcsolók és a kondenzátorok közös pontjai között van a terhelés - ez a H betű vízszintes tagja. A kapcsolókat felváltva működtetik, hol az alsó, hol a felső van bekapcsolva, így a híd másik szárát alkotó két kondenzátor felváltva töltődik fel és sül ki a terhelésen keresztül. Ez a kisebb teljesítményű, de egyszerűbb megoldás. A teljes híd esetében a H-betű mindkét függőleges szára csak kapcsolóelemet tartalmaz, a terhelés ugyanúgy a vízszintes tag. Az átlósan elhelyezkedő kapcsolókat kapcsolja be egyszerre az elektronika, felváltva az egyik átlót, aztán annak kikapcsolása után a másikat. Így a terhelésen hol mondjuk jobbról balra, hol meg balról jobbra folyik az áram. Ez nagyteljesítményű megoldás, de a vezérlése bonyolultabb. A hozzászólás módosítva: Feb 16, 2015
Egy egyszerű példa.
Hát köszönöm de soha nem jut eszembe csak az, hogy titeket idegesítselek vele!
JÚÚÚÚÚÚJJ DE JÓ! Végre sikerült megérteni ezt a kapcs rajzot!!
![]() <({[amúgy elmondanátok miért dupla rezonáns egy DRSSTC mert még még mindig nemtudom]})>
A primer tekerccsel sorbakötnek egy kondenzátort, így egy soros rezgőkört fog alkotni. Ha ezt a rezgőkört olyan frekvenciával hajtod meg, mint amin rezonál, akkor az ellenállása elkezd csökkenni rohamosan, egészen 0-ig(nah jó nem addig de nagyon kicsi lesz az ellenállása) így a primer tekercsben 100-1000A is folyhat, és ha a szekunder tekercs is ezen a frekvencián rezonál akkor villámlik rendesen.
A rajz amit linkeltél az SSTC, igaz, sorba van kötve a primer egy kondival de az a kondi túl nagy, ezért az nem fog kHz-eken rezonálni. Általában 50-150nF-os kondit raknak be, de ezt ki kell számolni. És a megszakítást is jól kell belőni, ha túl sokáig van bekapcsolt állapotba akkor az áram elszáll az egekbe, és a híd szétrobban.. itt egy példa kapcs: Bővebben: Link Az alja fele vannak mérések is.
Amúgy elnézést, de én nem értem, hogy akkor miért kell csökkenteni az ellenállást, hogy nagyobb teljesítmény legyen a primeren mikor a huzalnak nincs is ellenállása konkrétan. 1000V-on 50kA lenne elméletileg. Oké, hogy az érintkezők meg másoknak is van nem kevés, de akkor a feszültség azokra fog esni a primeren meg alig lessz valami.
Az áram a rezgőkör jósági tényezőjétől függ.
Látjátok milyen hülye vagyok?
A huzalnak van ellenállása. Ez az ellenállás (is) szabja meg a tekercs jóságát - és a rezgőkör eredő jóságát.
De a rezgőkör viselkedésétben a rezgőkörben folyó áram és egyebek a lényeg, nem az, hogy arrébb mi folyik vagy nem folyik
És nem tudjátok, hogy hol lehet ilyen ruhát venni amit ilyen igen kis teljesítményű és feszütségű póznákon használnak?
|
Bejelentkezés
Hirdetés |






Amúgy jó.




